+7 (701) 588 50 05 Телефон для связи
RU

WhatsApp

Позвонить

РАМА в Алматы

КАБИНА ОПЕРАТОРА

КАБИНА ОПЕРАТОРА

1Артикул: CAB, CAB See Illustration OPERATOR CAB/ B21357 NLA
2Артикул: 85D8, NUT, 5
3Артикул: 6553709, WASHER
Подробнее >
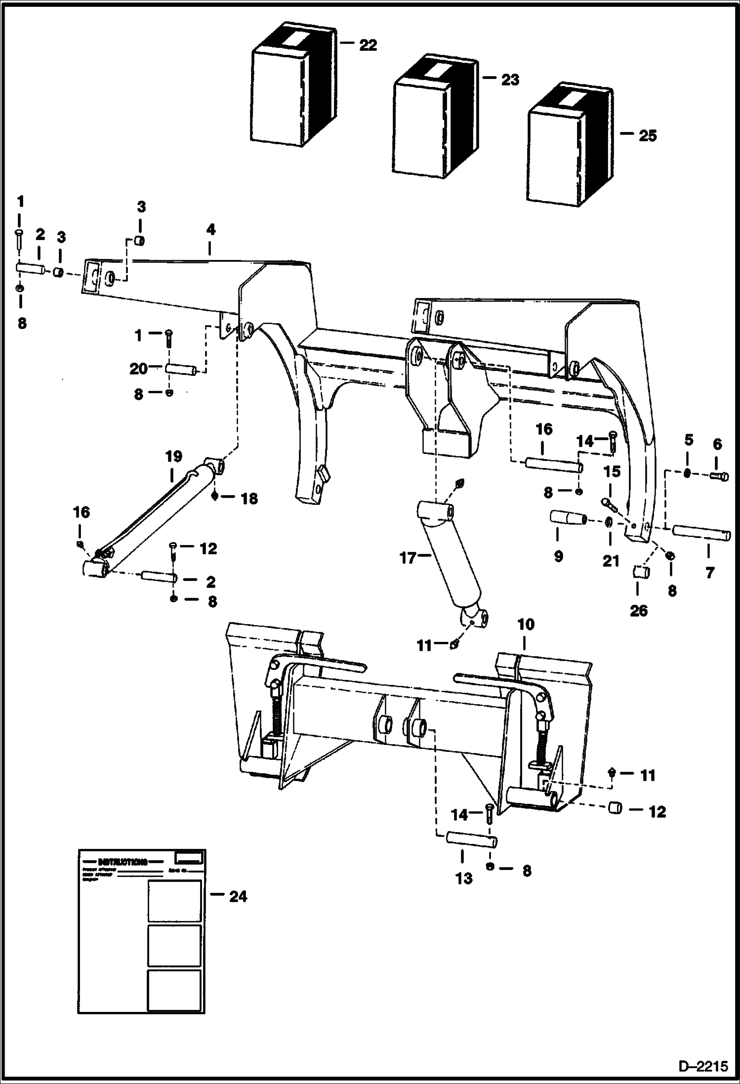
ПОДЪЕМНАЯ РУКОЯТЬ И BOB-TACH

ПОДЪЕМНАЯ РУКОЯТЬ И BOB-TACH

1Артикул: 17C636, BOLT
2Артикул: 6551663, PIN, PIVOT
3Артикул: 6552920, BUSHING
Подробнее >
BOB-TACH

BOB-TACH

1Артикул: 6559984, LEVER L.H.
2Артикул: 6704453, SPRING Was 6503387 - A
3Артикул: FRAME, FRAME NLA
Подробнее >
ЗАДНЯЯ ДВЕРЬ

ЗАДНЯЯ ДВЕРЬ

1Артикул: REAR, REAR DOOR See BTI166 NLA - Was 6559255 - A
2Артикул: 6553414, SHROUD
3Артикул: 81D6, NUT
Подробнее >
ПАНЕЛИ И СИДЕНЬЕ

ПАНЕЛИ И СИДЕНЬЕ

1Артикул: SEAT, SEAT See Illustration SEAT/ B7184
2Артикул: SEAT, SEAT BELT NLA - Order 6675074 seat belt & (2) of 6725373 spring plate - Was 6563214 - A
3Артикул: 81D7, NUT Lock
Подробнее >
СИСТЕМА ПОДАЧИ ТОПЛИВА СЕРИЙНЫЙ НОМЕР 14001 И ВЫШЕ

СИСТЕМА ПОДАЧИ ТОПЛИВА СЕРИЙНЫЙ НОМЕР 14001 И ВЫШЕ

1Артикул: 6555909, INSULATION
2Артикул: TANK, TANK NLA - Order 6560211 - Was 6557743 - A
3Артикул: 6632468, CAP Was 6555717 - A
Подробнее >
СИДЕНИЕ

СИДЕНИЕ

1Артикул: 6563141, SEAT Clip-In Cushions
2Артикул: 6630464, CUSHION back
3Артикул: 6630468, CUSHION seat
Подробнее >
ТОПЛИВНЫЙ БАК СЕРИЙНЫЙ НОМЕР 13999 И НИЖЕ

ТОПЛИВНЫЙ БАК СЕРИЙНЫЙ НОМЕР 13999 И НИЖЕ

1Артикул: 6555538, INSULATION
2Артикул: 6632468, CAP Was 6555717 - A
3Артикул: TANK, TANK NLA - Order 1 - 6557743 Fuel Tank, 1 - 6555794 Hyd. Oil Tank, 1 - 6555908 Insulation & 1 - 6555909 Insulation
Подробнее >