РАМА в Алматы
ПОДЪЕМНАЯ РУКОЯТЬ И BOBTACH
1Артикул: 17C640, BOLT
2Артикул: 6547595, PIN
3Артикул: 6703953, LIFT ARM See Illustration LIFT ARM & BOB-TACH/ D1380
BOB-TACH (СЕРИЙНЫЙ НОМЕР 12003 И ВЫШЕ)
1Артикул: 6563106, LEVER L.H. - Was 6579698 - A
2Артикул: 6704453, SPRING Was 6503387 - A
3Артикул: FRAME, FRAME NLA - Order Ref. 17
BOB-TACH (СЕРИЙНЫЙ НОМЕР 12002 И НИЖЕ)
1Артикул: 6563106, LEVER L.H. - Was 6579698 - A
2Артикул: 6704453, SPRING Was 6503387 - A
3Артикул: FRAME, FRAME NLA - Order Ref. 17
BOB-TACH
1Артикул: 6705172, KIT Ref. 4 & 20-28
2Артикул: BOB-TACH, BOB-TACH W/Ref. 7 (NLA/6577445 Bushing) - 2.25 in. (57,15 mm) O.D. weld on bushings - Order 6571744 Bob-Tach & (2) of Ref. 4 - Also Order 6561383 Decal - A
3Артикул: 6571744, BOB-TACH W/Ref. 5 - 2.50 in. (63,5 mm) O.D. weld on bushings - Also order (2) of Ref. 4 - Not in Kit - Also order 6561383 Decal
ПАНЕЛИ И СИДЕНЬЕ
1Артикул: 6553796, PANEL
2Артикул: 84G3716, SCREW 5
3Артикул: SEAT, SEAT See Illustration SEAT/ B7184
ПОДЪЕМНАЯ РУКОЯТЬ И BOB-TACH
1Артикул: 17C640, BOLT
2Артикул: 6547595, PIN
3Артикул: LIFT, LIFT ARM See Illustration LIFT ARM & BOBTACH/ E2114 NLA - BEFORE ORDERING REPAIR PARTS MAKE SURE THAT THIS IS THE CORRECT STYLE LIFT ARM & BOB-TACH - SEE ALSO LIFT ARM & BOB-TACH ER 6703953 LIFT ARM, 6539810 CYL. & 6705172 BOB-TACH KIT
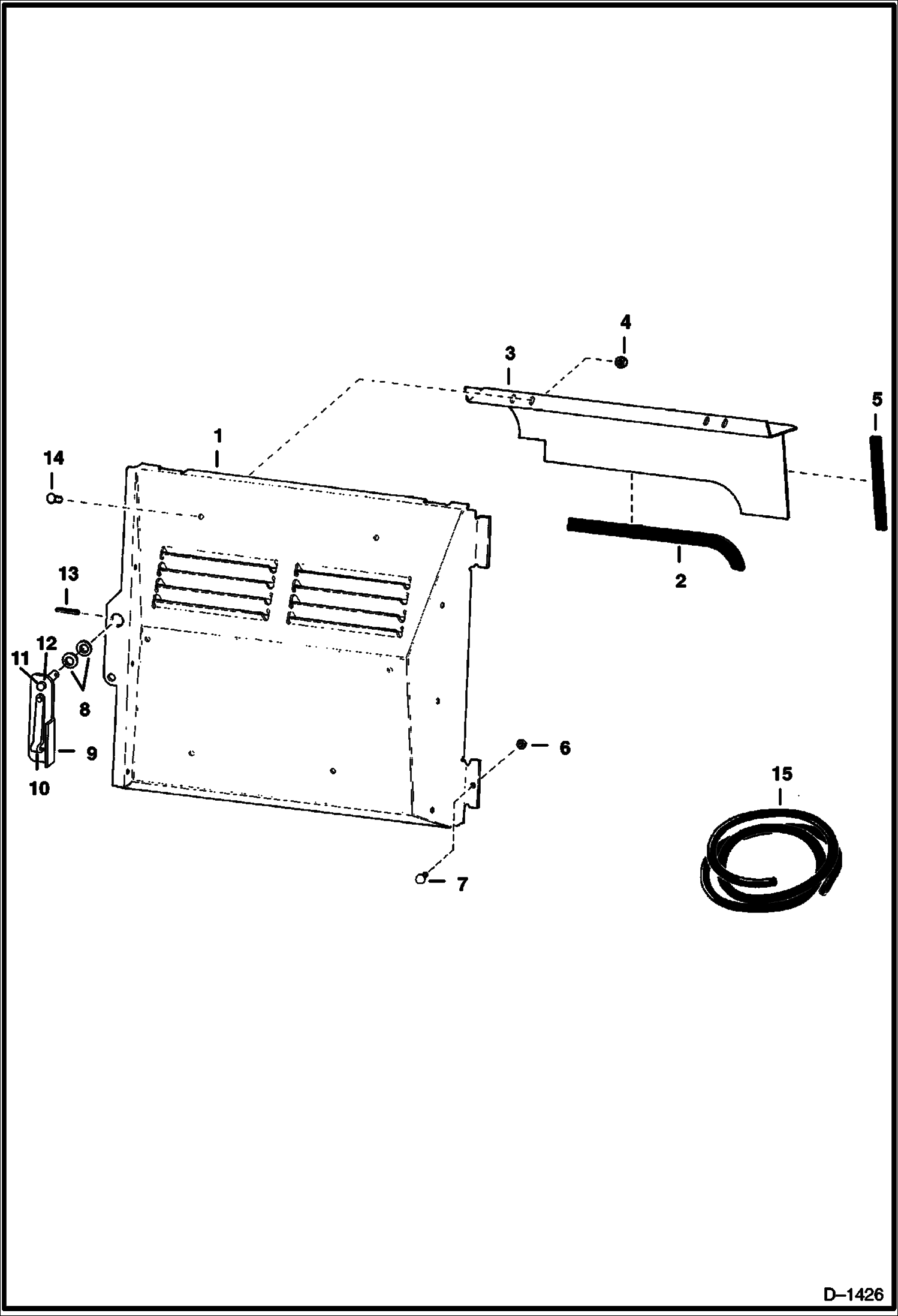
ЗАДНЯЯ ДВЕРЬ
1Артикул: REAR, REAR DOOR See BTI166 NLA - Was 6558463 - A
2Артикул: MOULDING, MOULDING NLA - 22-- (558,8 mm) long - Order Ref. 15 - Was 6558848 - A
3Артикул: COVER, COVER NLA - Was 6558181
ЗАДНЯЯ ДВЕРЬ (ПРИКРЕПЛЯЕТЬСЯ НА ПЕТЛЯХ)
1Артикул: 6704328, REAR DOOR hinged - Was 6565073 - A
2Артикул: 6564340, PIN
3Артикул: 6563681, HANDLE
СИДЕНИЕ
1Артикул: 6563141, SEAT Clip-In Cushions
2Артикул: 6630464, CUSHION back
3Артикул: 6630468, CUSHION seat
КАБИНА ОПЕРАТОРА
1Артикул: 6569247, KIT operator cab - Ref. 2 - 13
2Артикул: MOULDING, MOULDING NLA - bulk - sold per foot - Was 6620417 - A
3Артикул: 710706, CLAMP
СИСТЕМА ПОДАЧИ ТОПЛИВА (СЕРИЙНЫЙ НОМЕР 12001 И ВЫШЕ)
1Артикул: 6555909, INSULATION
2Артикул: 85G1008, SCREW
3Артикул: SENDER, SENDER NLA - fuel - Was 6560169 - A
СИСТЕМА ПОДАЧИ ТОПЛИВА (СЕРИЙНЫЙ НОМЕР 11999 И НИЖЕ)
1Артикул: 6555909, INSULATION
2Артикул: TANK, TANK NLA - Order 6560211 - Was 6557743 - A
3Артикул: 6661114, CAP, DIESEL 1 PSI green - Was 6632468 - A