+7 (701) 588 50 05 Телефон для связи
RU

WhatsApp

Позвонить

РАМА в Алматы

СИДЕНИЕ И ОПОРА СИДЕНЬЯ

СИДЕНИЕ И ОПОРА СИДЕНЬЯ

1Артикул: SEAT, SEAT See Illustration SEAT/ B25136
2Артикул: 6691714, SENSOR, SEATBAR BICS Was 6680429 - A
3Артикул: 6674894, NUT Was 6684033 - B
Подробнее >
КАБИНА ОПЕРАТОРА (DELUXE)

КАБИНА ОПЕРАТОРА (DELUXE)

1Артикул: 6675387, EXTRUSION bulk - sold per foot
2Артикул: 6554149, CORD, BULK/FT bulk - sold per foot
3Артикул: 91G420, SCREW
Подробнее >
ПАНЕЛИ (РУКОВОДСТВО ПО ЭКСПЛУАТАЦИИ РУЧНОГО УПРАВЛЕНИЯ)

ПАНЕЛИ (РУКОВОДСТВО ПО ЭКСПЛУАТАЦИИ РУЧНОГО УПРАВЛЕНИЯ)

1Артикул: 6725302, GASKET
2Артикул: 84G3712, BOLT 5
3Артикул: SHIELD, SHIELD Order Ref. 18 & 6734520 cover - Was 7106687 - A
Подробнее >
КАБИНА ОПЕРАТОРА

КАБИНА ОПЕРАТОРА

1Артикул: OPERATOR, OPERATOR CAB See Illustration OPERATOR CAB/ PE1539 Does not include cab decals
2Артикул: 6675033, INSERT
3Артикул: 6715860, SEAT BAR See Illustration SEAT & SEAT BAR/ PE1051
Подробнее >
СИДЕНИЕ (ПОДВЕСКА - СПУСКИ)

СИДЕНИЕ (ПОДВЕСКА - СПУСКИ)

1Артикул: 6675595, SEAT vinyl - LH recliner lever
2Артикул: 6675596, SEAT fabric - LH recliner lever
3Артикул: 6676338, GAS SPRING
Подробнее >
BOB-TACH

BOB-TACH

1Артикул: 7143508, BOB-TACH See Illustration DECALS/ B19882 Also Order 6561383 decal - Was 6732537 - A
2Артикул: KIT,, KIT, POWER BOB-TACH See Illustration POWER BOB-TACH KIT/ PE2273
3Артикул: 17C660, BOLT
Подробнее >
ЗАДНЯЯ ДВЕРЬ

ЗАДНЯЯ ДВЕРЬ

1Артикул: 38C840, BOLT carriage
2Артикул: 6809734, BUSHING
3Артикул: 6809727, CHANNEL
Подробнее >
ПОДЪЕМНАЯ РУКОЯТЬ И BOB-TACH

ПОДЪЕМНАЯ РУКОЯТЬ И BOB-TACH

1Артикул: 6717560, PIN 1.25-- x 6.46-- (31,8 mm x 164,0 mm)
2Артикул: 6718789, PIN 1.25-- x 4.40-- (31,8 mm x 111,8 mm)
3Артикул: 6731160, WASHER
Подробнее >
ПАНЕЛИ (МНОГОРЕЖИМНЫЙ ДЖОЙСТИК УПРАВЛЕНИЯ)

ПАНЕЛИ (МНОГОРЕЖИМНЫЙ ДЖОЙСТИК УПРАВЛЕНИЯ)

1Артикул: 6725302, GASKET
2Артикул: 84G3712, BOLT 5
3Артикул: SHIELD, SHIELD NLA - Order Ref. 20 & 6734520 cover - Was 7106687 - A
Подробнее >
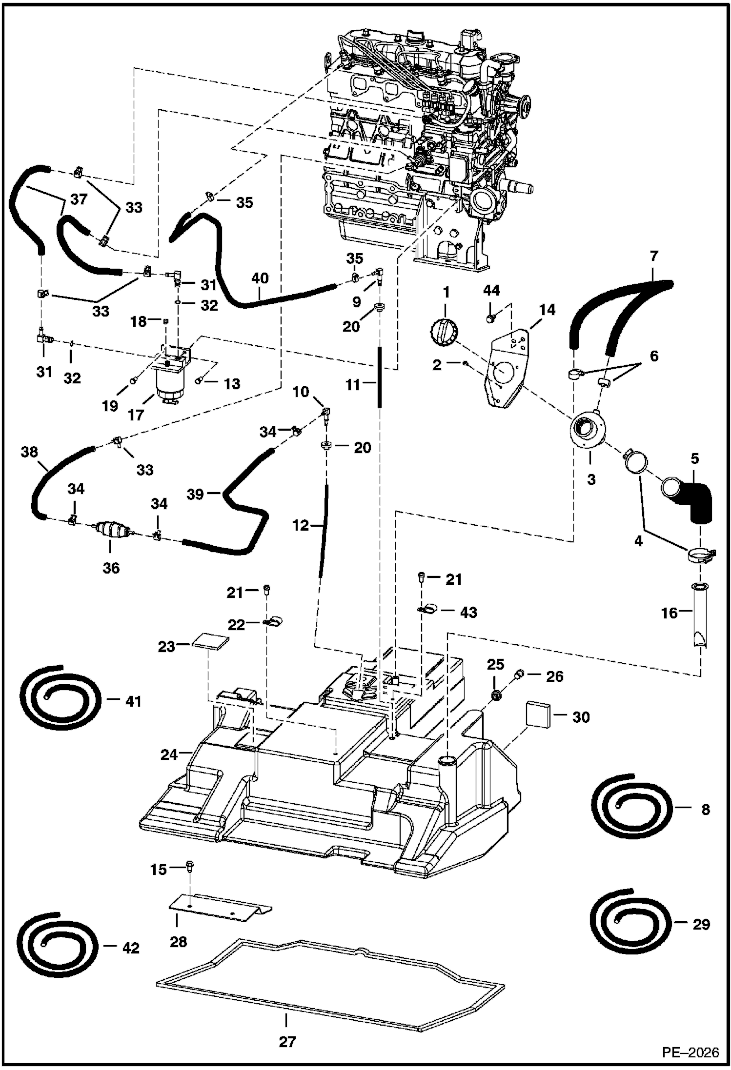
ТОПЛИВНАЯ СИСТЕМА

ТОПЛИВНАЯ СИСТЕМА

1Артикул: 6661114, CAP, DIESEL 1 PSI green
2Артикул: 6661696, CAP, FUEL LOCKING locking - W/key - Code PK510
3Артикул: 6587458, KEY Code PK510
Подробнее >