+7 (701) 588 50 05 Телефон для связи
RU

WhatsApp

Позвонить

РАМА в Алматы

СИСТЕМА ПОДАЧИ ТОПЛИВА (СЕРИЙНЫЙ НОМЕР 13315 И НИЖЕ)

СИСТЕМА ПОДАЧИ ТОПЛИВА (СЕРИЙНЫЙ НОМЕР 13315 И НИЖЕ)

1Артикул: 42HS04, CLAMP, HOSE Was 6515575 - A
2Артикул: HOSE, HOSE NLA - 12-- (304,8 mm) - Order Ref. 44
3Артикул: HOSE, HOSE NLA - 6-- (152,4 mm) - Order Ref. 44
Подробнее >
СИДЕНИЕ

СИДЕНИЕ

1Артикул: SEAT, SEAT NLA - W/Ref. 2-5 & 8 - Order 6669135 Seat
2Артикул: 6669135, SEAT, OPERATOR VINYL See Illustration SEAT COVERS/ NA10386 W/Ref. 2-7
3Артикул: 6670160, CUSHION W/edging, clip & (2) grommets
Подробнее >
СИСТЕМА ПОДАЧИ ТОПЛИВА (СЕРИЙНЫЙ НОМЕР 13316 И ВЫШЕ)

СИСТЕМА ПОДАЧИ ТОПЛИВА (СЕРИЙНЫЙ НОМЕР 13316 И ВЫШЕ)

1Артикул: 42HS04, CLAMP, HOSE Was 6515575 - A
2Артикул: HOSE, HOSE NLA - 38-- (965,2 mm) - Order Ref. 44
3Артикул: HOSE, HOSE NLA - 48-- (1219,2 mm) - Order Ref. 44
Подробнее >
КАБИНА ВОДИТЕЛЯ (СЕРИЙНЫЙ НОМЕР 20001 И ВЫШЕ)

КАБИНА ВОДИТЕЛЯ (СЕРИЙНЫЙ НОМЕР 20001 И ВЫШЕ)

1Артикул: 6569249, OPERATOR CAB See BTI245 Includes Decals
2Артикул: 6568271, INSULATION
3Артикул: 6567890, INSULATION
Подробнее >
BOB-TACH

BOB-TACH

1Артикул: 6562394, BOB-TACH See Illustration DECALS/ B18387 W/Ref. 2-30 - ALSO ORDER 6561383 DECAL
2Артикул: 6562013, STUD
3Артикул: FRAME, FRAME NLA - Order Ref. 1
Подробнее >
СИДЕНИЕ И ОПОРА СИДЕНЬЯ

СИДЕНИЕ И ОПОРА СИДЕНЬЯ

1Артикул: SEAT, SEAT See Illustration SEAT/ B7185
2Артикул: SEAT, SEAT BELT NLA - Order Ref. 35 - Was 6564774 - A
3Артикул: SEAT, SEAT BELT NLA - Order 6675074 seat belt & (2) of Ref. 3 (6725373 spring plate) - Was 6667875 - A
Подробнее >
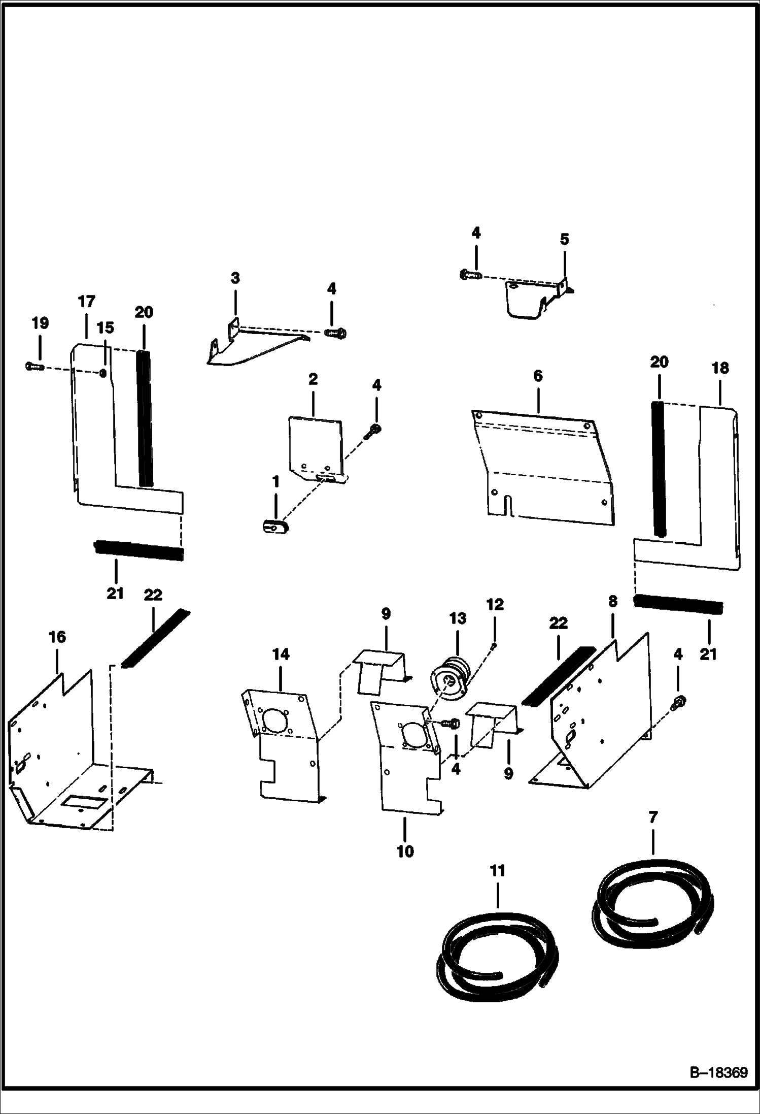
ПАНЕЛИ (СЕРИЙНЫЙ НОМЕР 19999 И НИЖЕ)

ПАНЕЛИ (СЕРИЙНЫЙ НОМЕР 19999 И НИЖЕ)

1Артикул: 6553653, GROMMET
2Артикул: 6562807, SHIELD
3Артикул: 6562450, BRACE
Подробнее >
ПОДЪЕМНЫЕ РУКОЯТИ И BOBTACH

ПОДЪЕМНЫЕ РУКОЯТИ И BOBTACH

1Артикул: 17C640, BOLT
2Артикул: 6559002, PIN
3Артикул: 10H35, FITTING, GREASE 10 1/4 - 28
Подробнее >
ПАНЕЛИ (СЕРИЙНЫЙ НОМЕР 20001 И ВЫШЕ)

ПАНЕЛИ (СЕРИЙНЫЙ НОМЕР 20001 И ВЫШЕ)

1Артикул: 6577926, SEAL foam - Was 6567741 - A
2Артикул: 6567738, RETAINER
3Артикул: 6630207, RIVET 5 Was 6630193 - B
Подробнее >
КАБИНА ВОДИТЕЛЯ (СЕРИЙНЫЙ НОМЕР 19999 И НИЖЕ)

КАБИНА ВОДИТЕЛЯ (СЕРИЙНЫЙ НОМЕР 19999 И НИЖЕ)

1Артикул: 6569248, KIT cab - Ref. 8-24, 25 & 29 - Also Order 6569249
2Артикул: CAB, CAB See BTI245 NSS
3Артикул: 6569021, DECAL - Was 6557312 - A
Подробнее >