+7 (701) 588 50 05 Телефон для связи
RU

WhatsApp

Позвонить

РАМА в Алматы

СИДЕНИЕ И ОПОРА СИДЕНЬЯ

СИДЕНИЕ И ОПОРА СИДЕНЬЯ

1Артикул: 6669135, SEAT, OPERATOR VINYL See Illustration SEAT COVERS/ NA10386 See Illustration SEAT/ B14720
2Артикул: 6691714, SENSOR, SEATBAR BICS Was 6680429 - A
3Артикул: 6674894, NUT
Подробнее >
СИДЕНИЕ (МИЧИГАН)

СИДЕНИЕ (МИЧИГАН)

1Артикул: 6669135, SEAT, OPERATOR VINYL See Illustration SEAT COVERS/ NA10386 W/Ref. 2-7
2Артикул: 6670160, CUSHION W/edging, clip & (2) grommets
3Артикул: EDGING, EDGING NSS
Подробнее >
ПАНЕЛИ

ПАНЕЛИ

1Артикул: 6725302, GASKET
2Артикул: 84G3712, BOLT 5 Use W/Ref. 12 & 13
3Артикул: 84G3712, BOLT 5 Use W/Ref. 15 & 16
Подробнее >
КАБИНА ОПЕРАТОРА

КАБИНА ОПЕРАТОРА

1Артикул: OPERATOR, OPERATOR CAB See Illustration OPERATOR CAB/ PE1967 Does not include cab decals
2Артикул: 6675033, INSERT See Illustration CAB ELECTRICAL CIRCUITRY/ PE1039
3Артикул: SEAT, SEAT BAR See Illustration SEAT & SEAT BAR/ B16482
Подробнее >
BOB-TACH

BOB-TACH

1Артикул: BOB-TACH, BOB-TACH See Illustration DECALS/ B17183 Also Order 6561383 decal - NLA - Ref. 2-31 - Order 7143508 Bob-Tach & (2) each of 7101078 pin, 17C1080 bolt, Ref. 34 & 35 - Was 6717284 - A
2Артикул: 7143508, BOB-TACH Ref. 2-17, 19-21, 32 & 33 - Was 6732537 - A
3Артикул: KIT, KIT See Illustration POWER BOB-TACH KIT/ TS2033 POWER BOB-TACH
Подробнее >
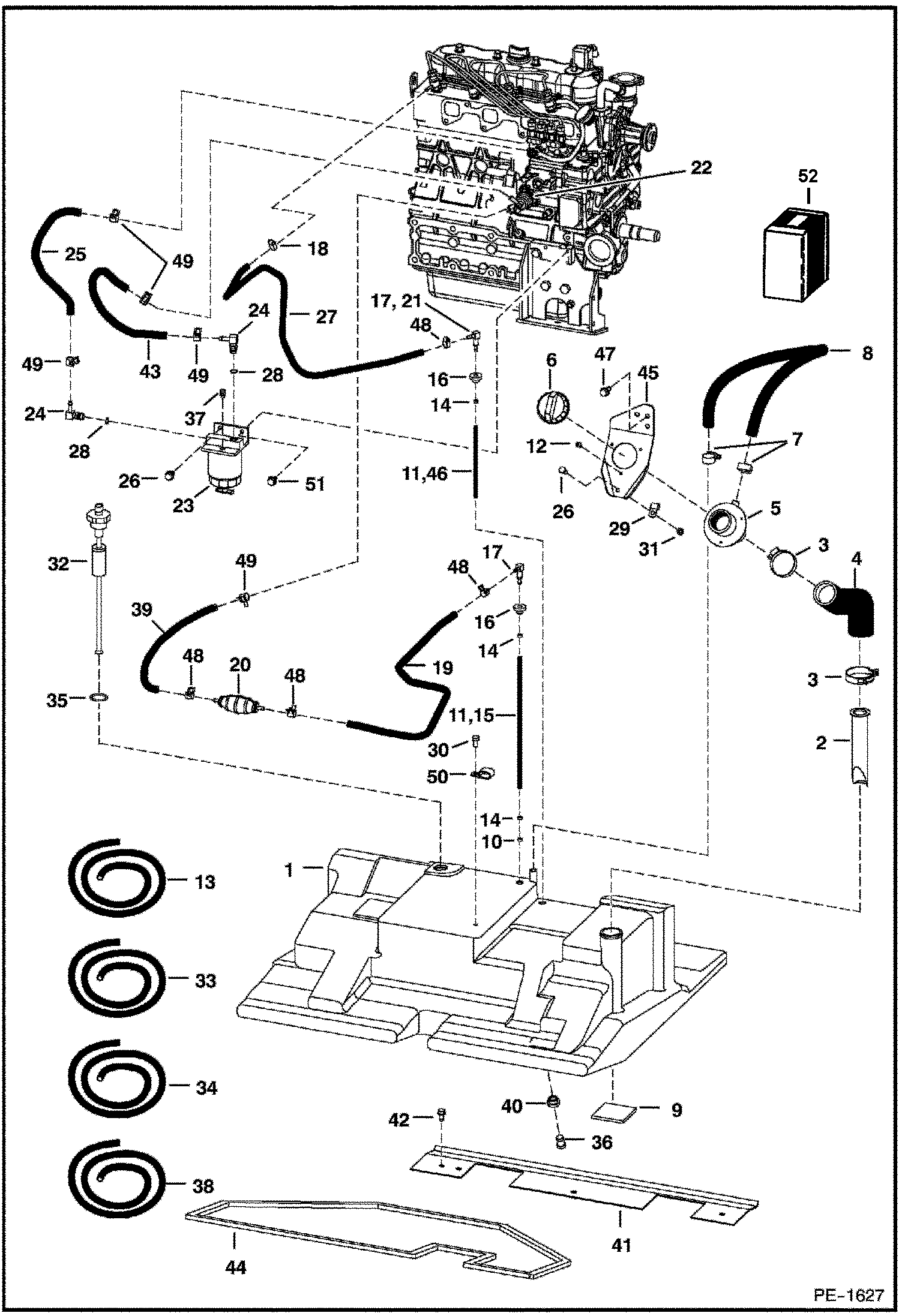
ТОПЛИВНАЯ СИСТЕМА

ТОПЛИВНАЯ СИСТЕМА

1Артикул: TANK, TANK NLA - Order 6736660 & Ref. 41 (6737368 bracket) - Was 6717067 - A
2Артикул: 7120881, SCREEN, FILLER Was 6569219 - A
3Артикул: 42H32, HS CLAMP5 worm gear
Подробнее >
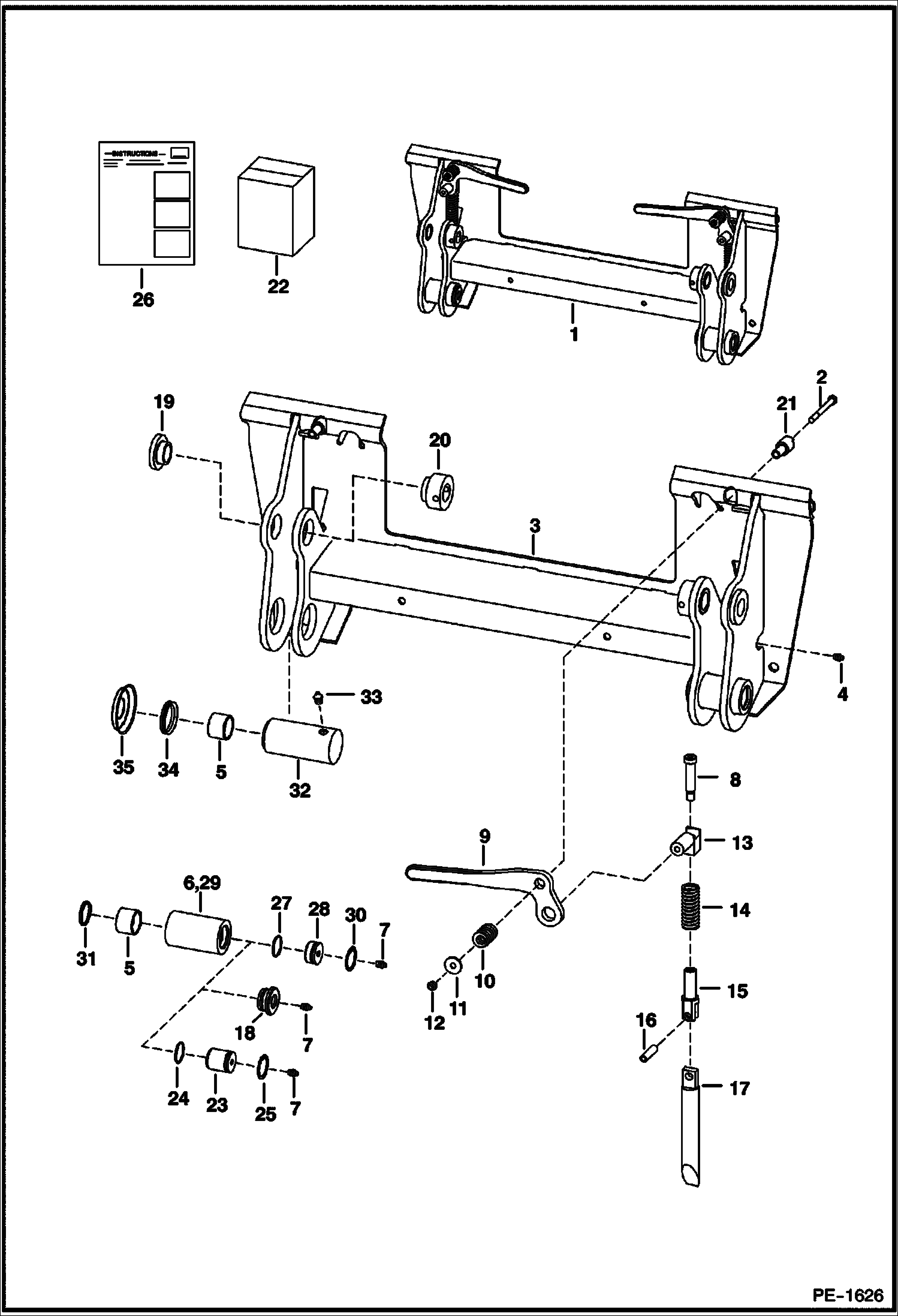
ПОДЪЕМНАЯ РУКОЯТЬ И BOB-TACH

ПОДЪЕМНАЯ РУКОЯТЬ И BOB-TACH

1Артикул: 6717560, PIN 1.25-- x 6.46-- (31,8 mm x 164,0 mm)
2Артикул: 6718789, PIN 1.25-- x 4.40-- (31,8 mm x 111,8 mm)
3Артикул: 6576033, WASHER .15-- thickness x 1.5-- O.D.
Подробнее >