+7 (701) 588 50 05 Телефон для связи
RU

WhatsApp

Позвонить

РАМА в Алматы

СИДЕНИЕ (МИЧИГАН)

СИДЕНИЕ (МИЧИГАН)

1Артикул: SEAT, SEAT NLA - W/Ref. 2-5 & 8 - Order 6669135 Seat - Was 6667684 - A
2Артикул: 6669135, SEAT, OPERATOR VINYL See Illustration SEAT COVERS/ NA10386 W/Ref. 2-7
3Артикул: 6670160, CUSHION W/edging, clip & (2) grommets
Подробнее >
СИДЕНИЕ И ОПОРА СИДЕНЬЯ

СИДЕНИЕ И ОПОРА СИДЕНЬЯ

1Артикул: SEAT, SEAT See Illustration SEAT/ B7185
2Артикул: SEAT, SEAT BELT NLA - Order Ref. 29 - Was 6564774 - A
3Артикул: SEAT, SEAT BELT NLA - Order 6675074 Seat Belt and (2) of Ref. 5 (6725373 Spring Plates) - Was 6667875 - A
Подробнее >
ПАНЕЛИ

ПАНЕЛИ

1Артикул: 6564982, RETAINER
2Артикул: 6564976, SEAL foam block
3Артикул: 6630207, RIVET 5 Was 6598092 - B
Подробнее >
ЗАДНЯЯ ДВЕРЬ

ЗАДНЯЯ ДВЕРЬ

1Артикул: 6564340, PIN
2Артикул: 6704328, REAR DOOR Was 6565073 - A
3Артикул: 85D5, NUT 5
Подробнее >
СИДЕНЬЕ (MILSCO)

СИДЕНЬЕ (MILSCO)

1Артикул: SEAT, SEAT NLA - Order 6669135 - Was 6665401 - A
2Артикул: 6630468, CUSHION seat
3Артикул: 6630465, CUSHION back
Подробнее >
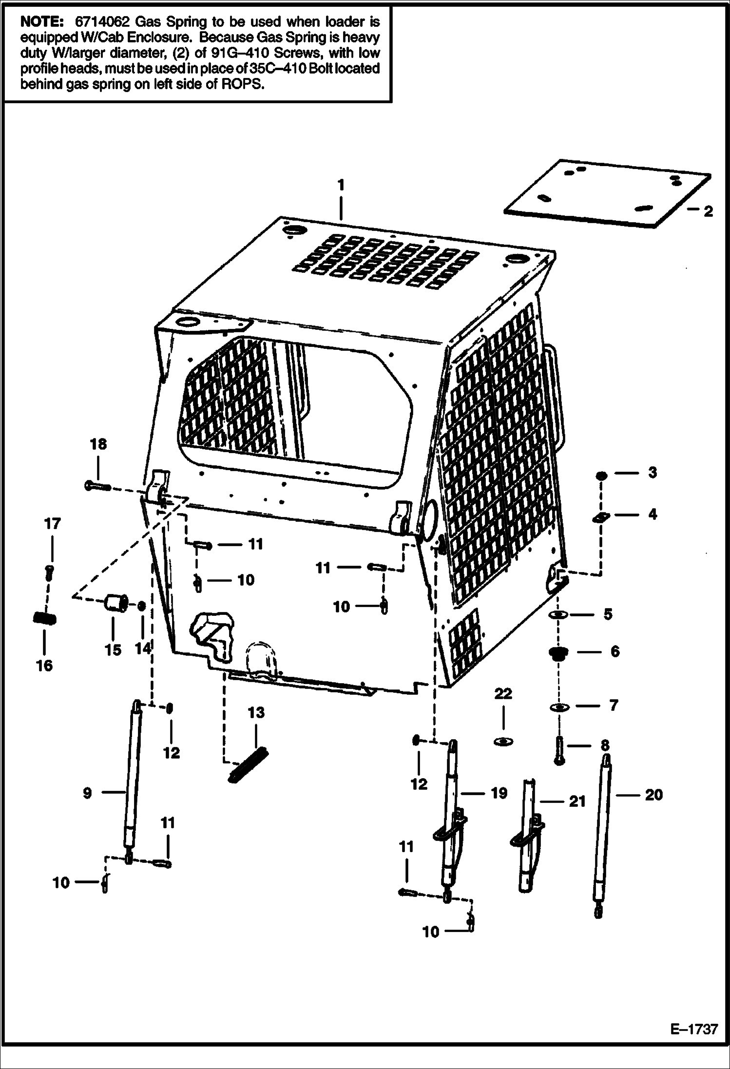
КАБИНА ОПЕРАТОРА

КАБИНА ОПЕРАТОРА

1Артикул: 6569249, OPERATOR CAB Includes Decals - Was SALES - A
2Артикул: 6567890, INSULATION
3Артикул: 59D8, NUT 5 Was 85D000008B - B
Подробнее >
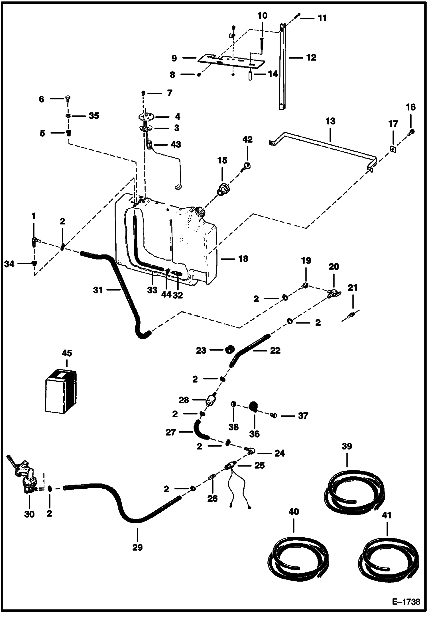
ТОПЛИВНАЯ СИСТЕМА

ТОПЛИВНАЯ СИСТЕМА

1Артикул: 6598908, ELBOW Was 6681462 - A
2Артикул: 42HS04, CLAMP, HOSE Was 6515575 - A
3Артикул: 6519201, GASKET
Подробнее >
BOB-TACH (40 СЕРИИ ТИПА)

BOB-TACH (40 СЕРИИ ТИПА)

1Артикул: 6563106, LEVER
2Артикул: 6704453, SPRING Was 6503387 - A
3Артикул: 6562013, STUD
Подробнее >
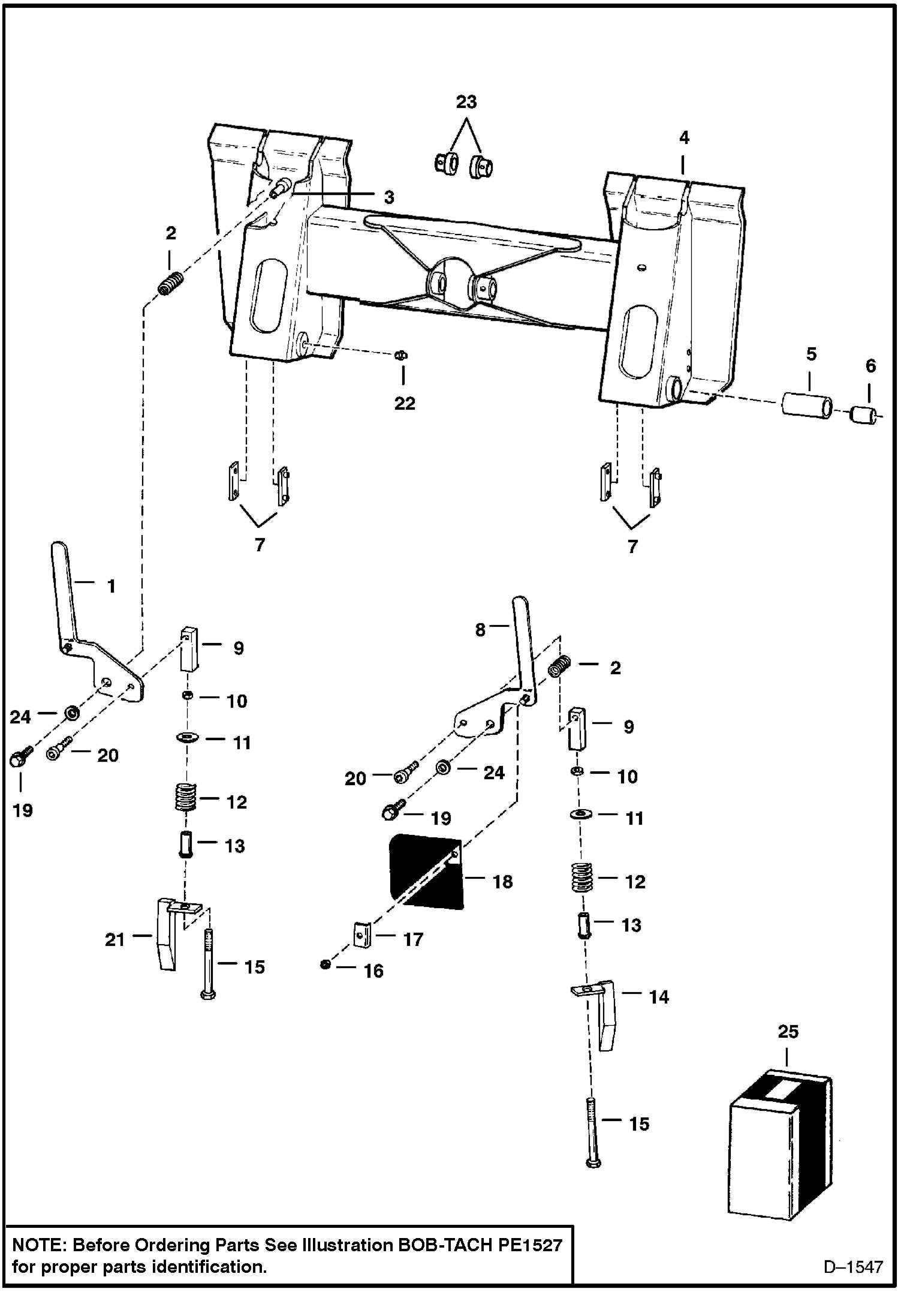
ПОДЪЕМНЫЕ РУКОЯТИ И BOBTACH

ПОДЪЕМНЫЕ РУКОЯТИ И BOBTACH

1Артикул: 17C640, BOLT
2Артикул: 6547595, PIN
3Артикул: 6703953, LIFT ARM Was 6702894 - A
Подробнее >
BOB-TACH

BOB-TACH

1Артикул: 6705172, KIT See Illustration DECALS/ B18376 Ref. 4 & 20-28 - Also Order 6561383 decal
2Артикул: BOB_TACH, BOB_TACH NLA - W/Ref. 7 (NLA/6577445 Bushing) - 2.25 in. (57,15mm) O.D. Weld On Bushings - Odred 6571744 Bob-Tach and (2) fo Ref. 4 - Was 6705173 - A
3Артикул: 6571744, BOB-TACH W/Ref. 5 - 2.50 in. (63,5 mm) O.D. Weld On Bushings - Also Order (2) Of Ref. 4 - Not In Kit
Подробнее >