+7 (701) 588 50 05 Телефон для связи
RU

WhatsApp

Позвонить

РАМА в Алматы

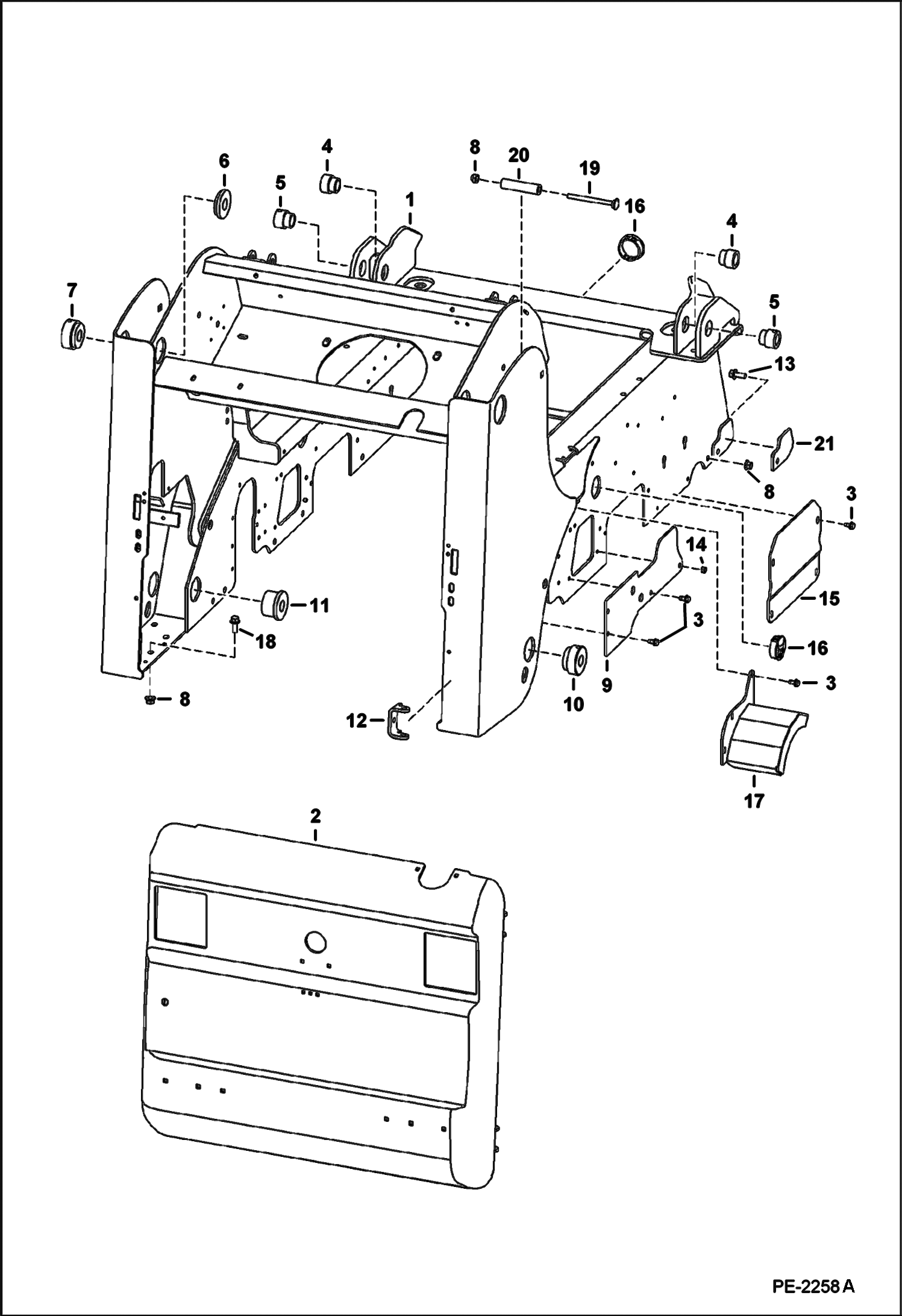
РАМА ШАССИ (СЕРИЙНЫЙ НОМЕР A3LN11001 - A3LN36499, A3LP11001 - A3LP36499)

РАМА ШАССИ (СЕРИЙНЫЙ НОМЕР A3LN11001 - A3LN36499, A3LP11001 - A3LP36499)

1Артикул: 7141836, MAINFRAME See Illustration HYDROSTATIC CIRCUITRY/ PE3729 - Uses hyd oil filter mounted W/ports vertical
2Артикул: 6729991, REAR DOOR See Illustration REAR DOOR/ NA6499
3Артикул: 84G3712, BOLT 5
Подробнее >
КАБИНА ОПЕРАТОРА (DELUXE)

КАБИНА ОПЕРАТОРА (DELUXE)

1Артикул: 6675387, EXTRUSION bulk - sold per foot
2Артикул: 6554149, CORD, BULK/FT bulk - sold per foot
3Артикул: 91G420, SCREW
Подробнее >
ПОДЪЕМНАЯ РУКОЯТЬ И BOB-TACH

ПОДЪЕМНАЯ РУКОЯТЬ И BOB-TACH

1Артикул: 6717560, PIN 1.25-- x 6.46-- (31,8 mm x 164,0 mm)
2Артикул: 6718789, PIN 1.25-- x 4.40-- (31,8 mm x 111,8 mm)
3Артикул: 27E10, WASHER
Подробнее >
ПАНЕЛИ (РУКОВОДСТВО УПРАВЛЕНИЯ)

ПАНЕЛИ (РУКОВОДСТВО УПРАВЛЕНИЯ)

1Артикул: 7117232, PANEL side rear
2Артикул: side, side rear
3Артикул: 7117123, PANEL side front
Подробнее >
РАМА ШАССИ (СЕРИЙНЫЙ НОМЕР A3LN36500 И ВЫШЕ, A3LP36500 И ВЫШЕ)

РАМА ШАССИ (СЕРИЙНЫЙ НОМЕР A3LN36500 И ВЫШЕ, A3LP36500 И ВЫШЕ)

1Артикул: 7141836, MAINFRAME - Uses hyd oil filter mounted W/ports vertical
2Артикул: 6729991, REAR DOOR
3Артикул: 84G3712, BOLT 5
Подробнее >
BOB-TACH

BOB-TACH

1Артикул: 7143508, BOB-TACH See Illustration DECALS/ B27333 Also Order 6561383 decal - Was 6732537 - A
2Артикул: KIT,, KIT, POWER BOB-TACH See Illustration POWER BOB-TACH/ PE2868 See Illustration DECALS/ B27314
3Артикул: 17C660, BOLT
Подробнее >
КАБИНА ОПЕРАТОРА

КАБИНА ОПЕРАТОРА

1Артикул: OPERATOR, OPERATOR CAB See Illustration OPERATOR CAB/ PE3824 - Does not include cab decals
2Артикул: 6675033, INSERT
3Артикул: 6715860, SEAT BAR See Illustration SEAT & SEAT BAR/ PE2950
Подробнее >
СИДЕНИЕ И ОПОРА СИДЕНЬЯ

СИДЕНИЕ И ОПОРА СИДЕНЬЯ

1Артикул: SEAT, SEAT See Illustration SEAT/ B25136
2Артикул: 6691714, SENSOR, SEATBAR BICS
3Артикул: 6674894, NUT
Подробнее >
СИДЕНИЕ (ПОДВЕСКА - СПУСКИ)

СИДЕНИЕ (ПОДВЕСКА - СПУСКИ)

1Артикул: 6675595, SEAT vinyl - LH recliner lever
2Артикул: 6675596, SEAT fabric - LH recliner lever
3Артикул: 6676338, GAS SPRING
Подробнее >
ПАНЕЛИ (МНОГОРЕЖИМНЫЙ ДЖОЙСТИК УПРАВЛЕНИЯ)

ПАНЕЛИ (МНОГОРЕЖИМНЫЙ ДЖОЙСТИК УПРАВЛЕНИЯ)

1Артикул: 7117232, PANEL side rear
2Артикул: 7141968, PANEL, RH side rear
3Артикул: 7117123, PANEL side front
Подробнее >
ТОПЛИВНАЯ СИСТЕМА

ТОПЛИВНАЯ СИСТЕМА

1Артикул: 7136806, TANK, FUEL
2Артикул: 7120881, SCREEN, FILLER Was 6569219 - A
3Артикул: 5HM58, CLAMP constant tension
Подробнее >
ЗАДНЯЯ ДВЕРЬ

ЗАДНЯЯ ДВЕРЬ

1Артикул: 38C840, BOLT carriage
2Артикул: 6809734, BUSHING
3Артикул: 6809727, CHANNEL
Подробнее >