РАМА в Алматы
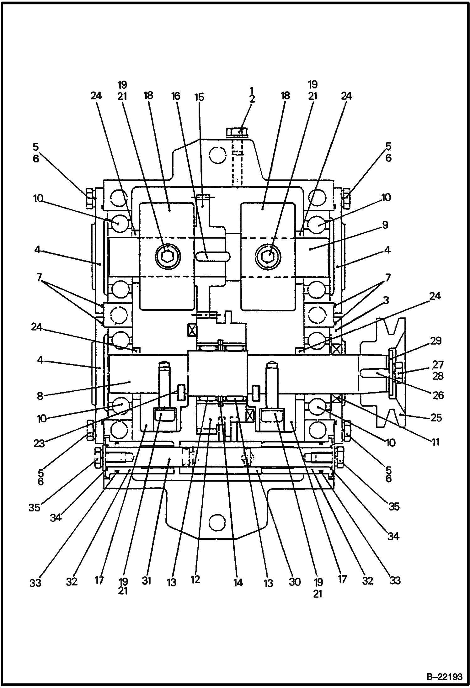
КОМПЛЕКТ ДЛЯ ВИБРАЦИОННОГО УПЛОТНЕНИЯ
1Артикул: IR59391946, VIBRATION CASE
2Артикул: IR59391953, BOLT
3Артикул: IR59391961, BOLT
ПРИЦЕП ДЛЯ ПЕРЕВОЗКИ (ИНСТРУМЕНТЫ И ПРЕДУПРЕЖДАЮЩИЕ ТАБЛИЧКИ)
1Артикул: CART, CART ASSY NLA - carrying - Includes Ref. 2-5 - Was IR58837105 - A
2Артикул: IR59393322, CART SHAFT
3Артикул: IR59843706, TIRE ASSY tire & wheel
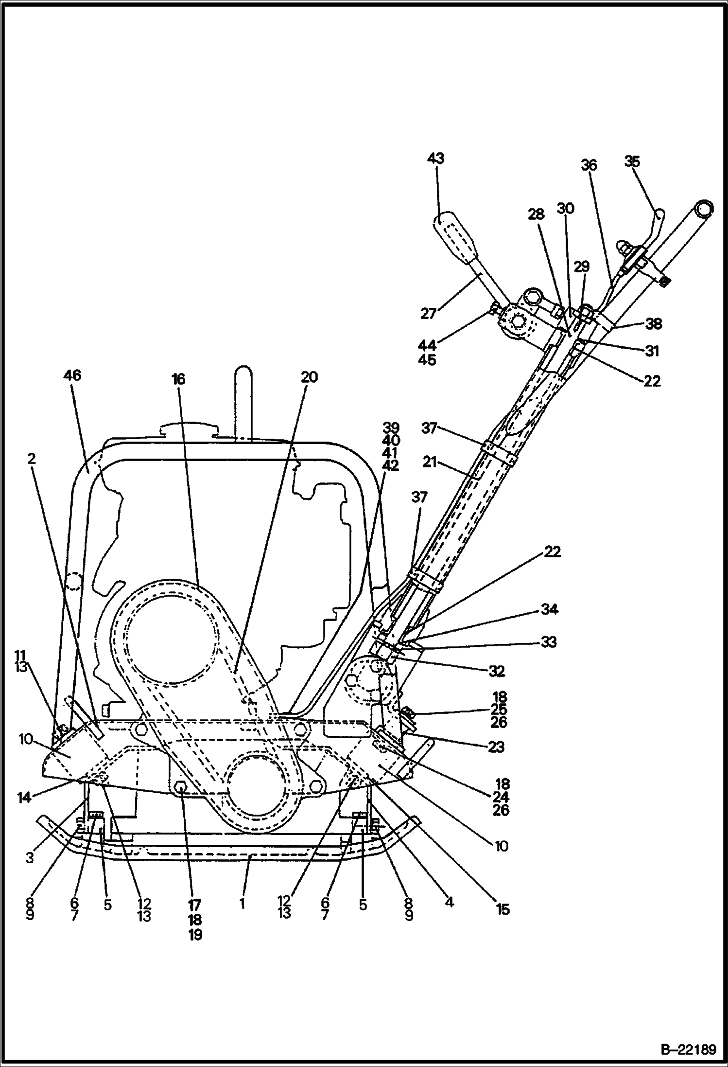
РАМА ШАССИ (ВИБРАЦИЯ И УСТРОЙСТВО УПРАВЛЕНИЯ)
1Артикул: IR59391185, VIBRATION PLATE
2Артикул: IR59391193, ENGINE BED
3Артикул: IR59391201, BRACKET forward
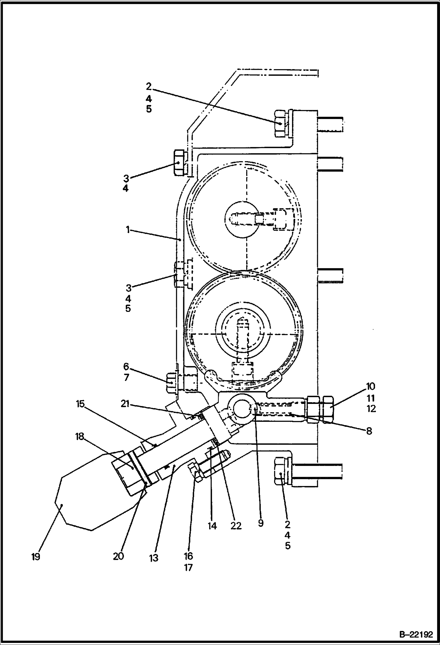
ВИБРОПРИВОД
1Артикул: IR59392977, BOLT
2Артикул: IR59392985, PACKING
3Артикул: IR59392993, BEARING COVER
РАМА ШАССИ (ДВИГАТЕЛЬ, СЦЕПЛЕНИЕ И КРЕПЕЖНЫЕ ДЕТАЛИ)
1Артикул: IR59836347, ENGINE See Illustration ENGINE/ B22194
2Артикул: IR59391615, BOLT
3Артикул: IR59391623, LOCKWASHER