+7 (701) 588 50 05 Телефон для связи
RU

WhatsApp

Позвонить

РАМА в Алматы

СИДЕНИЕ

СИДЕНИЕ

1Артикул: 6632388, SEAT W/Ref. 2-5
2Артикул: 3737081, CUSHION, SEAT BACK VINYL backrest
3Артикул: 3737010, CUSHION, SEAT seat
Подробнее >
ПОВОРОТНАЯ РАМА

ПОВОРОТНАЯ РАМА

1Артикул: 6535643, FRAME NLA - Was 6535643 - A
2Артикул: COVER, COVER NLA - Order Cover Ref. 2 - Also Order Ref. 6-14 - Was 6535330 - A
3Артикул: 6535318, COVER
Подробнее >
КАБИНА ОПЕРАТОРА

КАБИНА ОПЕРАТОРА

1Артикул: 6662022, DOOR assy. - Ref. 2-29 - Was 6654787 - A
2Артикул: 6654174, GLASS
3Артикул: 6648405, SEAL 108-- long (2743mm ) - bulk sold per foot
Подробнее >
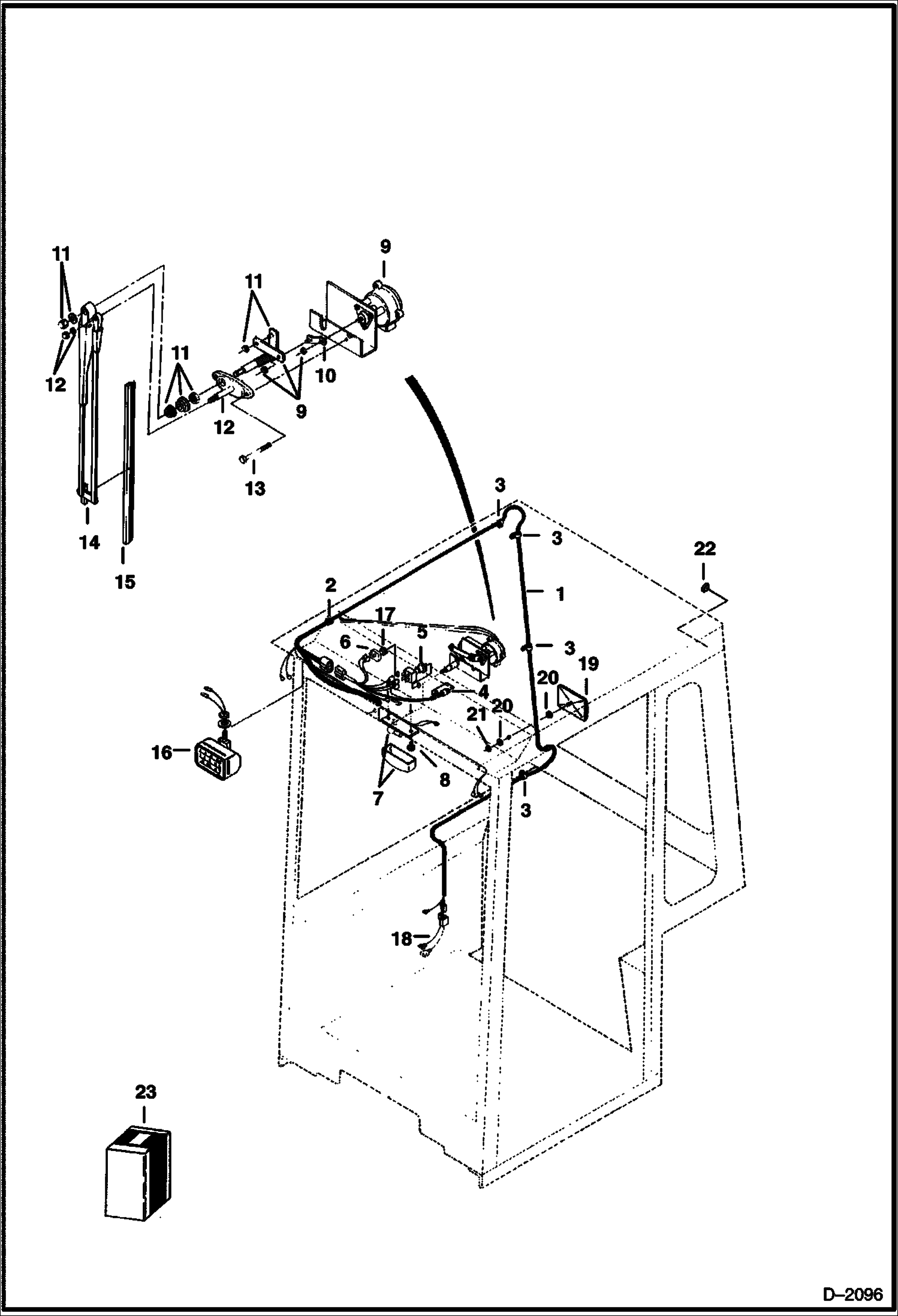
ЭЛЕКТРИЧЕСКАЯ СИСТЕМА КАБИНЫ ОПЕРАТОРА

ЭЛЕКТРИЧЕСКАЯ СИСТЕМА КАБИНЫ ОПЕРАТОРА

1Артикул: 6657090, HARNESS cab - Also Order Ref. 18 - Was 6654184 - A
2Артикул: GRIP, GRIP NLA - Was 6515109
3Артикул: 6654150, CLIP wiring
Подробнее >
ЗАЩИТНЫЙ КОЗЫРЕК ДЛЯ МАШИНЫ И КРЫШКА ДВИГАТЕЛЯ

ЗАЩИТНЫЙ КОЗЫРЕК ДЛЯ МАШИНЫ И КРЫШКА ДВИГАТЕЛЯ

1Артикул: HOOD, HOOD NLA - order 6535340 (1), 6535606 (2), 6585640 (1), and Ref. 32 (1), 33 (1), 34 (2), 35 (2), 37(2) & 38 (2).
2Артикул: 6535340, HOOD
3Артикул: 6535334, LATCH NLA - Locking - L/H. - Was 6535334 - A
Подробнее >
ОБОГРЕВАТЕЛЬ С МОТОРОМ, ГДЕ 3 ВЕНТИЛЯТОРА

ОБОГРЕВАТЕЛЬ С МОТОРОМ, ГДЕ 3 ВЕНТИЛЯТОРА

1Артикул: HEATER, HEATER NLA - 3 speed - Was 6660520 - A
2Артикул: 6632587, BALL
3Артикул: 6632584, RESISTOR
Подробнее >
ОБОГРЕВАТЕЛЬ С ВЕНТИЛЯТОРОМ, РАБОТАЮЩИМ С ОДНОЙ СКОРОСТЬЮ

ОБОГРЕВАТЕЛЬ С ВЕНТИЛЯТОРОМ, РАБОТАЮЩИМ С ОДНОЙ СКОРОСТЬЮ

1Артикул: 6654782, HEATER assy. - Ref. 2-22
2Артикул: 6654788, HOUSING
3Артикул: 6654789, COVER
Подробнее >