+7 (701) 588 50 05 Телефон для связи
RU

WhatsApp

Позвонить

РАМА в Алматы

ПОДЪЕМНАЯ РУКОЯТЬ И BOB-TACH

ПОДЪЕМНАЯ РУКОЯТЬ И BOB-TACH

1Артикул: 17C640, BOLT
2Артикул: 6577954, PIN, PIVOT 1.25-- x 4.65-- (31,7 mm x 118 mm)
3Артикул: 85D6, NUT, 5
Подробнее >
ПАНЕЛИ

ПАНЕЛИ

1Артикул: 6564976, SEAL foam block
2Артикул: 84G3716, SCREW 5
3Артикул: BOOT, BOOT NLA - W/Metal Insert - Was 6571648 - A
Подробнее >
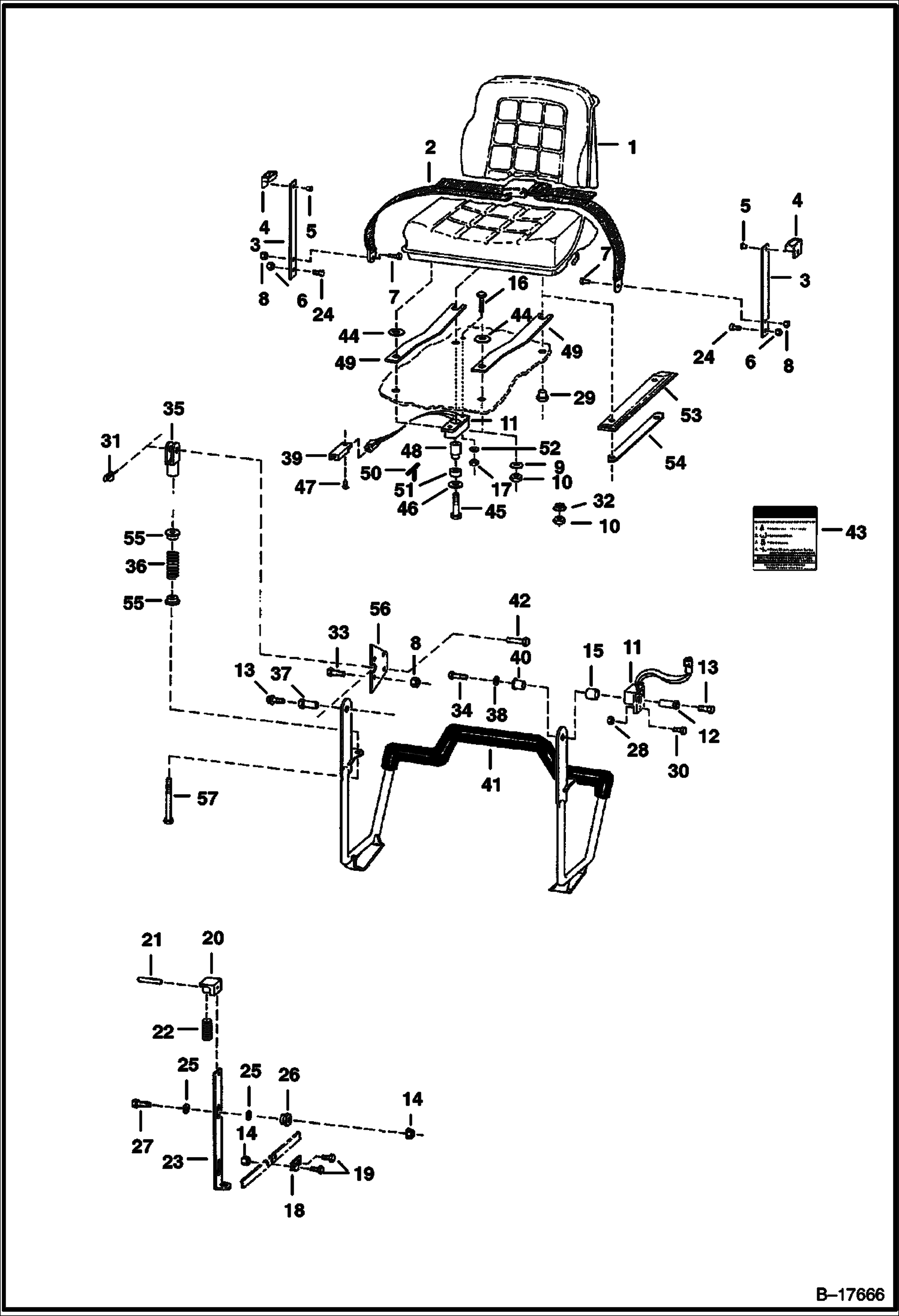
СИДЕНИЕ И ОПОРА СИДЕНЬЯ

СИДЕНИЕ И ОПОРА СИДЕНЬЯ

1Артикул: SEAT, SEAT See Illustration SEAT/ B14720
2Артикул: 6675074, SEAT BELT W/O spring plates
3Артикул: 6725373, SPRING PLATE W/Ref. 4 & 5
Подробнее >
СИДЕНИЕ

СИДЕНИЕ

1Артикул: 6669135, SEAT, OPERATOR VINYL See Illustration SEAT COVERS/ NA10386 W/Ref. 2-7
2Артикул: 6670160, CUSHION W/edging, clip & (2) grommets
3Артикул: EDGING, EDGING NSS
Подробнее >
ЗАДНЯЯ ДВЕРЬ

ЗАДНЯЯ ДВЕРЬ

1Артикул: 38C840, BOLT carriage
2Артикул: 6809734, BUSHING
3Артикул: 6809727, CHANNEL
Подробнее >
ТОПЛИВНАЯ СИСТЕМА

ТОПЛИВНАЯ СИСТЕМА

1Артикул: 6962762, SEAL Was 6630972 - B
2Артикул: 6715001, HOSE
3Артикул: 6587458, KEY
Подробнее >
BOB-TACH

BOB-TACH

1Артикул: 6732079, BOB-TACH Ref. 2 - 18
2Артикул: 17C644, BOLT
3Артикул: FRAME, FRAME NLA
Подробнее >
КАБИНА ОПЕРАТОРА

КАБИНА ОПЕРАТОРА

1Артикул: 6701957, OPERATOR CAB does not include cab decals
2Артикул: 6708682, INSULATION seat back - Use W/Ref. 41
3Артикул: 6715094, INSULATION cab top - Use W/Ref. 41
Подробнее >