РАМА в Алматы
ПИТАНИЕ BOB-TACH (ЦИЛИНДР)
1Артикул: CYLINDER, CYLINDER NLA - Ref. 2-16 - Order 6810611 cylinder & (2) 10H35 grease zerks - Was 6810350 - A
2Артикул: 6810611, CYLINDER, POWER BOB-TACH Ref. 2-16
3Артикул: 6810562, TUBE, CASE CYL POWER BOB-TACH Was 6810349 - A
СИДЕНИЕ (ПОДВЕСКА - СПУСКИ)
1Артикул: 6675595, SEAT vinyl - LH recliner lever
2Артикул: 6675596, SEAT fabric - LH recliner lever
3Артикул: 6676338, GAS SPRING
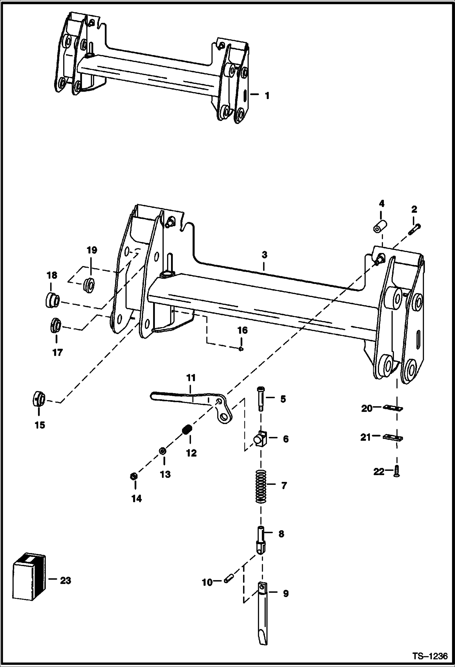
ПОДЪЕМНЫЕ РУКОЯТИ И BOBTACH
1Артикул: 6727742, H-FRAME H-Frame
2Артикул: 10H25, FITTING, GREASE 5
3Артикул: 6718329, BUSHING, WEAR
ЗАДНЯЯ ДВЕРЬ (СЕРИЙНЫЙ НОМЕР 5201 И ВЫШЕ, 5202 И ВЫШЕ)
1Артикул: 61D5, NUT
2Артикул: 6655399, BUMPER flat - Use W/Ref. 10 (NLA/rear door)
3Артикул: 6714509, COVER exhaust
ПИТАНИЕ BOB-TACH (КЛАПАН В СБОРЕ)
1Артикул: VALVE, VALVE NLA - Ref. 2 - Order 6678554 Valve & 6730770 Harness - Was 6678206 - A
2Артикул: VALVE, VALVE NLA - Order 6686949 - Was 6678554 - A
3Артикул: 6679245, RELIEF VALVE
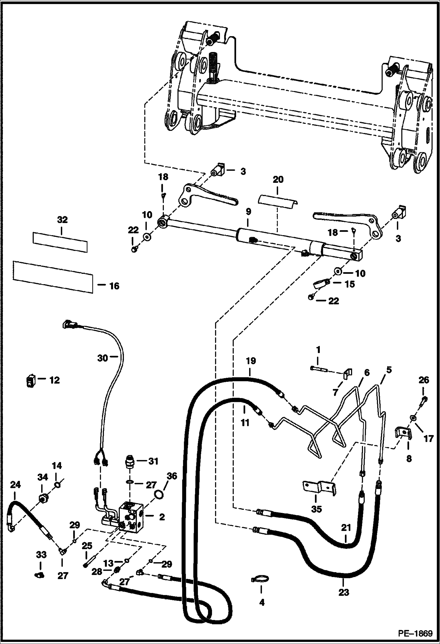
BOB-TACH (С ИСПОЛЬЗОВАНИЕМ ГИДРОПРИВОДА)
1Артикул: 17C640, BOLT
2Артикул: MANIFOLD, MANIFOLD See Illustration POWER BOB-TACH/ TS2051
3Артикул: 6731119, PIVOT, WEDGE
ЗАДНЯЯ ДВЕРЬ (СЕРИЙНЫЙ НОМЕР 5201 И НИЖЕ, 5202 И НИЖЕ.)
1Артикул: 61D5, NUT
2Артикул: 6655399, BUMPER
3Артикул: 6714509, COVER exhaust
BOB-TACH
1Артикул: 6703666, BOB-TACH Ref. 2-22 - Also Order 6561383 decal
2Артикул: 17C660, BOLT
3Артикул: FRAME, FRAME NLA
СИДЕНИЕ И ОПОРА СИДЕНЬЯ
1Артикул: SEAT, SEAT See Illustration SEAT/ B25136
2Артикул: 6691714, SENSOR, SEATBAR BICS Was 6680429 - A
3Артикул: 6674894, NUT
КАБИНА ОПЕРАТОРА
1Артикул: 6675387, EXTRUSION bulk - sold per foot
2Артикул: 6554149, CORD, BULK/FT bulk - sold per foot
3Артикул: 91G416, SCREW Use W/Ref. 4 (NLA/ 6674741 knob)
ТОПЛИВНАЯ СИСТЕМА
1Артикул: 6661114, CAP, DIESEL 1 PSI green fuel fill
2Артикул: 6661696, CAP, FUEL LOCKING locking - W/Ref. 2 - Code PK510
3Артикул: 6587458, KEY Code PK510