+7 (701) 588 50 05 Телефон для связи
RU

WhatsApp

Позвонить

РАМА в Алматы

ПЕРЕДНЯЯ РАМА

ПЕРЕДНЯЯ РАМА

1Артикул: 6586073, BOLT
2Артикул: 6539936, HOOD
3Артикул: 6659531, GAS SPRING
Подробнее >
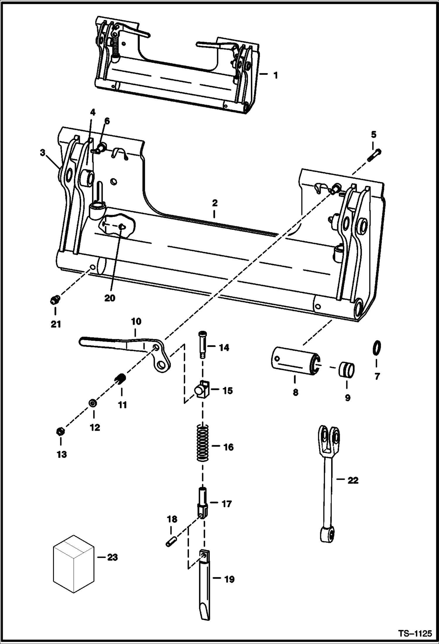
ПЕРЕДНЯЯ РАМА И БЛОК ШАРНИРНОГО СОЕДИНЕНИЯ

ПЕРЕДНЯЯ РАМА И БЛОК ШАРНИРНОГО СОЕДИНЕНИЯ

1Артикул: 6539997, REAR FRAME
2Артикул: 6587642, PIN
3Артикул: 84G3716, SCREW 5
Подробнее >
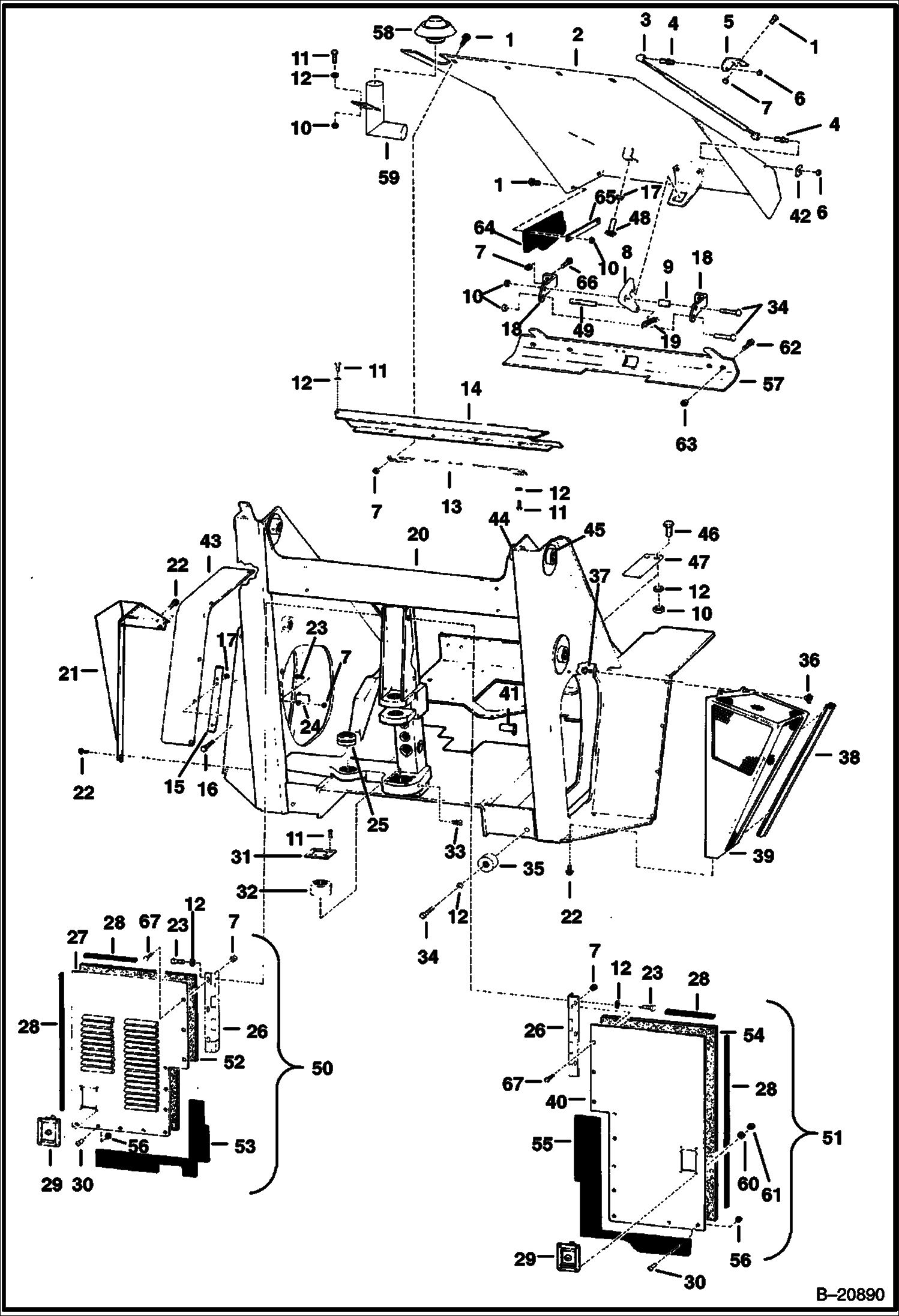
4-ОПОРЫ СИСТЕМЫ ЗАЩИТЫ ПРИ ОПРОКИДЫВАНИИ

4-ОПОРЫ СИСТЕМЫ ЗАЩИТЫ ПРИ ОПРОКИДЫВАНИИ

1Артикул: 6535286, ROPS Was Sales
2Артикул: 6585981, FENDER L.H.
3Артикул: 6585986, FENDER R.H.
Подробнее >
СИДЕНИЕ (МИЧИГАН)

СИДЕНИЕ (МИЧИГАН)

1Артикул: SEAT, SEAT NLA - W/Ref. 2-5 & 8 - Order 6669135 Seat - Was 6667684 - A
2Артикул: 6669135, SEAT, OPERATOR VINYL See Illustration SEAT COVERS/ NA10386 W/Ref. 2-7
3Артикул: 6670160, CUSHION W/edging, clip & (2) grommets
Подробнее >
РУЛЕВАЯ КОЛОНКА

РУЛЕВАЯ КОЛОНКА

1Артикул: 1692980, COVER horn
2Артикул: 664882, CAP horn
3Артикул: CAP, CAP NLA - Was 728966B - A
Подробнее >
СИДЕНЬЕ (СТАНДАРТ) (MILSCO)

СИДЕНЬЕ (СТАНДАРТ) (MILSCO)

1Артикул: SEAT, SEAT NLA - Order 6669135 - Was 6665401 - A
2Артикул: 6630468, CUSHION seat
3Артикул: 6630465, CUSHION back
Подробнее >
СИДЕНЬЕ И ПАНЕЛИ

СИДЕНЬЕ И ПАНЕЛИ

1Артикул: SEAT, SEAT BELT NLA - Order 6675074 seat belt & (2) of 6725373 spring plate - Was 6563214 - A
2Артикул: 17C816, BOLT
3Артикул: SEAT, SEAT See Illustration SEAT/ B7185 See Illustration GRAMMER SEAT/ E1897 See Illustration GRAMMER SEAT/ E1896
Подробнее >
BOB-TACH

BOB-TACH

1Артикул: 6539921, BOB-TACH See Illustration DECALS/ B20895 Ref. 2 - 21 - Also Order 6561383 decal - Was SALES - A
2Артикул: FRAME, FRAME NSS - Order Ref. 1
3Артикул: 6539230, BUSHING Weld-on
Подробнее >
ПОДЪЕМНАЯ РУКОЯТЬ И BOB-TACH

ПОДЪЕМНАЯ РУКОЯТЬ И BOB-TACH

1Артикул: CYLINDER, CYLINDER See Illustration LIFT CYLINDER/ B11768 LIFT
2Артикул: 6631067, SEAL, OIL
3Артикул: 6585784, PIN
Подробнее >
ЗАДНЯЯ ДВЕРЬ В СБОРЕ

ЗАДНЯЯ ДВЕРЬ В СБОРЕ

1Артикул: 6649420, LATCH, REAR DOOR
2Артикул: 6538545, REAR DOOR
3Артикул: 17C864, BOLT
Подробнее >
ТОПЛИВНАЯ СИСТЕМА

ТОПЛИВНАЯ СИСТЕМА

1Артикул: 6583743, TANK
2Артикул: 79K14, O RING 10
3Артикул: 6717579, GASKET
Подробнее >