+7 (701) 588 50 05 Телефон для связи
RU

WhatsApp

Позвонить

РАМА в Алматы

КАБИНА ОПЕРАТОРА

КАБИНА ОПЕРАТОРА

1Артикул: See, See Illustration OPERATOR CAB/ D2320 See Illustration HEATER/ C3340 See Illustration OPERATOR CAB/ C3342 See Illustration OPERATOR CAB/ D2314 - SALES - W/Ref. 2-48 , (all items) - Cab assy W/O heater is available from Gwinner Sales #6801478,
2Артикул: CAB, CAB NLA - Weldment - Order complete Cab Assy. Ref. 1 - Was 6628839 - A
3Артикул: 6801477, CAB Weldment
Подробнее >
КОРПУС КУЗОВА И КРЫШКА ДВИГАТЕЛЯ

КОРПУС КУЗОВА И КРЫШКА ДВИГАТЕЛЯ

1Артикул: FRAME, FRAME NLA - Upperstructure - Order 6805524 - Was 6800845 - A
2Артикул: 6805524, FRAME Upperstructure
3Артикул: 6801227, COVER Engine Rear
Подробнее >
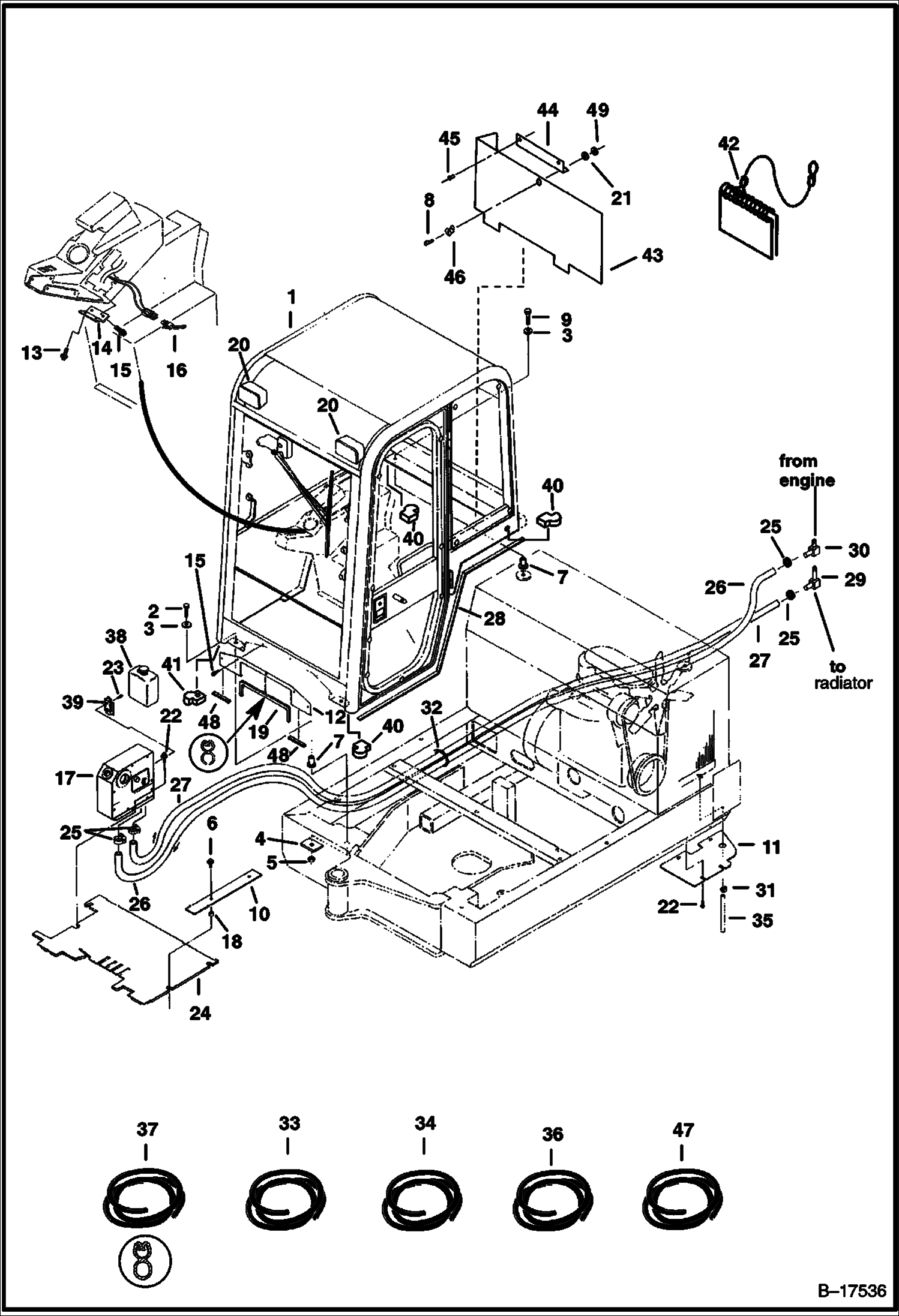
ОБОГРЕВАТЕЛЬ (С 3 ВЕНТИЛЯТОРАМИ МОТОРА И ФИЛЬТР)

ОБОГРЕВАТЕЛЬ (С 3 ВЕНТИЛЯТОРАМИ МОТОРА И ФИЛЬТР)

1Артикул: 6665242, HEATER W/Ref. 2-26 & 28-31
2Артикул: 6664342, LOUVER
3Артикул: 6632584, RESISTOR
Подробнее >
НАВЕС НАД СИДЕНЬЕМ ВОДИТЕЛЯ

НАВЕС НАД СИДЕНЬЕМ ВОДИТЕЛЯ

1Артикул: CANOPY, CANOPY NLA - Order 6800748 - Was SALES - A
2Артикул: 6800748, CANOPY weldment only
3Артикул: 7CM1240, SCREW
Подробнее >
КАБИНА ВОДИТЕЛЯ (ЛОБОВОЕ СТЕКЛО) (СЕРИЙНЫЙ НОМЕР 562313684 И ВЫШЕ)

КАБИНА ВОДИТЕЛЯ (ЛОБОВОЕ СТЕКЛО) (СЕРИЙНЫЙ НОМЕР 562313684 И ВЫШЕ)

1Артикул: WINDOW, WINDOW NLA - Ref. 1-6, 10-17, 19-23, 25, 27-29 & 35 - Was 6807874 - A
2Артикул: 6800876, FRAME
3Артикул: 6801502, LATCH RH
Подробнее >
КАБИНА ВОДИТЕЛЯ (ПРАВОСТОРОННЕЕ ОКНО)

КАБИНА ВОДИТЕЛЯ (ПРАВОСТОРОННЕЕ ОКНО)

1Артикул: 6667616, WINDOW ASSY RH - W/Ref. 2-24
2Артикул: 6667593, LATCH
3Артикул: 6667594, LATCH
Подробнее >
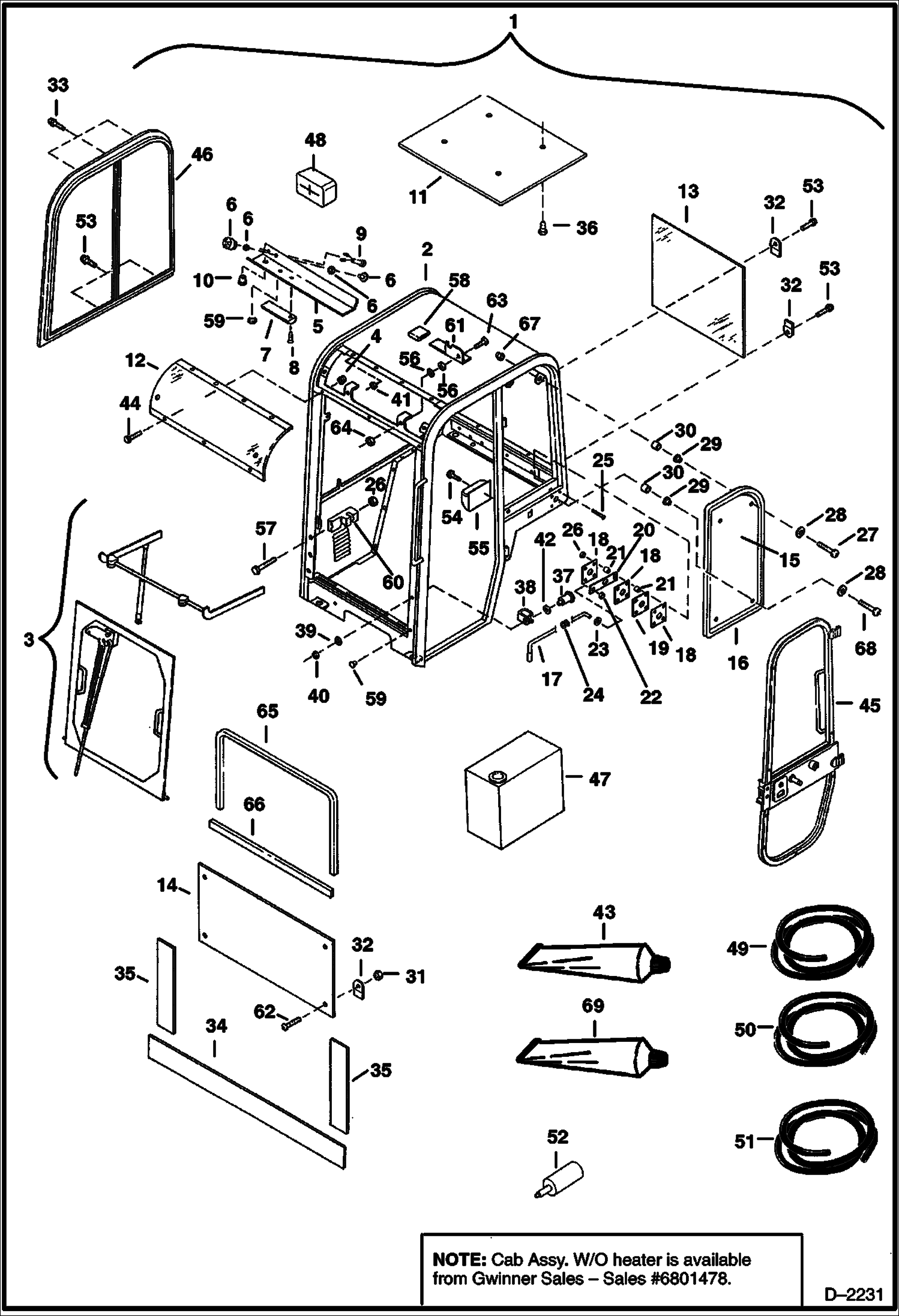
КАБИНА И КРОНШТЕЙН

КАБИНА И КРОНШТЕЙН

1Артикул: CAB, CAB See Illustration OPERATOR CAB/ D2231 - NLA - Order 6810477
2Артикул: 6810477, CAB ASSY. weldment only
3Артикул: 7CM1255, BOLT
Подробнее >
КАБИНА ВОДИТЕЛЯ (ДВЕРЬ) (СЕРИЙНЫЙ НОМЕР 562313000 -562319999, 562320001 - 562320448, 517811001 - 517811628)

КАБИНА ВОДИТЕЛЯ (ДВЕРЬ) (СЕРИЙНЫЙ НОМЕР 562313000 -562319999, 562320001 - 562320448, 517811001 - 517811628)

1Артикул: DOOR, DOOR ASSY. See BTIE-061 - NLA - W/Ref. 2-21 - Order 6805226- Was 6628863 - A
2Артикул: DOOR, DOOR See BTIE-061 - NLA - Weldment - Order 6805226 - Was 6628864 - A
3Артикул: 6661631, LATCH Outside
Подробнее >
КАБИНА ВОДИТЕЛЯ (ЛОБОВОЕ СТЕКЛО) (СЕРИЙНЫЙ НОМЕР 562313001 - 562313683)

КАБИНА ВОДИТЕЛЯ (ЛОБОВОЕ СТЕКЛО) (СЕРИЙНЫЙ НОМЕР 562313001 - 562313683)

1Артикул: WINDOW, WINDOW ASSY NLA - Ref. 2-6, 10-17, 19-23, 25, 27-29 & 35 - Order 6667155 - Was 6628874 - A
2Артикул: 6667155, WINDOW ASSY Ref. 2-15, 19, 20, 23-29 & 36
3Артикул: 6628875, FRAME
Подробнее >
КАБИНА ВОДИТЕЛЯ (ДВЕРЬ) (СЕРИЙНЫЙ НОМЕР 56230449 И ВЫШЕ, 517811629 И ВЫШЕ)

КАБИНА ВОДИТЕЛЯ (ДВЕРЬ) (СЕРИЙНЫЙ НОМЕР 56230449 И ВЫШЕ, 517811629 И ВЫШЕ)

1Артикул: DOOR, DOOR ASSY NLA - Ref. 2-14 - Was 6805226 - A
2Артикул: DOOR, DOOR NLA - Ref. 2-14 - also order key 6709527 - Order components - Was 6807782 - A
3Артикул: 6805474, HINGE weld on
Подробнее >
КОРПУС КУЗОВА И ПРОТИВОВСЕСЫ

КОРПУС КУЗОВА И ПРОТИВОВСЕСЫ

1Артикул: FRAME, FRAME NLA - Upperstructure - Order 6805524 - Was 6800845 - A
2Артикул: 6805524, FRAME Upperstucture
3Артикул: 6587934, COUNTERWEIGHT
Подробнее >