+7 (701) 588 50 05 Телефон для связи
RU

WhatsApp

Позвонить

РАМА в Алматы

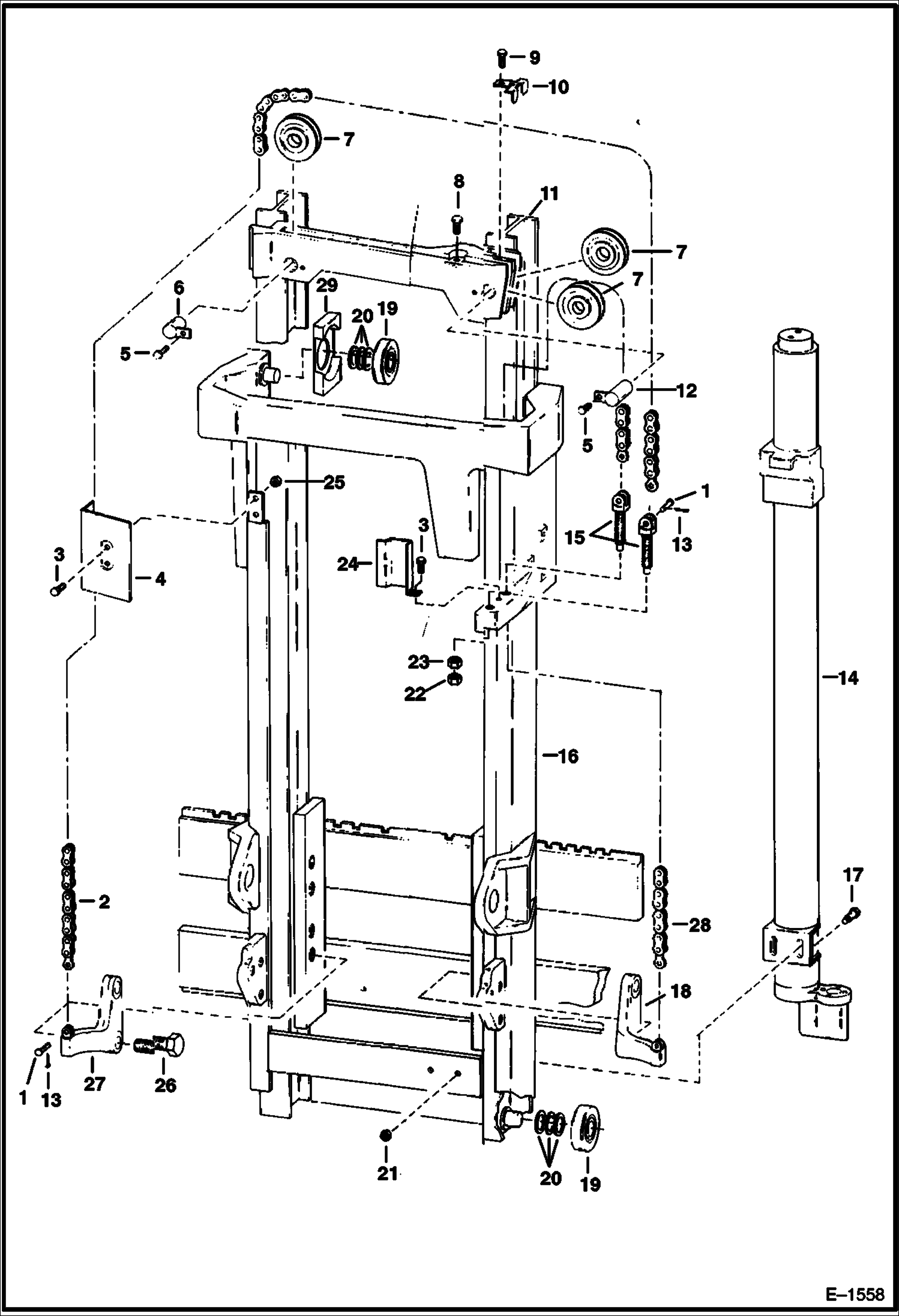
МАЧТА И КРЕПЕЖНЫЕ ДЕТАЛИ

МАЧТА И КРЕПЕЖНЫЕ ДЕТАЛИ

1Артикул: 2366345, PIN
2Артикул: CHAIN, CHAIN lift - L.H. - bulk chain 2366808 - Order 97 pitches for 10 ft. & 121 pitches for 14 ft.
3Артикул: BOLT, BOLT NLA - Was 30CM00816B - A
Подробнее >
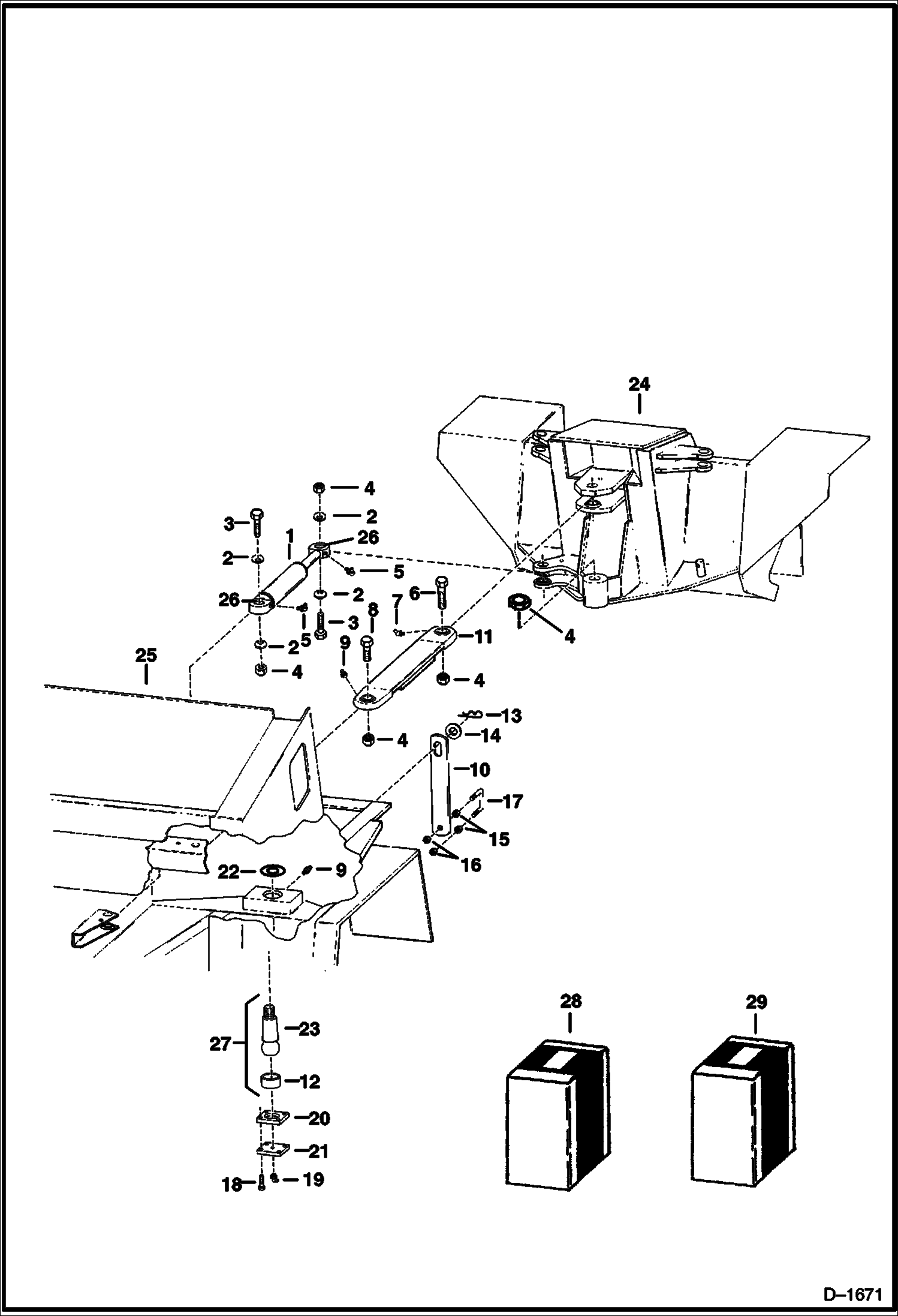
РАМА И БЛОК ШАРНИРНОГО СОЕДИНЕНИЯ (СЕРИЙНЫЙ НОМЕР 15020 И НИЖЕ)

РАМА И БЛОК ШАРНИРНОГО СОЕДИНЕНИЯ (СЕРИЙНЫЙ НОМЕР 15020 И НИЖЕ)

1Артикул: CYLINDER, CYLINDER See Illustration STEERING CYLINDER/ C2699
2Артикул: 6583929, SPACER
3Артикул: BOLT, BOLT NLA - Was 17C2056 - A
Подробнее >
РАМА И БЛОК ШАРНИРНОГО СОЕДИНЕНИЯ (СЕРИЙНЫЙ НОМЕР 15021 И ВЫШЕ)

РАМА И БЛОК ШАРНИРНОГО СОЕДИНЕНИЯ (СЕРИЙНЫЙ НОМЕР 15021 И ВЫШЕ)

1Артикул: 6585948, FRAME Rear
2Артикул: 85D6, NUT, 5
3Артикул: 17C624, BOLT 5
Подробнее >
СИДЕНЬЕ (MILSCO)

СИДЕНЬЕ (MILSCO)

1Артикул: 6665401, SEAT Was 6563140 - A
2Артикул: 6630468, CUSHION seat
3Артикул: 6630465, CUSHION back
Подробнее >
ОПОРА СИДЕНЬЯ (СЕРИЙНЫЙ НОМЕР 15021 И ВЫШЕ)

ОПОРА СИДЕНЬЯ (СЕРИЙНЫЙ НОМЕР 15021 И ВЫШЕ)

1Артикул: 37C624, BOLT Was 7C624 - A
2Артикул: 17C620, BOLT
3Артикул: 17C624, BOLT 5
Подробнее >
ТОПЛИВНАЯ СИСТЕМА

ТОПЛИВНАЯ СИСТЕМА

1Артикул: 6560348, FITLER, FUEL ASSY See Illustration FUEL FILTER/ B5653
2Артикул: 6515682, PLUG
3Артикул: 6515466, WASHER sealing
Подробнее >
СИДЕНИЕ

СИДЕНИЕ

1Артикул: SEAT, SEAT NLA - W/Ref. 2-5 and 8 - Order 6669135 Seat - Was 6667684 - A
2Артикул: 6669135, SEAT, OPERATOR VINYL See Illustration SEAT COVERS/ NA10386 W/Ref. 2-7
3Артикул: 6670160, CUSHION W/edging, clip & (2) grommets
Подробнее >
ЗАДНЯЯ ДВЕРЬ

ЗАДНЯЯ ДВЕРЬ

1Артикул: 85D5, NUT 5
2Артикул: 6563681, HANDLE
3Артикул: 38C624, BOLT 5 Was 6564599 - A
Подробнее >
СИДЕНЬЕ И СЕРВОМЕХАНИЗМ РУЛЕВОГО УПРАВЛЕНИЯ (СЕРИЙНЫЙ НОМЕР 15021 И ВЫШЕ)

СИДЕНЬЕ И СЕРВОМЕХАНИЗМ РУЛЕВОГО УПРАВЛЕНИЯ (СЕРИЙНЫЙ НОМЕР 15021 И ВЫШЕ)

1Артикул: SEAT, SEAT See Illustration SEAT/ B7185
2Артикул: SEAT, SEAT BELT NLA - Order 6675074 seat belt & (2) of 6725373 spring plate - Was 6563214 - A
3Артикул: GUIDE, GUIDE NLA - Order 6703703 - Was 6565355
Подробнее >
ПЕРЕДНЯЯ РАМА И МАЧТА В СБОРЕ

ПЕРЕДНЯЯ РАМА И МАЧТА В СБОРЕ

1Артикул: FORK, FORK W/Ref. 2-6 - Was SALES - A
2Артикул: PIN, PIN NLA - Order 6680122 - Was 756447B - A
3Артикул: 6517882, SPRING
Подробнее >
КАБИНА ОПЕРАТОРА

КАБИНА ОПЕРАТОРА

1Артикул: 6561234, WINDOW rear
2Артикул: 6561563, SEAL window
3Артикул: 6584325, DOOR ASSY. L.H.
Подробнее >
СИДЕНЬЕ И СЕРВОМЕХАНИЗМ РУЛЕВОГО УПРАВЛЕНИЯ (СЕРИЙНЫЙ НОМЕР 15020 И НИЖЕ)

СИДЕНЬЕ И СЕРВОМЕХАНИЗМ РУЛЕВОГО УПРАВЛЕНИЯ (СЕРИЙНЫЙ НОМЕР 15020 И НИЖЕ)

1Артикул: SEAT, SEAT See Illustration SEAT/ B7185
2Артикул: SEAT, SEAT BELT NLA - Order 6675074 seat belt & (2) of 6725373 spring plate - Was 6563214 - A
3Артикул: GUIDE, GUIDE NLA - Order 6703703 - Was 6565355
Подробнее >