+7 (701) 588 50 05 Телефон для связи
RU

WhatsApp

Позвонить

РАМА в Алматы

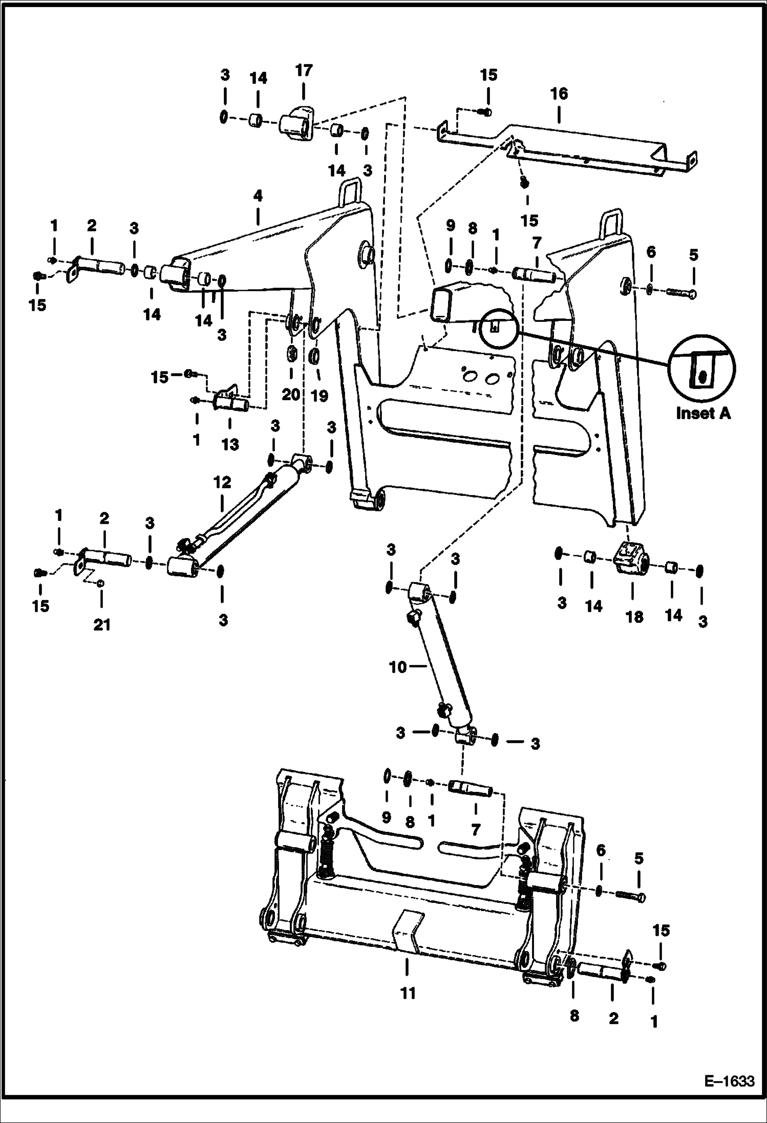
ПОДЪЕМНАЯ РУКОЯТЬ И BOB-TACH

ПОДЪЕМНАЯ РУКОЯТЬ И BOB-TACH

1Артикул: 10H25, FITTING, GREASE 5
2Артикул: 6569479, PIN
3Артикул: 6631067, SEAL, OIL
Подробнее >
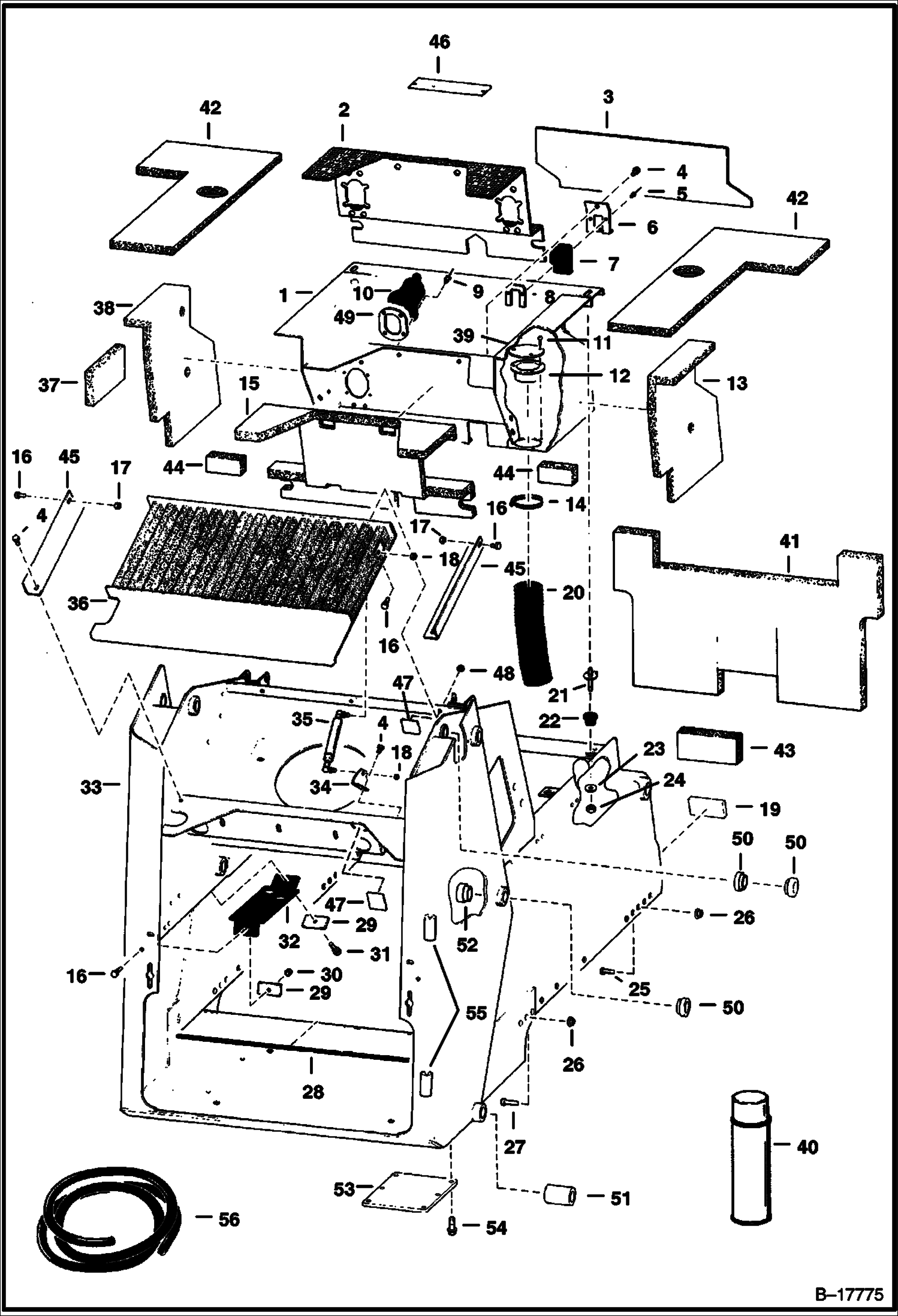
СИСТЕМА ПОДАЧИ ТОПЛИВА (СЕРИЙНЫЙ НОМЕР 11999 И НИЖЕ)

СИСТЕМА ПОДАЧИ ТОПЛИВА (СЕРИЙНЫЙ НОМЕР 11999 И НИЖЕ)

1Артикул: SENDER,, SENDER, FUEL See BTI398 - NLA - W/Ref. 3 - Was 6630248 - A
2Артикул: 86G1008, SCREW
3Артикул: 6630972, GASKET
Подробнее >
СИДЕНИЕ

СИДЕНИЕ

1Артикул: SEAT, SEAT NLA - std. - W/Ref. 2 - 7 - Order 6669135 - Was 6563140 - A
2Артикул: 6630465, CUSHION back
3Артикул: 6630468, CUSHION seat
Подробнее >
СИСТЕМА ПОДАЧИ ТОПЛИВА (СЕРИЙНЫЙ НОМЕР 12001 И ВЫШЕ)

СИСТЕМА ПОДАЧИ ТОПЛИВА (СЕРИЙНЫЙ НОМЕР 12001 И ВЫШЕ)

1Артикул: SENDER,, SENDER, FUEL See BTI398 - NLA - W/Ref. 3 - Was 6630248 - A
2Артикул: 85G1008, SCREW
3Артикул: 6630972, GASKET
Подробнее >
РАМА ШАССИ И КРЕПЕЖНЫЕ ДЕТАЛИ

РАМА ШАССИ И КРЕПЕЖНЫЕ ДЕТАЛИ

1Артикул: 6589728, MOUNT Was 6569513 - A
2Артикул: 6571670, INSULATION
3Артикул: 6568790, INSULATION
Подробнее >
СИДЕНИЕ (МИЧИГАН)

СИДЕНИЕ (МИЧИГАН)

1Артикул: 6669135, SEAT, OPERATOR VINYL See Illustration SEAT COVERS/ NA10386 W/Ref. 2-7
2Артикул: 6670160, CUSHION W/edging, clip & (2) grommets
3Артикул: EDGING, EDGING NSS
Подробнее >
СИДЕНИЕ С ПОДВЕСКОЙ (MILSCO)

СИДЕНИЕ С ПОДВЕСКОЙ (MILSCO)

1Артикул: 6674019, SEAT Ref. 2 - 28 - Was 6647432 - A
2Артикул: 6650226, SEAT CUSHION W/Ref. 3
3Артикул: 6650231, CLIP
Подробнее >
ЗАДНЯЯ ДВЕРЬ

ЗАДНЯЯ ДВЕРЬ

1Артикул: REAR, REAR DOOR NLA - Order 6589808 , 6707789 (2), 6665922 (2), 6705980 (2), 6703796 (2) - Was 6567494 - A
2Артикул: 6630138, MOULDING bulk - sold per foot
3Артикул: 6564340, PIN
Подробнее >
СИДЕНИЕ И ОПОРА СИДЕНЬЯ

СИДЕНИЕ И ОПОРА СИДЕНЬЯ

1Артикул: SEAT, SEAT See Illustration SEAT/ B17788
2Артикул: SEAT, SEAT BELT NLA - Order Ref. 26 - Was 6564774 - A
3Артикул: SEAT, SEAT BELT NLA - Order 6675074 seat belt & (2) of Ref. 5 (6725373 spring plate) - Was 6667875 - A
Подробнее >
КАБИНА ОПЕРАТОРА

КАБИНА ОПЕРАТОРА

1Артикул: CAB, CAB See BTI290 NLA - Was SALES
2Артикул: 6565373, INSULATION
3Артикул: 6706553, INSULATION
Подробнее >
BOB-TACH

BOB-TACH

1Артикул: 6565871, BOB-TACH Ref. 2 - 23 - Also order 6561383 decal - Was SALES - A
2Артикул: FRAME, FRAME NLA - Order Ref. 1 - Was 6565865 - A
3Артикул: FRAME, FRAME NLA - Order Ref. 1 - Was 6538635 - A
Подробнее >