+7 (701) 588 50 05 Телефон для связи
RU

WhatsApp

Позвонить

РАМА в Алматы

РАМЫ И БЛОК ШАРНИРНОГО СОЕДИНЕНИЯ

РАМЫ И БЛОК ШАРНИРНОГО СОЕДИНЕНИЯ

1Артикул: 6610390, PIN
2Артикул: 85D6, NUT, 5
3Артикул: 6585518, PIVOT BLOCK Weld-in
Подробнее >
ПОДЪЕМНАЯ РУКОЯТЬ И BOBTACH

ПОДЪЕМНАЯ РУКОЯТЬ И BOBTACH

1Артикул: 6585395, PIN
2Артикул: CYLINDER, CYLINDER See Illustration TILT CYLINDER/ D1583 TILT
3Артикул: LINK, LINK NLA - Was 6585304 - A
Подробнее >
ЗАДНЯЯ ДВЕРЬ

ЗАДНЯЯ ДВЕРЬ

1Артикул: 85D5, NUT 5
2Артикул: 6563681, HANDLE
3Артикул: 6564599, BOLT
Подробнее >
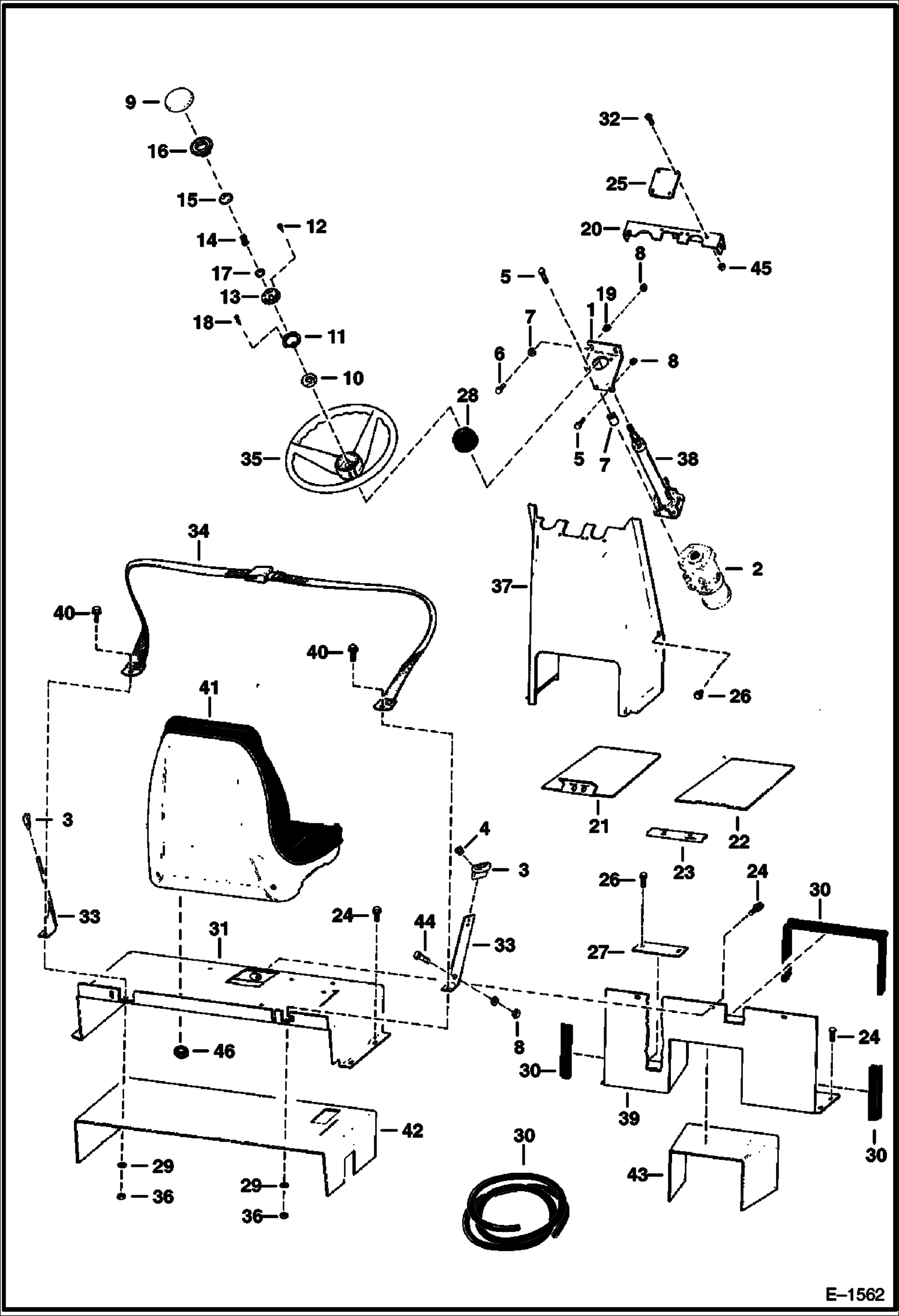
СИДЕНЬЕ И СЕРВОМЕХАНИЗМ РУЛЕВОГО УПРАВЛЕНИЯ

СИДЕНЬЕ И СЕРВОМЕХАНИЗМ РУЛЕВОГО УПРАВЛЕНИЯ

1Артикул: 6585168, MOUNT steering
2Артикул: 6599737, VALVE See Illustration STEERING CONTROL VALVE/ C2692 STEERING CONTROL
3Артикул: GUIDE, GUIDE NLA - Order 6703703 - Was 6565355
Подробнее >
КАБИНА ОПЕРАТОРА

КАБИНА ОПЕРАТОРА

1Артикул: 6530999, OPERATOR CAB Was SALES - D
2Артикул: 6530652, ROPS WELD Was 6530999 - B
3Артикул: 6515817, WASHER
Подробнее >
ТОПЛИВНАЯ СИСТЕМА

ТОПЛИВНАЯ СИСТЕМА

1Артикул: 6585255, HARNESS wire
2Артикул: 85G1006, SCREW
3Артикул: 6538813, SENDER Was 6585182 - A
Подробнее >
СИДЕНЬЕ (MILSCO)

СИДЕНЬЕ (MILSCO)

1Артикул: SEAT, SEAT NLA - Order 6669135 - Was 6563140 - A
2Артикул: 6630468, CUSHION seat
3Артикул: 6630465, CUSHION back
Подробнее >
СИДЕНИЕ (МИЧИГАН)

СИДЕНИЕ (МИЧИГАН)

1Артикул: SEAT, SEAT NLA - W/Ref. 2-5 & 8 - Order 6669135 Seat - Was 6667684 - A
2Артикул: 6669135, SEAT, OPERATOR VINYL See Illustration SEAT COVERS/ NA10386 W/Ref. 2-7
3Артикул: 6670160, CUSHION W/edging, clip & (2) grommets
Подробнее >
ОПОРА СИДЕНЬЯ

ОПОРА СИДЕНЬЯ

1Артикул: 6584584, SPRING
2Артикул: 17C620, BOLT
3Артикул: 17C624, BOLT 5
Подробнее >