+7 (701) 588 50 05 Телефон для связи
RU

WhatsApp

Позвонить

РАМА в Алматы

СИДЕНЬЕ (MILSCO)

СИДЕНЬЕ (MILSCO)

1Артикул: SEAT, SEAT See Illustration SEAT/ B14720 NLA - Order 6669135 Seat - Was 6563140 - A
2Артикул: 6630468, CUSHION seat
3Артикул: 6630465, CUSHION back
Подробнее >
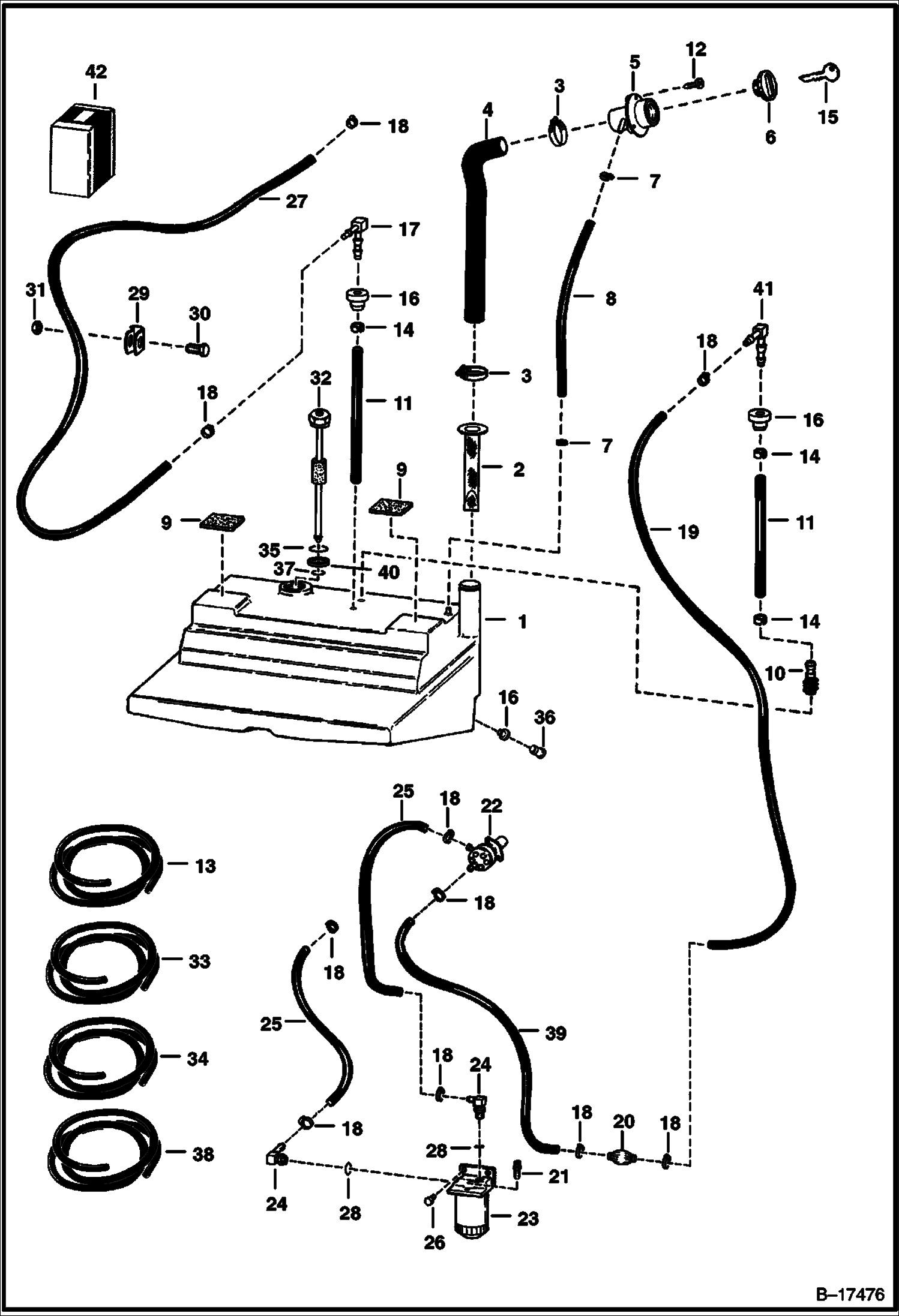
ТОПЛИВНАЯ СИСТЕМА

ТОПЛИВНАЯ СИСТЕМА

1Артикул: TANK, TANK NLA - Order 6717572 Tank, Ref. 16 (6717402 Bushing) & Ref. 36 (6717401 Plug) - Was 6575897 - A
2Артикул: 6736659, TANK, FUEL Was 6717572 - A
3Артикул: 7120881, SCREEN, FILLER Was 6569219 - A
Подробнее >
СИДЕНИЕ И ОПОРА СИДЕНЬЯ

СИДЕНИЕ И ОПОРА СИДЕНЬЯ

1Артикул: SEAT, SEAT See Illustration SEAT/ B14720
2Артикул: SEAT, SEAT BELT NLA - Order Ref. 32 - Was 6564774 - A
3Артикул: SEAT, SEAT BELT NLA - Order 6675074 seat belt & (2) of 6725373 spring plate - Was 6667875 - A
Подробнее >
ПАНЕЛИ

ПАНЕЛИ

1Артикул: 6576486, COVER
2Артикул: 84G3712, BOLT 5
3Артикул: SHIELD, SHIELD NLA - Order (2) of Ref. 2 & (1) ea. of Ref. 13, 16 & 6734520 cover - Was 6706917 - A
Подробнее >
СИДЕНИЕ (МИЧИГАН)

СИДЕНИЕ (МИЧИГАН)

1Артикул: SEAT, SEAT NLA - W/Ref. 2-5 & 8 - Order 6669135 Seat - Was 6667684 - A
2Артикул: 6669135, SEAT, OPERATOR VINYL See Illustration SEAT COVERS/ NA10386 W/Ref. 2-7
3Артикул: 6670160, CUSHION W/edging, clip & (2) grommets
Подробнее >
ЗАДНЯЯ ДВЕРЬ

ЗАДНЯЯ ДВЕРЬ

1Артикул: 6703868, HOOD See Illustration ENGINE & ATTACHING PARTS/ B17491 See Illustration HOOD KIT/ TS1096 steel
2Артикул: 6703797, LENS
3Артикул: 6704362, HOUSING light
Подробнее >
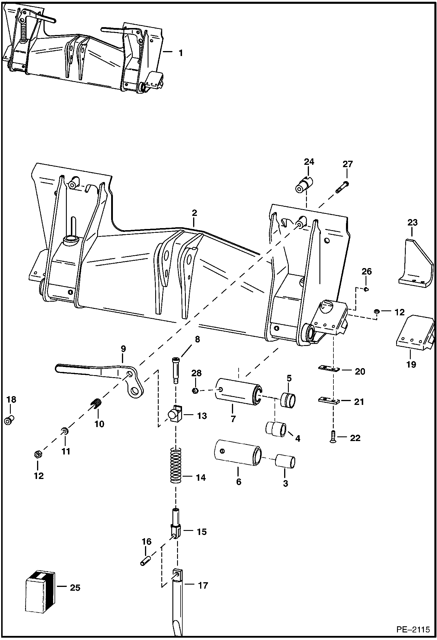
ПОДЪЕМНАЯ РУКОЯТЬ И BOB-TACH

ПОДЪЕМНАЯ РУКОЯТЬ И BOB-TACH

1Артикул: 17C640, BOLT
2Артикул: 6577954, PIN, PIVOT 1.25-- x 4.65-- (31,7 mm x 118 mm)
3Артикул: 85D6, NUT, 5
Подробнее >
BOB-TACH

BOB-TACH

1Артикул: BOB-TACH, BOB-TACH NLA - For 31,8 mm(1.25 in.) dia. lift arm pin - W/Ref. 6 (NLA/6577445 bushing) - 57,2 mm (2.25 in.) O.D. weld on bushings - Order 6709215 Bob-Tach & (2) OF Ref. 4 - Also Order 6561383 Decal - Was 6571744 - A
2Артикул: BOB-TACH, BOB-TACH NLA - For 31,8 mm(1.25 in.) dia. lift arm pin - W/Ref. 7 - 63,5 mm (2.50 in.) O.D. weld on bushings - Order 6709215 Bob-Tach & (2) of Ref. 4 - Remove Ref. 5 from Bob-Tach and replace W/Ref. 4 - Also Order 6561383 Decal - Was 6571744 - A
3Артикул: BOB-TACH, BOB-TACH NLA - For 38,1 mm (1.50 in.) dia. lift arm pin - W/Ref. 5 & 7 - 63,5 mm (2.50 in.) O.D. weld on bushings - Order 6709215 Bob-Tach - Also Order 6561383 Decal - Was 6571744 - A
Подробнее >
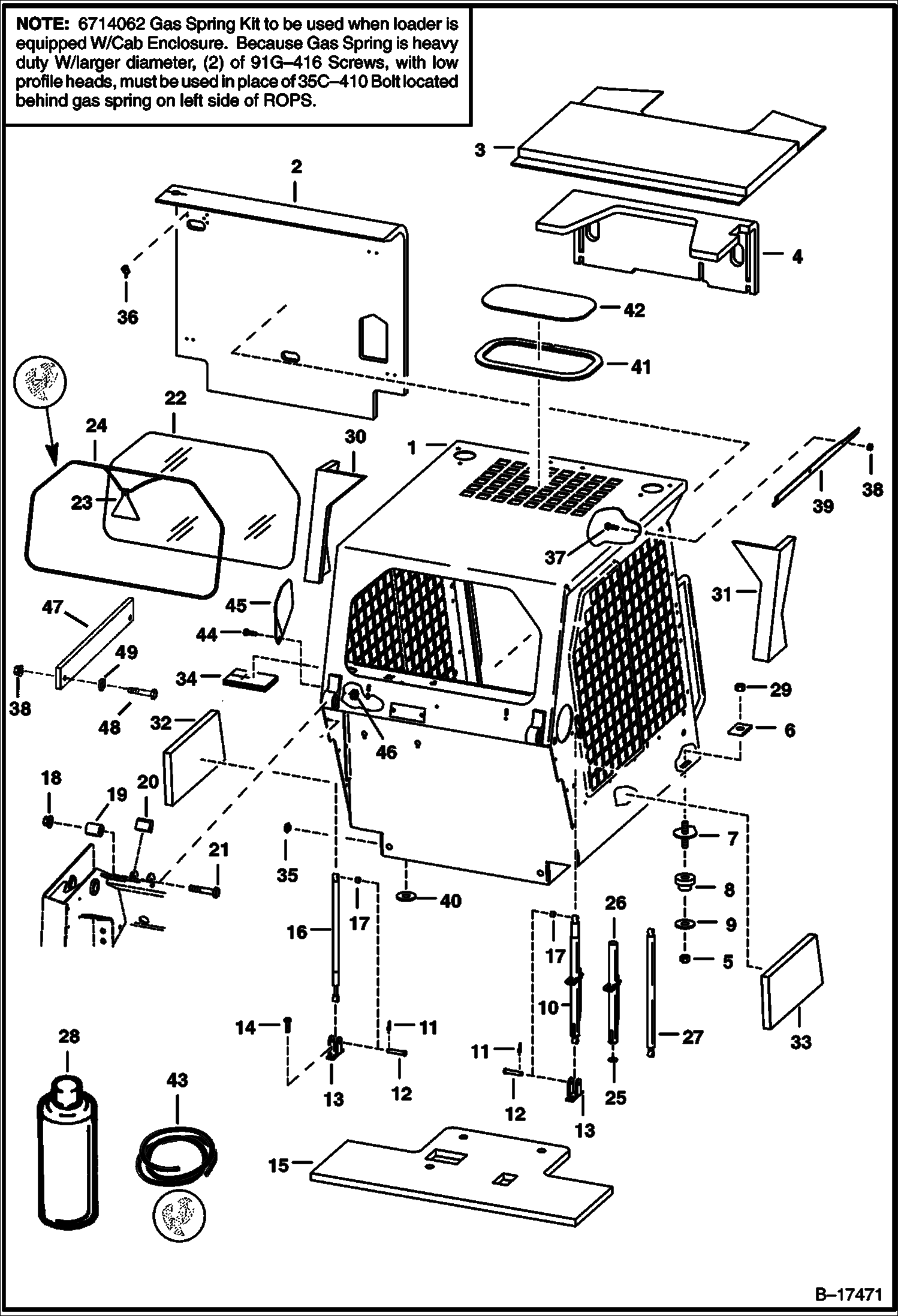
КАБИНА ОПЕРАТОРА

КАБИНА ОПЕРАТОРА

1Артикул: 6701957, OPERATOR CAB does NOT include cab decals - Also Order (2) of Ref. 40 - Was SALES - D
2Артикул: 6706569, INSULATION seat back - Use W/Ref. 28 - Was 6701553 - A
3Артикул: 6708682, INSULATION seat back-shown - Use W/Ref. 36 - Was 6705816 - A
Подробнее >