+7 (701) 588 50 05 Телефон для связи
RU

WhatsApp

Позвонить

РАМА в Алматы

ЗАДНЯЯ ДВЕРЬ

ЗАДНЯЯ ДВЕРЬ

1Артикул: 57D5, NUT
2Артикул: 6655399, BUMPER
3Артикул: 6714509, COVER exhaust
Подробнее >
ПАНЕЛИ

ПАНЕЛИ

1Артикул: 6718487, PANEL See Illustration SEAT & SEAT BAR/ B17571 - Was 6701346 - A
2Артикул: 6597501, PANEL
3Артикул: 6707475, PANEL Use only on non-AHCS model
Подробнее >
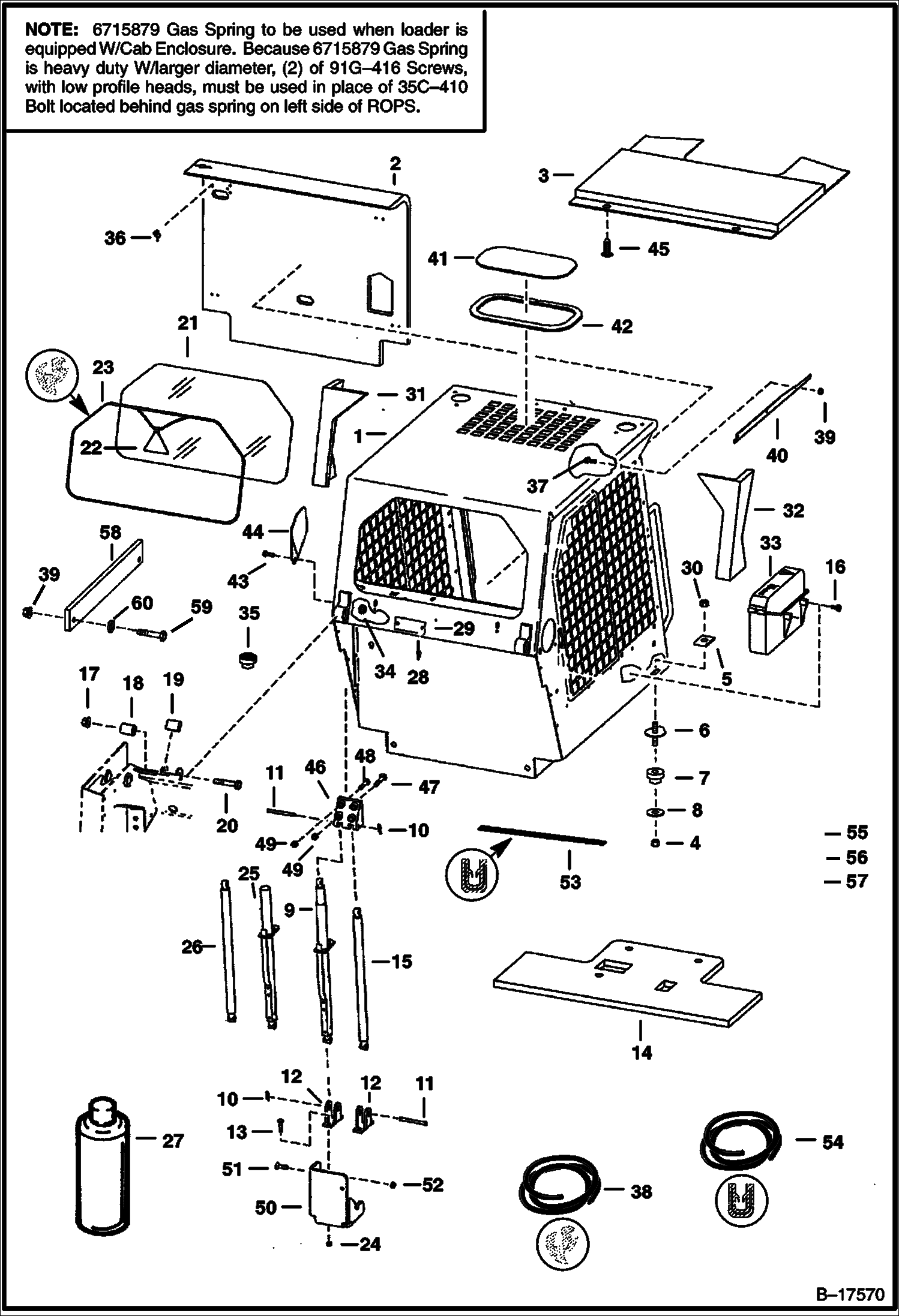
КАБИНА ОПЕРАТОРА

КАБИНА ОПЕРАТОРА

1Артикул: 6701957, OPERATOR CAB Does NOT include cab decals, plate approval
2Артикул: 6708682, INSULATION seat back - Use W/ Ref. 36
3Артикул: 6715094, INSULATION cab top - Use W/Ref. 36 & 45
Подробнее >
СИДЕНИЕ (МИЧИГАН)

СИДЕНИЕ (МИЧИГАН)

1Артикул: 6669135, SEAT, OPERATOR VINYL See Illustration SEAT COVERS/ NA10386 W/Ref. 2-7
2Артикул: 6670160, CUSHION W/edging, clip & (2) grommets
3Артикул: EDGING, EDGING NSS
Подробнее >
ПОДЪЕМНАЯ РУКОЯТЬ И BOB-TACH

ПОДЪЕМНАЯ РУКОЯТЬ И BOB-TACH

1Артикул: 10H25, FITTING, GREASE 5
2Артикул: 6597798, PIN
3Артикул: 6803046, SHIM .134 (3.40 mm) - when needed
Подробнее >
СИДЕНИЕ

СИДЕНИЕ

1Артикул: 6563140, SEAT std. - W/Ref. 2 - 7 - Was 6665401 - A
2Артикул: 6630465, CUSHION back
3Артикул: 6630468, CUSHION seat
Подробнее >
BOB-TACH

BOB-TACH

1Артикул: BOB-TACH, BOB-TACH See Illustration DECALS/ B11949 - NLA - Ref. 2 - 22 - Order 6809970 - Also Order 6561383 decal - Was 6597415 - A
2Артикул: FRAME, FRAME See Illustration DECALS/ B11949 NLA - Order Ref. 1
3Артикул: 10H35, FITTING, GREASE 10
Подробнее >
РАМА ШАССИ И КРЕПЕЖНЫЕ ДЕТАЛИ

РАМА ШАССИ И КРЕПЕЖНЫЕ ДЕТАЛИ

1Артикул: 6805582, MAIN FRAME
2Артикул: 6597280, BUSHING
3Артикул: 6597281, BUSHING
Подробнее >
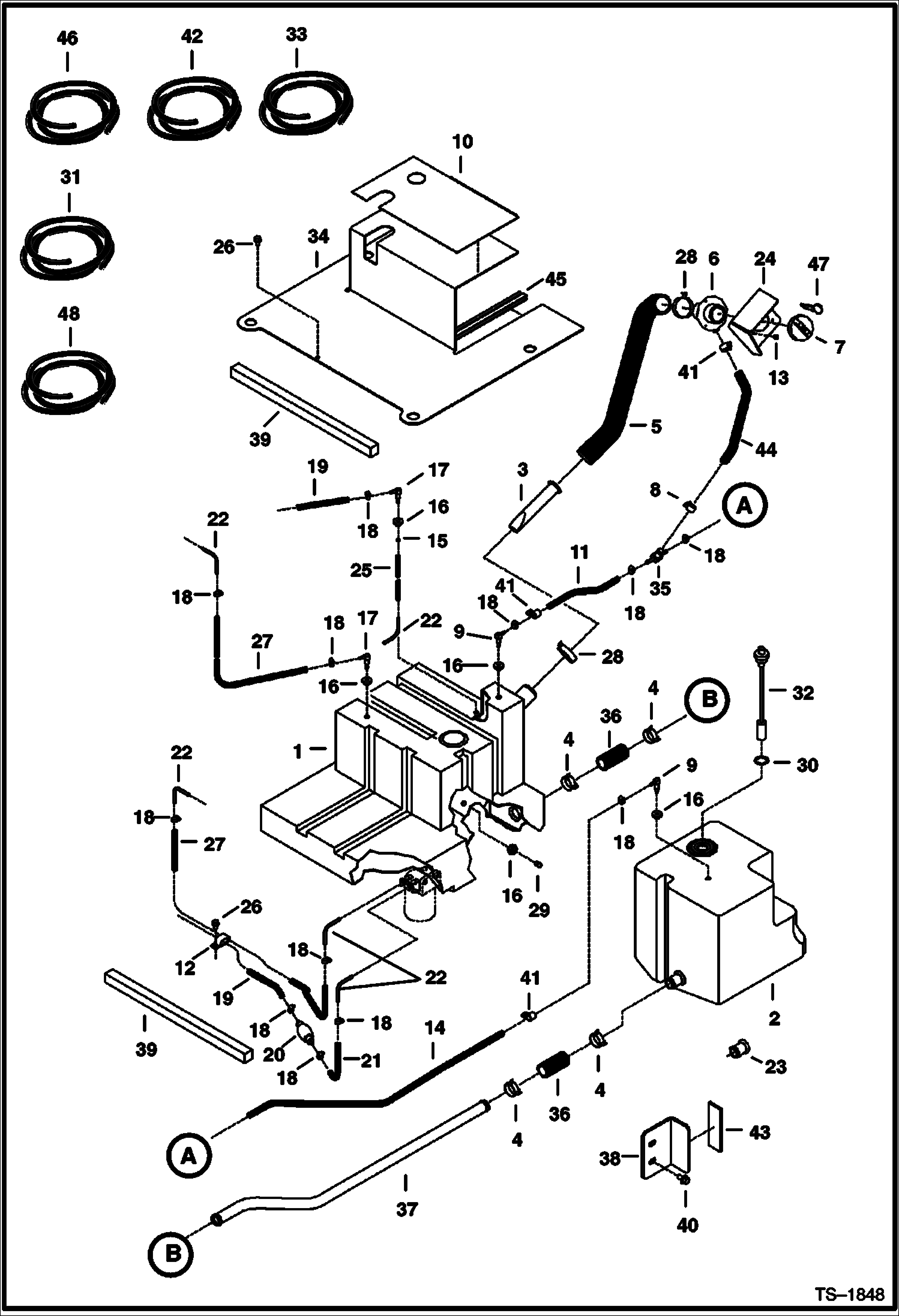
ТОПЛИВНАЯ СИСТЕМА

ТОПЛИВНАЯ СИСТЕМА

1Артикул: TANK, TANK NLA - 25 gal. - Order 6807186 , 6804639 , 5HM00023B & (2) of 6515575 - Was 6597173 - A
2Артикул: TANK, TANK NLA - 25 gal. - Order 6807186 & cover 6807157 - Was 6804575 - A
3Артикул: 6807186, TANK 25 gal.
Подробнее >
СИДЕНИЕ И ОПОРА СИДЕНЬЯ

СИДЕНИЕ И ОПОРА СИДЕНЬЯ

1Артикул: SEAT, SEAT See Illustration SEAT/ B17552 See Illustration SUSPENSION SEAT/ C3375 See Illustration SEAT/ B14720 standard seat requires (1) of Ref. 49 located on RH side - Milsco suspension seat requires (2) of Ref. 49 located one each side - for Grammar suspension seat see Ill. C3375
2Артикул: SEAT, SEAT BELT NLA - Order 6675074 seat belt & (2) of Ref. 3 (6725373 spring plates) - Was 6667875 - A
3Артикул: SEAT, SEAT BELT NLA - w/ spring plates - Order 6675074 seat belt & (2) of Ref. 3 (6725373 spring plates) - Was 6725403 - A
Подробнее >