+7 (701) 588 50 05 Телефон для связи
RU

WhatsApp

Позвонить

РАМА в Алматы

КАБИНА ВОДИТЕЛЯ (ИЗОЛЯЦИЯ ПАНЕЛИ ДВИГАТЕЛЯ)

КАБИНА ВОДИТЕЛЯ (ИЗОЛЯЦИЯ ПАНЕЛИ ДВИГАТЕЛЯ)

1Артикул: 7215968, PANEL, ENG W/Ref. 2-6
2Артикул: 7297387, INSULATION
3Артикул: 7297388, INSULATION
Подробнее >
КРЫШКИ

КРЫШКИ

1Артикул: 1CM512, BOLT
2Артикул: 7187775, BRACKET
3Артикул: 5JM10, RING
Подробнее >
КОРПУС КУЗОВА

КОРПУС КУЗОВА

1Артикул: 7224410, UPPERSTRUCTURE W/Ref. 8
2Артикул: 7307754, UPPERSTRUCTURE
3Артикул: 7244357, COUNTERWEIGHT
Подробнее >
КАБИНА ВОДИТЕЛЯ (РАДИО)

КАБИНА ВОДИТЕЛЯ (РАДИО)

1Артикул: 7257678, ANTENNA, RADIO Was 7266320 - A
2Артикул: 7234361, BRACKET, LIGHT WORKING Was 7257681 - A
3Артикул: 7257674, BOLT
Подробнее >
КАБИНА ВОДИТЕЛЯ (ПРАВОСТОРОНЯЯ КОНСОЛЬ) (СИДЕНИЕ) (РЕМЕНЬ БЕЗОПАСНОСТИ)

КАБИНА ВОДИТЕЛЯ (ПРАВОСТОРОНЯЯ КОНСОЛЬ) (СИДЕНИЕ) (РЕМЕНЬ БЕЗОПАСНОСТИ)

1Артикул: 7224274, SEAT, OPERATOR BUCKET VINYL grey - W/Bobcat logo
2Артикул: 7200930, SEAT, OPERATOR SUSPENSION CLOTH See Illustration SEAT/ NA10072
3Артикул: SEAT,, SEAT, OPERATOR BUCKET VINYL See Illustration SEAT/ NA8871 - black - W/O Bobcat logo
Подробнее >
КАБИНА ВОДИТЕЛЯ (ПРАВАЯ ФАРА В СБОРЕ)

КАБИНА ВОДИТЕЛЯ (ПРАВАЯ ФАРА В СБОРЕ)

1Артикул: 7260536, WINDOW, CAB SLIDING
2Артикул: 7260502, WINDOW, CAB SLIDING
3Артикул: 7260503, SEAL
Подробнее >
КАБИНА ВОДИТЕЛЯ (ДВЕРЦА В СБОРЕ)

КАБИНА ВОДИТЕЛЯ (ДВЕРЦА В СБОРЕ)

1Артикул: 7260537, DOOR, CAB ASSY Was 7260466 - B,D
2Артикул: 7260506, DOOR, CAB ASSY W/Ref. 16-18 - Was 7260497 - B,D
3Артикул: 7260416, BUSHING
Подробнее >
СИДЕНЬЕ (ПОДВЕСКА) (МАТЕРИЯ)

СИДЕНЬЕ (ПОДВЕСКА) (МАТЕРИЯ)

1Артикул: 7200930, SEAT, OPERATOR SUSPENSION CLOTH
2Артикул: 83D5, NUT 5
Подробнее >
КАБИНА ОПЕРАТОРА (ОКНА И УПЛОТНЕНИЯ)

КАБИНА ОПЕРАТОРА (ОКНА И УПЛОТНЕНИЯ)

1Артикул: 7260535, CAB W/A
2Артикул: 7260536, WINDOW, CAB SLIDING See Illustration OPERATOR CAB/ NA9452
3Артикул: 7260452, WINDOW, CAB TOP
Подробнее >
НАВЕС НАД СИДЕНЬЕМ ВОДИТЕЛЯ

НАВЕС НАД СИДЕНЬЕМ ВОДИТЕЛЯ

1Артикул: 7216490, KIT, CANOPY CTS Ref. 2-3 & 7-12
2Артикул: 7CM1440, BOLT
3Артикул: 7187755, WASHER
Подробнее >
ИЗОЛЯЦИЯ

ИЗОЛЯЦИЯ

1Артикул: 7245325, INSULATION, FLOOR
2Артикул: 7245326, INSULATION, DOOR
3Артикул: 7245327, INSULATION, DOOR
Подробнее >
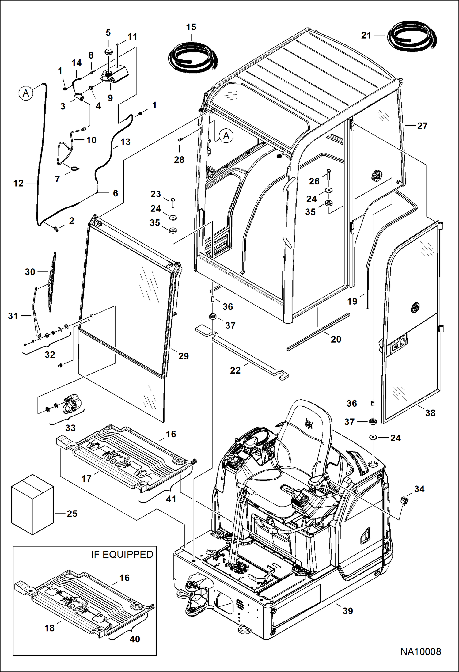
КАБИНА ВОДИТЕЛЯ (МОНТАЖ КАБИНЫ) (ЛОБОВОЕ СТЕКЛО) (ДВЕРЦА)

КАБИНА ВОДИТЕЛЯ (МОНТАЖ КАБИНЫ) (ЛОБОВОЕ СТЕКЛО) (ДВЕРЦА)

1Артикул: 515069, GROMMET
2Артикул: 6624289, STRAP, TIE
3Артикул: 6664554, PUMP, WIPER WASHER
Подробнее >
КАБИНА ВОДИТЕЛЯ (ЛОБОВОЕ СТЕКЛО В СБОРЕ)

КАБИНА ВОДИТЕЛЯ (ЛОБОВОЕ СТЕКЛО В СБОРЕ)

1Артикул: 7260461, WINDOW, CAB FRONT ASSY Ref. 2-32 & 34-36
2Артикул: 7260426, SCREW
3Артикул: 7260370, WASHER
Подробнее >
ЗАДНЯЯ ДВЕРЬ

ЗАДНЯЯ ДВЕРЬ

1Артикул: REAR, REAR DOOR NLA - W/O Ref. 41 - Order Ref. 40 - Was 7274616 - A
2Артикул: 29CM1030, BOLT
3Артикул: 17EM100, WASHER
Подробнее >
СИДЕНЬЕ (ВИНИЛ) (ЧЕРНЫЙ)

СИДЕНЬЕ (ВИНИЛ) (ЧЕРНЫЙ)

1Артикул: 7254508, SEAT, OPERATOR BUCKET VINYL
2Артикул: 7241303, SEAT, OPERATOR BUCKET VINYL
3Артикул: 7178637, BOX, MANUAL Use W/Ref. 2
Подробнее >
КАБИНА ВОДИТЕЛЯ (ЛИСТЫ НАСТИЛА)

КАБИНА ВОДИТЕЛЯ (ЛИСТЫ НАСТИЛА)

1Артикул: 6675859, RETAINER
2Артикул: 7215164, PLATE, FLOOR
3Артикул: 7215165, PLATE, FLOOR
Подробнее >