+7 (701) 588 50 05 Телефон для связи
RU

WhatsApp

Позвонить

РАМА в Алматы

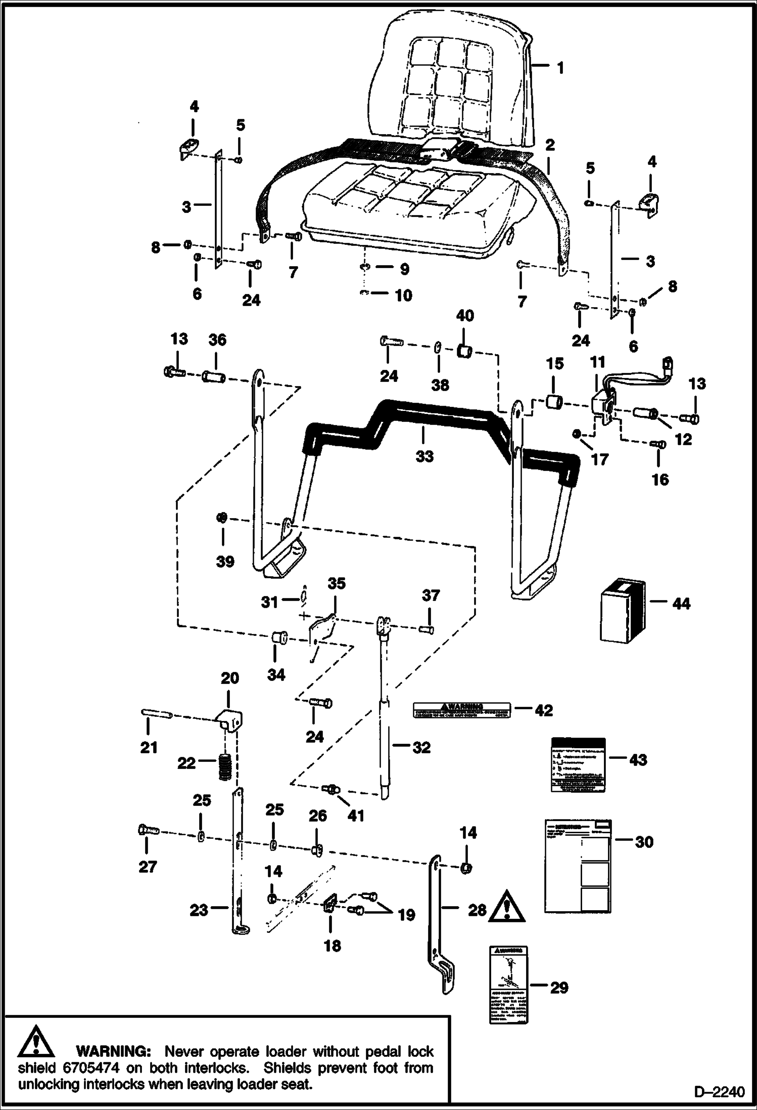
СИДЕНЬЕ (MILSCO)

СИДЕНЬЕ (MILSCO)

1Артикул: SEAT, SEAT NLA - gray - Was 6658885 - A
2Артикул: SEAT, SEAT See Illustration SEAT/ B14720 NLA - SEAT - BLACK - ORDER 6669135 SEAT - WAS 6665401 - A
3Артикул: CUSHION, CUSHION NLA - seat - gray
Подробнее >
СИДЕНИЕ (МИЧИГАН)

СИДЕНИЕ (МИЧИГАН)

1Артикул: SEAT, SEAT NLA - W/Ref. 2-5 & 8 - Order 6669135 Seat - Was 6667684 - A
2Артикул: 6669135, SEAT, OPERATOR VINYL See Illustration SEAT COVERS/ NA10386 W/Ref. 2-7
3Артикул: 6670160, CUSHION W/edging, clip & (2) grommets
Подробнее >
ПАНЕЛИ

ПАНЕЛИ

1Артикул: 6576486, COVER
2Артикул: 84G3712, BOLT 5
3Артикул: 6707102, SHIELD
Подробнее >
СИДЕНИЕ И ОПОРА СИДЕНЬЯ

СИДЕНИЕ И ОПОРА СИДЕНЬЯ

1Артикул: SEAT, SEAT See Illustration SEAT/ B7185
2Артикул: SEAT, SEAT BELT NLA - Order Ref. 44 - Was 6564774 - A
3Артикул: SEAT, SEAT BELT NLA - Order 6675074 Seat Belt - Was 6667875 - A
Подробнее >
ПОДЪЕМНЫЕ РУКОЯТИ И BOBTACH

ПОДЪЕМНЫЕ РУКОЯТИ И BOBTACH

1Артикул: 6547593, PIN, PIVOT
2Артикул: PIN, PIN NLA - Order 6704288 Pin - Was 6553061 - A
3Артикул: 6704288, PIN, PIVOT
Подробнее >
BOB-TACH

BOB-TACH

1Артикул: BOB-TACH, BOB-TACH See Illustration DECALS/ B17640 - NLA - for 31,8 mm (1.25--) dia lift arm pin - W/Ref. 6 (NLA/ 6577445 bushing) - 57,2 mm (2.25--) OD weld-on bushings - Order 6709215 Bob-Tach & (2) of Ref. 4 - Also Order 6561383 decal - Was 6571744 - A
2Артикул: BOB-TACH, BOB-TACH See Illustration DECALS/ B17640 - NLA - for 31,8 mm(1.25--) dia lift arm pin - W/Ref. 7 - 63,5 mm (2.50--) OD weld-on bushings - Order 6709215 Bob-Tach & (2) of Ref. 4 - Remove Ref. 5 from Bob-Tach & replace W/Ref. 4 - Also Order 6561383 decal - Was 6571744 - A
3Артикул: BOB-TACH, BOB-TACH See Illustration DECALS/ B17640 - NLA - for 38,1 mm (1.50--) dia lift arm pin - W/Ref. 5 & 7 - 63,5 mm (2.50--) OD weld-on bushings - Order 6709215 Bob-Tach - Also Order 6561383 decal - Was 6571744 - A
Подробнее >
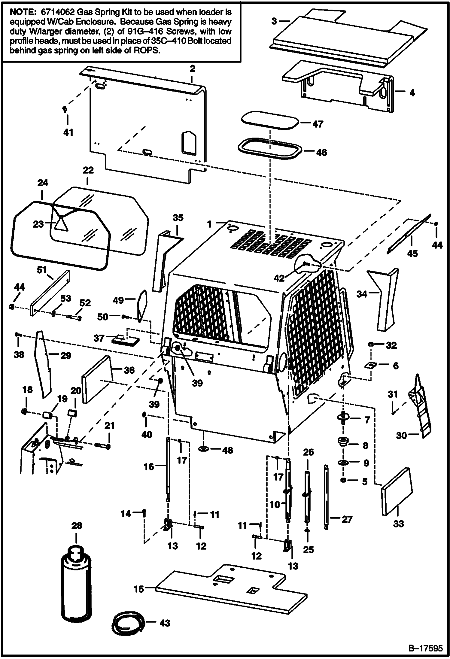
КАБИНА ОПЕРАТОРА

КАБИНА ОПЕРАТОРА

1Артикул: 6701957, OPERATOR CAB Does NOT include cab decals - Also Order (2) of Ref. 48
2Артикул: 6706569, INSULATION seat back - not shown - Use W/Ref. 28 - W/O cut out for controller - Was 6701553 - A
3Артикул: 6708682, INSULATION seat back - shown - Use W/Ref. 41 - Was 6705816 - A
Подробнее >
ЗАДНЯЯ ДВЕРЬ

ЗАДНЯЯ ДВЕРЬ

1Артикул: 6703868, HOOD See Illustration HOOD KIT/ TS1096 See Illustration ENGINE & ATTACHING PARTS/ B17637 STEEL - FOR FIELD KIT
2Артикул: 6704682, COVER
3Артикул: 6704683, COVER
Подробнее >
ТОПЛИВНАЯ СИСТЕМА

ТОПЛИВНАЯ СИСТЕМА

1Артикул: TANK, TANK NLA - Order 6717572 Tank, Ref. 16 (6717402 Bushing) & Ref. 36 (6717401 Plug) -Was 6575897 - A
2Артикул: 6736659, TANK, FUEL Was 6717572 - A
3Артикул: 7120881, SCREEN, FILLER Was 6569219 - A
Подробнее >