+7 (701) 588 50 05 Телефон для связи
RU

WhatsApp

Позвонить

РАМА в Алматы

ЗАДНЯЯ ДВЕРЬ

ЗАДНЯЯ ДВЕРЬ

1Артикул: 6544181, PIN
2Артикул: 6554917, DOOR
3Артикул: 6544244, SPACER
Подробнее >
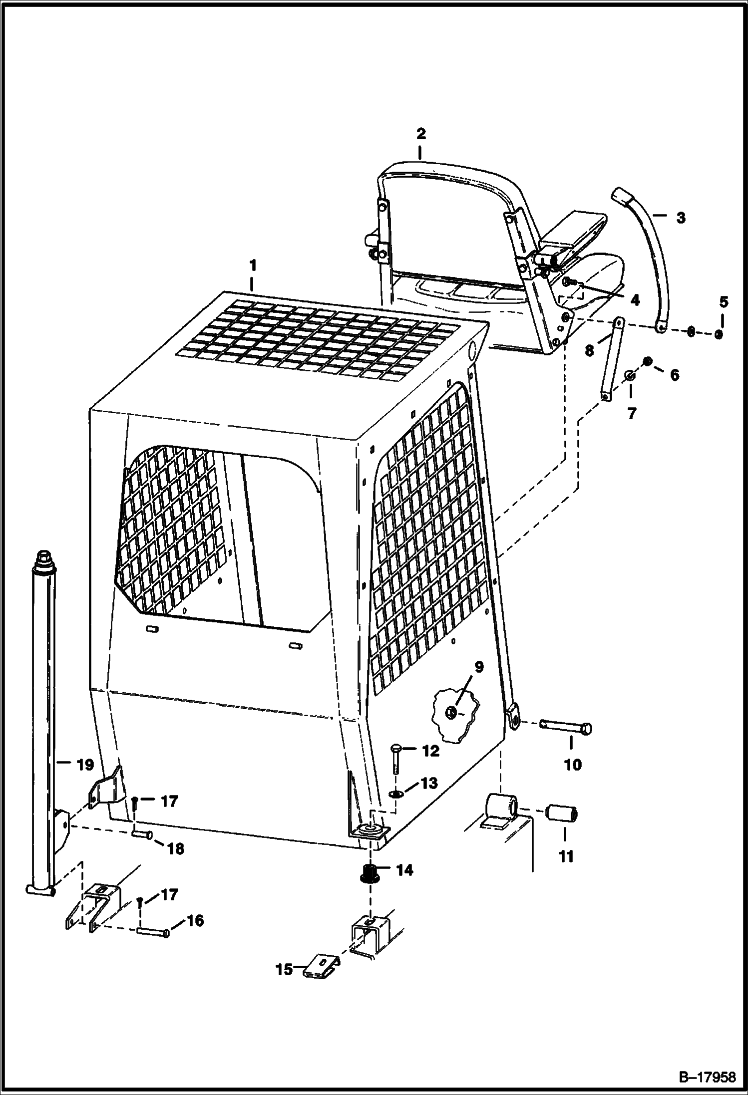
КАБИНА ОПЕРАТОРА

КАБИНА ОПЕРАТОРА

1Артикул: 6552802, CAB
2Артикул: SEAT, SEAT See Illustration SEAT/ B7184 NLA
3Артикул: SEAT, SEAT BELT NLA - Order 6675074 seat belt & (2) of 6725373 spring plate - Was 6563214 - A
Подробнее >
ТОПЛИВНАЯ СИСТЕМА

ТОПЛИВНАЯ СИСТЕМА

1Артикул: 6632468, CAP
2Артикул: CAP, CAP NLA - locking - Code GC020 - Was 6654373 - A
3Артикул: 6662770, CAP locking - Code PK510
Подробнее >
BOB-TACH

BOB-TACH

1Артикул: BOB-TACH, BOB-TACH ASSY. See Illustration DECALS/ C2125 NLA - Ref. 2-21 - Also Order 6561383 decal - Was 6565721 - A
2Артикул: 6548581, LINK R.H.
3Артикул: 7D8, NUT 5
Подробнее >
СИДЕНИЕ

СИДЕНИЕ

1Артикул: 6563141, SEAT Clip-In Cushions
2Артикул: 6630464, CUSHION back
3Артикул: 6630468, CUSHION seat
Подробнее >
ПОДЪЕМНАЯ РУКОЯТЬ И BOB-TACH

ПОДЪЕМНАЯ РУКОЯТЬ И BOB-TACH

1Артикул: 36H25, FITTING
2Артикул: 59D6, NUT
3Артикул: 17C640, BOLT
Подробнее >