+7 (701) 588 50 05 Телефон для связи
RU

WhatsApp

Позвонить

РАМА в Алматы

СИДЕНИЕ

СИДЕНИЕ

1Артикул: 6632388, SEAT W/Ref. 2-5 & 24
2Артикул: 3737081, CUSHION, SEAT BACK VINYL backrest
3Артикул: 3737010, CUSHION, SEAT seat
Подробнее >
ЭЛЕКТРИЧЕСКАЯ СИСТЕМА КАБИНЫ ОПЕРАТОРА

ЭЛЕКТРИЧЕСКАЯ СИСТЕМА КАБИНЫ ОПЕРАТОРА

1Артикул: 6657090, HARNESS cab
2Артикул: GRIP, GRIP NLA - Was 6515109
3Артикул: 6654150, CLIP wiring
Подробнее >
ПОВОРОТНАЯ РАМА И ЛИСТ НАСТИЛА

ПОВОРОТНАЯ РАМА И ЛИСТ НАСТИЛА

1Артикул: 6536581, FRAME See Service letter dated 1-15-92
2Артикул: 6534815, COVER
3Артикул: INSULATION, INSULATION NLA - Fastens inside of hood - order 6587496 cut to fit - Was 6534750 - A
Подробнее >
КАБИНА ОПЕРАТОРА

КАБИНА ОПЕРАТОРА

1Артикул: 6660590, CAB See Illustration OPERATOR CAB/ D2027 assy - W/Ref. 2-50 - Was SALES
2Артикул: 6662022, DOOR Assy. - Ref. 2-29 - Was 6657087 - A
3Артикул: 6654174, GLASS
Подробнее >
ЗАЩИТНЫЙ КОЗЫРЕК ДЛЯ МАШИНЫ И КРЫШКА ДВИГАТЕЛЯ

ЗАЩИТНЫЙ КОЗЫРЕК ДЛЯ МАШИНЫ И КРЫШКА ДВИГАТЕЛЯ

1Артикул: 6534813, COVER
2Артикул: 1CM1030, BOLT Was 1CM01025B - B
3Артикул: 6EM100, WASHER
Подробнее >
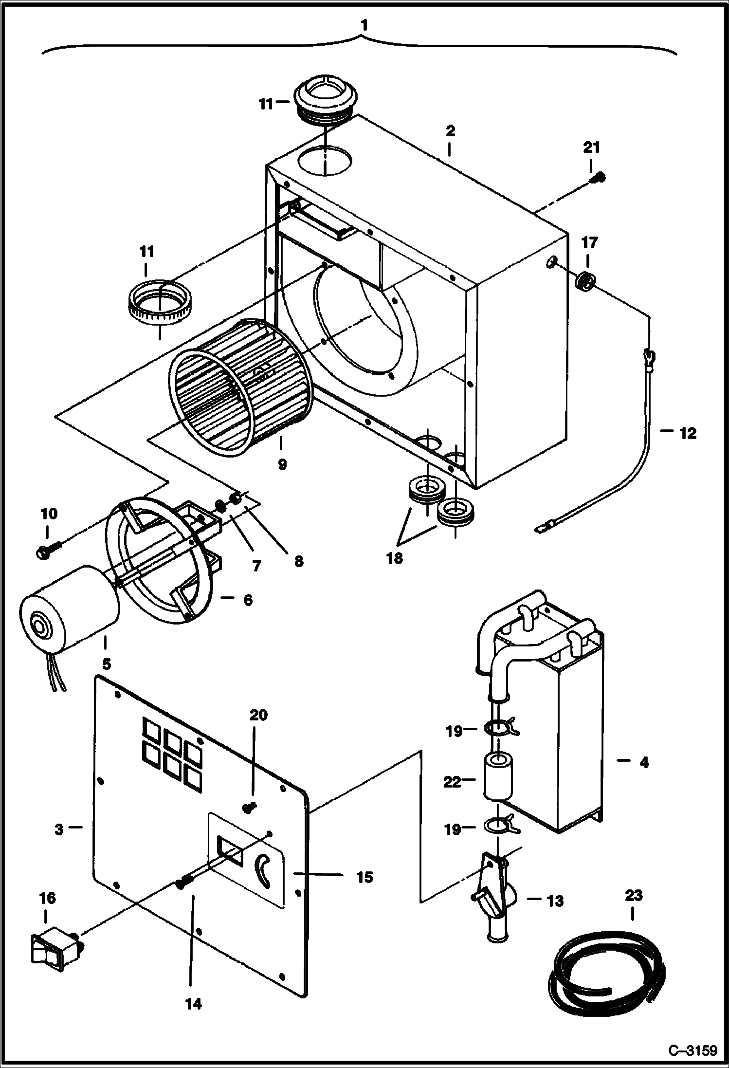
ОБОГРЕВАТЕЛЬ (С МОТОРОМ, ГДЕ 3 ВЕНТИЛЯТОРА)

ОБОГРЕВАТЕЛЬ (С МОТОРОМ, ГДЕ 3 ВЕНТИЛЯТОРА)

1Артикул: HEATER, HEATER NLA - 3 speed - Was 6660520 - A
2Артикул: 6632587, BALL
3Артикул: 6632584, RESISTOR
Подробнее >
ОБОГРЕВАТЕЛЬ (С МОТОРОМ ОДНИМ ВЕНТИЛЯТОРОМ)

ОБОГРЕВАТЕЛЬ (С МОТОРОМ ОДНИМ ВЕНТИЛЯТОРОМ)

1Артикул: HEATER, HEATER NLA - assy - Was 6658288 - A
2Артикул: 6654788, HOUSING
3Артикул: 6654789, COVER
Подробнее >