+7 (701) 588 50 05 Телефон для связи
RU

WhatsApp

Позвонить

РАМА в Алматы

СИДЕНИЕ

СИДЕНИЕ

1Артикул: 6632388, SEAT W/Ref. 2, 3 & 20
2Артикул: 3737081, CUSHION, SEAT BACK VINYL Backrest
3Артикул: 3737010, CUSHION, SEAT Seat
Подробнее >
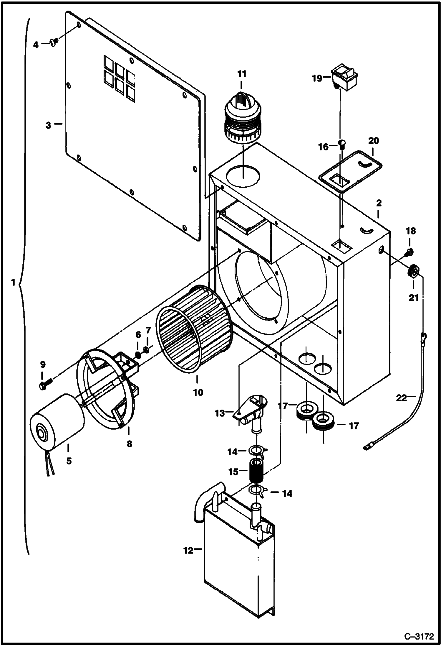
ОБОГРЕВАТЕЛЬ (С МОТОРОМ, ГДЕ 3 ВЕНТИЛЯТОРА)

ОБОГРЕВАТЕЛЬ (С МОТОРОМ, ГДЕ 3 ВЕНТИЛЯТОРА)

1Артикул: HEATER, HEATER NLA - 3 speed - Was 6660520 - A
2Артикул: 6632587, BALL
3Артикул: 6632584, RESISTOR
Подробнее >
ЭЛЕКТРИЧЕСКАЯ СИСТЕМА КАБИНЫ ОПЕРАТОРА

ЭЛЕКТРИЧЕСКАЯ СИСТЕМА КАБИНЫ ОПЕРАТОРА

1Артикул: 6657090, HARNESS Cab - Also Order Adapter Harness 6537687 (1) - Was 6654184 - A
2Артикул: GRIP, GRIP NLA - Was 6515109
3Артикул: 6654150, CLIP Wiring
Подробнее >
ПОВОРОТНАЯ РАМА И ЛИСТ НАСТИЛА

ПОВОРОТНАЯ РАМА И ЛИСТ НАСТИЛА

1Артикул: 6533661, FRAME NLA - Was 6533661 - A
2Артикул: NIPPLE, NIPPLE W/Nut & Sleeve NLA - W/Nut & Sleeve - Was 6533966 - A
3Артикул: 6534892, GROMMET NLA - Was 6534892 - A
Подробнее >
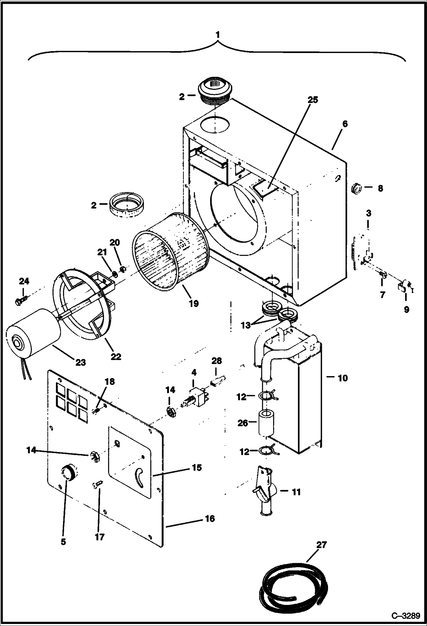
ОБОГРЕВАТЕЛЬ (С МОТОРОМ ОДНИМ ВЕНТИЛЯТОРОМ)

ОБОГРЕВАТЕЛЬ (С МОТОРОМ ОДНИМ ВЕНТИЛЯТОРОМ)

1Артикул: HEATER, HEATER ASSY. NLA - Was 6654185 - A
2Артикул: 6654186, HOUSING
3Артикул: 6654190, COVER
Подробнее >
КАБИНА ОПЕРАТОРА

КАБИНА ОПЕРАТОРА

1Артикул: 6662022, DOOR Assy. - Ref. 2-29 - Was 6654781 - A
2Артикул: 6654174, GLASS
3Артикул: MOULDING, MOULDING NLA - 108-- long (2743mm) - Order Ref. 32
Подробнее >
КАБИНА МАШИНЫ

КАБИНА МАШИНЫ

1Артикул: HOOD, HOOD NLA - Order 6535433, Ref. 12 & 27-36 - Was 6533841 - A
2Артикул: 6535433, HOOD
3Артикул: 1CM1025, BOLT
Подробнее >