+7 (701) 588 50 05 Телефон для связи
RU

WhatsApp

Позвонить

РАМА в Алматы

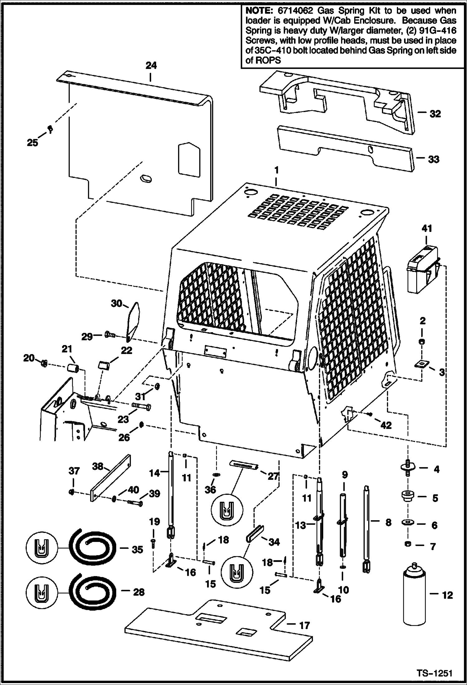
КАБИНА ОПЕРАТОРА

КАБИНА ОПЕРАТОРА

1Артикул: 6701957, OPERATOR CAB Does NOT include cab decals
2Артикул: 59D8, NUT 5
3Артикул: 6553709, WASHER
Подробнее >
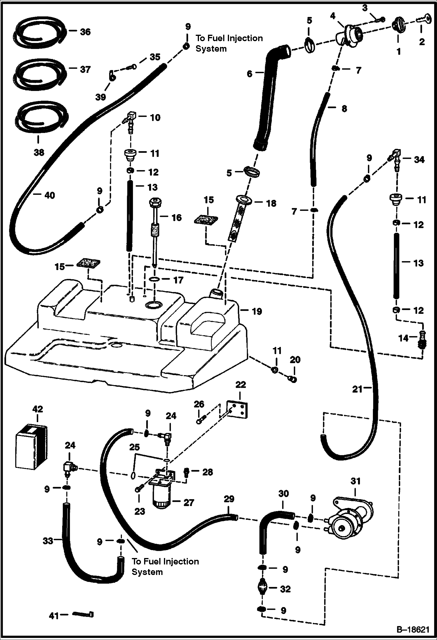
ТОПЛИВНАЯ СИСТЕМА

ТОПЛИВНАЯ СИСТЕМА

1Артикул: 6661114, CAP, DIESEL 1 PSI green fuel fill - W/Ref. 2
2Артикул: 6661696, CAP, FUEL LOCKING locking - W/Ref. 2 - Code PK510
3Артикул: 6587458, KEY Code PK510
Подробнее >
ОПОРА СИДЕНЬЯ

ОПОРА СИДЕНЬЯ

1Артикул: 6710659, BUSHING deep spring base
2Артикул: 6710660, MOUNT weld-on
3Артикул: 6713887, BOLT Use W/spring loaded seat bar assy - Was 6711897 - A
Подробнее >
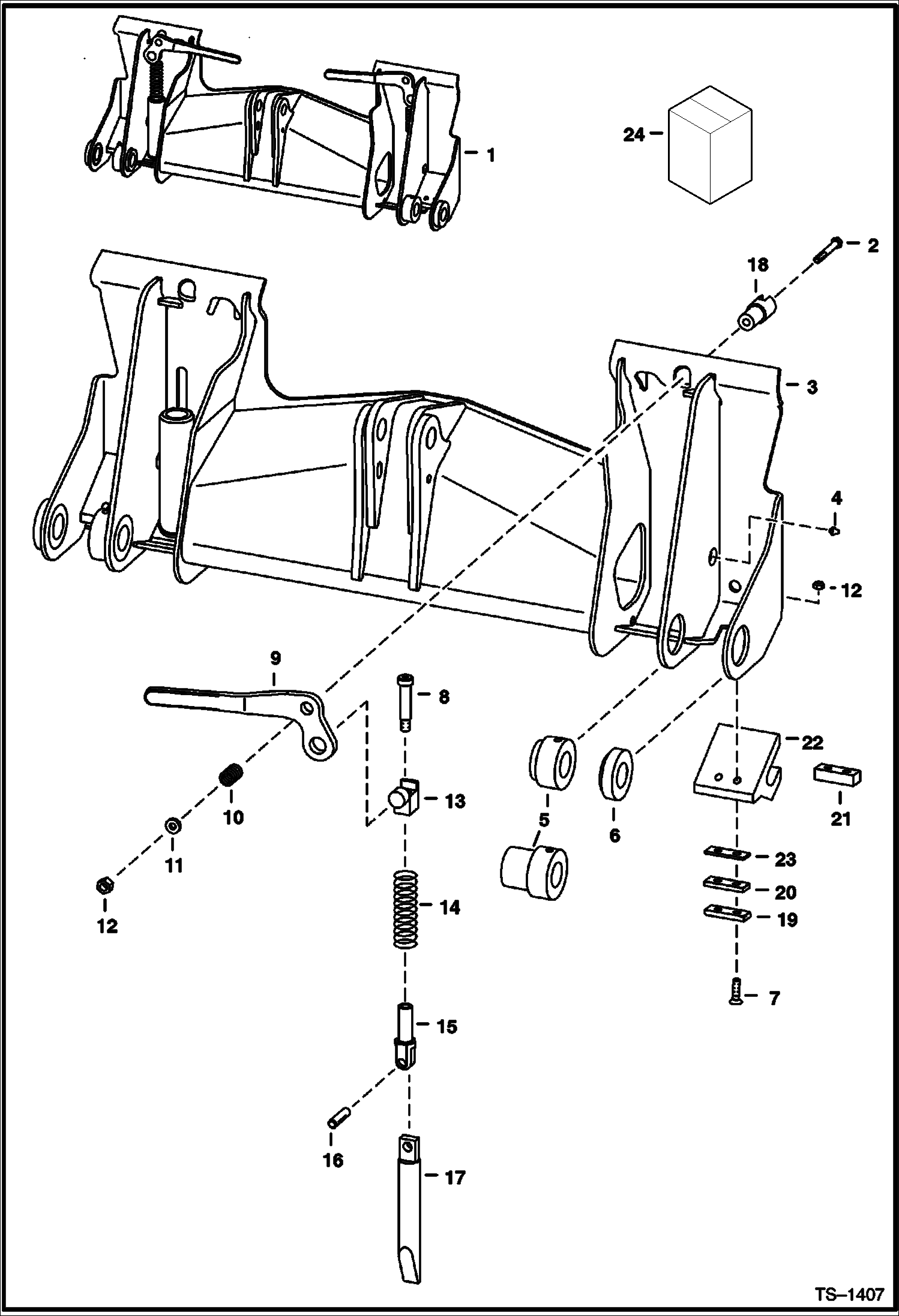
ПОДЪЕМНАЯ РУКОЯТЬ И BOB-TACH

ПОДЪЕМНАЯ РУКОЯТЬ И BOB-TACH

1Артикул: 17C640, BOLT
2Артикул: 6702935, PIN, PIVOT
3Артикул: LIFT, LIFT ARM See BTI329 NLA - Was 6709984 - A
Подробнее >
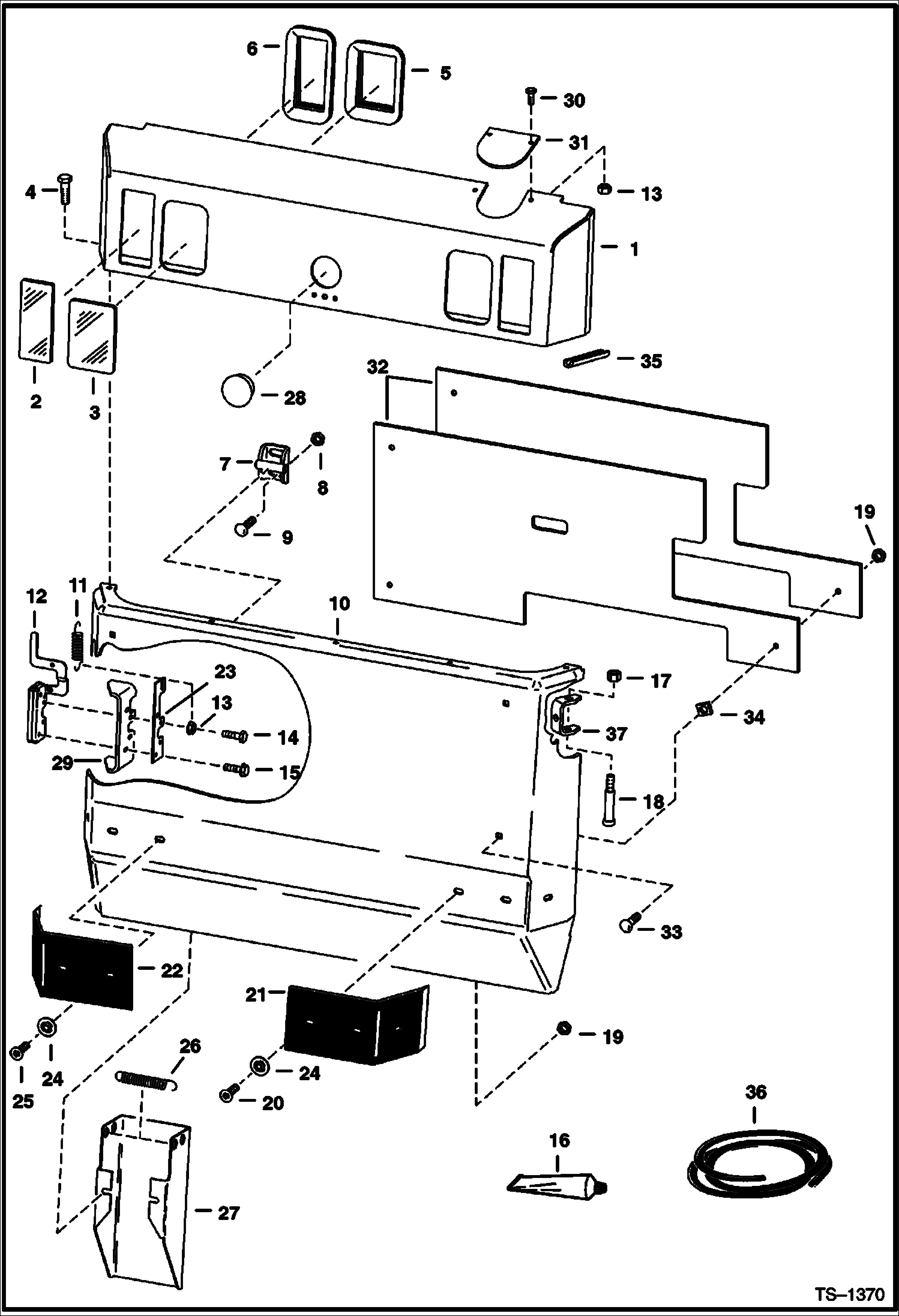
ЗАДНЯЯ ДВЕРЬ (СЕРИЙНЫЙ НОМЕР 514415609 И 514511106 И 514611152 И НИЖЕ)

ЗАДНЯЯ ДВЕРЬ (СЕРИЙНЫЙ НОМЕР 514415609 И 514511106 И 514611152 И НИЖЕ)

1Артикул: 6705776, HOOD steel
2Артикул: 6708587, COVER
3Артикул: 6708588, COVER
Подробнее >
СИДЕНИЕ

СИДЕНИЕ

1Артикул: 6665401, SEAT
2Артикул: 6630468, CUSHION seat
3Артикул: 6630465, CUSHION back
Подробнее >
СИДЕНИЕ (МИЧИГАН)

СИДЕНИЕ (МИЧИГАН)

1Артикул: SEAT, SEAT W/Ref. 2-5 & 8 - Order 6669135 seat - Was 6667684 - A
2Артикул: 6669135, SEAT, OPERATOR VINYL See Illustration SEAT COVERS/ NA10386 W/Ref. 2-7
3Артикул: 6670160, CUSHION W/edging, clip & (2) grommets
Подробнее >
ПАНЕЛИ

ПАНЕЛИ

1Артикул: 6718487, PANEL Was 6710647 - A
2Артикул: 6701345, PANEL
3Артикул: 6707475, PANEL
Подробнее >
ЗАДНЯЯ ДВЕРЬ (НЕРАЗБОРНЫЙ) (СЕРИЙНЫЙ НОМЕР 514415610 И 514511107 И 514611153 И ВЫШЕ)

ЗАДНЯЯ ДВЕРЬ (НЕРАЗБОРНЫЙ) (СЕРИЙНЫЙ НОМЕР 514415610 И 514511107 И 514611153 И ВЫШЕ)

1Артикул: 61D5, NUT Was 85D000005B - B
2Артикул: BUMPER, BUMPER NLA - Order 6655399 - also order 61D000005B (2) nut - Was 6714454 - A
3Артикул: 6655399, BUMPER
Подробнее >
BOB-TACH

BOB-TACH

1Артикул: 6718752, BOB-TACH See Illustration DECALS/ B18459 Also Order 6561383 Decal
2Артикул: 17C644, BOLT See Ref. 10 & 11
3Артикул: 17C660, BOLT See Ref. 10 & 11 - 3.75-- (95,3mm) long - in kit
Подробнее >