+7 (701) 588 50 05 Телефон для связи
RU

WhatsApp

Позвонить

Продажа: РЫЧАГ УПРАВЛЕНИЯ ОБОРУДОВАНИЕМ И МЕХАНИЗМ УПРАВЛЕНИЯ 2 в Алматы и Астане Цены официального дилера с доставкой по всему Казахстану

Официальный дилер Все запчасти в наличии Лизинг / Рассрочка Сервис и гарантия
Спецтехника 2 от Globus Machinery

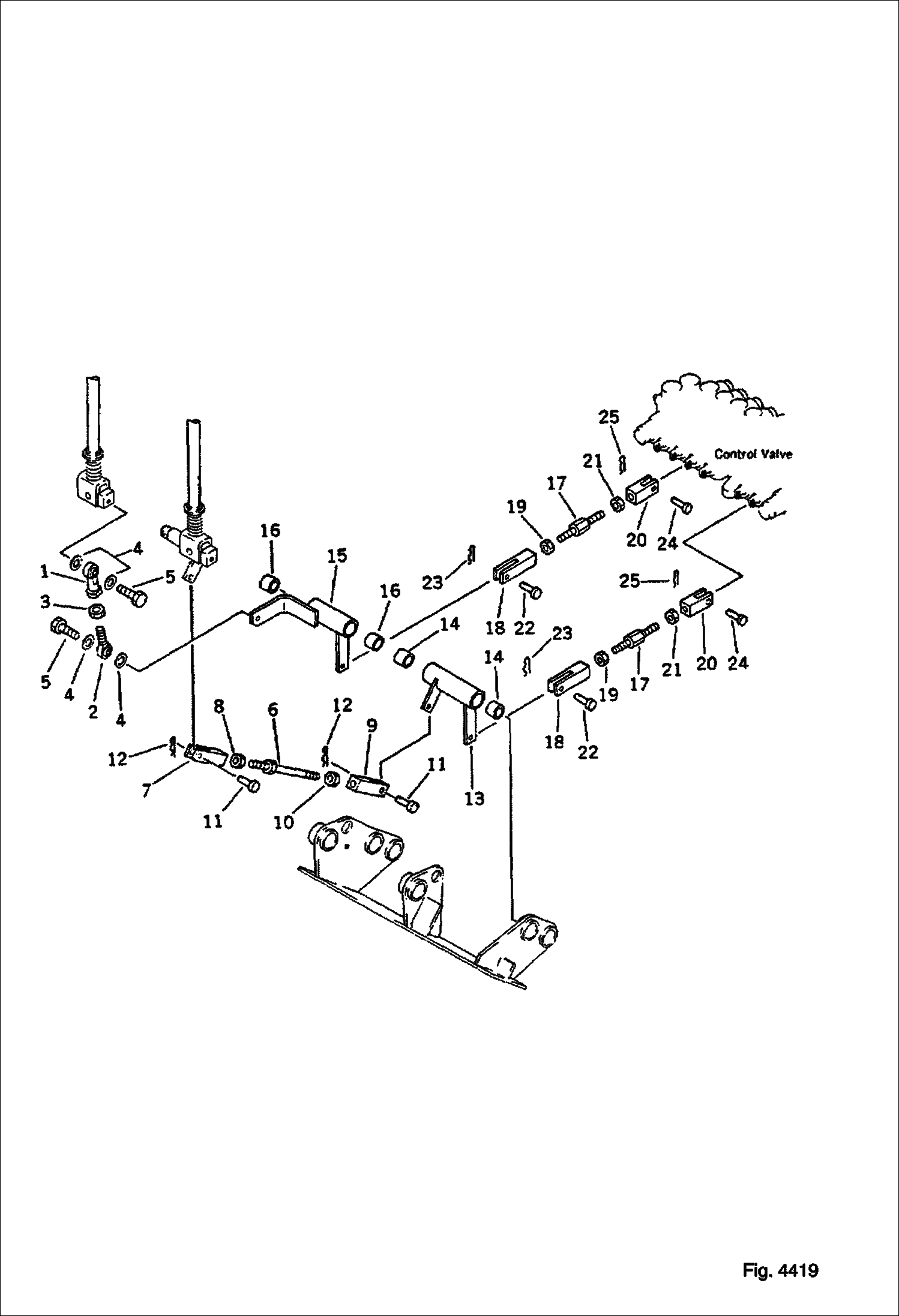
2

1Артикул: 6637309, ...
2Артикул: 6637313, ...
3Артикул: 6637107, ...
Подробнее >