+7 (701) 588 50 05 Телефон для связи
RU

WhatsApp

Позвонить

ШАССИ в Алматы

ЦИЛИНДР МАЧТЫ (ВСТРОЕННЫЙ БАК)

ЦИЛИНДР МАЧТЫ (ВСТРОЕННЫЙ БАК)

1Артикул: 101082903CC, PIN, CLEVIS
2Артикул: 102176901CC, PIN
3Артикул: 102298401CC, NUT
Подробнее >
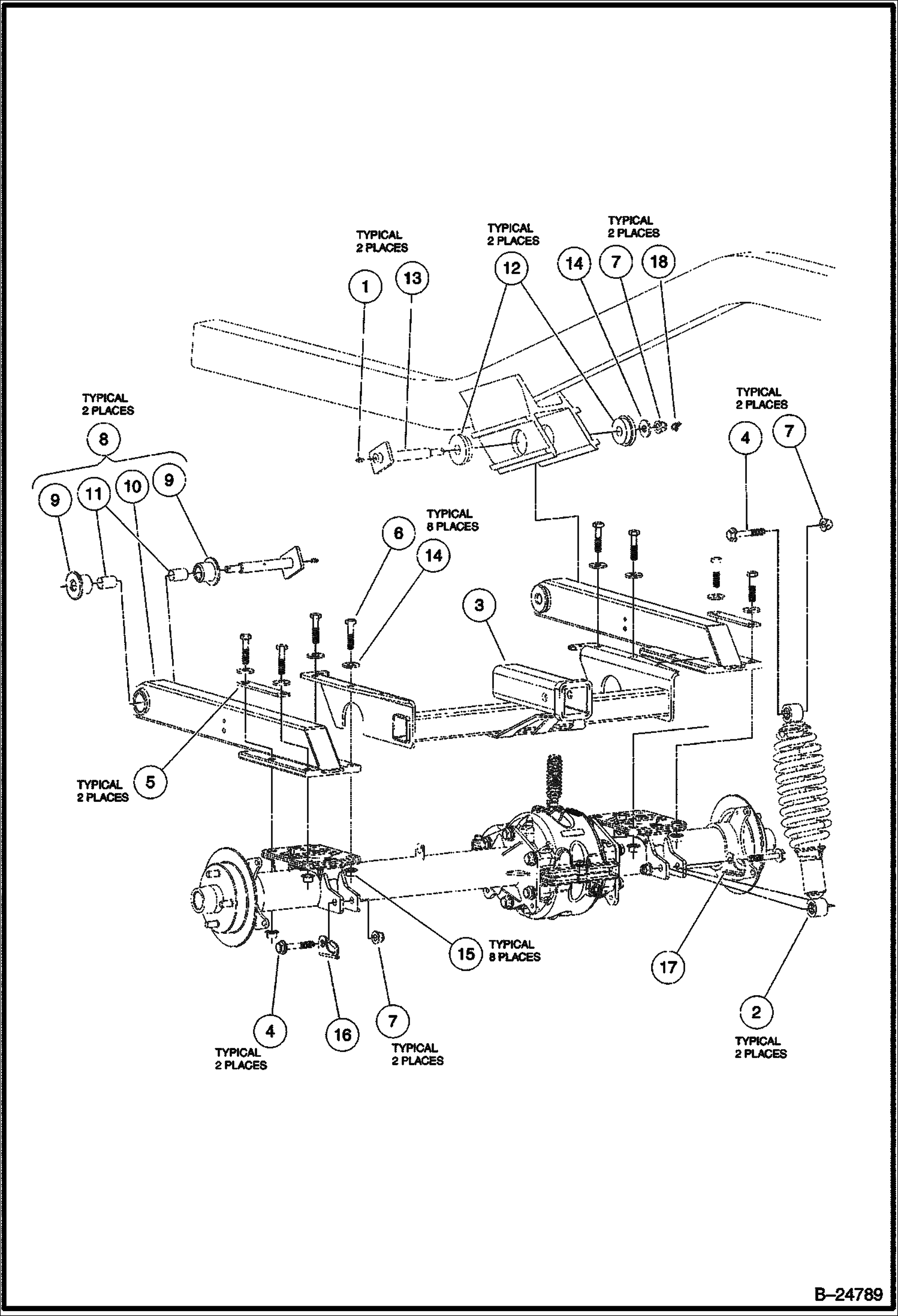
ЗАДНЯЯ ПОДВЕСКА С ФУНКЦИЕЙ ВЫСОКОЙ ГРУЗОПОДЪЕМНОСТИ

ЗАДНЯЯ ПОДВЕСКА С ФУНКЦИЕЙ ВЫСОКОЙ ГРУЗОПОДЪЕМНОСТИ

1Артикул: 1015597CC, FITTING, 1/4-28 THRD FRM GREAS
2Артикул: 102365602CC, SHOCK COIL OVER REAR HD
3Артикул: 102393501CC, RECEIVER REAR
Подробнее >
ТРУБКИ ТОРМОЗНОЙ ГИДРАВЛИЧЕСКОЙ СИСТЕМЫ И ЗАЖИМЫ

ТРУБКИ ТОРМОЗНОЙ ГИДРАВЛИЧЕСКОЙ СИСТЕМЫ И ЗАЖИМЫ

1Артикул: 101887601CC, NUT
2Артикул: 102296140CC, BOLT
3Артикул: 102296716CC, SCREW
Подробнее >
PARK ПЕДАЛЬ ТОРМОЗА В СБОРЕ (С СИСТЕМОЙ ШКИВА)

PARK ПЕДАЛЬ ТОРМОЗА В СБОРЕ (С СИСТЕМОЙ ШКИВА)

1Артикул: 102758701CC, KIT handle
2Артикул: PEDAL, PEDAL ASSM. NLA - Order 102892401CC - Was 102438101CC - A
3Артикул: 102618301CC, BOLT
Подробнее >
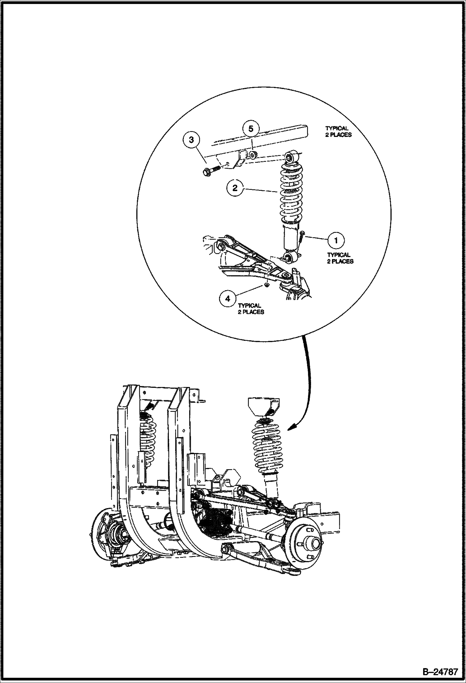
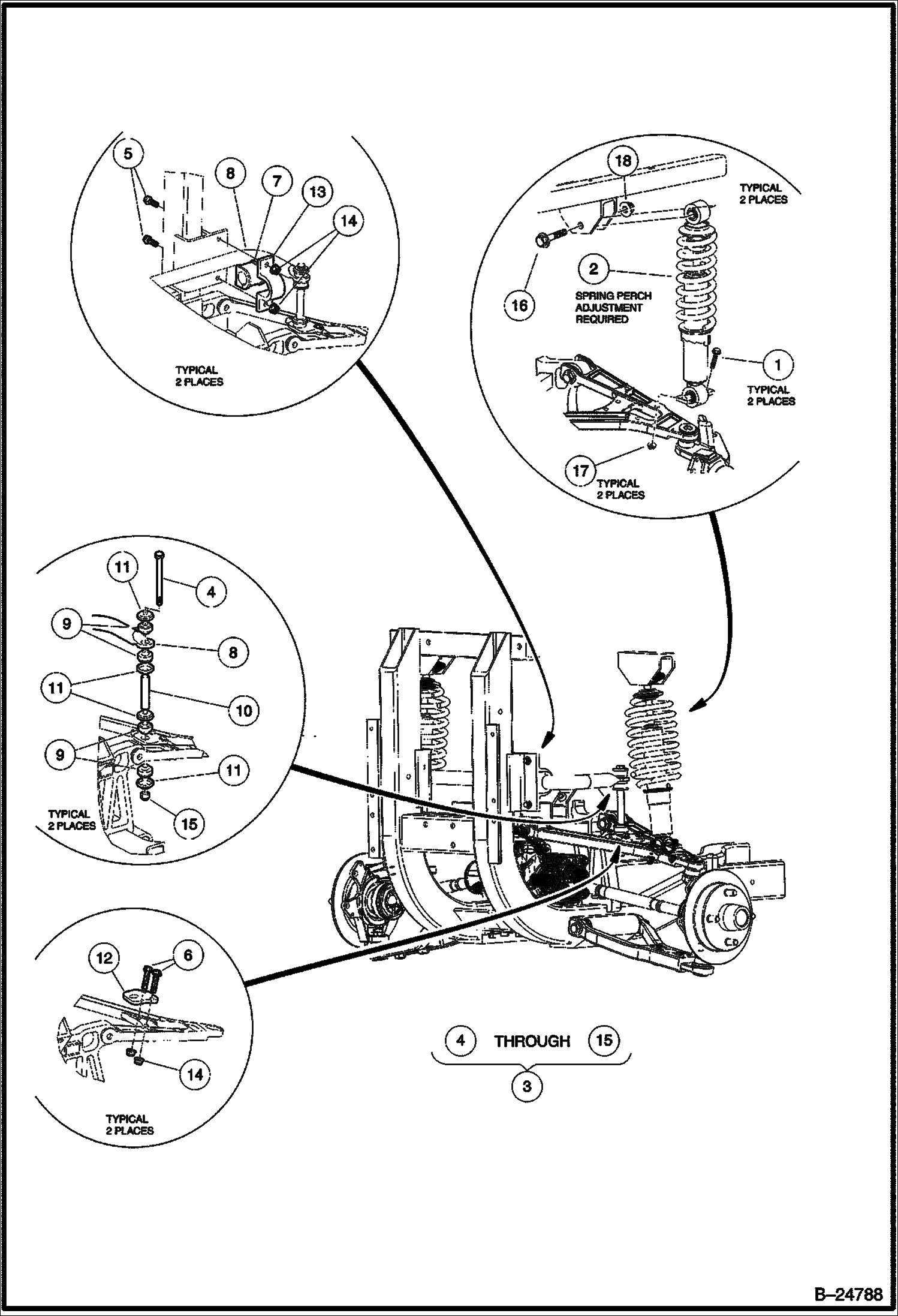
ПЕРЕДНЯЯ ПОДВЕСКА С ФУНКЦИЕЙ ВЫСОКОЙ ГРУЗОПОДЪЕМНОСТИ

ПЕРЕДНЯЯ ПОДВЕСКА С ФУНКЦИЕЙ ВЫСОКОЙ ГРУЗОПОДЪЕМНОСТИ

1Артикул: 102298240CC, BOLT
2Артикул: 102394002CC, FRONT COIL OVER SHOCK Was 102394001CC - A
3Артикул: 102468802CC, KIT ANTI-SWAY BAR NLA - Was 102468802CC - A
Подробнее >
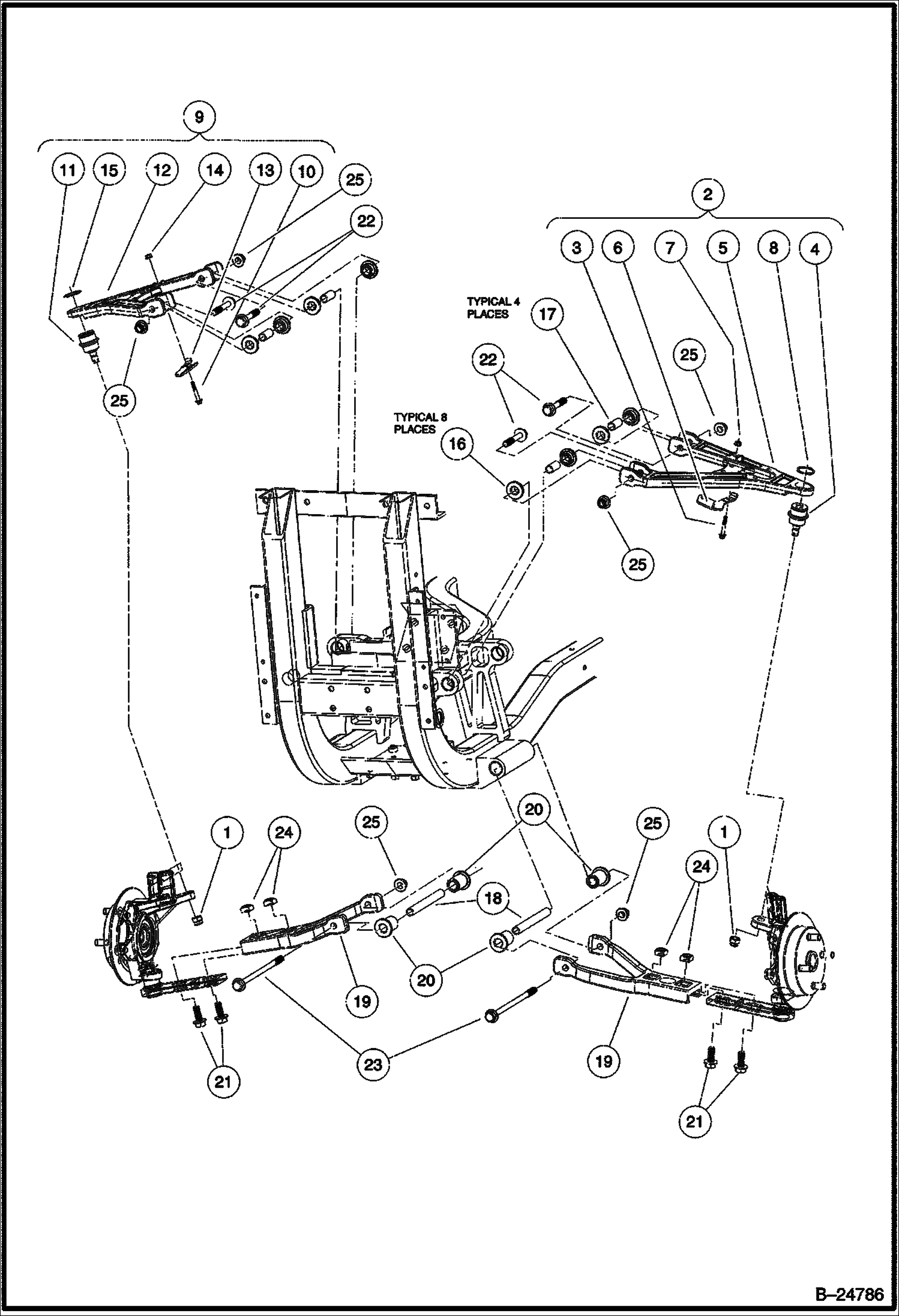
А-ОБРАЗНЫЙ РЫЧАГ ПЕРЕДНЕЙ ПОДВЕСКИ

А-ОБРАЗНЫЙ РЫЧАГ ПЕРЕДНЕЙ ПОДВЕСКИ

1Артикул: 102022901CC, NUT
2Артикул: 102368501CC, A-ARM SUB ASSY LH
3Артикул: 102296140CC, BOLT
Подробнее >
ПЕРЕДНИЙ ТОРМОЗ В СБОРЕ

ПЕРЕДНИЙ ТОРМОЗ В СБОРЕ

1Артикул: 102367601CC, BRAKE CALIPER FRONT See BTI403
2Артикул: 102488001CC, BOLT
3Артикул: 102491601CC, WASHER
Подробнее >
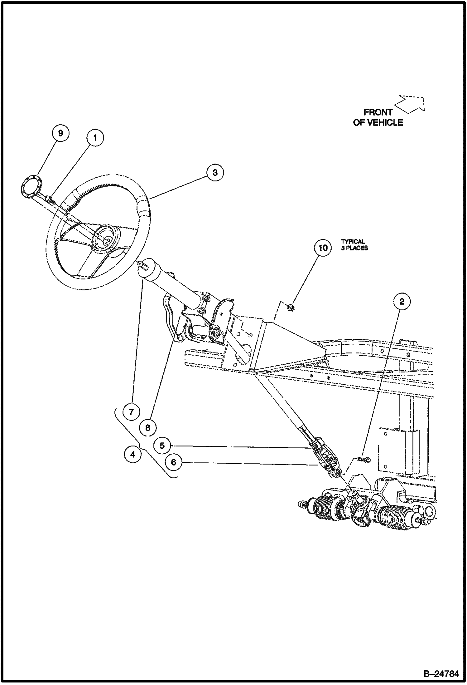
РУЛЕВАЯ КОЛОНКА

РУЛЕВАЯ КОЛОНКА

1Артикул: 102290120CC, BOLT
2Артикул: 102298130CC, BOLT
3Артикул: STEERING, STEERING WHEEL NLA - Order 7254416, 7254418, 7254419, and 7254417 (2) - Was 102363802CC - A
Подробнее >
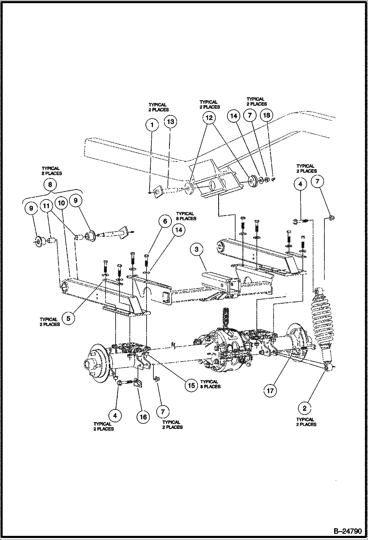
ЗАДНЯЯ ПОДВЕСКА СТАНДАРТНАЯ

ЗАДНЯЯ ПОДВЕСКА СТАНДАРТНАЯ

1Артикул: 1015597CC, FITTING, 1/4-28 THRD FRM GREAS
2Артикул: 102365601CC, SHOCK COIL OVER REAR
3Артикул: 102393501CC, RECEIVER REAR
Подробнее >
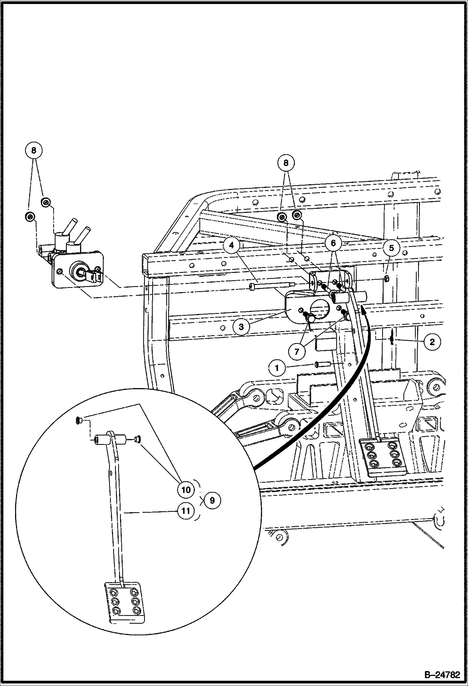
СИСТЕМА СТОЯНОЧНОГО ТОРМОЗА

СИСТЕМА СТОЯНОЧНОГО ТОРМОЗА

1Артикул: 102770001CC, KIT, CABLE BRAKE PARK W/pulley system - 63-- long - W/Ref. 2-6
2Артикул: 102770301CC, BRAKE CABLE KIT W/bellcrank system - 46-- long - W/Ref. 2-4 & 7
3Артикул: 1010521CC, NUT
Подробнее >
ЦИЛИНДР МАЧТЫ

ЦИЛИНДР МАЧТЫ

1Артикул: 101082903CC, PIN, CLEVIS
2Артикул: 1014306CC, WASHER
3Артикул: 101887601CC, NUT
Подробнее >
РУЛЕВОЙ МЕХАНИЗМ В СБОРЕ

РУЛЕВОЙ МЕХАНИЗМ В СБОРЕ

1Артикул: 1013042CC, NUT
2Артикул: 102010102CC, STEERING RACK W/Ref. 3-18
3Артикул: 1013035CC, SEAL
Подробнее >
ЗАДНИЙ ТОРМОЗ В СБОРЕ

ЗАДНИЙ ТОРМОЗ В СБОРЕ

1Артикул: 102399201CC, CALIPER BRAKE LH See BTI403
2Артикул: 103712802CC, CALIPER BRAKE RH See BTI403 Was 102399202CC - A
3Артикул: 102488001CC, BOLT
Подробнее >
СТАНДАРТНАЯ ПЕРЕДНЯЯ ПОДВЕСКА

СТАНДАРТНАЯ ПЕРЕДНЯЯ ПОДВЕСКА

1Артикул: 102298240CC, BOLT
2Артикул: 102394002CC, FRONT COIL OVER SHOCK Was 102394001CC - A
3Артикул: 102616301CC, BOLT
Подробнее >
CТОЯНОЧНЫЙ ТОРМОЗ В СБОРЕ

CТОЯНОЧНЫЙ ТОРМОЗ В СБОРЕ

1Артикул: 1010521CC, NUT
2Артикул: 1011779CC, E-CLIP, 1/2
3Артикул: 1012438CC, NUT
Подробнее >
ПЕДАЛЬ СТОЯНОЧНОГО ТОРМОЗА (C CИСТЕМОЙ КОЛЕНЧАТОГО РЫЧАГА)

ПЕДАЛЬ СТОЯНОЧНОГО ТОРМОЗА (C CИСТЕМОЙ КОЛЕНЧАТОГО РЫЧАГА)

1Артикул: 102758701CC, KIT
2Артикул: PEDAL,, PEDAL, PARK BRAKE NLA - Order 102892401CC pedal asm - Was 102438101CC - A
3Артикул: 102892401CC, PEDAL ASM. W/Ref. 4 & 5
Подробнее >
ПЕДАЛЬ ТОРМОЗА В СБОРЕ

ПЕДАЛЬ ТОРМОЗА В СБОРЕ

1Артикул: 101082903CC, PIN, CLEVIS
2Артикул: 102176901CC, PIN
3Артикул: 102380601CC, BRACKET
Подробнее >