ШАССИ в Алматы
ТРУБКИ ТОРМОЗНОЙ ГИДРАВЛИЧЕСКОЙ СИСТЕМЫ
1Артикул: 101887601CC, NUT
2Артикул: 102296140CC, BOLT
3Артикул: 102296716CC, SCREW
РУЛЕВАЯ КОЛОНКА
1Артикул: STEERING, STEERING SYSTEM NLA - W/Ref. 2-11, order components
2Артикул: 102290120CC, BOLT
3Артикул: 102298130CC, BOLT
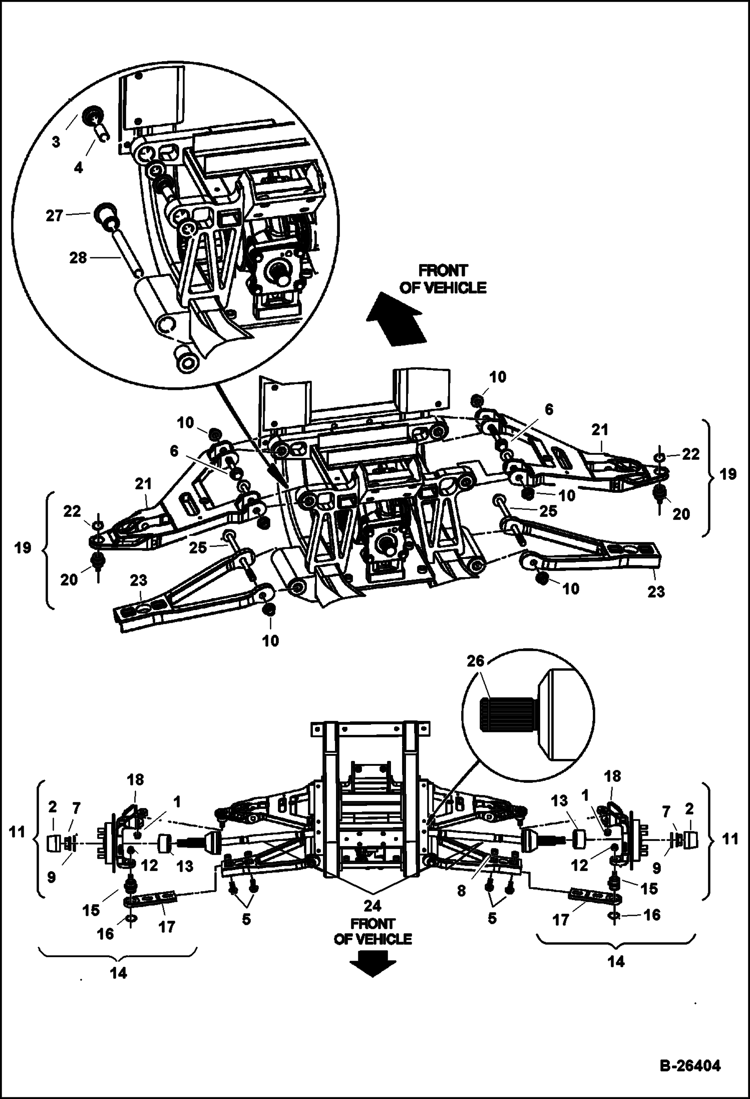
А-ОБРАЗНЫЙ РЫЧАГ ПЕРЕДНЕЙ ПОДВЕСКИ
1Артикул: 102022901CC, NUT
2Артикул: 102274101CC, CAP
3Артикул: 102408401CC, BUSHING
ЦИЛИНДР МАЧТЫ (ВНЕШНИЙ РЕЗЕРВУАР)
1Артикул: 101082903CC, PIN, CLEVIS 5/16X1
2Артикул: 1014306CC, WASHER
3Артикул: 102176901CC, PIN
ПЕДАЛЬ ТОРМОЗА В СБОРЕ
1Артикул: 101082903CC, PIN, CLEVIS
2Артикул: 102176901CC, PIN
3Артикул: 102380601CC, BRACKET
СИСТЕМА СТОЯНОЧНОГО ТОРМОЗА
1Артикул: PARK, PARK BRAKE SYSTEM NLA - W/Ref. 2-14, order components
2Артикул: 1010521CC, NUT 5/16-24, hex
3Артикул: 1011779CC, E-CLIP, 1/2
ПЕРЕДНИЙ ТОРМОЗ В СБОРЕ
1Артикул: 102367601CC, BRAKE CALIPER FRONT See BTI403
2Артикул: 102488001CC, BOLT
3Артикул: 102491601CC, WASHER
РУЛЕВОЙ МЕХАНИЗМ В СБОРЕ
1Артикул: 1013042CC, NUT
2Артикул: 102010102CC, STEERING RACK W/Ref. 3-18
3Артикул: 1013035CC, SEAL
ЗАДНЯЯ ПОДВЕСКА СТАНДАРТНАЯ
1Артикул: REAR, REAR SUSPENSION NLA - W/Ref. 2-16 order components
2Артикул: 1015597CC, FITTING, 1/4-28 THRD FRM GREAS
3Артикул: 102274101CC, CAP
ЗАДНИЙ ТОРМОЗ В СБОРЕ
1Артикул: 102399201CC, CALIPER BRAKE LH See BTI403
2Артикул: 103712802CC, CALIPER BRAKE RH See BTI403 Was 102399202CC - A
3Артикул: 102488001CC, BOLT
ЗАЩИТНЫЕ ЧЕХЛЫ РЕГУЛИРУЮЩИХ КЛАПАНОВ И КОМПЛЕКТЫ
1Артикул: AM11807CC, OUTER BOOT if outer boot is being replaced also replace inner boot
2Артикул: AM11808CC, INNER BOOT if inner boot is being replaced also replace outer boot
3Артикул: AM1241201CC, OUTER BOOT KIT if outer boot is being replaced also replace inner boot
АМОРТИЗАТОРЫ
1Артикул: 102365601CC, SHOCK COIL OVER REAR rear - standard capacity
2Артикул: 102365602CC, SHOCK COIL OVER REAR HD rear - high capacity
3Артикул: 102616301CC, BOLT m12x1.75x70, flg
ЦИЛИНДР МАЧТЫ (ВСТРОЕННЫЙ БАК)
1Артикул: 101082903CC, PIN, CLEVIS
2Артикул: 102176901CC, PIN
3Артикул: 102298401CC, NUT
ПЕДАЛЬ СТОЯНОЧНОГО ТОРМОЗА
1Артикул: 102618301CC, BOLT m8x1.25x65
2Артикул: 102618601CC, NUT lock, flg, M8x1.25
3Артикул: BRACKET, BRACKET ASM NLA - W/Ref. 4-12 - Order components - Was 102751501CC - A