+7 (701) 588 50 05 Телефон для связи
RU

WhatsApp

Позвонить

СИЛОВОЙ АГРЕГАТ в Алматы

ТРУБОПРОВОД ЗАДНЕГО АУТРИГЕРА - ИНДИЯ

ТРУБОПРОВОД ЗАДНЕГО АУТРИГЕРА - ИНДИЯ

1Артикул: 420212-06191, PIPING,REAR OUTRIGGER
2Артикул: DS20121044, HOSE ASSY,HYDRAULIC
3Артикул: DS20121045, HOSE ASSY,HYDRAULIC
Подробнее >
КОНТАКТНОЕ КОЛЬЦО

КОНТАКТНОЕ КОЛЬЦО

1Артикул: 111103-00009, RING ASSY,SLIP
2Артикул: 111103-00003, RING,SLIP;(6PIN)
3Артикул: 111103-00003A, RING,SLIP
Подробнее >
ПЕРЕДНИЙ ТРУБОПРОВОД БУЛЬДОЗЕРА

ПЕРЕДНИЙ ТРУБОПРОВОД БУЛЬДОЗЕРА

1Артикул: 420212-06189, PIPING,BLADE
2Артикул: DS2023619, HOSE ASSY,HYDRAULIC
3Артикул: DS2023624, HOSE ASSY,HYDRAULIC
Подробнее >
РАМКА ШАССИ

РАМКА ШАССИ

1Артикул: 160611-00077C, FRAME,CHASSIS;F/D-R/O
2Артикул: 160611-00072C, . FRAME,CHASSIS
3Артикул: 160609-02044B, . FRAME;DOZER
Подробнее >
2160 BRAKE PIPING

2160 BRAKE PIPING

1Артикул: 420212-04844, PIPING,BRAKE
2Артикул: 110508-08078, COVER;FRONT(L.H)
3Артикул: 110508-24242A, COVER
Подробнее >
2210 FRONT DOZER & REAR OUTRI. PIPING(INDE)

2210 FRONT DOZER & REAR OUTRI. PIPING(INDE)

1Артикул: 420212-04845, PIPING,UNDERCARRIAGE;F/DZ&R/OR
2Артикул: 410135-00060A, VALVE,SOLENOID;1-SOL
3Артикул: 410135-00062A, VALVE,SOLENOID;2-SOL
Подробнее >
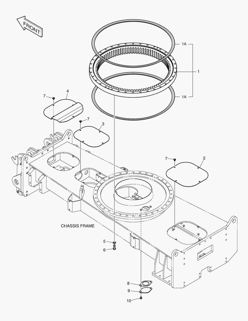
КОМПОНЕНТЫ ШАССИ(1)

КОМПОНЕНТЫ ШАССИ(1)

1Артикул: 160611-00135, COMPONENTS ASSY,CHASSIS
2Артикул: 140109-00021A, BEARING,SWING
3Артикул: 401107-00751, . SEAL,SWING BEARING
Подробнее >
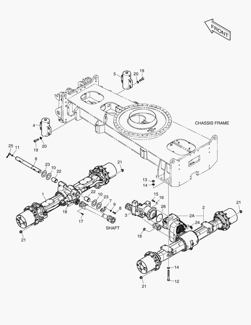
СИЛОВОЙ АГРЕГАТ - ОСЬ

СИЛОВОЙ АГРЕГАТ - ОСЬ

1Артикул: 130809-00032, POWERTRAIN ASSY
2Артикул: 190102-00010, AXLE,FRONT
3Артикул: 190102-00119, AXLE ASSY,FRONT
Подробнее >
ШИНА - 16 PR

ШИНА - 16 PR

1Артикул: 900141-00237, WHEEL ASSY;10.00(16PR)
2Артикул: K1013022A, WHEEL ASS`Y
3Артикул: 900138-00614, TIRE & RIM ASSY
Подробнее >
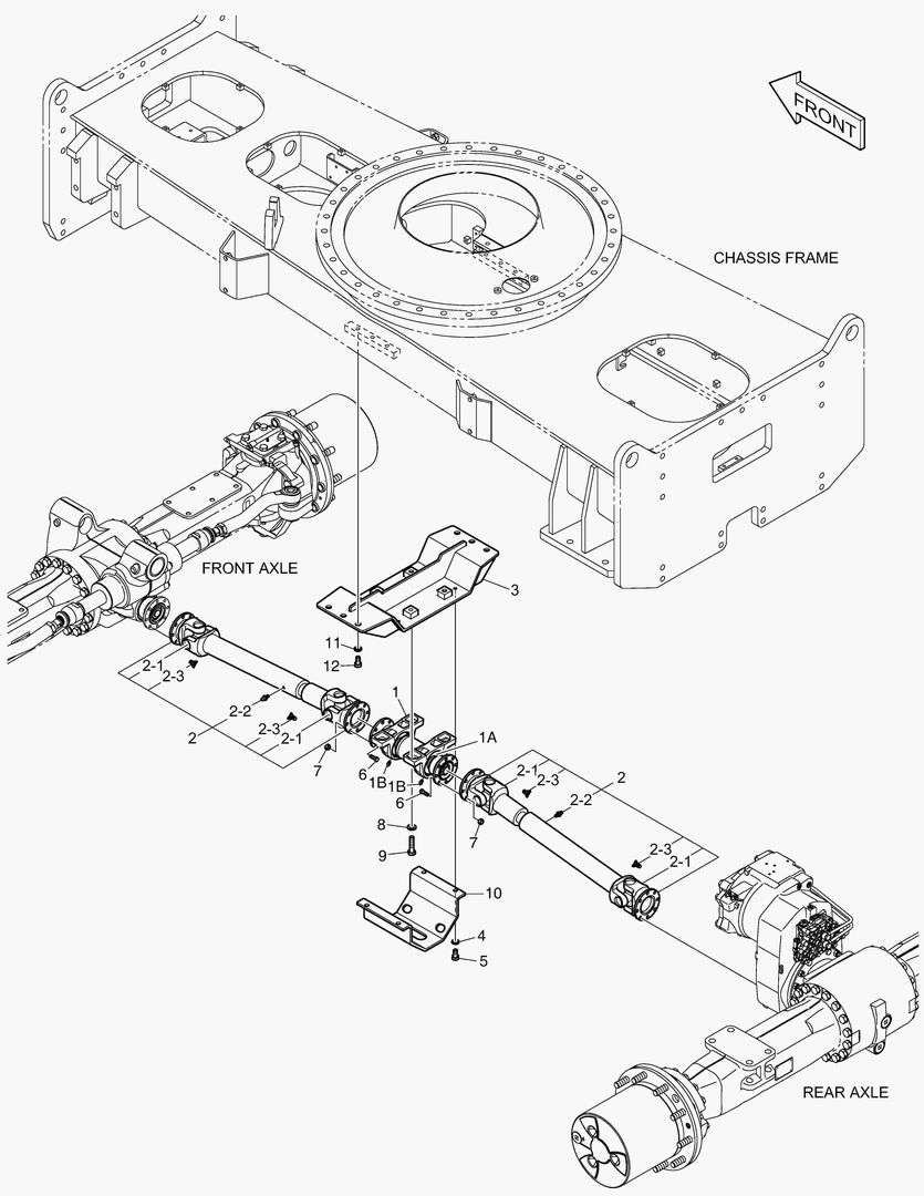
СИЛОВОЙ АГРЕГАТ - ВАЛ

СИЛОВОЙ АГРЕГАТ - ВАЛ

1Артикул: 130716-00035, SHAFT ASSY,PROPELLER
2Артикул: K1040074A, SHAFT;PROPELLER(CENTER)
3Артикул: 130716-00044, SHAFT,PROPELLER
Подробнее >
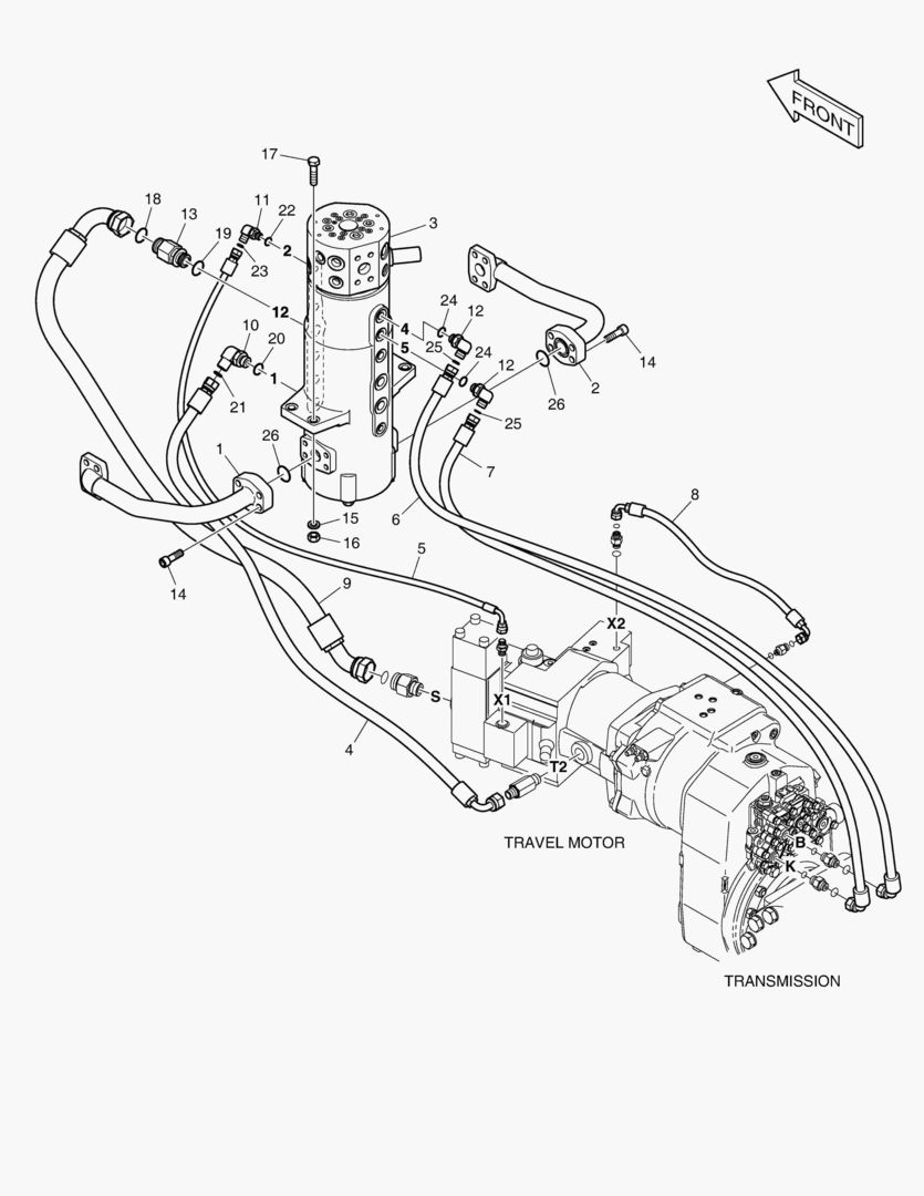
СИСТЕМА ТРУБОПРОВОДА КАРДАННОГО ВАЛА - ПОВОРОТНОЕ СОЕДИНЕНИЕ

СИСТЕМА ТРУБОПРОВОДА КАРДАННОГО ВАЛА - ПОВОРОТНОЕ СОЕДИНЕНИЕ

1Артикул: 420212-04842, PIPING,UNDERCARRIAGE
2Артикул: 420207-00998, PIPE;TRAVEL
3Артикул: 420207-00998A, PIPE,TRAVEL
Подробнее >
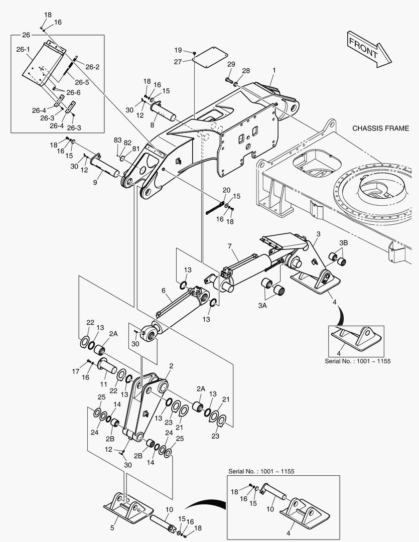
ЗАДНИЙ АУТРИГЕР - ИНДИЯ

ЗАДНИЙ АУТРИГЕР - ИНДИЯ

1Артикул: 101554-00015B, OUTRIGGER ASSY;REAR
2Артикул: 101554-00015C, OUTRIGGER ASSY;REAR
3Артикул: 101554-00015E, OUTRIGGER ASSY;REAR
Подробнее >
КОМПОНЕНТЫ ШАССИ(2)

КОМПОНЕНТЫ ШАССИ(2)

1Артикул: 160611-00136, COMPONENTS,CHASSIS
2Артикул: 110955-00166, STEP ASSY;R.H(NON BOX)
3Артикул: 110955-00167, STEP ASSY(L.H)
Подробнее >
СИСТЕМА ТРУБОПРОВОДА КАРДАННОГО ВАЛА

СИСТЕМА ТРУБОПРОВОДА КАРДАННОГО ВАЛА

1Артикул: 420212-04840, PIPING,UNDERCARRIAGE
2Артикул: K1002092, PLATE
3Артикул: DS2039261, HOSE ASSY,HYDRAULIC
Подробнее >
ПЕРЕДНИЙ БУЛЬДОЗЕР

ПЕРЕДНИЙ БУЛЬДОЗЕР

1Артикул: 230102-00047A, BLADE ASSY,DOZER
2Артикул: 230102-00047B, BLADE ASSY,DOZER
3Артикул: 230102-00047C, BLADE ASSY,DOZER
Подробнее >
2170 STEER & CHOCKING PIPING

2170 STEER & CHOCKING PIPING

1Артикул: 420212-04843, PIPING,STEER & CHOCK
2Артикул: K1012849B, PIPE
3Артикул: 420207-02390, PIPE,CHOCKING;LH
Подробнее >