+7 (701) 588 50 05 Телефон для связи
RU

WhatsApp

Позвонить

Продажа: СИСТЕМА ПОДАЧИ СМАЗОЧНОГО МАСЛА в Алматы и Астане Цены официального дилера с доставкой по всему Казахстану

Официальный дилер Все запчасти в наличии Лизинг / Рассрочка Сервис и гарантия
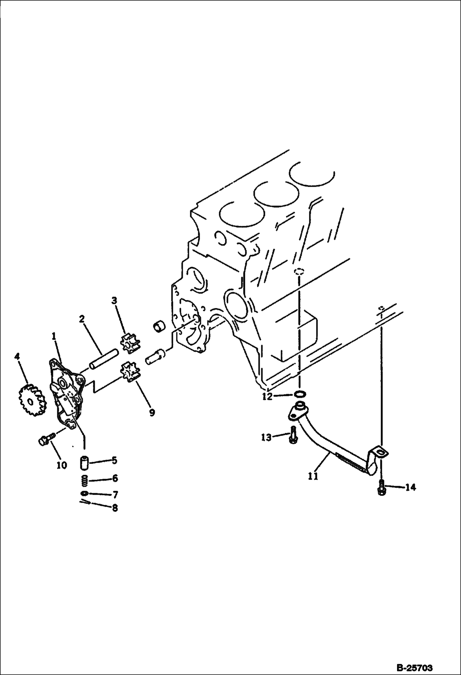
Спецтехника НАСОС ДЛЯ СМАЗОЧНОГО МАСЛА И ВСАСЫВАЮЩАЯ ТРУБА от Globus Machinery

НАСОС ДЛЯ СМАЗОЧНОГО МАСЛА И ВСАСЫВАЮЩАЯ ТРУБА

1Артикул: 6640136, ...
2Артикул: 6640137, ...
3Артикул: 6640138, ...
Подробнее >
Спецтехника ФИЛЬТР СМАЗОЧНОГО МАСЛА от Globus Machinery

ФИЛЬТР СМАЗОЧНОГО МАСЛА

1Артикул: 6640009, ...
2Артикул: 6639918, ...
3Артикул: PLATE, PL...
Подробнее >