+7 (701) 588 50 05 Телефон для связи
RU

WhatsApp

Позвонить

СМЕННЫЙ ДВИГАТЕЛЬ в Алматы

РЕГУЛЯТОР СКОРОСТИ И СТОПОРНАЯ РУКОЯТКА

РЕГУЛЯТОР СКОРОСТИ И СТОПОРНАЯ РУКОЯТКА

1Артикул: 6670424, IDLE ASSY Ref. 2-7
2Артикул: 6670425, SCREW W/Ref. 3
3Артикул: SPRING, SPRING NSS - Order Ref. 1 or 2
Подробнее >
КОМПЛЕКТ ДЕТАЛЕЙ ВЕРХНЕГО УПЛОТНИТЕЛЬНОГО КОЛЬЦА TIER IV

КОМПЛЕКТ ДЕТАЛЕЙ ВЕРХНЕГО УПЛОТНИТЕЛЬНОГО КОЛЬЦА TIER IV

1Артикул: KIT,, KIT, GASKET UPPER W/Ref. 2-12
2Артикул: 6688065, GASKET See Illustration ROCKER ARM & VALVES/ B25124 - valve cover
3Артикул: 6683009, O-RING See Illustration ROCKER ARM & VALVES/ B25124 - oil fill plug
Подробнее >
СТАРТЕР TIER IV (ДИЗЕЛЬ)

СТАРТЕР TIER IV (ДИЗЕЛЬ)

1Артикул: 7277358, ASSY, STARTER sealed
2Артикул: 6652792, NUT
3Артикул: 6657416, BOLT
Подробнее >
ДВИГАТЕЛЬ И КОМПЛЕКТ ПРОКЛАДОК TIER IV

ДВИГАТЕЛЬ И КОМПЛЕКТ ПРОКЛАДОК TIER IV

1Артикул: 7277023, ENG, KUBOTA D722 T4
2Артикул: KIT,, KIT, GASKET UPPER See Illustration ENGINE & GASKET KITS/ NA6214A
3Артикул: KIT,, KIT, GASKET LOWER See Illustration LOWER GASKET KIT/ B16470
Подробнее >
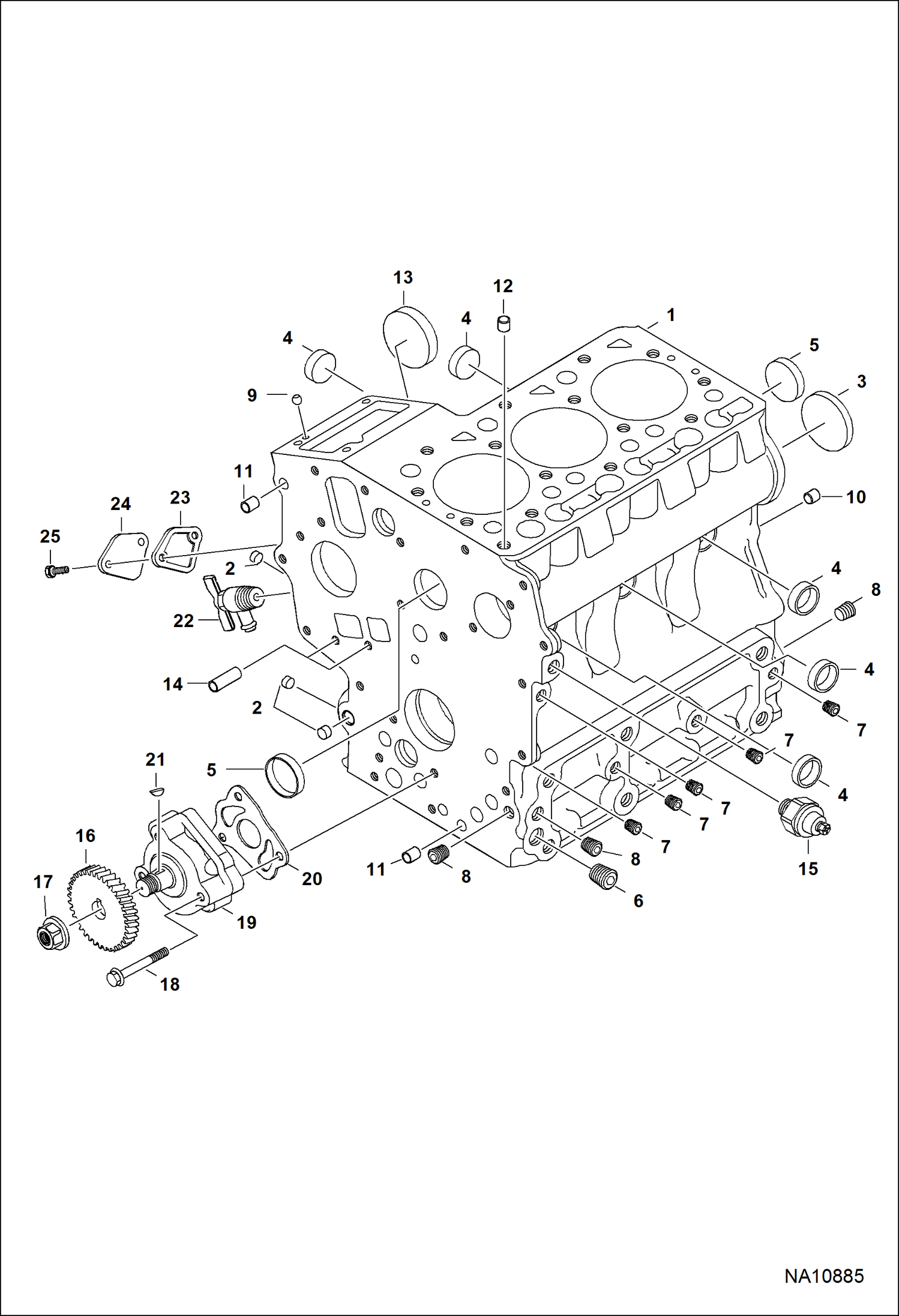
КРИВОШИПНАЯ КОРОБКА TIER IV

КРИВОШИПНАЯ КОРОБКА TIER IV

1Артикул: 7000379, BLOCK ENGINE W/Ref. 2-14
2Артикул: 6670337, PLUG
3Артикул: 6652573, PLUG
Подробнее >
ГЕНЕРАТОР ПЕРЕМЕННОГО ТОКА TIER IV

ГЕНЕРАТОР ПЕРЕМЕННОГО ТОКА TIER IV

1Артикул: 102601101CC, V-BELT W/ 40 amp alternator
2Артикул: 102934901CC, BELT W/ 60 amp alternator - diesel
3Артикул: 1012338CC, BELT W/ 50 amp. alt. - Was 101233801CC - A
Подробнее >
КРЫШКА ГОЛОВКИ TIER IV

КРЫШКА ГОЛОВКИ TIER IV

1Артикул: 7020995, O-RING
2Артикул: 102644101CC, PLUG OIL FILLER
3Артикул: 102798401CC, HEAD COVER W/Ref. 4-10
Подробнее >
РЕГУЛЯТОР ОБОРОТОВ

РЕГУЛЯТОР ОБОРОТОВ

1Артикул: 6698154, LEVER, GOVERNOR governor
2Артикул: 7022744, LEVER, FORK ASSY W/Ref. 3-6, 8-12 & 14
3Артикул: PLUG, PLUG NSS
Подробнее >
КОМПЛЕКТ НИЖНИХ ПРОКЛАДОК TIER IV

КОМПЛЕКТ НИЖНИХ ПРОКЛАДОК TIER IV

1Артикул: 6672740, LOWER GASKET KIT
2Артикул: 6680284, O-RING See Illustration OIL PAN/ NA6171A oil pick-up tube
3Артикул: 6698146, GASKET, GEAR CASE See Illustration GEARCASE/ NA10884
Подробнее >
ТОПЛИВНЫЙ РАСПРЕДЕЛИТЕЛЬНЫЙ ВАЛ

ТОПЛИВНЫЙ РАСПРЕДЕЛИТЕЛЬНЫЙ ВАЛ

1Артикул: 6670416, CAMSHAFT, FUEL assy - W/Ref. 2, 4-7, 9, 12 & 13
2Артикул: 6670417, CAMSHAFT, FUEL camshaft only
3Артикул: 6670418, GEAR
Подробнее >