+7 (701) 588 50 05 Телефон для связи
RU

WhatsApp

Позвонить

СМЕННЫЙ ДВИГАТЕЛЬ в Алматы

ПЛЕЧО КОРОМЫСЛА КЛАПАНА (KUBOTA - V2003-T-2EB - TIER II)

ПЛЕЧО КОРОМЫСЛА КЛАПАНА (KUBOTA - V2003-T-2EB - TIER II)

1Артикул: 6655173, VALVE inlet
2Артикул: 6655174, VALVE exhaust
3Артикул: 3974514, SPRING 5 valve
Подробнее >
МАСЛЯНЫЙ РАДИАТОР (KUBOTA - V2003-T-2EB - TIER II)

МАСЛЯНЫЙ РАДИАТОР (KUBOTA - V2003-T-2EB - TIER II)

1Артикул: OIL, OIL COOLER NLA - W/Ref. 2 - Was 6685641 - A
2Артикул: 6698244, ORING Was 6657422 - B,D
3Артикул: 6678945, HOSE
Подробнее >
ВОДЯНОЙ ФЛАНЕЦ И ТЕРМОСТАТ (KUBOTA - V2003-T-2EB - TIER II)

ВОДЯНОЙ ФЛАНЕЦ И ТЕРМОСТАТ (KUBOTA - V2003-T-2EB - TIER II)

1Артикул: 6655880, PIPE water return
2Артикул: 6686988, PIPE water return
3Артикул: 3974679, BAND pipe
Подробнее >
ДВИГАТЕЛЬ И КОМПЛЕКТ ПРОКЛАДОК (KUBOTA - V2003-T-2EB - TIER II)

ДВИГАТЕЛЬ И КОМПЛЕКТ ПРОКЛАДОК (KUBOTA - V2003-T-2EB - TIER II)

1Артикул: 6685982, ENGINE, V2003-T-E2B-BOBCAT-1 See BTI388ldr - does not include starter, alternator, flywheel, & flywheel housing
2Артикул: 6685982REM, ENGINE, KUBOTA V2003T E2B TIER 2 See BTI388ldr - does not include starter, alternator, flywheel & flywheel housing - must have Tier 2 engine for exchange
3Артикул: KIT,, KIT, UPPER GASKET NLA - Order individual gaskets - Was 6689014 - D
Подробнее >
РЕГУЛЯТОРА ОБОРОТОВ (KUBOTA - V2003-T-2EB - TIER II)

РЕГУЛЯТОРА ОБОРОТОВ (KUBOTA - V2003-T-2EB - TIER II)

1Артикул: 6598174, LEVER governor
2Артикул: 6655227, SPRING
3Артикул: 6675672, LEVER fork - W/Ref. 4-7
Подробнее >
ВОДЯНАЯ ПОМПА (KUBOTA - V2003-T-2EB - TIER II)

ВОДЯНАЯ ПОМПА (KUBOTA - V2003-T-2EB - TIER II)

1Артикул: WATER, WATER PUMP See BTIE-085 Ref. 2-6 - Was 6681879 - A
2Артикул: BODY, BODY NLA
3Артикул: 3974991, BEARING
Подробнее >
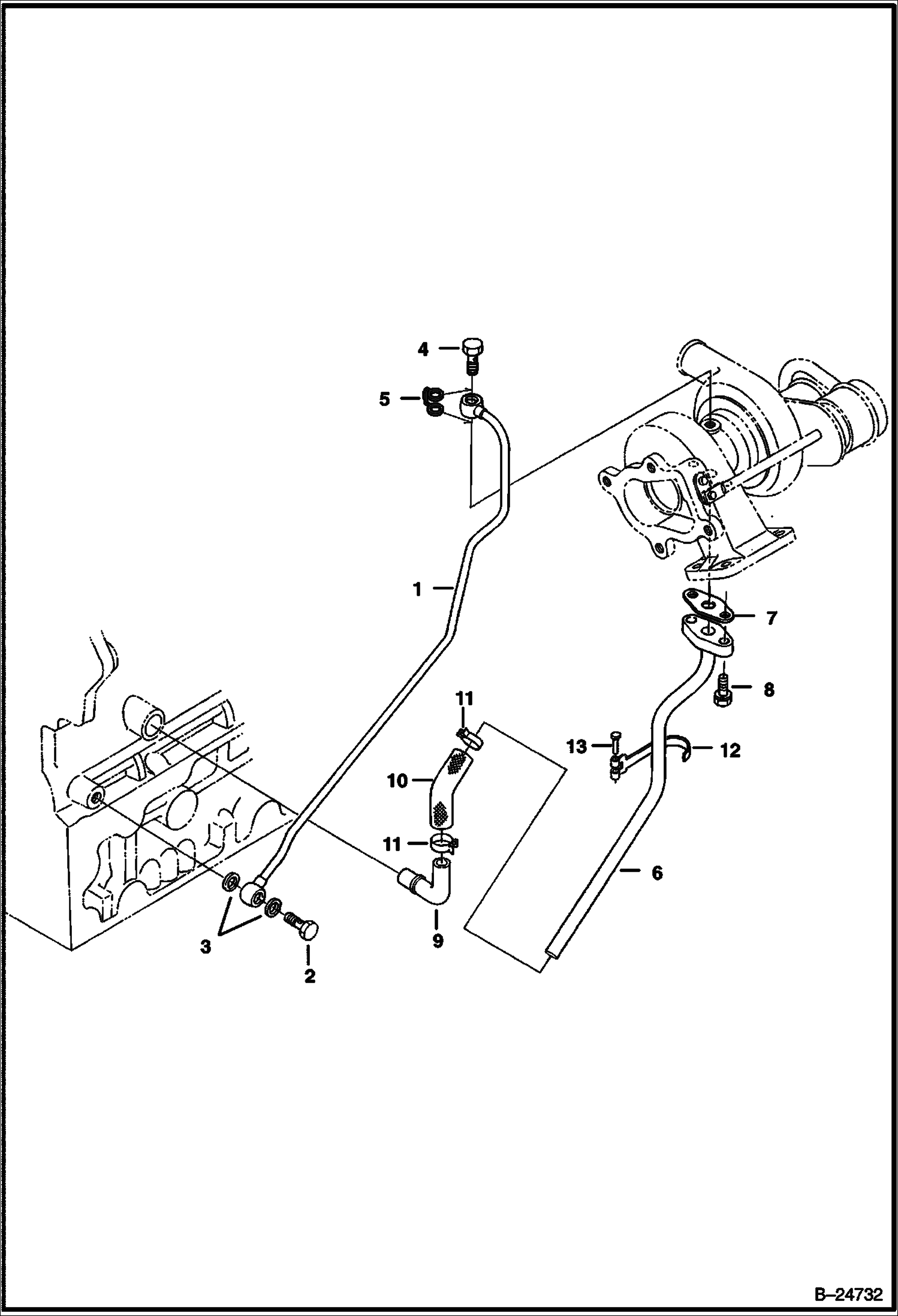
МАСЛЯНАЯ ТРУБКА (KUBOTA - V2003-T-2EB - TIER II) (ТУРБОНАГНЕТАТЕЛЬ )

МАСЛЯНАЯ ТРУБКА (KUBOTA - V2003-T-2EB - TIER II) (ТУРБОНАГНЕТАТЕЛЬ )

1Артикул: 6675677, PIPE
2Артикул: 7022765, BOLT, EYE Was 7022765 - A
3Артикул: 3974095, GASKET, METAL
Подробнее >
ТАБЛИЧКА РЕГУЛЯТОРА СКОРОСТИ (KUBOTA - V2003-T-2EB - TIER II)

ТАБЛИЧКА РЕГУЛЯТОРА СКОРОСТИ (KUBOTA - V2003-T-2EB - TIER II)

1Артикул: 6686985, BOLT, ADJUSTING adjusting
2Артикул: 3974971, NUT
3Артикул: 3974972, GASKET
Подробнее >
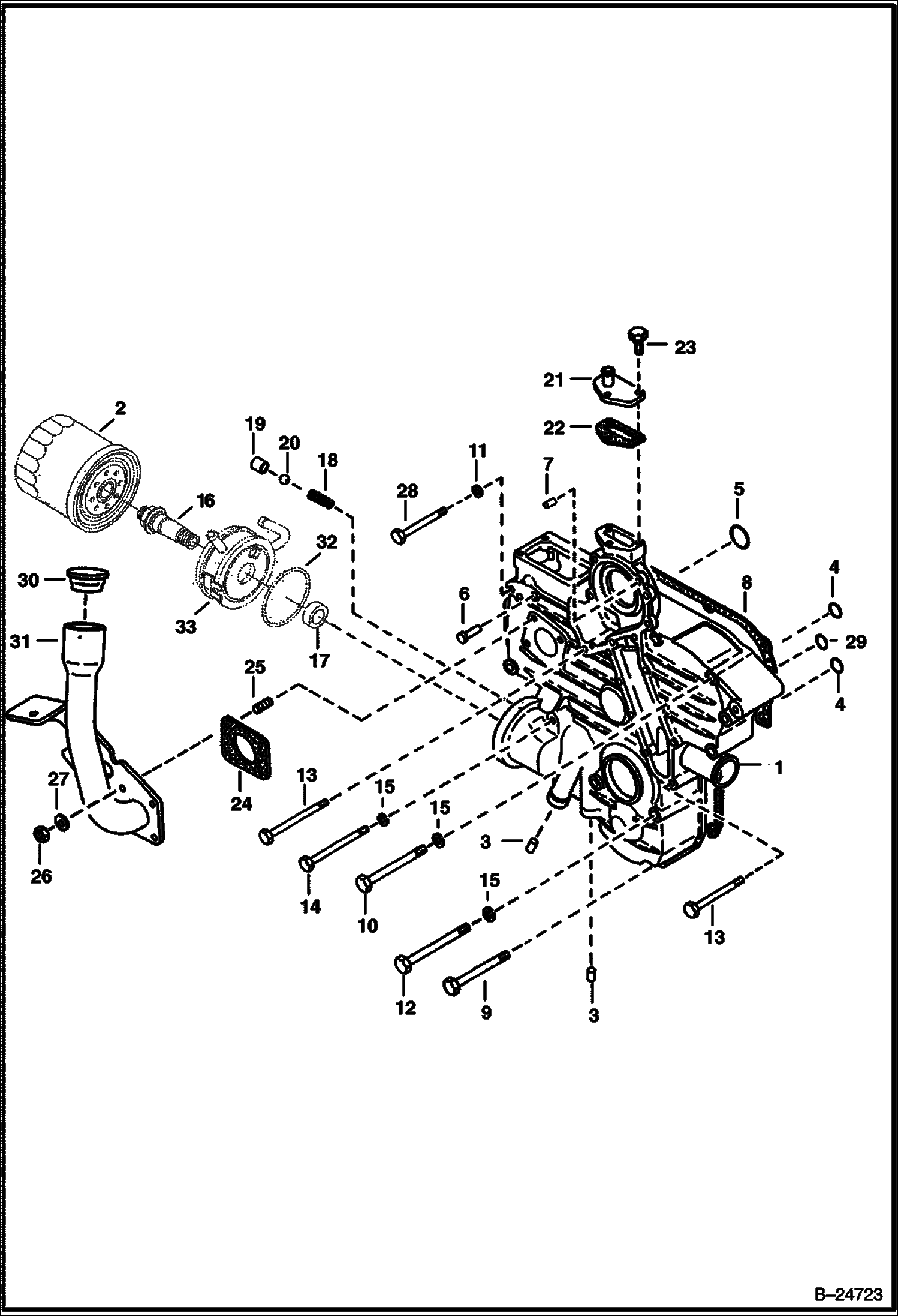
КРИВОШИПНАЯ КОРОБКА (KUBOTA - V2003-T-2EB - TIER II)

КРИВОШИПНАЯ КОРОБКА (KUBOTA - V2003-T-2EB - TIER II)

1Артикул: 6686993, CRANKCASE assy. - W/Ref. 2 - 15
2Артикул: 6678946, ADAPTER
3Артикул: 6652574, PLUG
Подробнее >
ГОЛОВКА ЦИЛИНДРА (KUBOTA - V2003-T-2EB - TIER II)

ГОЛОВКА ЦИЛИНДРА (KUBOTA - V2003-T-2EB - TIER II)

1Артикул: 6655155, SEAT inlet valve
2Артикул: 6655160, PLUG
3Артикул: 6667421, BOLT
Подробнее >
РАСПРЕДЕЛИТЕЛЬНЫЙ ВАЛ (KUBOTA - V2003-T-2EB - TIER II)

РАСПРЕДЕЛИТЕЛЬНЫЙ ВАЛ (KUBOTA - V2003-T-2EB - TIER II)

1Артикул: 7015269, TAPPET Was 6667428 - A
2Артикул: 6655176, PUSHROD
3Артикул: 6675645, CAMSHAFT assy. - Ref. 4-8
Подробнее >
ТОПЛИВНЫЙ РАСПРЕДЕЛИТЕЛЬНЫЙ ВАЛ (KUBOTA - V2003-T-2EB - TIER II)

ТОПЛИВНЫЙ РАСПРЕДЕЛИТЕЛЬНЫЙ ВАЛ (KUBOTA - V2003-T-2EB - TIER II)

1Артикул: 6655211, CAMSHAFT assy. - Ref. 2-14
2Артикул: CAMSHAFT, CAMSHAFT NLA - fuel - Order Ref. 1 - Was 6655875 - A
3Артикул: 851242, BEARING
Подробнее >
СОПЛО ФОРСУНКИ (KUBOTA - V2003-T-2EB - TIER II)

СОПЛО ФОРСУНКИ (KUBOTA - V2003-T-2EB - TIER II)

1Артикул: 6682521, PIPE
2Артикул: 6974656, TUBE ASSY, OVERFLOW fuel over flow - Was 6681931 - A
3Артикул: 6654718, CLAMP pipe - Was 6680795 - A
Подробнее >
ПОРШЕНЬ И КОЛЕНЧАТЫЙ ВАЛ (KUBOTA - V2003-T-2EB - TIER II)

ПОРШЕНЬ И КОЛЕНЧАТЫЙ ВАЛ (KUBOTA - V2003-T-2EB - TIER II)

1Артикул: PISTON, PISTON Std. - Order 6689939 piston & (2) 6686997 cir-clip - Was 6675638 - A
2Артикул: PISTON, PISTON NLA - (0,5 mm - .0197) - Was 6676057 - A
3Артикул: 6675655, RING, PISTON piston - Std.
Подробнее >
ПОДДОН КАРТЕРА (KUBOTA - V2003-T-2EB - TIER II)

ПОДДОН КАРТЕРА (KUBOTA - V2003-T-2EB - TIER II)

1Артикул: 6655151, PAN, OIL
2Артикул: 6655151, PAN, OIL Was 7022790 - D
3Артикул: 6666817, GASKET oil pan - Was 6684753 - A
Подробнее >
РЫЧАГ ОСТАНОВА ДВИГАТЕЛЯ (KUBOTA - V2003-T-2EB - TIER II)

РЫЧАГ ОСТАНОВА ДВИГАТЕЛЯ (KUBOTA - V2003-T-2EB - TIER II)

1Артикул: 3974975, IDLER assy., idle - Ref. 2-6
2Артикул: 6653906, BOLT ASSY. adjusting
3Артикул: 3974425, NUT adjusting
Подробнее >
ТОПЛИВНАЯ СИСТЕМА И НАСОС ВПРЫСКА (KUBOTA - V2003-T-2EB - TIER II)

ТОПЛИВНАЯ СИСТЕМА И НАСОС ВПРЫСКА (KUBOTA - V2003-T-2EB - TIER II)

1Артикул: PUMP, PUMP NLA - injection - Order 7019022 pump, 7019023 bolt, 6513707 joint & (2) 7019024 gaskets - Was 6675656 - A
2Артикул: 3974626, SHIM 0.20mm - Was 6682514 - A
3Артикул: 6682515, SHIM 0,25 mm - injection pump
Подробнее >
ТУРБОНАГНЕТАТЕЛЬ (KUBOTA - V2003-T-2EB - TIER II)

ТУРБОНАГНЕТАТЕЛЬ (KUBOTA - V2003-T-2EB - TIER II)

1Артикул: 6675676, TURBO W/Ref. 13
2Артикул: 6675676REM, TURBOCHARGER
3Артикул: 6675636, GASKET
Подробнее >
G КАРТЕР КОРОБКИ ПЕРЕДАЧ (KUBOTA - V2003-T-2EB - TIER II)

G КАРТЕР КОРОБКИ ПЕРЕДАЧ (KUBOTA - V2003-T-2EB - TIER II)

1Артикул: CASE, CASE ASSY. NLA - W/Ref. 3-7 & 29 - Order 6688640 & Ref. 4-7 & 29 - Was 6674164 - A
2Артикул: 6688640, HOUSING GEAR W/Ref. 3
3Артикул: 6675517, FILTER, OIL ENG 12
Подробнее >
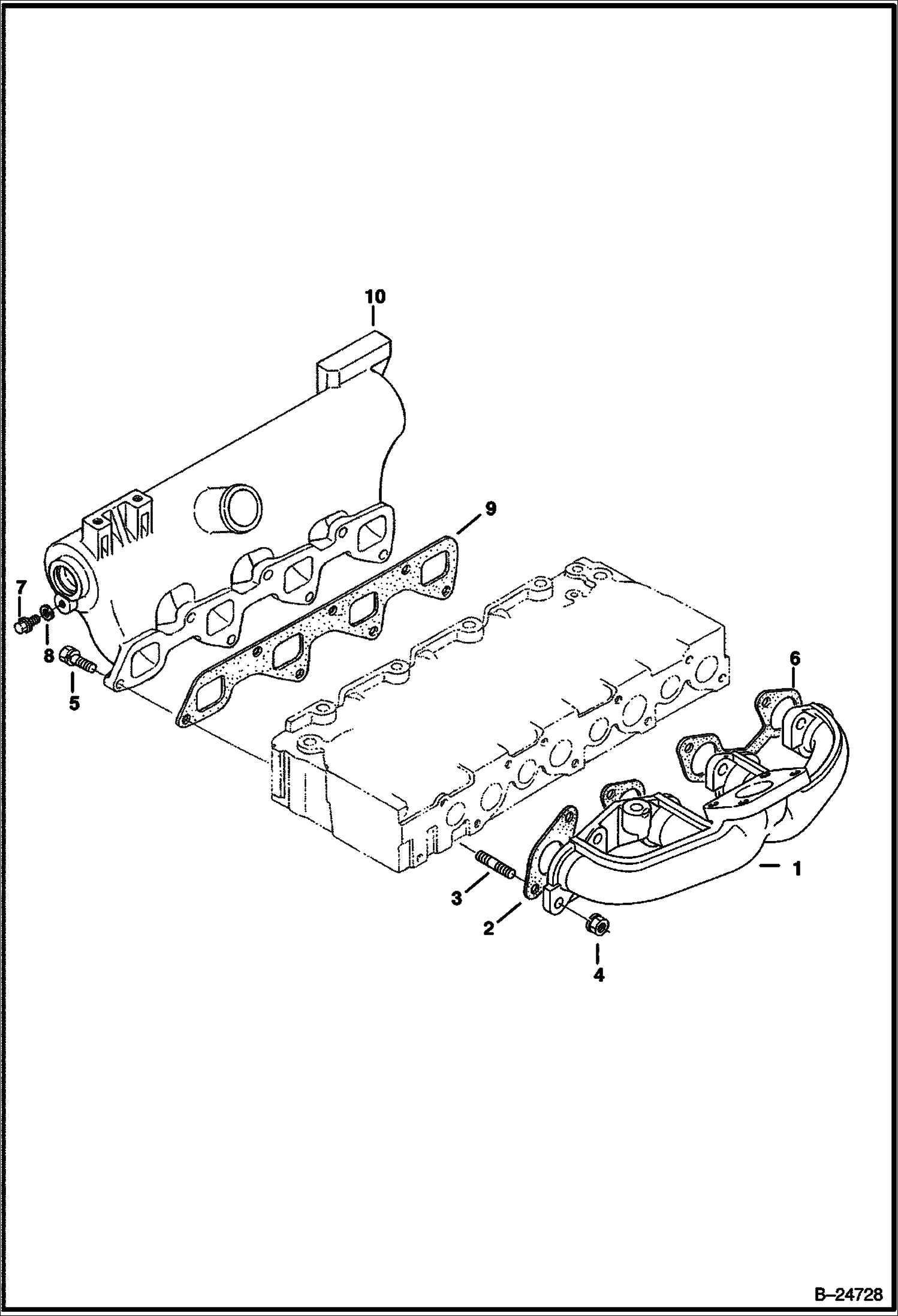
КОЛЛЕКТОРЫ (KUBOTA - V2003-T-2EB - TIER II)

КОЛЛЕКТОРЫ (KUBOTA - V2003-T-2EB - TIER II)

1Артикул: 6675674, MANIFOLD exhaust - Was 6687093 - A
2Артикул: 6666781, GASKET Was 6685878 - B,D
3Артикул: 6652670, STUD
Подробнее >