+7 (701) 588 50 05 Телефон для связи
RU

WhatsApp

Позвонить

СМЕННЫЙ ДВИГАТЕЛЬ в Алматы

КОЛЛЕКТОРЫ (KUBOTA - D1703-E2B - TIER II)

КОЛЛЕКТОРЫ (KUBOTA - D1703-E2B - TIER II)

1Артикул: 6685874, MANIFOLD inlet
2Артикул: 6685875, PIPE
3Артикул: 6685876, GASKET
Подробнее >
КРЫШКА ГОЛОВКИ (KUBOTA - D1703-E2B - TIER II)

КРЫШКА ГОЛОВКИ (KUBOTA - D1703-E2B - TIER II)

1Артикул: 6685859, COVER, HEAD CYL ENG assy - W/Ref. 2-7
2Артикул: SHIELD, SHIELD NLA - breather - Order Ref. 1 - Was 6685860
3Артикул: 6655880, PIPE
Подробнее >
ПОДДОН КАРТЕРА (KUBOTA - D1703-E2B - TIER II)

ПОДДОН КАРТЕРА (KUBOTA - D1703-E2B - TIER II)

1Артикул: 7025616, PAN, OIL Was 6679124
2Артикул: 7025616, PAN, OIL
3Артикул: 6666786, GASKET Was 6685856 - A
Подробнее >
ДВИГАТЕЛЬ И КОМПЛЕКТ ДЕТАЛЕЙ ВЕРХНЕГО УПЛОТНИТЕЛЬНОГО КОЛЬЦА (KUBOTA - D1703-E2B - TIER II)

ДВИГАТЕЛЬ И КОМПЛЕКТ ДЕТАЛЕЙ ВЕРХНЕГО УПЛОТНИТЕЛЬНОГО КОЛЬЦА (KUBOTA - D1703-E2B - TIER II)

1Артикул: ENGINE,, ENGINE, D1703-E2B-BOBCAT-1 See Illustration ENGINE ASSEMBLY/ NA2341A
2Артикул: 6689011, KIT, GASKET ENG UPPER Ref. 3-11
3Артикул: 6685861, GASKET See Illustration HEAD COVER/ B22881 - valve cover
Подробнее >
НАСОС ВПРЫСКА (KUBOTA - D1703-E2B - TIER II)

НАСОС ВПРЫСКА (KUBOTA - D1703-E2B - TIER II)

1Артикул: 6674675, PUMP INJ assy - W/Ref. 9 & 10 - Was 6674765 - D
2Артикул: 6698633, SHIM, PUMP INJ 0,175 mm
3Артикул: 6667444, SHIM 0,20 mm
Подробнее >
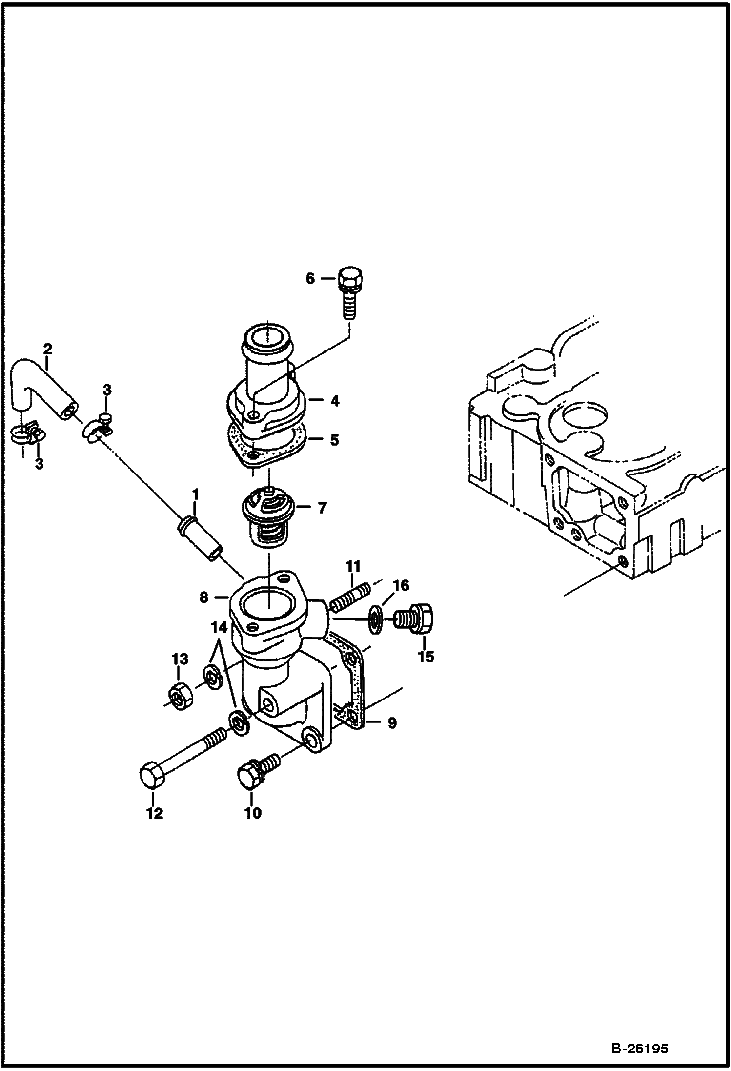
ВОДЯНОЙ ФЛАНЕЦ И ТЕРМОСТАТ (KUBOTA - D1703-E2B - TIER II)

ВОДЯНОЙ ФЛАНЕЦ И ТЕРМОСТАТ (KUBOTA - D1703-E2B - TIER II)

1Артикул: 6655880, PIPE Water return
2Артикул: 3966512, O RING Water return - Was 6686986 - A
3Артикул: 3974679, BAND Pipe
Подробнее >
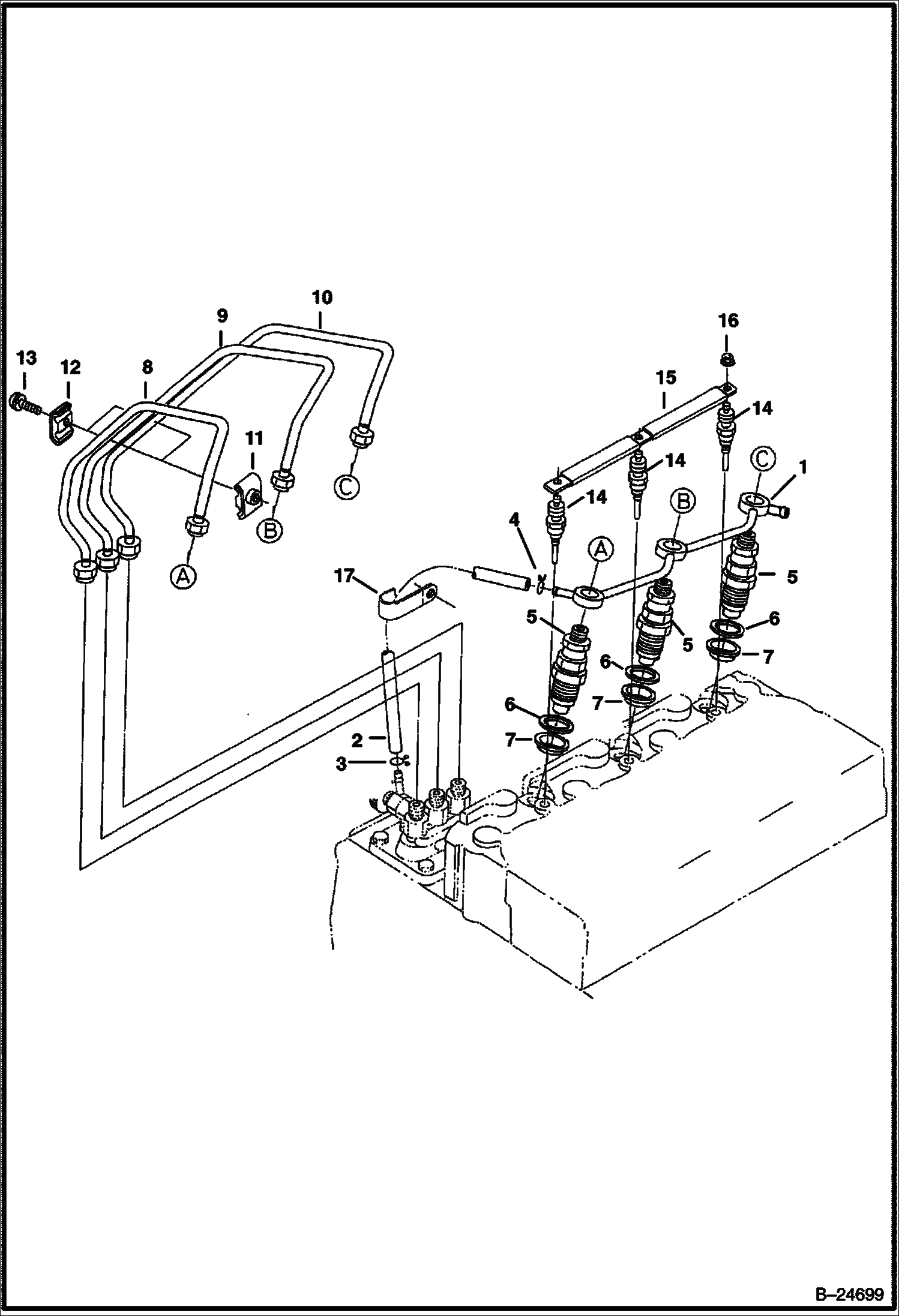
ДЕРЖАТЕЛЬ ФОРСУНКИ И ЗАПАЛЬНАЯ СВЕЧА (KUBOTA - D1703-E2B - TIER II)

ДЕРЖАТЕЛЬ ФОРСУНКИ И ЗАПАЛЬНАЯ СВЕЧА (KUBOTA - D1703-E2B - TIER II)

1Артикул: 6667463, PIPE overflow
2Артикул: 6974656, TUBE ASSY, OVERFLOW over flow - W/Ref. 3 & 4 - Was 6681931 - A
3Артикул: 6654718, CLAMP pipe - Was 6680795 - A
Подробнее >
КОМПЛЕКТ НИЖНИХ ПРОКЛАДОК (KUBOTA - D1703-E2B - TIER II)

КОМПЛЕКТ НИЖНИХ ПРОКЛАДОК (KUBOTA - D1703-E2B - TIER II)

1Артикул: 6668930, GASKET KIT lower
2Артикул: 6666786, GASKET See Illustration OIL PAN/ B22878 oil pan
3Артикул: 3966516, RING,O See Illustration OIL PAN/ B22878 oil pick-up
Подробнее >
ТАБЛИЧКА РЕГУЛЯТОРА СКОРОСТИ (KUBOTA - D1703-E2B - TIER II)

ТАБЛИЧКА РЕГУЛЯТОРА СКОРОСТИ (KUBOTA - D1703-E2B - TIER II)

1Артикул: 6686985, BOLT, ADJUSTING Adjusting
2Артикул: 3974971, NUT
3Артикул: 3974972, GASKET
Подробнее >
ДВИГАТЕЛЬ В СБОРЕ (KUBOTA - D1703-E2B - TIER II)

ДВИГАТЕЛЬ В СБОРЕ (KUBOTA - D1703-E2B - TIER II)

1Артикул: 6685979, ENGINE, D1703-E2B-BOBCAT-1 See BTI388ldr
2Артикул: 6685979REM, ENGINE, KUBOTA D 1703 TIER 2 See BTI388ldr
3Артикул: 6689011, KIT, GASKET ENG UPPER See Illustration ENGINE & UPPER GASKET KIT/ B27214
Подробнее >
КЛАПАН И КОРОМЫСЛО КЛАПАНА (KUBOTA - D1703-E2B - TIER II)

КЛАПАН И КОРОМЫСЛО КЛАПАНА (KUBOTA - D1703-E2B - TIER II)

1Артикул: 7020947, VALVE, INLET Was 6698634 - A
2Артикул: 7020948, VALVE, EXHAUST Was 6698635 - A
3Артикул: 3974514, SPRING 5
Подробнее >
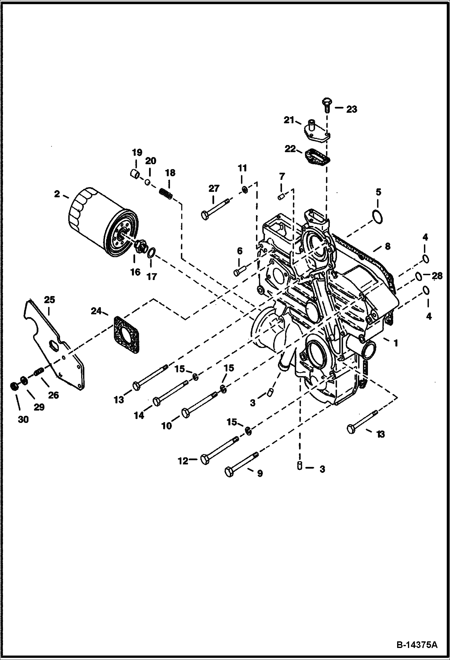
G КАРТЕР КОРОБКИ ПЕРЕДАЧ (KUBOTA - D1703-E2B - TIER II)

G КАРТЕР КОРОБКИ ПЕРЕДАЧ (KUBOTA - D1703-E2B - TIER II)

1Артикул: CASE, CASE ASSY. NLA - W/Ref. 3-7 & 28 - Order 6688640 & Ref. 4-7 & 28 - Was 6655479 - A
2Артикул: 6688640, HOUSING GEAR W/Ref. 3
3Артикул: 6675517, FILTER, OIL ENG 12 Was 3974896B - A
Подробнее >
РАСПРЕДЕЛИТЕЛЬНЫЙ ВАЛ (KUBOTA - D1703-E2B - TIER II)

РАСПРЕДЕЛИТЕЛЬНЫЙ ВАЛ (KUBOTA - D1703-E2B - TIER II)

1Артикул: 7015269, TAPPET Was 6667428 - A
2Артикул: 6655176, PUSHROD
3Артикул: 6684796, SHAFT
Подробнее >
ПОРШЕНЬ И КОЛЕНЧАТЫЙ ВАЛ (KUBOTA - D1703-E2B - TIER II)

ПОРШЕНЬ И КОЛЕНЧАТЫЙ ВАЛ (KUBOTA - D1703-E2B - TIER II)

1Артикул: 6688379, PISTON std - (16423-2111) - Was 6667435 - D
2Артикул: 6688533, PISTON +.50 mm (16423-2112 OS50) - Was 6667436 - D
3Артикул: 6678075, RINGS Piston - Std.
Подробнее >
ДЕРЖАТЕЛЬ ФОРСУНКИ (KUBOTA - D1703-E2B - TIER II)

ДЕРЖАТЕЛЬ ФОРСУНКИ (KUBOTA - D1703-E2B - TIER II)

1Артикул: 6667453, HOLDER KIT Ref. 2-13
2Артикул: 6657460, NUT
3Артикул: 6657453, WASHER adjusting (0,900 mm)
Подробнее >
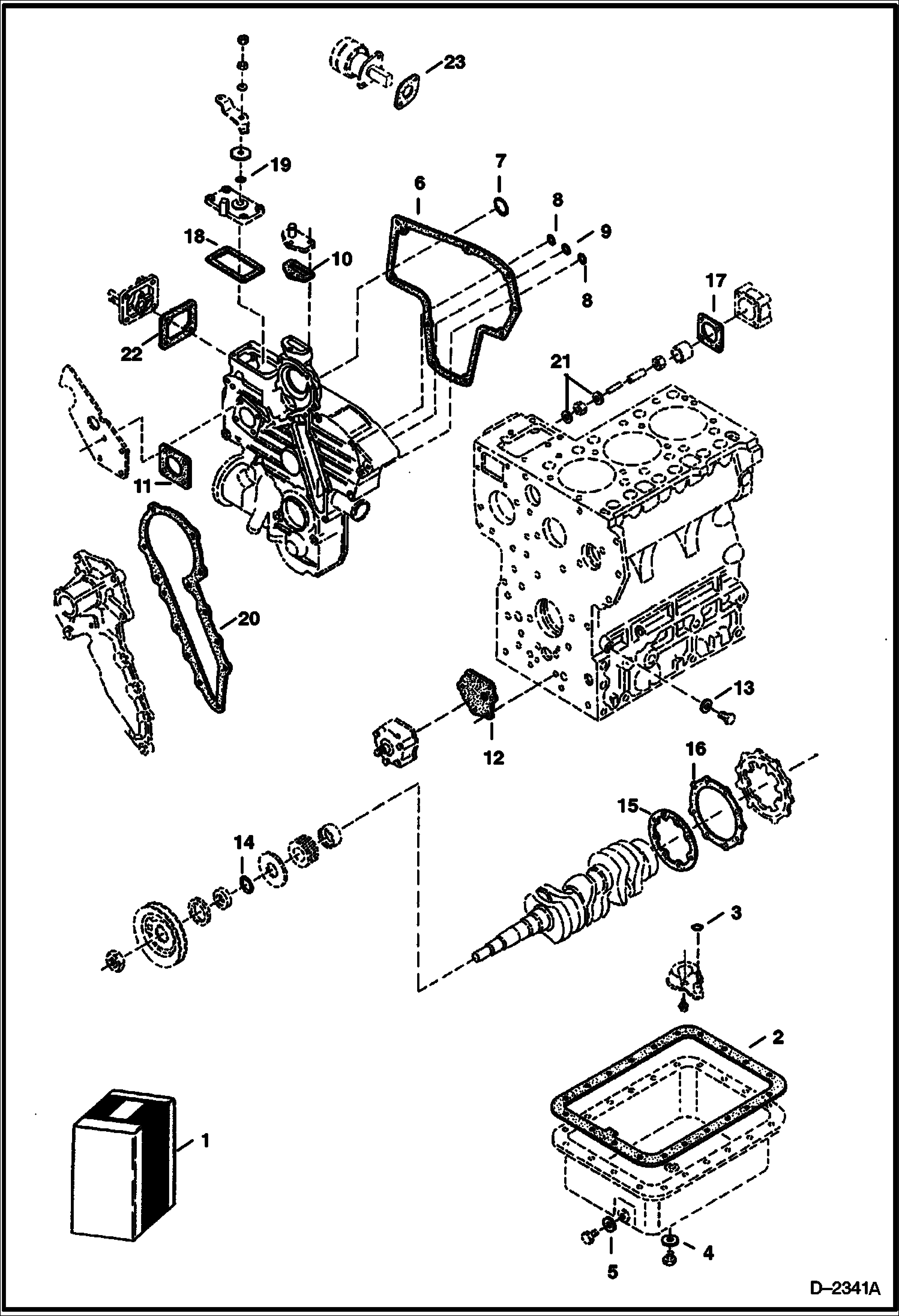
КРИВОШИПНАЯ КОРОБКА (KUBOTA - D1703-E2B - TIER II)

КРИВОШИПНАЯ КОРОБКА (KUBOTA - D1703-E2B - TIER II)

1Артикул: 7001490, BLOCK ENGINE W/Ref. 2 - 14 - Was 6667377 - B,D
2Артикул: 3974399, PLUG
3Артикул: 6598187, PLUG
Подробнее >
РЫЧАГ ОСТАНОВА ДВИГАТЕЛЯ (KUBOTA - D1703-E2B - TIER II)

РЫЧАГ ОСТАНОВА ДВИГАТЕЛЯ (KUBOTA - D1703-E2B - TIER II)

1Артикул: 3974975, IDLER Assy., idle - Ref. 2 - 6
2Артикул: 6653906, BOLT ASSY. Adjusting
3Артикул: 3974425, NUT Adjusting
Подробнее >
ГОЛОВКА ЦИЛИНДРА (KUBOTA - D1703-E2B - TIER II)

ГОЛОВКА ЦИЛИНДРА (KUBOTA - D1703-E2B - TIER II)

1Артикул: 3974882, HOOK engine
2Артикул: 6667424, GASKET
3Артикул: 6667421, BOLT
Подробнее >
ТОПЛИВНЫЙ РАСПРЕДЕЛИТЕЛЬНЫЙ ВАЛ (KUBOTA - D1703-E2B - TIER II)

ТОПЛИВНЫЙ РАСПРЕДЕЛИТЕЛЬНЫЙ ВАЛ (KUBOTA - D1703-E2B - TIER II)

1Артикул: 6692386, GASKET Was 6684813 - A
2Артикул: 6667467, CAMSHAFT Fuel
3Артикул: 851242, BEARING
Подробнее >
РЕГУЛЯТОРА ОБОРОТОВ (KUBOTA - D1703-E2B - TIER II)

РЕГУЛЯТОРА ОБОРОТОВ (KUBOTA - D1703-E2B - TIER II)

1Артикул: 6598174, LEVER Governor
2Артикул: 6655227, SPRING
3Артикул: 6667449, LEVER ASSY fork - W/Ref. 4 - 7
Подробнее >
ВОДЯНАЯ ПОМПА (KUBOTA - D1703-E2B - TIER II)

ВОДЯНАЯ ПОМПА (KUBOTA - D1703-E2B - TIER II)

1Артикул: 6686989, WATER PUMP Ref. 2 - 6
2Артикул: BODY, BODY NLA
3Артикул: 6685474, BEARING
Подробнее >