+7 (701) 588 50 05 Телефон для связи
RU

WhatsApp

Позвонить

СМЕННЫЙ ДВИГАТЕЛЬ в Алматы

ДВИГАТЕЛЬ И КРЕПЕЖНЫЕ ДЕТАЛИ (СИСТЕМА ОХЛАЖДЕНИЯ В СБОРЕ) (KUBOTA - D902-E3B-BC-1)(TIER IV REPLACEMENT)

ДВИГАТЕЛЬ И КРЕПЕЖНЫЕ ДЕТАЛИ (СИСТЕМА ОХЛАЖДЕНИЯ В СБОРЕ) (KUBOTA - D902-E3B-BC-1)(TIER IV REPLACEMENT)

1Артикул: 35C516, BOLT 10
2Артикул: 30H32, CLIP
3Артикул: 6735069, SHIELD cooler
Подробнее >
ДВИГАТЕЛЬ И КРЕПЕЖНЫЕ ДЕТАЛИ (КРЕПЛЕНИЕ ДВИГАТЕЛЯ) (KUBOTA - D902-E3B-BC-1)(TIER IV REPLACEMENT)

ДВИГАТЕЛЬ И КРЕПЕЖНЫЕ ДЕТАЛИ (КРЕПЛЕНИЕ ДВИГАТЕЛЯ) (KUBOTA - D902-E3B-BC-1)(TIER IV REPLACEMENT)

1Артикул: 7142032, WASHER
2Артикул: 7132696, BRACKET engine
3Артикул: 7142031, BOLT
Подробнее >
ВОДЯНАЯ ПОМПА (KUBOTA D902-E3B-BC-1)(TIER IV REPLACEMENT)

ВОДЯНАЯ ПОМПА (KUBOTA D902-E3B-BC-1)(TIER IV REPLACEMENT)

1Артикул: 6687713, PUMP, WATER Ref. 2-7
2Артикул: BODY, BODY NSS
3Артикул: BEARING, BEARING - A
Подробнее >
КРЫШКА КОРОМЫСЛА КЛАПАНА (KUBOTA D902-E3B-BC-1)(TIER IV REPLACEMENT)

КРЫШКА КОРОМЫСЛА КЛАПАНА (KUBOTA D902-E3B-BC-1)(TIER IV REPLACEMENT)

1Артикул: 6687718, TUBE
2Артикул: 7016853, TUBE, BREATHER
3Артикул: 6687664, CLAMP
Подробнее >
СОПЛО ФОРСУНКИ (KUBOTA D902-E3B-BC-1)(TIER IV REPLACEMENT)

СОПЛО ФОРСУНКИ (KUBOTA D902-E3B-BC-1)(TIER IV REPLACEMENT)

1Артикул: 6687736, TUBE injector return line
2Артикул: 6680797, TEE
3Артикул: 7247375, HOLDER, ENG See Illustration NOZZLE HOLDER/ B14862A
Подробнее >
КРИВОШИПНАЯ КОРОБКА (KUBOTA D902-E3B-BC-1)(TIER IV REPLACEMENT)

КРИВОШИПНАЯ КОРОБКА (KUBOTA D902-E3B-BC-1)(TIER IV REPLACEMENT)

1Артикул: 7000465, BLOCK ENGINE W/Ref. 2-13
2Артикул: 7016856, BLOCK ENGINE W/Ref. 2-13
3Артикул: 6670337, PLUG
Подробнее >
КОРОМЫСЛО КЛАПАНА И КЛАПАНЫ (KUBOTA D902-E3B-BC-1)(TIER IV REPLACEMENT)

КОРОМЫСЛО КЛАПАНА И КЛАПАНЫ (KUBOTA D902-E3B-BC-1)(TIER IV REPLACEMENT)

1Артикул: 7000474, VALVE, INLET intake
2Артикул: 7000475, VALVE, EXHAUST exhaust
3Артикул: 6670513, SPRING
Подробнее >
G КАРТЕР КОРОБКИ ПЕРЕДАЧ (KUBOTA D902-E3B-BC-1)(TIER IV REPLACEMENT)

G КАРТЕР КОРОБКИ ПЕРЕДАЧ (KUBOTA D902-E3B-BC-1)(TIER IV REPLACEMENT)

1Артикул: 6698145, CASE, GEAR W/Ref. 2-3
2Артикул: 6652575, PLUG
3Артикул: 6670355, PIN
Подробнее >
ДВИГАТЕЛЬ И КРЕПЕЖНЫЕ ДЕТАЛИ (ВХОДНОЕ ОТВЕРСТИК И ВЫХЛОПНОЙ КОЛЛЕКТОР) (KUBOTA - D902-E3B-BC-1)(TIER IV REPLACEMENT)

ДВИГАТЕЛЬ И КРЕПЕЖНЫЕ ДЕТАЛИ (ВХОДНОЕ ОТВЕРСТИК И ВЫХЛОПНОЙ КОЛЛЕКТОР) (KUBOTA - D902-E3B-BC-1)(TIER IV REPLACEMENT)

1Артикул: 6692947, FILTER See Illustration AIR FILTER/ PE3712
2Артикул: 5K106, NIPPLE
3Артикул: 6515007, GAUGE
Подробнее >
КОЛЛЕКТОРЫ (KUBOTA D902-E3B-BC-1)(TIER IV REPLACEMENT)

КОЛЛЕКТОРЫ (KUBOTA D902-E3B-BC-1)(TIER IV REPLACEMENT)

1Артикул: 6687720, MANIFOLD, INTAKE intake - W/Ref. 2 & 10
2Артикул: 7016854, MANIFOLD, INTAKE W/Ref. 2 & 10
3Артикул: 6687730, GASKET
Подробнее >
РЕГУЛЯТОР СКОРОСТИ И СТОПОРНАЯ РУКОЯТКА (KUBOTA D902-E3B-BC-1)(TIER IV REPLACEMENT)

РЕГУЛЯТОР СКОРОСТИ И СТОПОРНАЯ РУКОЯТКА (KUBOTA D902-E3B-BC-1)(TIER IV REPLACEMENT)

1Артикул: 6670424, IDLE ASSY Ref. 2-7
2Артикул: 6670424, IDLE ASSY W/Ref. 3
3Артикул: SPRING, SPRING NSS - Order Ref. 1 or 2
Подробнее >
ДЕРЖАТЕЛЬ ФОРСУНКИ KUBOTA - D902-E3B-BC- TIER IV REPLACEMENT

ДЕРЖАТЕЛЬ ФОРСУНКИ KUBOTA - D902-E3B-BC- TIER IV REPLACEMENT

1Артикул: 7247374, KIT, HOLDER NOZZLE
2Артикул: 7029572, NUT
3Артикул: 6672412, PUSH ROD
Подробнее >
РЕГУЛЯТОР ОБОРОТОВ (KUBOTA D902-E3B-BC-1)(TIER IV REPLACEMENT)

РЕГУЛЯТОР ОБОРОТОВ (KUBOTA D902-E3B-BC-1)(TIER IV REPLACEMENT)

1Артикул: 6698154, LEVER, GOVERNOR
2Артикул: 6688066, LEVER W/Ref. 3-6, 8-12 & 14
3Артикул: PLUG, PLUG NSS
Подробнее >
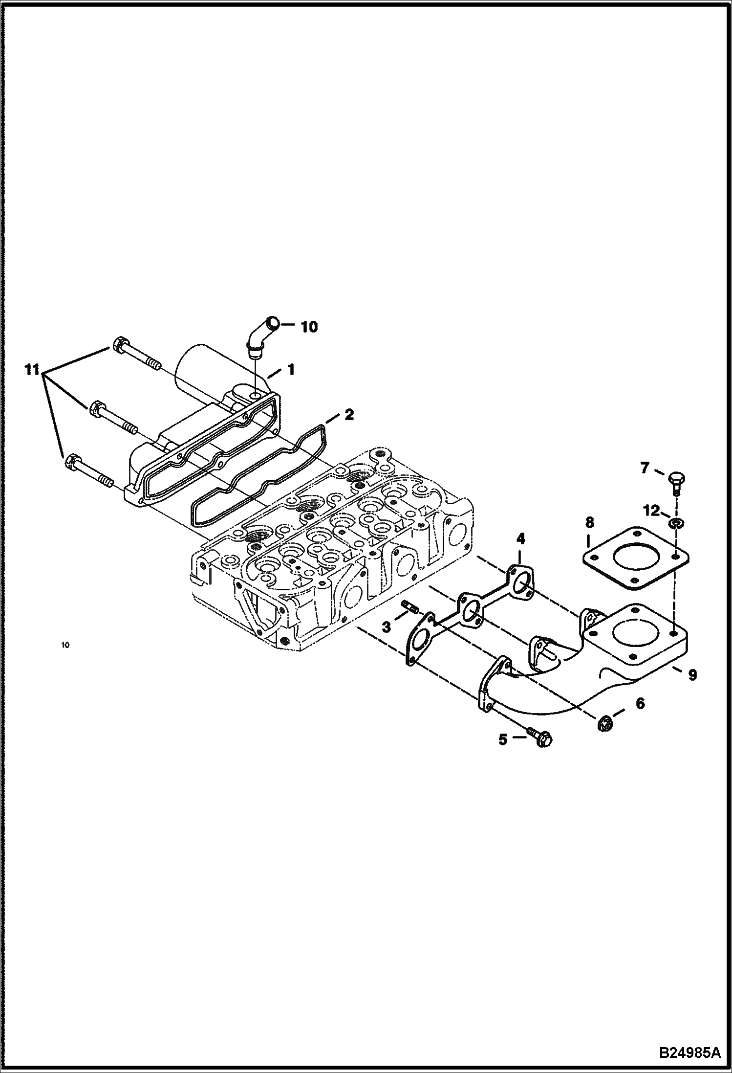
ГОЛОВКА ЦИЛИНДРА (KUBOTA D902-E3B-BC-1)(TIER IV REPLACEMENT)

ГОЛОВКА ЦИЛИНДРА (KUBOTA D902-E3B-BC-1)(TIER IV REPLACEMENT)

1Артикул: 7000466, HEAD, CYL ENG W/Ref. 2-6
2Артикул: 6598116, PLUG
3Артикул: 3974056, CAP
Подробнее >
ВОДЯНОЙ ФЛАНЕЦ И ТЕРМОСТАТ (KUBOTA - D722-E3B-BC-6)(TIER IV)

ВОДЯНОЙ ФЛАНЕЦ И ТЕРМОСТАТ (KUBOTA - D722-E3B-BC-6)(TIER IV)

1Артикул: 6687685, FLANGE W/Ref. 9
2Артикул: 6670500, GASKET
3Артикул: 6652580, BOLT
Подробнее >
ДВИГАТЕЛЬ И КОМПЛЕКТ ПРОКЛАДОК (KUBOTA D902-E3B-BC-1)(TIER IV REPLACEMENT)

ДВИГАТЕЛЬ И КОМПЛЕКТ ПРОКЛАДОК (KUBOTA D902-E3B-BC-1)(TIER IV REPLACEMENT)

1Артикул: 6692560, ENG, D902 24.8 HP EPA T4 / EU STG IV
2Артикул: 6692560REM, ENGINE KUBOTA D902-E3B-BC-1
3Артикул: 7000463, KIT, GASKET ENG UPPER See Illustration UPPER GASKET KIT/ B27050
Подробнее >
ВОЗДУШНЫЙ ФИЛЬТР (KUBOTA D902-E3B-BC-1)(TIER IV REPLACEMENT)

ВОЗДУШНЫЙ ФИЛЬТР (KUBOTA D902-E3B-BC-1)(TIER IV REPLACEMENT)

1Артикул: 6692947, FILTER assy
2Артикул: 6687263, FILTER, AIR INNER secondary - inner
3Артикул: 6687262, FILTER, AIR OUTER primary - outer
Подробнее >
ПОДДОН КАРТЕРА (KUBOTA D902-E3B-BC-1)(TIER IV REPLACEMENT)

ПОДДОН КАРТЕРА (KUBOTA D902-E3B-BC-1)(TIER IV REPLACEMENT)

1Артикул: 6687754, OIL PAN W/O adapter
2Артикул: GASKET, GASKET NLA - Use Ref. 10
3Артикул: 6670348, SCREEN oil pickup
Подробнее >
КОМПЛЕКТ НИЖНИХ ПРОКЛАДОК (KUBOTA D902-E3B-BC-1)(TIER IV REPLACEMENT)

КОМПЛЕКТ НИЖНИХ ПРОКЛАДОК (KUBOTA D902-E3B-BC-1)(TIER IV REPLACEMENT)

1Артикул: 7000464, KIT, GASKET ENG LOWER Ref. 3-18
2Артикул: 6670457, GASKET See Illustration SPEED CONTROL & STOP LEVER/ B27057 - speed control plate
3Артикул: 6698146, GASKET, GEAR CASE See Illustration GEARCASE/ B27226
Подробнее >
ТОПЛИВНАЯ СИСТЕМА И НАСОС ВПРЫСКА (KUBOTA D902-E3B-BC-1)(TIER IV REPLACEMENT)

ТОПЛИВНАЯ СИСТЕМА И НАСОС ВПРЫСКА (KUBOTA D902-E3B-BC-1)(TIER IV REPLACEMENT)

1Артикул: 6670432, PUMP, FUEL INJ
2Артикул: 6670432REM, PUMP, FUEL INJ. KUBOTA D722
3Артикул: 6698160, SHIM, INJECTION PUMP 0,175 mm
Подробнее >
РАСПРЕДЕЛИТЕЛЬНЫЙ ВАЛ (KUBOTA D902-E3B-BC-1)(TIER IV REPLACEMENT)

РАСПРЕДЕЛИТЕЛЬНЫЙ ВАЛ (KUBOTA D902-E3B-BC-1)(TIER IV REPLACEMENT)

1Артикул: 6670385, CAMSHAFT W/Ref. 2-4 - Was 6670385 - A
2Артикул: 6670386, GEAR
3Артикул: 6670387, STOPPER
Подробнее >
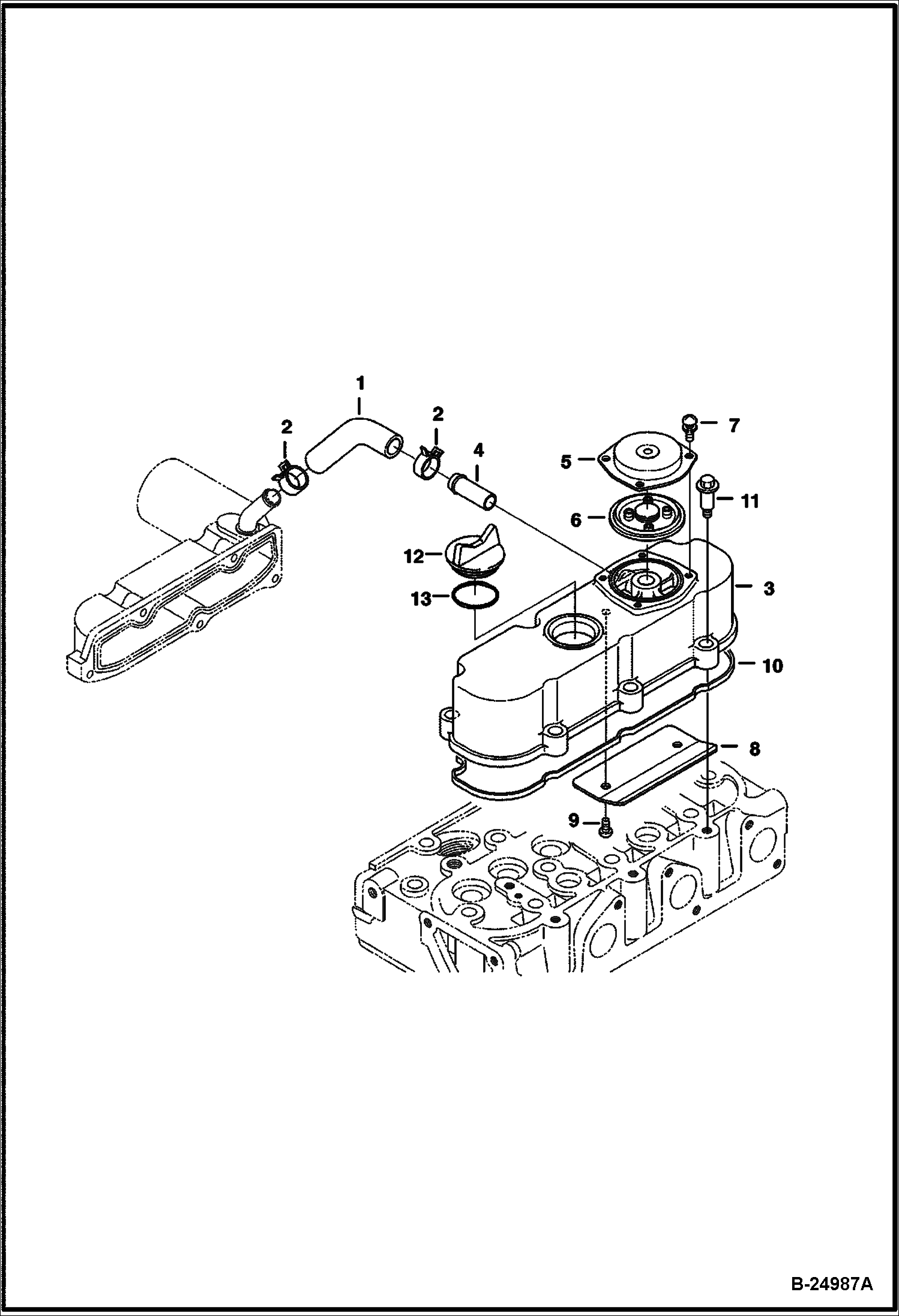
КОМПЛЕКТ ДЕТАЛЕЙ ВЕРХНЕГО УПЛОТНИТЕЛЬНОГО КОЛЬЦА (KUBOTA D902-E3B-BC-1) (TIER IV REPLACEMENT)

КОМПЛЕКТ ДЕТАЛЕЙ ВЕРХНЕГО УПЛОТНИТЕЛЬНОГО КОЛЬЦА (KUBOTA D902-E3B-BC-1) (TIER IV REPLACEMENT)

1Артикул: 7000463, KIT, GASKET ENG UPPER W/Ref. 2-12
2Артикул: 7000468, GASKET, COVER HEAD CYL See Illustration ROCKER ARM COVER/ B24987 - valve cover
3Артикул: 6683009, O-RING See Illustration ROCKER ARM COVER/ B24987 - oil fill plug
Подробнее >
ТОПЛИВНЫЙ РАСПРЕДЕЛИТЕЛЬНЫЙ ВАЛ (KUBOTA D902-E3B-BC-1)(TIER IV REPLACEMENT)

ТОПЛИВНЫЙ РАСПРЕДЕЛИТЕЛЬНЫЙ ВАЛ (KUBOTA D902-E3B-BC-1)(TIER IV REPLACEMENT)

1Артикул: 6670416, CAMSHAFT, FUEL assy - W/Ref. 2, 4-7, 9, 12 & 13
2Артикул: 6670417, CAMSHAFT, FUEL camshaft only
3Артикул: 6670418, GEAR
Подробнее >
ПОРШЕНЬ И КОЛЕНЧАТЫЙ ВАЛ (KUBOTA D902-E3B-BC-1)(TIER IV REPLACEMENT)

ПОРШЕНЬ И КОЛЕНЧАТЫЙ ВАЛ (KUBOTA D902-E3B-BC-1)(TIER IV REPLACEMENT)

1Артикул: 7000476, PISTON, ENG std (1G687-2111)
2Артикул: 7000477, PISTON, ENG OS +,25 mm (1G960-2111 OS25)
3Артикул: 6687722, RING piston - std - for 1 piston
Подробнее >