+7 (701) 588 50 05 Телефон для связи
RU

WhatsApp

Позвонить

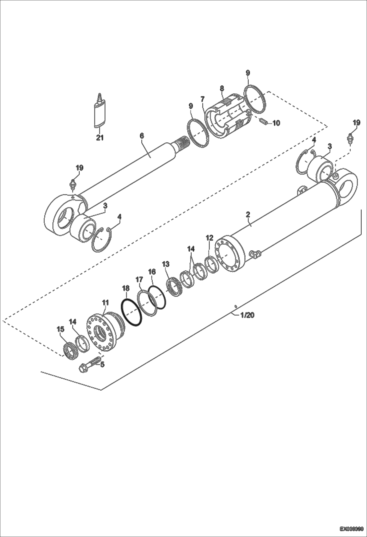
Продажа: СТРЕЛА - ЦИЛИНДР СТРЕЛЫ С ИЗМЕНЯЕМОЙ ГЕОМЕТРИЕЙ (Z120 в Алматы и Астане Цены официального дилера с доставкой по всему Казахстану

Официальный дилер Все запчасти в наличии Лизинг / Рассрочка Сервис и гарантия
Спецтехника 70) от Globus Machinery

70)

1Артикул: 650183900...
2Артикул: 650183900...
3Артикул: 195000086...
Подробнее >