+7 (701) 588 50 05 Телефон для связи
RU

WhatsApp

Позвонить

T3 в Алматы с доставкой по всему Казахстану

Официальный дилер Все запчасти в наличии Лизинг / Рассрочка Сервис и гарантия
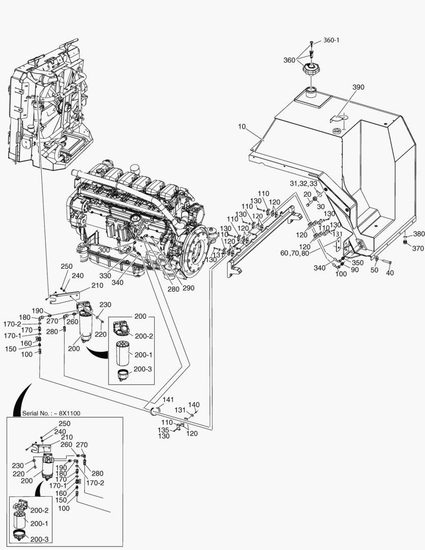
G060-10 FUEL OIL TANK

G060-10 FUEL OIL TANK

1 Артикул: MX5283...
2 Артикул: MX1605...
3 Артикул: MX5018...
Подробнее >
G060-20 MUD FLAPS EXTENSION SET

G060-20 MUD FLAPS EXTENSION SET

1 Артикул: MX5314...
2 Артикул: MX5089...
3 Артикул: MX5089...
Подробнее >
G060-30 MUD FLAPS EXTENSION SET

G060-30 MUD FLAPS EXTENSION SET

1 Артикул: MX5314...
2 Артикул: MX5288...
3 Артикул: MX5052...
Подробнее >