+7 (701) 588 50 05 Телефон для связи
RU

WhatsApp

Позвонить

ТАНДЕМНЫЙ КАТОК в Алматы

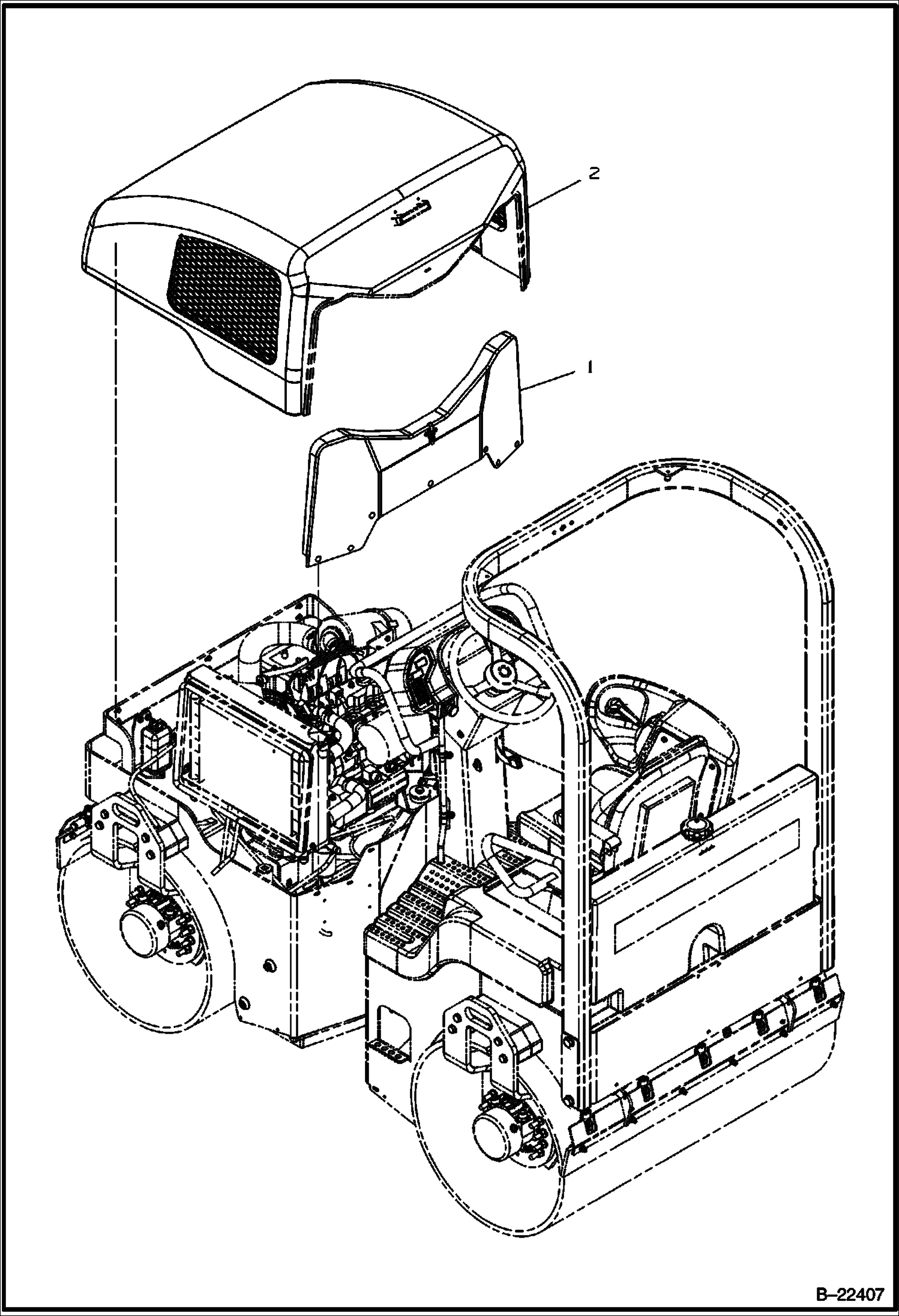
СИСТЕМА ЗАЩИТЫ ПРИ ОПРОКИДЫВАНИИ (ROPS) НА КРЫШЕ НАД СИДЕНЬЕМ ВОДИТЕЛЯ (ОПЦИЯ)

СИСТЕМА ЗАЩИТЫ ПРИ ОПРОКИДЫВАНИИ (ROPS) НА КРЫШЕ НАД СИДЕНЬЕМ ВОДИТЕЛЯ (ОПЦИЯ)

1Артикул: IR13158787, canopy ROPS
2Артикул: IR96738620, WASHER
3Артикул: IR96700919, BOLT
Подробнее >
КОМПЛЕКТ ДЛЯ ШУМОПОГЛОЩЕНИЯ (ОПЦИЯ)

КОМПЛЕКТ ДЛЯ ШУМОПОГЛОЩЕНИЯ (ОПЦИЯ)

1Артикул: IR13298369, SOUND PANEL assy
2Артикул: IR13274808, SOUND PANEL assy
3Артикул: IR13298351, SOUND HOOD assy
Подробнее >
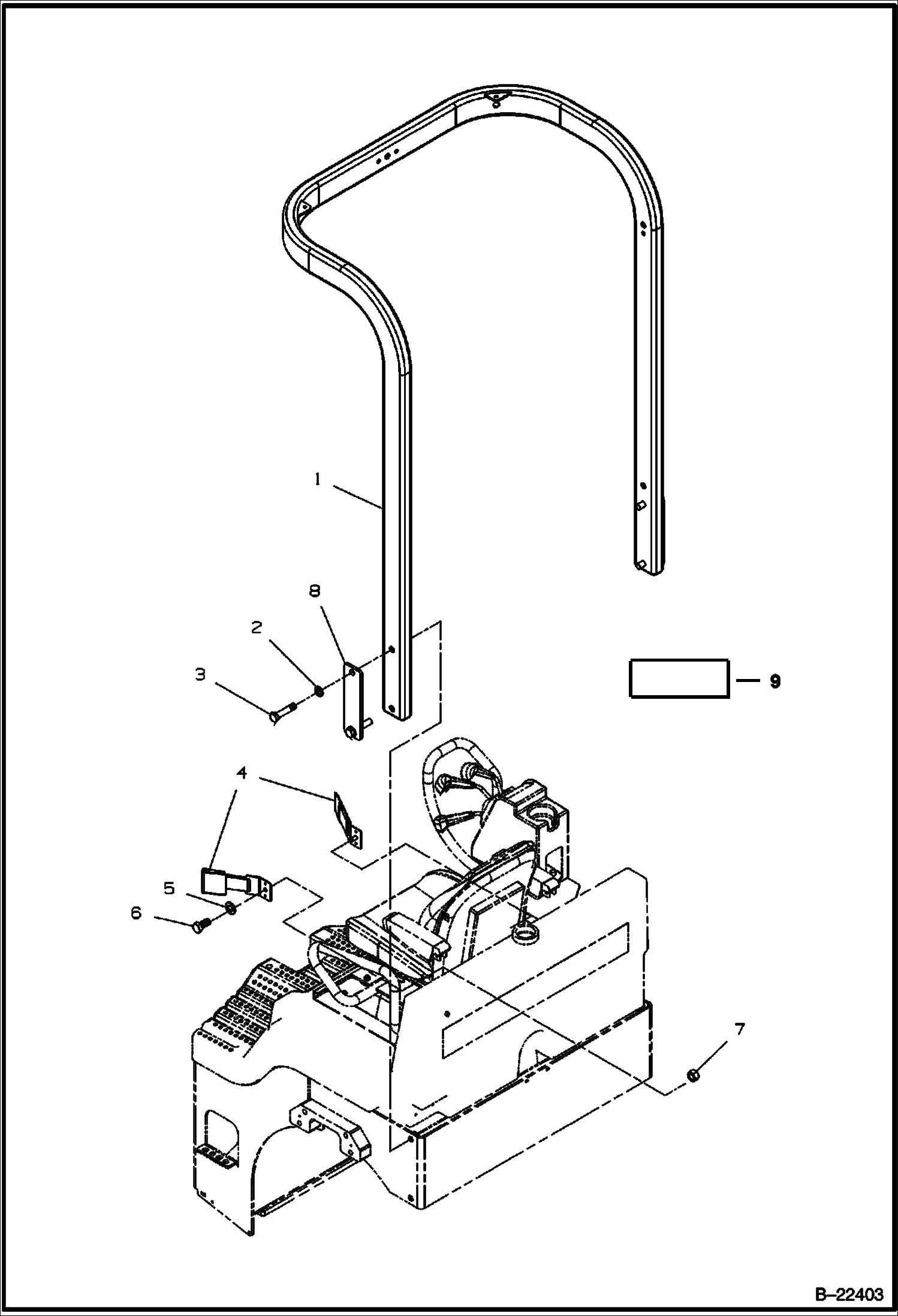
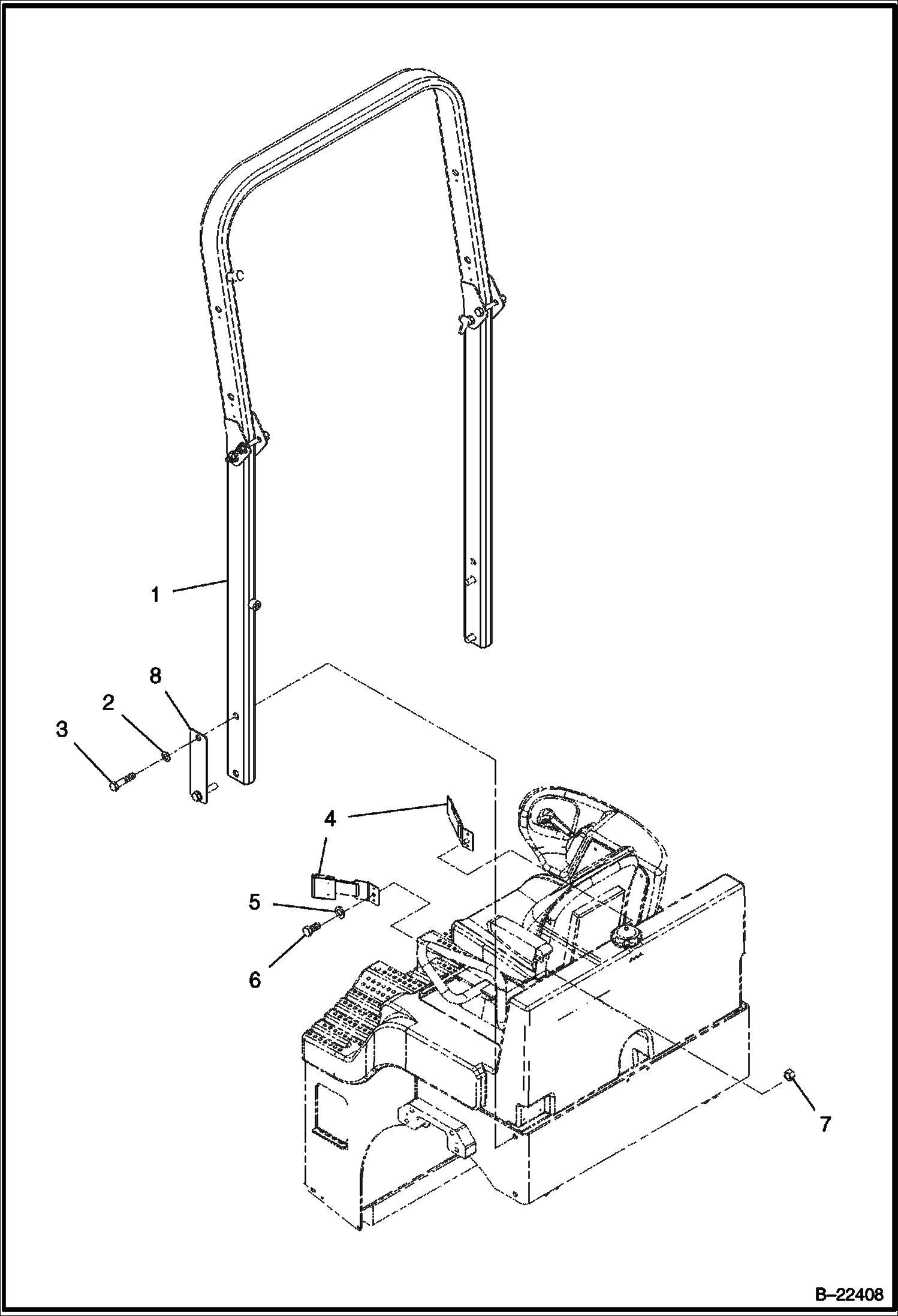
ДУГА БЕЗОПАСНОСТИ СИСТЕМЫ ЗАЩИТЫ ПРИ ОПРОКИДЫВАНИИ (ROPS)

ДУГА БЕЗОПАСНОСТИ СИСТЕМЫ ЗАЩИТЫ ПРИ ОПРОКИДЫВАНИИ (ROPS)

1Артикул: IR59277996, Arch ROPS
2Артикул: IR96738620, WASHER
3Артикул: IR96700919, BOLT
Подробнее >
АНТИВАНДАЛЬНАЯ КРЫШКА (ОПЦИЯ)

АНТИВАНДАЛЬНАЯ КРЫШКА (ОПЦИЯ)

1Артикул: IR59271460, VANDAL COVER
2Артикул: IR59269662, LOCK PLATE R.H.
3Артикул: IR59269670, LOCK PLATE L.H.
Подробнее >
РАМА

РАМА

1Артикул: IR13275417, REAR FRAME
2Артикул: IR13290846, FRONT FRAME BCA 24
3Артикул: IR59918482, GASKET tank cover
Подробнее >
ШАРНИРНОЕ ЗВЕНО В СБОРЕ

ШАРНИРНОЕ ЗВЕНО В СБОРЕ

1Артикул: IR59225615, LINK
2Артикул: IR50268127, BEARING
3Артикул: IR95208971, GREASE FITTING
Подробнее >
КАПОТ И ОБРЕЗКА

КАПОТ И ОБРЕЗКА

1Артикул: IR13298328, Hood
2Артикул: IR13236989, HOOD
3Артикул: IR13298336, FILLER PLATE
Подробнее >
ВНУТРЕННИЙ СКРЕБОК (ОПЦИЯ)

ВНУТРЕННИЙ СКРЕБОК (ОПЦИЯ)

1Артикул: IR59272419, INSIDE SCRAPER
2Артикул: IR13210174, SCRAPER 47-- Urethane - Optional
3Артикул: IR13213210, SCRAPER 49-- Urethane - Optional
Подробнее >
СКЛАДНЫЕ МЕХАНИЗМЫ СИСТЕМЫ ЗАЩИТЫ ПРИ ОПРОКИДЫВАНИИ (ROPS) (ОПЦИЯ)

СКЛАДНЫЕ МЕХАНИЗМЫ СИСТЕМЫ ЗАЩИТЫ ПРИ ОПРОКИДЫВАНИИ (ROPS) (ОПЦИЯ)

1Артикул: IR13250642, Foldable ROPS
2Артикул: IR13184999, FOLDABLE ROPS
3Артикул: IR96738620, WASHER
Подробнее >