+7 (701) 588 50 05 Телефон для связи
RU

WhatsApp

Позвонить

ТАНДЕМНЫЙ КАТОК в Алматы

ПЕРЕДНИЙ ВАЛЕЦ В СБОРЕ

ПЕРЕДНИЙ ВАЛЕЦ В СБОРЕ

1Артикул: IR13166566, Front Drum
2Артикул: IR59183285, BEARING HSG eccentric bearing - propulsion
3Артикул: IR59275867, Cover Plate eccentric bearing
Подробнее >
ПРИВОДНОЙ ЭЛЕКТРОДВИГАТЕЛЬ (ВНУТРЕННИЙ ОСТАНОВ)

ПРИВОДНОЙ ЭЛЕКТРОДВИГАТЕЛЬ (ВНУТРЕННИЙ ОСТАНОВ)

1Артикул: IR13247457, Kit shaft
2Артикул: IR54562798, Seal shaft exclusion
3Артикул: IR54562806, Seal shaft
Подробнее >
ЗАДНИЙ ТОРМОЗНОЙ БАРАБАН В СБОРЕ

ЗАДНИЙ ТОРМОЗНОЙ БАРАБАН В СБОРЕ

1Артикул: IR13216593, Rear Drum
2Артикул: IR13215751, Plate rear drive
3Артикул: IR54596648, Drive Motor See Illustration ARCH ROPS INSTALLATION/ B21833
Подробнее >
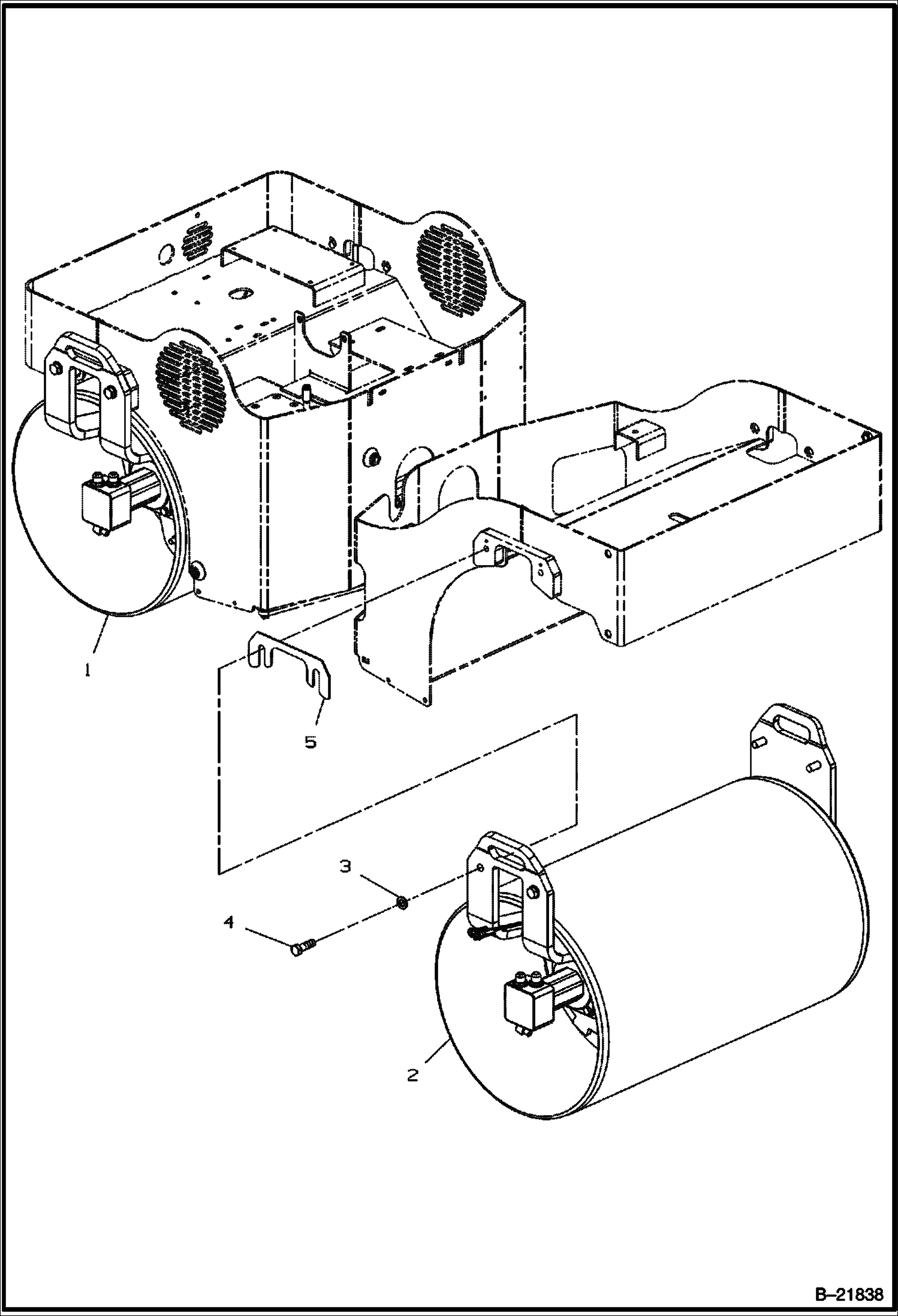
УСТАНОВКА БАРАБАНА

УСТАНОВКА БАРАБАНА

1Артикул: Front, Front Drum See Illustration FRONT DRUM ASSEMBLY/ B21839
2Артикул: Rear, Rear Drum See Illustration REAR DRUM ASSEMBLY/ B21840
3Артикул: IR96738612, washer
Подробнее >