ТАНДЕМНЫЙ КАТОК в Алматы
ВОДЯНАЯ ПОМПА
1Артикул: IR59123851, Valve Assy bypass
2Артикул: IR59123836, Plate no control
3Артикул: IR59123877, DRIVE ASSY
СИДЕНИЕ
1Артикул: IR13258934, Kit spring cable - Includes screw and cable assembly
2Артикул: IR54496377, KIT damper - Includes damper, nut, washer and spacer
3Артикул: IR54496385, KIT knob - Includes shaft, pin, hanger and washer
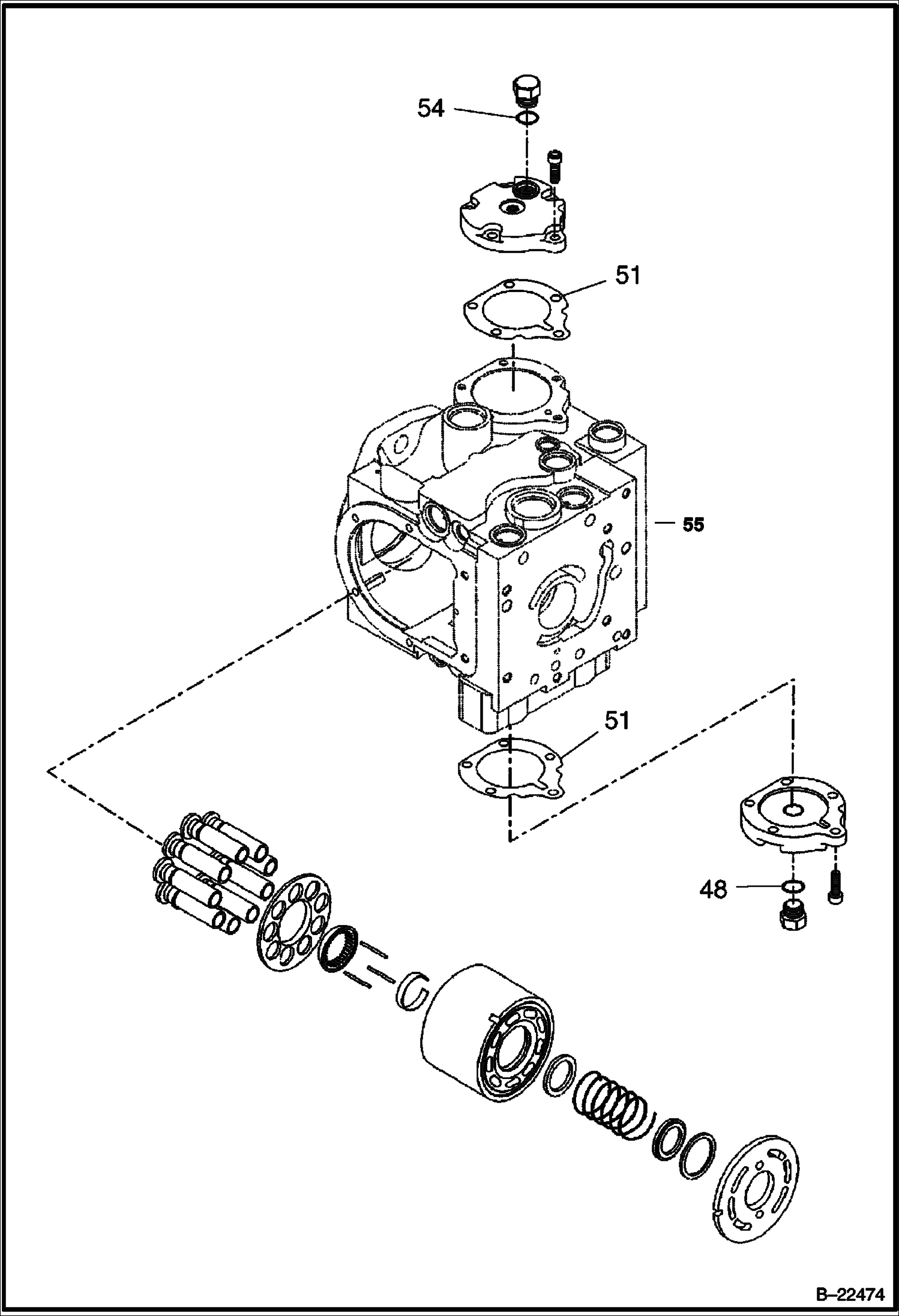
НАСОС ХОДОВОЙ СИСТЕМЫ
1Артикул: IR58881863, PLUG o-ring
2Артикул: IR54492624, GASKET servo cover
3Артикул: IR58881863, PLUG o-ring
ТОРМОЗНОЙ КЛАПАН
1Артикул: IR54513866, VALVE ASSY See Illustration BRAKE VALVE ASSEMBLY/ B22462
2Артикул: IR54513916, SEAL KIT
3Артикул: IR54542063, COIL
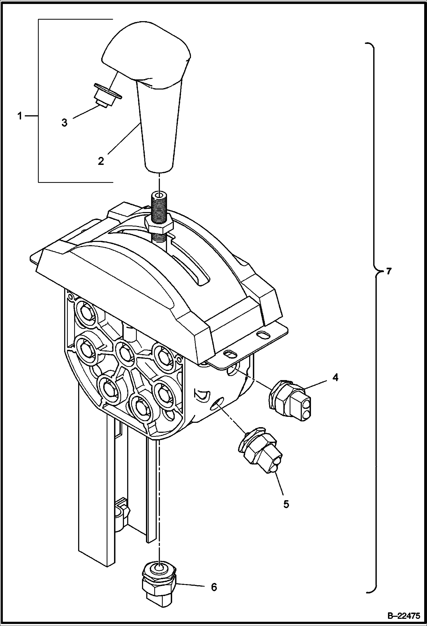
УСТРОЙСТВО РЕГУЛИРОВКИ ПЕРЕКЛЮЧАТЕЛЯ СКОРОСТЕЙ П-СТОП-З
1Артикул: IR54504899, Lever Assy W/Ref. 2 & 3
2Артикул: IR59240291, Handle
3Артикул: IR59072264, Switch vibration actuation