+7 (701) 588 50 05 Телефон для связи
RU

WhatsApp

Позвонить

ТАНДЕМНЫЙ КАТОК в Алматы

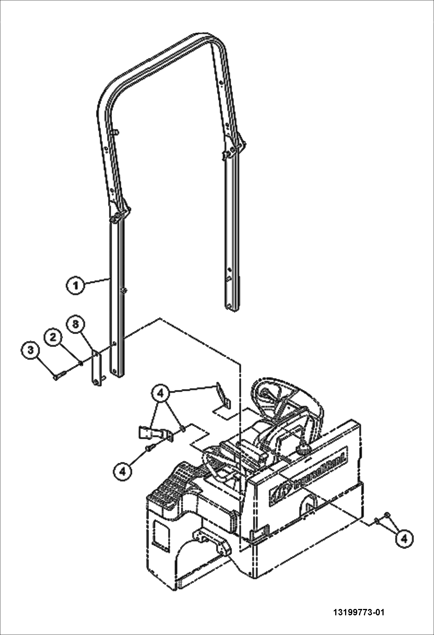
ДУГА БЕЗОПАСНОСТИ СИСТЕМЫ ЗАЩИТЫ ПРИ ОПРОКИДЫВАНИИ (ROPS)

ДУГА БЕЗОПАСНОСТИ СИСТЕМЫ ЗАЩИТЫ ПРИ ОПРОКИДЫВАНИИ (ROPS)

1Артикул: IR59277996, Arch ROPS
2Артикул: IR96738620, WASHER
3Артикул: IR96700919, BOLT
Подробнее >
ШАРНИРНОЕ ЗВЕНО В СБОРЕ

ШАРНИРНОЕ ЗВЕНО В СБОРЕ

1Артикул: IR59225615, LINK
2Артикул: IR50268127, BEARING
3Артикул: IR95208971, GREASE FITTING
Подробнее >
ВНУТРЕННИЙ СКРЕБОК (ОПЦИЯ)

ВНУТРЕННИЙ СКРЕБОК (ОПЦИЯ)

1Артикул: IR59272419, INSIDE SCRAPER 47--
2Артикул: IR13171954, SCRAPER inside - 49--
3Артикул: IR13166996, SCRAPER urethane - optional - 47--
Подробнее >
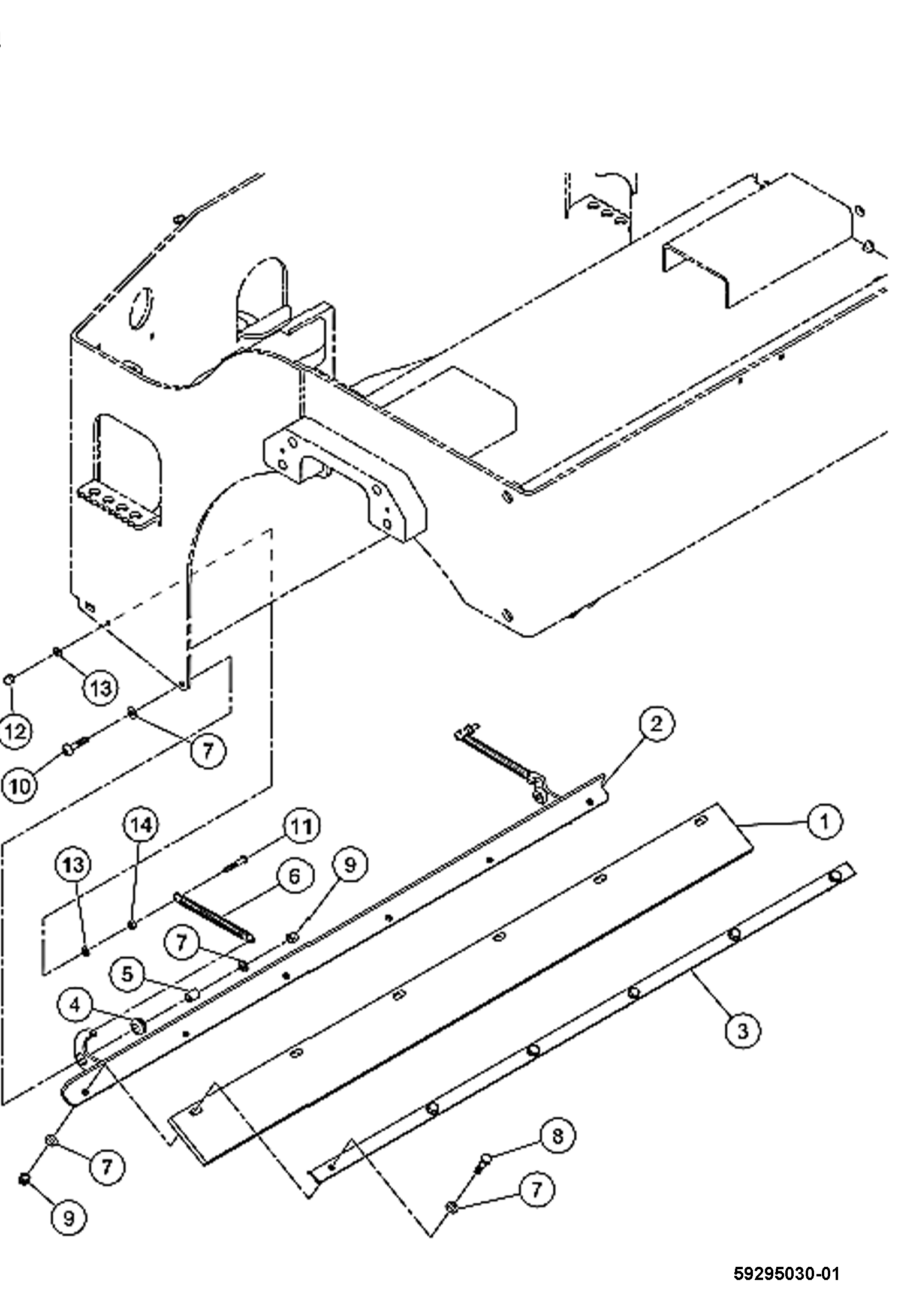
РАМА

РАМА

1Артикул: IR13275417, REAR FRAME
2Артикул: IR13251970, FRONT FRAME BCA 24
3Артикул: IR13305099, GASKET tank cover
Подробнее >
СИСТЕМА ЗАЩИТЫ ПРИ ОПРОКИДЫВАНИИ (ROPS) НА КРЫШЕ НАД СИДЕНЬЕМ ВОДИТЕЛЯ (ОПЦИЯ)

СИСТЕМА ЗАЩИТЫ ПРИ ОПРОКИДЫВАНИИ (ROPS) НА КРЫШЕ НАД СИДЕНЬЕМ ВОДИТЕЛЯ (ОПЦИЯ)

1Артикул: IR13158787, canopy ROPS
2Артикул: IR96738620, WASHER
3Артикул: IR96700919, BOLT
Подробнее >
АНТИВАНДАЛЬНАЯ КРЫШКА (ОПЦИЯ)

АНТИВАНДАЛЬНАЯ КРЫШКА (ОПЦИЯ)

1Артикул: IR59271460, VANDAL COVER
2Артикул: IR59269662, LOCK PLATE R.H.
3Артикул: IR59269670, LOCK PLATE L.H.
Подробнее >
КОМПЛЕКТ ДЛЯ ШУМОПОГЛОЩЕНИЯ (ОПЦИЯ)

КОМПЛЕКТ ДЛЯ ШУМОПОГЛОЩЕНИЯ (ОПЦИЯ)

1Артикул: IR13298369, SOUND PANEL assy - beige
2Артикул: IR13298500, SOUND PANEL assy - white
3Артикул: IR13326798, SOUND PANEL assy - yellow
Подробнее >
СКЛАДНЫЕ МЕХАНИЗМЫ СИСТЕМЫ ЗАЩИТЫ ПРИ ОПРОКИДЫВАНИИ (ROPS) (ОПЦИЯ)

СКЛАДНЫЕ МЕХАНИЗМЫ СИСТЕМЫ ЗАЩИТЫ ПРИ ОПРОКИДЫВАНИИ (ROPS) (ОПЦИЯ)

1Артикул: IR13250642, Foldable ROPS
2Артикул: IR96738620, WASHER
3Артикул: IR96700919, BOLT
Подробнее >
КАПОТ И ОБРЕЗКА

КАПОТ И ОБРЕЗКА

1Артикул: IR13396171, HOOD
2Артикул: IR13298336, FILLER PLATE
3Артикул: IR13328984, HINGE hood
Подробнее >