+7 (701) 588 50 05 Телефон для связи
RU

WhatsApp

Позвонить

ТАНДЕМНЫЙ КАТОК в Алматы

ЧЕХОЛ ДЛЯ РУКОВОДСТВА ПО ЭКСПЛУАТАЦИИ

ЧЕХОЛ ДЛЯ РУКОВОДСТВА ПО ЭКСПЛУАТАЦИИ

1Артикул: IR59485074, MANUAL CASE
2Артикул: IR59491357, RIVET
3Артикул: IR59261008, MANUAL safety label
Подробнее >
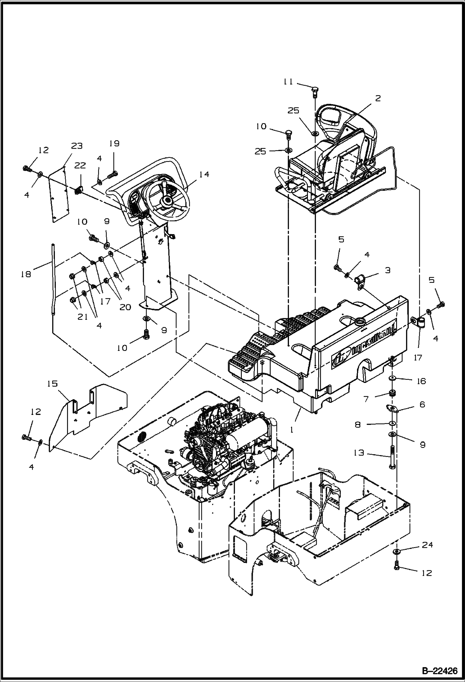
КОМПЛЕКТ ДЕТАЛЕЙ PEDESTAL

КОМПЛЕКТ ДЕТАЛЕЙ PEDESTAL

1Артикул: IR59295600, PEDESTAL
2Артикул: IR54465075, THROTTLE CABLE
3Артикул: IR13276324, CONSOLE ASSY See Illustration CONSOLE ASSEMBLY/ B22431
Подробнее >
АПТЕЧКА ПЕРВОЙ ПОМОЩИ

АПТЕЧКА ПЕРВОЙ ПОМОЩИ

1Артикул: IR59275917, BRACKET mounting
2Артикул: IR59275990, FIRST AID STRAP
3Артикул: IR59148569, BOLT
Подробнее >
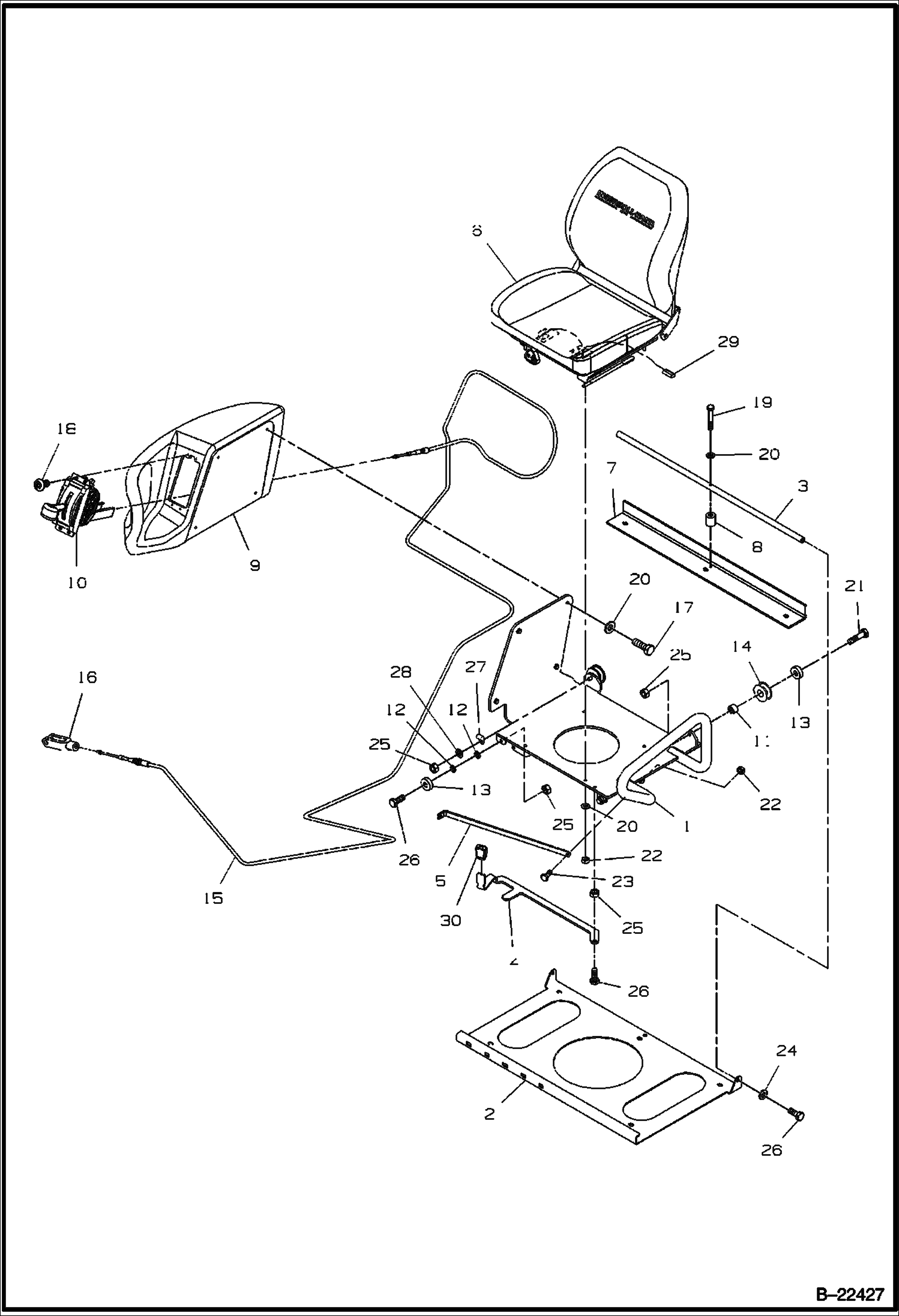
СИДЕНЬЕ В СБОРЕ

СИДЕНЬЕ В СБОРЕ

1Артикул: SEAT, SEAT SLIDE ASSY NSS
2Артикул: IR59268946, MOUNTING PLATE seat
3Артикул: IR59225516, HANDLE
Подробнее >
ПЛАТФОРМА ВОДИТЕЛЯ

ПЛАТФОРМА ВОДИТЕЛЯ

1Артикул: IR13227111, WATER TANK operator platform
2Артикул: IR54489000, WATER TANK CAP Was IR13264247 - A
3Артикул: IR13264254, DRAIN PLUG
Подробнее >
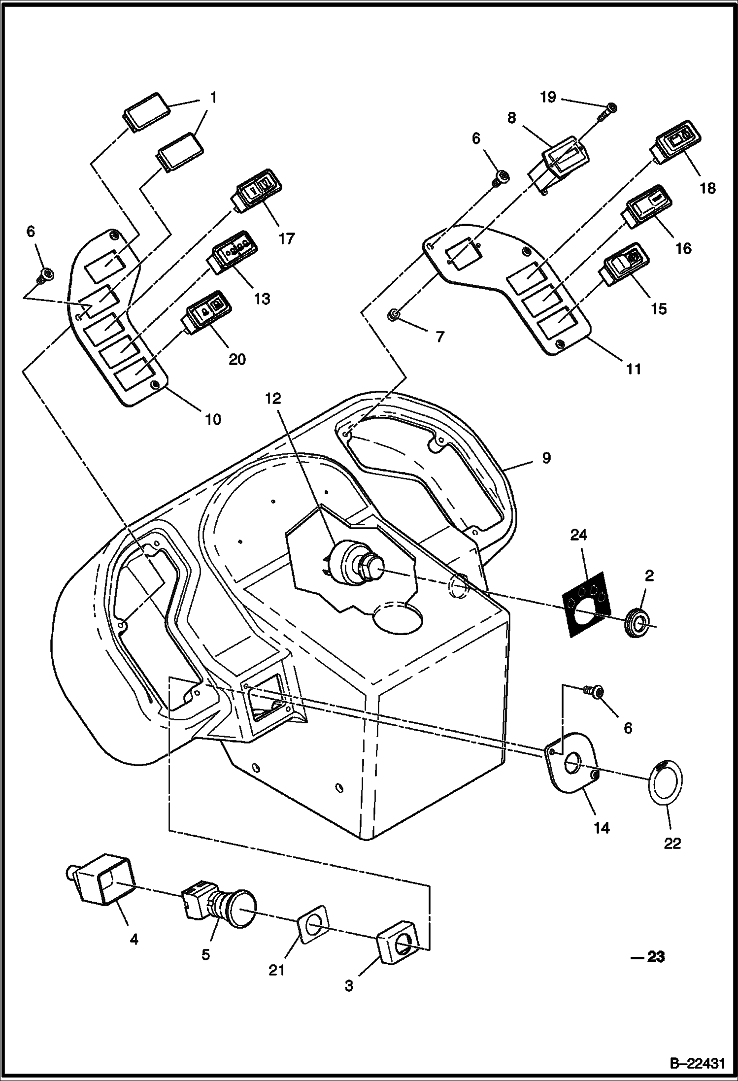
КОНСОЛЬ В СБОРЕ

КОНСОЛЬ В СБОРЕ

1Артикул: IR58835398, SWITCH blank
2Артикул: IR58924333, SWITCH NUT
3Артикул: IR59108100, Dust Boot top
Подробнее >