+7 (701) 588 50 05 Телефон для связи
RU

WhatsApp

Позвонить

Продажа: ТАНДЕМНЫЙ КАТОК в Алматы и Астане Цены официального дилера с доставкой по всему Казахстану

Официальный дилер Все запчасти в наличии Лизинг / Рассрочка Сервис и гарантия
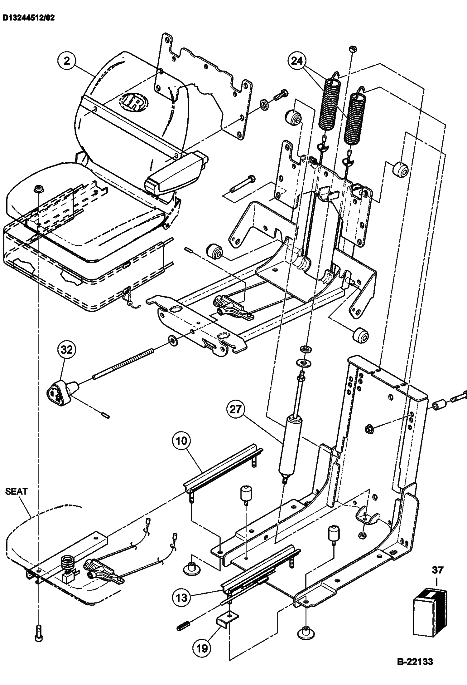
Спецтехника СИДЕНИЕ С ПОДВЕСКОЙ от Globus Machinery

СИДЕНИЕ С ПОДВЕСКОЙ

1Артикул: IR1316794...
2Артикул: IR1328133...
3Артикул: IR1319827...
Подробнее >
Спецтехника УСТРОЙСТВО РЕГУЛИРОВКИ ПЕРЕКЛЮЧАТЕЛЯ СКОРОСТЕЙ П-СТОП-З (ВНУТРЕННИЙ ОСТАНОВ) от Globus Machinery

УСТРОЙСТВО РЕГУЛИРОВКИ ПЕРЕКЛЮЧАТЕЛЯ СКОРОСТЕЙ П-СТОП-З (ВНУТРЕННИЙ ОСТАНОВ)

1Артикул: IR1349394...
2Артикул: IR5924029...
3Артикул: IR1338246...
Подробнее >