ТАНДЕМНЫЙ КАТОК в Алматы
УСТАНОВКА ПЕРЕДНЕГО БАМПЕРА (ОПЦИЯ)
1Артикул: IR59265496, Front Bumper
2Артикул: IR59259630, SPACER
3Артикул: IR96705553, Bolt
УСТАНОВКА РАМЫ СИСТЕМЫ ЗАЩИТЫ ПРИ ОПРОКИДЫВАНИИ (ROPS) (ОПЦИЯ)
1Артикул: IR59275214, Bent ROPS
2Артикул: IR96738612, washer
3Артикул: IR96701503, BOLT
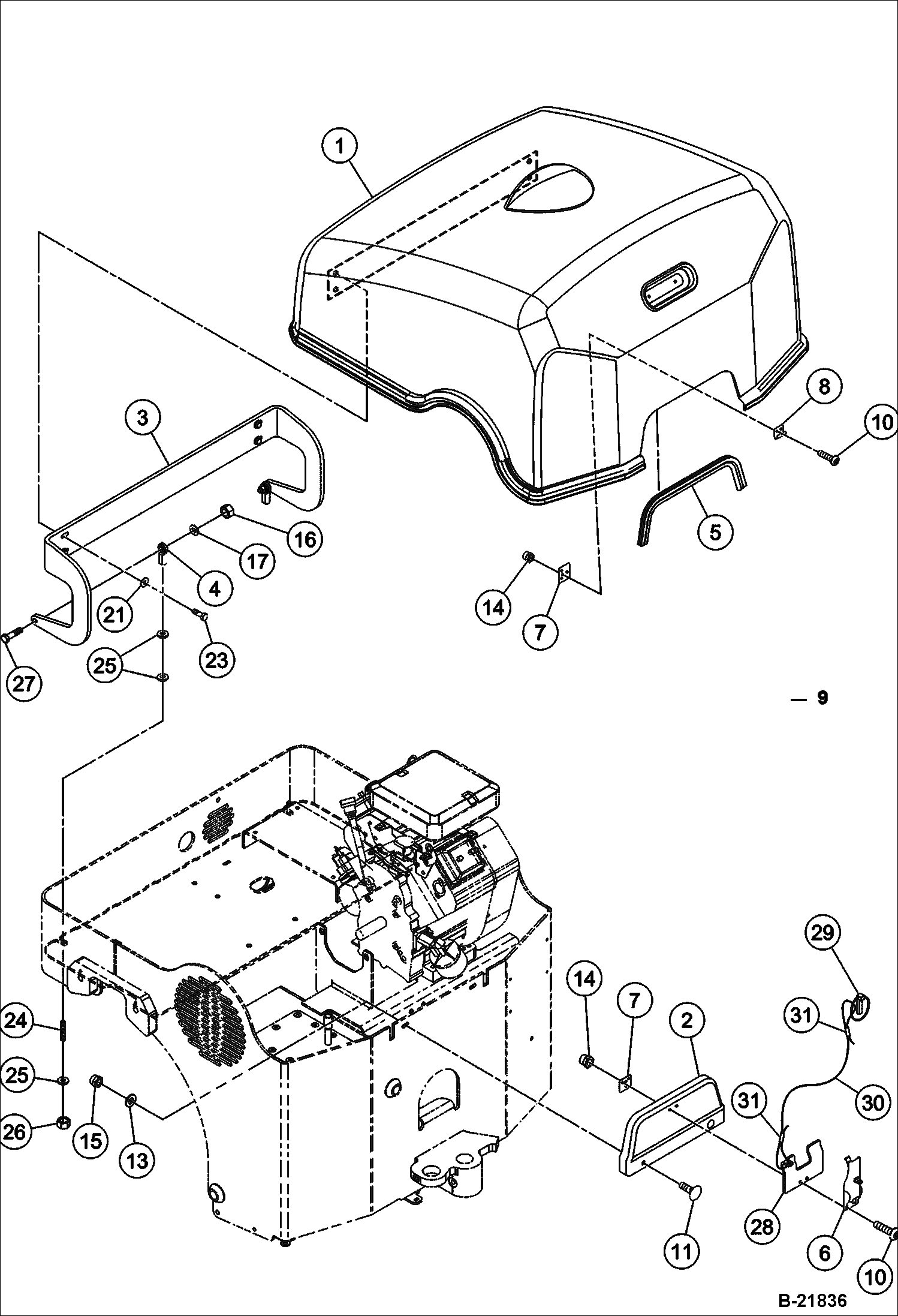
КАПОТ И TУСТАНОВКА ОБОРУДОВАНИЯ ДЛЯ ОБРЕЗКИ
1Артикул: IR13274964, HOOD Was IR13167135 - D
2Артикул: IR13298310, HOOD PANEL Was IR13187125 - D
3Артикул: IR59258574, Hood Hinge
ШАРНИРНОЕ ЗВЕНО В СБОРЕ
1Артикул: IR59214478, LINK
2Артикул: IR50268127, BEARING
3Артикул: IR95201547, GREASE FITTING
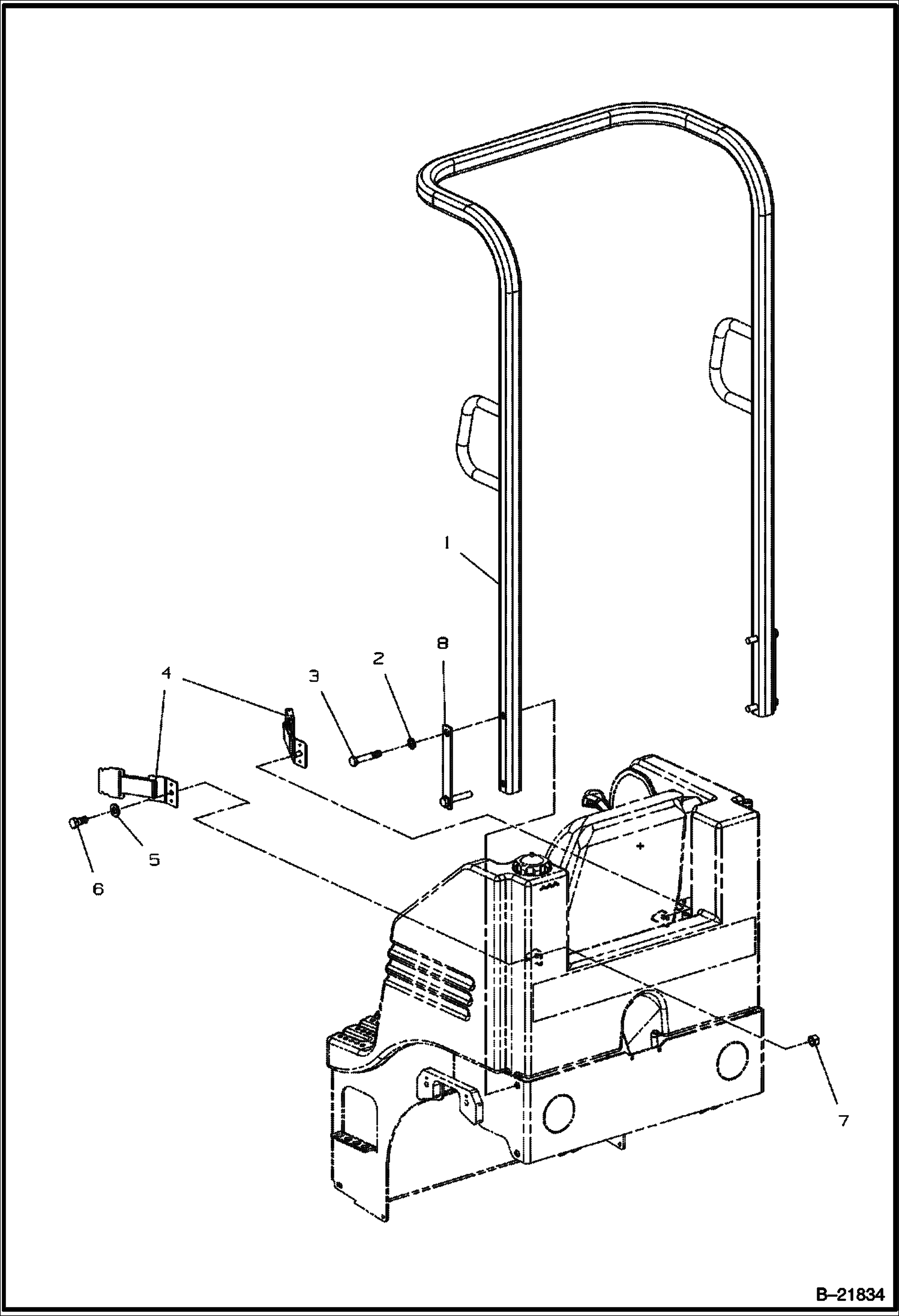
УСТАНОВКА ДУГИ БЕЗОПАСНОСТИ СИСТЕМЫ ЗАЩИТЫ ПРИ ОПРОКИДЫВАНИИ (ROPS)
1Артикул: IR13159074, Arch ROPS
2Артикул: IR95922274, WASHER
3Артикул: IR96705520, BOLT
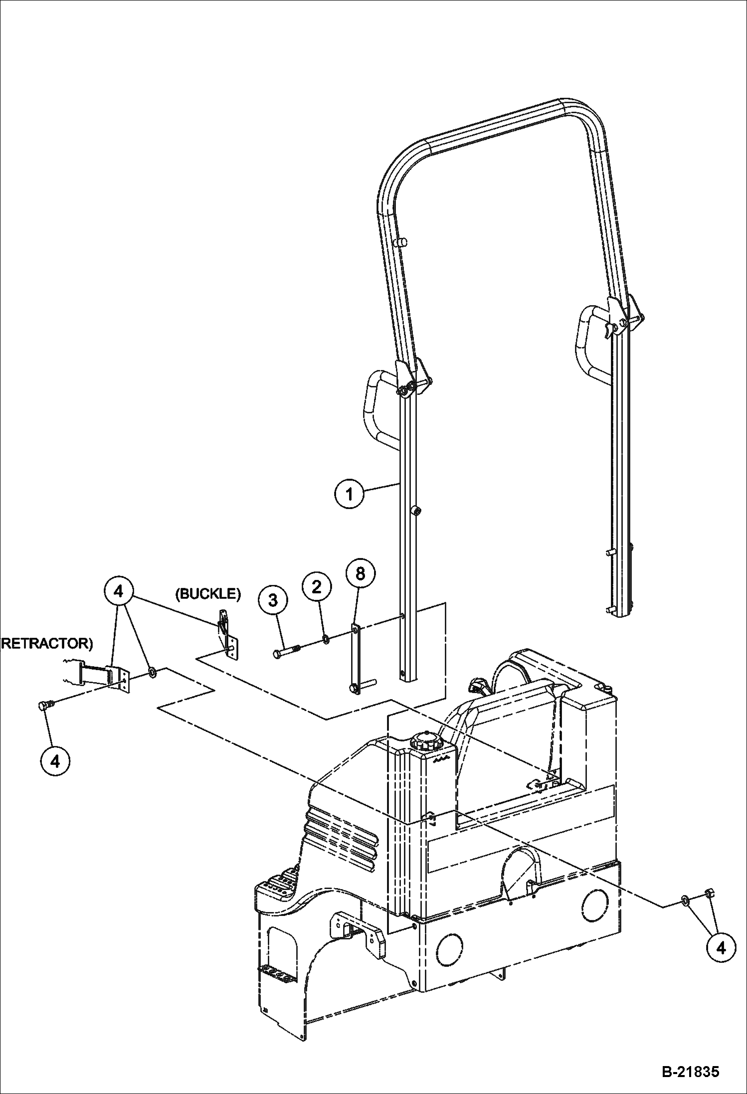
УСТАНОВКА СКЛАДНЫХ МЕХАНИЗМОВ СИСТЕМЫ ЗАЩИТЫ ПРИ ОПРОКИДЫВАНИИ (ROPS) (ОПЦИЯ)
1Артикул: IR13250576, FOLDABLE ROPS Was IR13185541 - A
2Артикул: IR96738612, washer
3Артикул: IR96701503, BOLT
РАМА
1Артикул: IR13167739, REAR FRAME
2Артикул: IR13159272, FRONT FRAME
3Артикул: IR13322474, FRONT FRAME