+7 (701) 588 50 05 Телефон для связи
RU

WhatsApp

Позвонить

ТАНДЕМНЫЙ КАТОК в Алматы

СИДЕНЬЕ В СБОРЕ (СТАНДАРТ)

СИДЕНЬЕ В СБОРЕ (СТАНДАРТ)

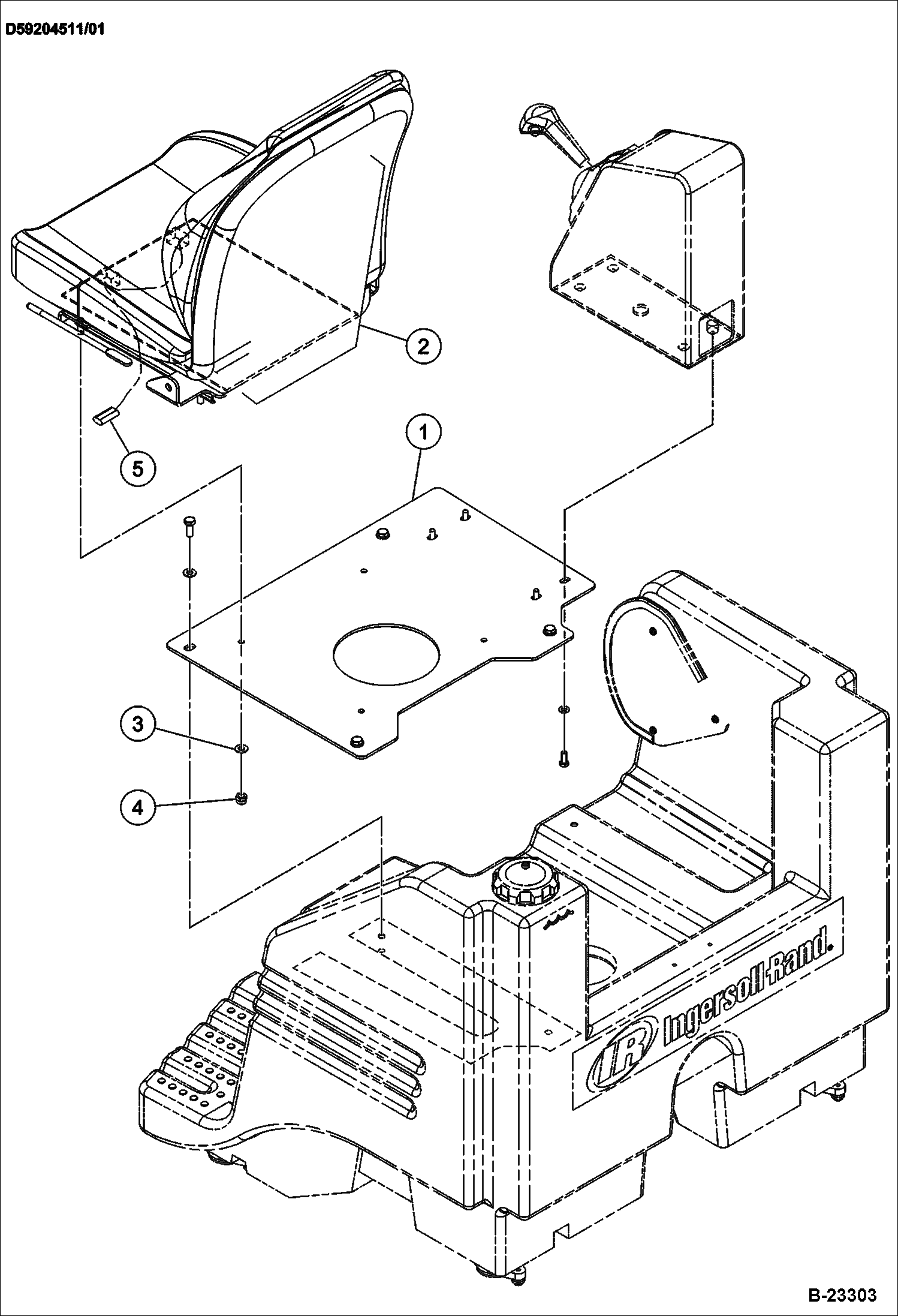
1Артикул: SEAT, SEAT NLA - standard - Was IR13198221 - A
2Артикул: IR59142174, SEAT SWITCH standard seat kit
3Артикул: IR59266932, Seat Plate
Подробнее >
СИДЕНЬЕ В СБОРЕ (ПОДВЕСКА) (ОПЦИЯ)

СИДЕНЬЕ В СБОРЕ (ПОДВЕСКА) (ОПЦИЯ)

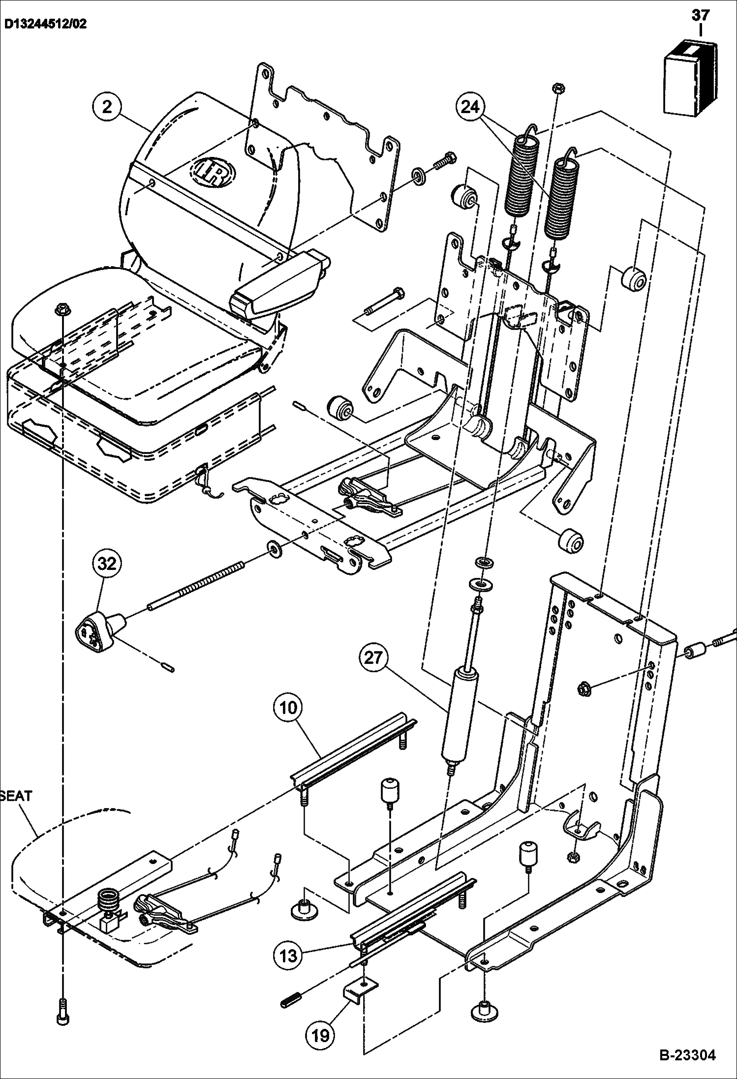
1Артикул: IR59267955, Plate suspension seat
2Артикул: IR13197926, SEAT See Illustration SUSPENSION SEAT/ B23304 - suspension
3Артикул: IR59887182, WASHER
Подробнее >
СИДЕНИЕ С ПОДВЕСКОЙ (ВНУТРЕННИЙ ОСТАНОВ)

СИДЕНИЕ С ПОДВЕСКОЙ (ВНУТРЕННИЙ ОСТАНОВ)

1Артикул: IR13167945, KIT dual switch seat - Was IR13137945 - D
2Артикул: IR13281332, SEAT PAN & CUSHION
3Артикул: IR13198270, KIT dual switch seat
Подробнее >
ПАНЕЛЬ ИЗМЕРИТЕЛЬНЫХ ПРИБОРОВ В СБОРЕ

ПАНЕЛЬ ИЗМЕРИТЕЛЬНЫХ ПРИБОРОВ В СБОРЕ

1Артикул: IR13165899, Panel Instrument
2Артикул: IR59184127, Panel emergency
3Артикул: STOP, STOP SWITCH NLA - Emergency Stop - Order IR43910579 (switch) & IR43910587 (washer)- Was IR59111450 - A
Подробнее >
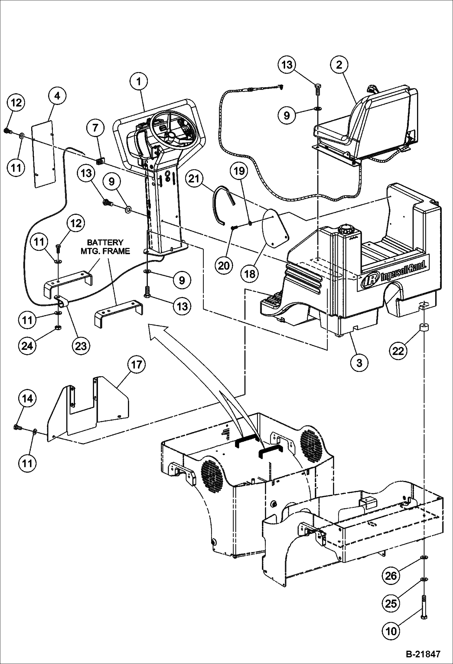
УСТАНОВКА ПЛАТФОРМЫ ВОДИТЕЛЯ

УСТАНОВКА ПЛАТФОРМЫ ВОДИТЕЛЯ

1Артикул: Pedestal, Pedestal Assy See Illustration PEDESTAL ASSEMBLY/ B21848
2Артикул: Pedestal, Pedestal Assy See Illustration PEDESTAL ASSEMBLY/ B21849 - for pressurized water installation - optional
3Артикул: Seat, Seat Assy See Illustration SEAT ASSEMBLY/ B21851 STD
Подробнее >
УСТРОЙСТВО РЕГУЛИРОВКИ ПЕРЕКЛЮЧАТЕЛЯ СКОРОСТЕЙ П-СТОП-З (ВНУТРЕННИЙ ОСТАНОВ)

УСТРОЙСТВО РЕГУЛИРОВКИ ПЕРЕКЛЮЧАТЕЛЯ СКОРОСТЕЙ П-СТОП-З (ВНУТРЕННИЙ ОСТАНОВ)

1Артикул: IR13493945, LEVER ASSEMBLY Includes Ref. 2 & 3 - Was IR54504899 - D
2Артикул: IR59240291, Handle
3Артикул: IR13382460, SWITCH vibration actuation - Was IR59072264 - D
Подробнее >
КОМПЛЕКТ ДЕТАЛЕЙ PEDESTAL

КОМПЛЕКТ ДЕТАЛЕЙ PEDESTAL

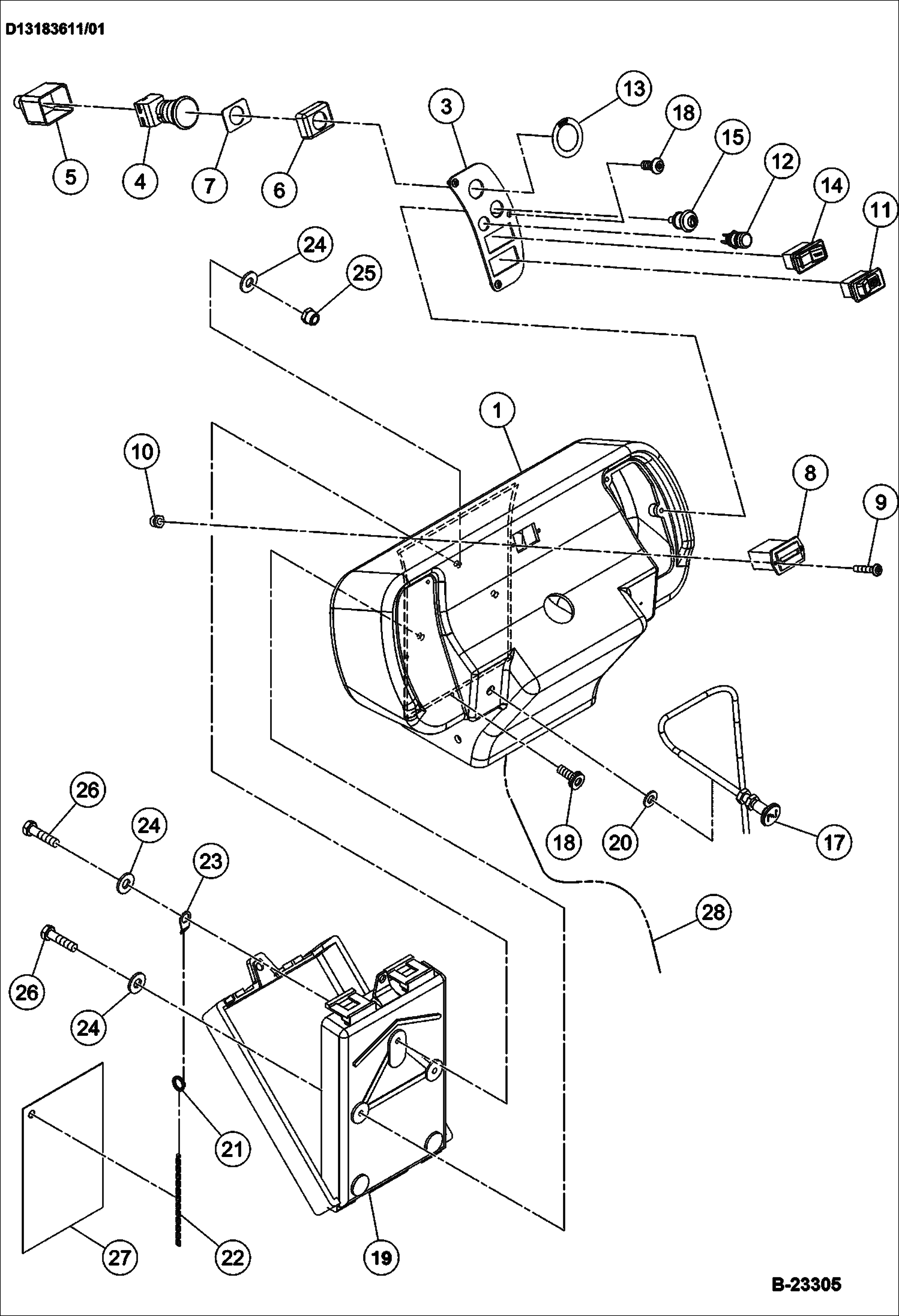
1Артикул: Panel, Panel Assy See Illustration INSTRUMENT PANEL ASSEMBLY/ B23305 - instrument
2Артикул: IR13316302, PEDESTAL Was IR13166590 - D
3Артикул: IR54581285, Orbital steering
Подробнее >
КОНСОЛЬ В СБОРЕ (ДЛЯ ОХЛАДИТЕЛЬНОЙ УСТАНОВКИ, РАБОТАЮЩЕЙ ПРИ ПОВЫШЕННОМ ДАВЛЕНИИ) (ОПЦИЯ)

КОНСОЛЬ В СБОРЕ (ДЛЯ ОХЛАДИТЕЛЬНОЙ УСТАНОВКИ, РАБОТАЮЩЕЙ ПРИ ПОВЫШЕННОМ ДАВЛЕНИИ) (ОПЦИЯ)

1Артикул: IR59295683, Panel instrument
2Артикул: IR59184069, Switch Panel L.H.
3Артикул: IR59184127, Panel emergency
Подробнее >
КОМПЛЕКТ ДЛЯ УСТАНОВКИ ПОВОРОТНОЙ РУКОЯТКИ (ОПЦИЯ)

КОМПЛЕКТ ДЛЯ УСТАНОВКИ ПОВОРОТНОЙ РУКОЯТКИ (ОПЦИЯ)

1Артикул: IR13169982, Spinner Knob
2Артикул: IR96714258, SCREW Was IR96701461 - A
3Артикул: IR96704598, LOCKNUT
Подробнее >
КОМПЛЕКТ ДЕТАЛЕЙ PEDESTAL (ДЛЯ ОХЛАДИТЕЛЬНОЙ УСТАНОВКИ, РАБОТАЮЩЕЙ ПРИ ПОВЫШЕННОМ ДАВЛЕНИИ) (ОПЦИЯ)

КОМПЛЕКТ ДЕТАЛЕЙ PEDESTAL (ДЛЯ ОХЛАДИТЕЛЬНОЙ УСТАНОВКИ, РАБОТАЮЩЕЙ ПРИ ПОВЫШЕННОМ ДАВЛЕНИИ) (ОПЦИЯ)

1Артикул: IR54581285, Orbital steering
2Артикул: IR13496500, SEAL KIT
3Артикул: IR58825498, BALL VALVE
Подробнее >