+7 (701) 588 50 05 Телефон для связи
RU

WhatsApp

Позвонить

ТАНДЕМНЫЙ КАТОК в Алматы

СИСТЕМА ОХЛАЖДЕНИЯ, РАБОТАЮЩАЯ ПРИ ПОВЫШЕННОМ ДАВЛЕНИИ (ОПЦИЯ)

СИСТЕМА ОХЛАЖДЕНИЯ, РАБОТАЮЩАЯ ПРИ ПОВЫШЕННОМ ДАВЛЕНИИ (ОПЦИЯ)

1Артикул: IR58825498, BALL VALVE
2Артикул: IR59579607, HOSE barbed
3Артикул: IR59658377, TEE
Подробнее >
СКРЕБОК В СБОРЕ

СКРЕБОК В СБОРЕ

1Артикул: IR59271643, BRACKET support
2Артикул: IR59258525, Scraper rubber
3Артикул: IR13199864, Drip Tube assy
Подробнее >
CКРЕБОК СИСТЕМЫ РАСПЫЛЕНИЯ В СБОРЕ (ОПЦИЯ)

CКРЕБОК СИСТЕМЫ РАСПЫЛЕНИЯ В СБОРЕ (ОПЦИЯ)

1Артикул: IR59271643, BRACKET
2Артикул: IR59258525, Scraper rubber
3Артикул: IR13222567, TUBE,SPRAY W/NOZZLES spray - Was IR59227934 - A
Подробнее >
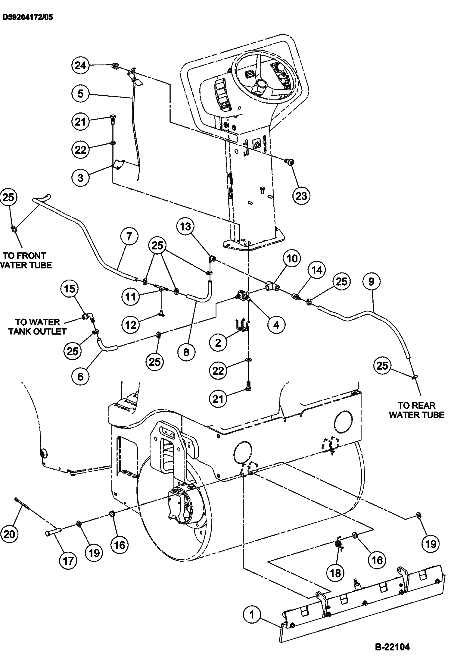
СИСТЕМА ВОДЯНОГО ОХЛАЖДЕНИЯ

СИСТЕМА ВОДЯНОГО ОХЛАЖДЕНИЯ

1Артикул: Scraper, Scraper Assy See Illustration SCRAPER ASSEMBLY/ B22105
2Артикул: IR59225227, Valve Strap
3Артикул: IR59225235, Bracket cable retaining
Подробнее >
ВОДЯНАЯ ПОМПА (ВНУТРЕННИЙ ОСТАНОВ)

ВОДЯНАЯ ПОМПА (ВНУТРЕННИЙ ОСТАНОВ)

1Артикул: IR59123851, Valve Assy bypass
2Артикул: IR59123836, Plate no control
3Артикул: IR59123877, DRIVE ASSY
Подробнее >