+7 (701) 588 50 05 Телефон для связи
RU

WhatsApp

Позвонить

ТАНДЕМНЫЙ КАТОК в Алматы

ОХЛАДИТЕЛЬНАЯ УСТАНОВКА, РАБОТАЮЩАЯ ПРИ ПОВЫШЕННОМ ДАВЛЕНИИ (ОПЦИЯ)

ОХЛАДИТЕЛЬНАЯ УСТАНОВКА, РАБОТАЮЩАЯ ПРИ ПОВЫШЕННОМ ДАВЛЕНИИ (ОПЦИЯ)

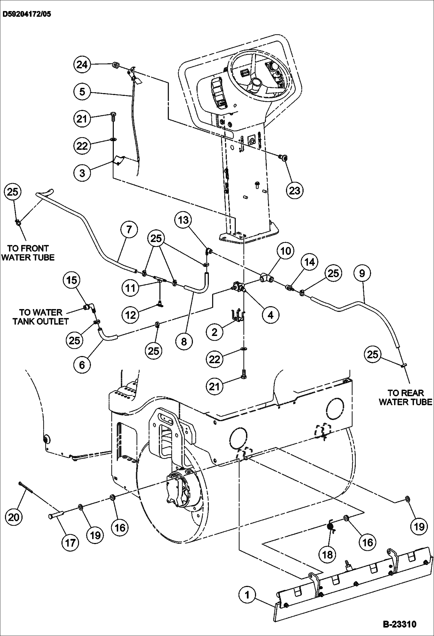
1Артикул: Pedestal, Pedestal Assy See Illustration PEDESTAL ASSEMBLY/ B21849 - for pressurized water installation - optional
2Артикул: IR59658377, TEE
3Артикул: IR59809764, HOSE 6--
Подробнее >
УСТАНОВКА СИСТЕМЫ ВОДЯНОГО ОХЛАЖДЕНИЯ

УСТАНОВКА СИСТЕМЫ ВОДЯНОГО ОХЛАЖДЕНИЯ

1Артикул: Scraper, Scraper Assy See Illustration SCRAPER ASSEMBLY/ B23311
2Артикул: IR59225227, Valve Strap
3Артикул: IR59225235, Bracket cable retaining
Подробнее >
ТРУБКА РАСПЫЛИТЕЛЯ В СБОРЕ (ОПЦИЯ)

ТРУБКА РАСПЫЛИТЕЛЯ В СБОРЕ (ОПЦИЯ)

1Артикул: spray, spray Tube NSS - subassembly
2Артикул: IR13447453, SPRAY TUBE Double - Was IR13199807 - A
3Артикул: IR59966556, Tee
Подробнее >
СКРЕБОК В СБОРЕ (ОПЦИЯ)

СКРЕБОК В СБОРЕ (ОПЦИЯ)

1Артикул: IR59271643, BRACKET scraper
2Артикул: IR59258525, Scraper rubber
3Артикул: IR13166962, Scraper urethane - optional
Подробнее >
УСТАНОВКА СЕТКИ ДЛЯ ОЧИСТКИ ВОДЫ (ОПЦИЯ)

УСТАНОВКА СЕТКИ ДЛЯ ОЧИСТКИ ВОДЫ (ОПЦИЯ)

1Артикул: IR59277210, Water Strainer
Подробнее >
ВОДЯНАЯ ПОМПА (ВНУТРЕННИЙ ОСТАНОВ)

ВОДЯНАЯ ПОМПА (ВНУТРЕННИЙ ОСТАНОВ)

1Артикул: IR59123851, Valve Assy bypass
2Артикул: IR59123836, Plate no control
3Артикул: IR59123877, DRIVE ASSY
Подробнее >
СКРЕБОК В СБОРЕ

СКРЕБОК В СБОРЕ

1Артикул: IR59271643, BRACKET support
2Артикул: IR59258525, Scraper rubber
3Артикул: IR13166962, Scraper urethane - Optional
Подробнее >