ТЕЛЕСКОПИЧЕСКИЙ ПОГРУЗЧИК - EMEA ТОЛЬКО в Алматы
ОСНОВНАЯ ПЛАТФОРМА (ПОВОРОТНАЯ ПЛАТФОРМА) (СЕРИЙНЫЙ НОМЕР A6SH00101 И ВЫШЕ)
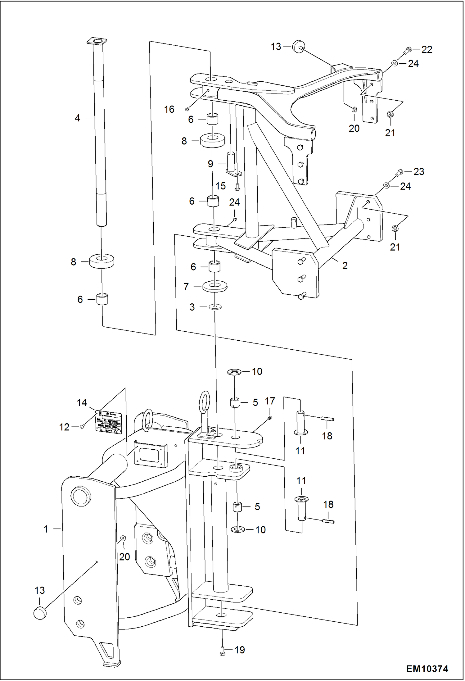
1Артикул: 7130266, CARRIER W/A
2Артикул: 7130267, SWING W/A
3Артикул: 7131837, WASHER
ОСНОВНАЯ ПЛАТФОРМА (ТЕХНИЧЕСКОЕ ОБСЛУЖИВАНИЕ) (СЕРИЙНЫЙ НОМЕР A6SH00101, B35R00101, B38G00101, B3BP00101, B3BR00101 И ВЫШЕ)
1Артикул: 6986742, MANUAL, SERVICE
2Артикул: 6990965, MANUAL, SERVICE
3Артикул: 6990965, MANUAL, SERVICE
ОСНОВНАЯ ПЛАТФОРМА (КОНТУР ЭЛЕКТРИЧЕСКОЙ ЦЕПИ) (СЕРИЙНЫЙ НОМЕР A6SH00101 И ВЫШЕ)
1Артикул: 6624289, STRAP, TIE
2Артикул: 7015668, MOUNT, STRAP TIE Was 6678666 - A
3Артикул: 6918028, SWITCH
ОСНОВНАЯ ПЛАТФОРМА (СХЕМА ГИДРАВЛИЧЕСКОЙ СИСТЕМЫ) (СЕРИЙНЫЙ НОМЕР B3BR00101 И ВЫШЕ)
1Артикул: 7251196, CYLINDER, SWING See Illustration MAN PLATFORM/ EM10378
2Артикул: 7225158, COUPLER, HYD
3Артикул: 7187655, WASHER, BONDED
ОСНОВНАЯ ПЛАТФОРМА (РАМА ШАССИ И ВЫДВИЖНЫЕ УСТРОЙСТВА) (СЕРИЙНЫЙ НОМЕР B3BP00101 И ВЫШЕ)
1Артикул: 7257936, FRAME, MAIN
2Артикул: 7251163, PLUG
3Артикул: 7251164, PLUG
ОСНОВНАЯ ПЛАТФОРМА (ПОВОРОТ И РАМА ОПРЕДЕЛЕНИЯ НАГРУЗКИ) (СЕРИЙНЫЙ НОМЕР B3BP00101, B3BR00101 И ВЫШЕ)
1Артикул: 7251180, BUSHING
2Артикул: 7257935, SWING
3Артикул: 7251182, RING, SNAP
ОСНОВНАЯ ПЛАТФОРМА (РАМА ШАССИ И ВЫДВИЖНЫЕ УСТРОЙСТВА) (СЕРИЙНЫЙ НОМЕР B35R00101 И ВЫШЕ)
1Артикул: 7251162, FRAME, MAIN
2Артикул: 7251163, PLUG
3Артикул: 7251164, PLUG
ОСНОВНАЯ ПЛАТФОРМА (РАМА ШАССИ) (СЕРИЙНЫЙ НОМЕР B38G00101 И ВЫШЕ)
1Артикул: 6967979, RIVET
2Артикул: 7220190, CLINOMETER
3Артикул: 7220283, SCREW
ОСНОВНАЯ ПЛАТФОРМА (КОНТУР ЭЛЕКТРИЧЕСКОЙ ЦЕПИ) (СЕРИЙНЫЙ НОМЕР B38G00101 И ВЫШЕ)
1Артикул: 6624289, STRAP, TIE
2Артикул: 7232853, SENSOR
3Артикул: 7233902, SENSOR, INDUCTIVE
ОСНОВНАЯ ПЛАТФОРМА (ВЫДВИЖНОЙ ЦИЛИНДР) (СЕРИЙНЫЙ НОМЕР B35R00101, B3BP00101 И ВЫШЕ)
1Артикул: 7251179, CYLINDER, EXTENSION Ref. 2-8
2Артикул: 7251248, TUBE
3Артикул: 7251249, ROD
ОСНОВНАЯ ПЛАТФОРМА (ВЫДВИЖНЫЕ УСТРОЙСТВА) (СЕРИЙНЫЙ НОМЕР A6SH00101 И ВЫШЕ)
1Артикул: 7130269, CAGE, EXTENSION W/A
2Артикул: 7131902, CAGE, EXTENSION W/A
3Артикул: 7131816, DOOR W/A
ОСНОВНАЯ ПЛАТФОРМА (ДИАГРАММА РАСПРЕДЕЛЕНИЯ НАГРУЗКИ ) (СЕРИЙНЫЙ НОМЕР B35R00101, B3BP00101, B3BR00101, B38G00101 И ВЫШЕ)
1Артикул: 7246266, CHART, LOAD T40140
2Артикул: 7246600, CHART, LOAD T40180
3Артикул: 7249326, CHART, LOAD T40180 straight - 18M AUS
ОСНОВНАЯ ПЛАТФОРМА (КОНТУР ЭЛЕКТРИЧЕСКОЙ ЦЕПИ) (СЕРИЙНЫЙ НОМЕР B35R00101, B3BP00101, B3BR00101 И ВЫШЕ)
1Артикул: 6624289, STRAP, TIE
2Артикул: 6678666, MOUNT, STRAP TIE
3Артикул: 7232853, SENSOR
ОСНОВНАЯ ПЛАТФОРМА (СХЕМА ГИДРАВЛИЧЕСКОЙ СИСТЕМЫ) (СЕРИЙНЫЙ НОМЕР A6SH00101 И ВЫШЕ)
1Артикул: 7160692, ORIFICE
2Артикул: 7246790, COUPLER, FF FEMALE Was 6672960 - A
3Артикул: 7246777, COUPLER, FF MALE Was 6674688 - A
ОСНОВНАЯ ПЛАТФОРМА (РАМА ШАССИ) (СЕРИЙНЫЙ НОМЕР A6SH00101 И ВЫШЕ)
1Артикул: 6560382, PIN, LOCK
2Артикул: 6702642, SCREW
3Артикул: 6708827, CONTAINER
ОСНОВНАЯ ПЛАТФОРМА (СХЕМА ГИДРАВЛИЧЕСКОЙ СИСТЕМЫ) (СЕРИЙНЫЙ НОМЕР B35R00101, B3BP00101 И ВЫШЕ)
1Артикул: 7251179, CYLINDER, EXTENSION See Illustration MAN PLATFORM/ EM10377
2Артикул: 7251196, CYLINDER, SWING See Illustration MAN PLATFORM/ EM10378
3Артикул: 7251219, FITTING, HYD
ОСНОВНАЯ ПЛАТФОРМА (ПРЕДУПРЕЖДАЮЩИЕ ТАБЛИЧКИ) (СЕРИЙНЫЙ НОМЕР A6SH00101, B35R00101, B38G00101, B3BP00101, B3BR00101 И ВЫШЕ)
1Артикул: 6809831, DECAL, LOGO BOBCAT AND HEAD
2Артикул: 6809831, DECAL, LOGO BOBCAT AND HEAD
3Артикул: 6974908, DECAL SAFETY BOX
ОСНОВНАЯ ПЛАТФОРМА (ПОВОРОТ И РАМА ОПРЕДЕЛЕНИЯ НАГРУЗКИ) (СЕРИЙНЫЙ НОМЕР B35R00101 И ВЫШЕ)
1Артикул: 7251180, BUSHING
2Артикул: 7251181, SWING
3Артикул: 7251182, RING, SNAP
ОСНОВНАЯ ПЛАТФОРМА (ЦИЛИНДР ПОВОРОТА) (СЕРИЙНЫЙ НОМЕР B35R00101, B3BP00101, B3BR00101 И ВЫШЕ)
1Артикул: 7251196, CYLINDER, SWING Ref. 2-10
2Артикул: 7251250, ROD
3Артикул: 7251251, HEAD, PISTON
ОСНОВНАЯ ПЛАТФОРМА (ПРЕДОХРАНИТЕЛЬНЫЙ ШТИФТ) (СЕРИЙНЫЙ НОМЕР A6SH00101 И ВЫШЕ)
1Артикул: 7138457, PIN
2Артикул: 7138461, CHAIN
3Артикул: 7138728, SPRING
ОСНОВНАЯ ПЛАТФОРМА (НАБОР ПЕРЕХОДНИКОВ) (СЕРИЙНЫЙ НОМЕР A6SH00101 И ВЫШЕ)
1Артикул: 7244480, KIT, ADAPTER Ref. 2-4
2Артикул: 7236493, HARNESS, ADAPTER
3Артикул: 7246267, CHART, LOAD T40140
ОСНОВНАЯ ПЛАТФОРМА (РАМА ШАССИ И ВЫДВИЖНЫЕ УСТРОЙСТВА) (СЕРИЙНЫЙ НОМЕР B3BR00101 И ВЫШЕ)
1Артикул: 7251162, FRAME, MAIN
2Артикул: 7251166, PLATE, FLOOR
3Артикул: 7251169, PLATE, SIDE