+7 (701) 588 50 05 Телефон для связи
RU

WhatsApp

Позвонить

ТОПЛИВНАЯ СИСТЕМА в Алматы

НАСОС ПОДАЧИ ТОПЛИВА

НАСОС ПОДАЧИ ТОПЛИВА

1Артикул: 6640961, PUMP ASSY
2Артикул: 6636568, PACKING
3Артикул: 6636830, BOLT
Подробнее >
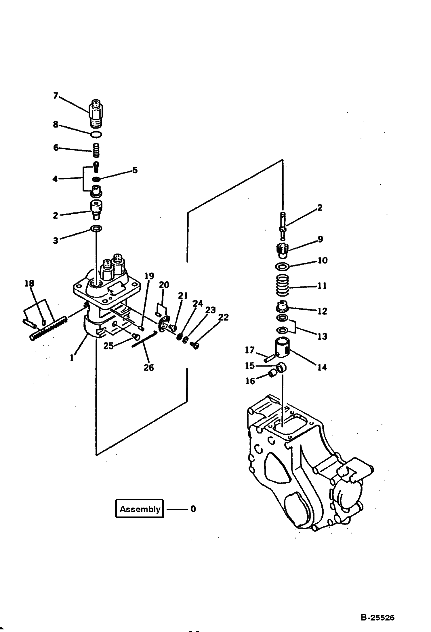
НАСОС ДЛЯ ВПРЫСКА ТОПЛИВА

НАСОС ДЛЯ ВПРЫСКА ТОПЛИВА

1Артикул: 6641000, PUMP,INJE
2Артикул: BODY, BODY Was YM121450-51010
3Артикул: 6641857, PLUNGER
Подробнее >
УСТРОЙСТВО УПРАВЛЕНИЯ РЕГУЛЯТОРА ОБОРОТОВ

УСТРОЙСТВО УПРАВЛЕНИЯ РЕГУЛЯТОРА ОБОРОТОВ

1Артикул: 6641990, WGHT ASY
2Артикул: SUPPORT, SUPPORT Was YM121450-61101
3Артикул: 6636328, WEIGHT
Подробнее >
ВОДООТДЕЛИТЕЛЬ

ВОДООТДЕЛИТЕЛЬ

1Артикул: 6636731, SEPARATOR
2Артикул: 6636588, HOUSING
3Артикул: 6636558, SPRING
Подробнее >
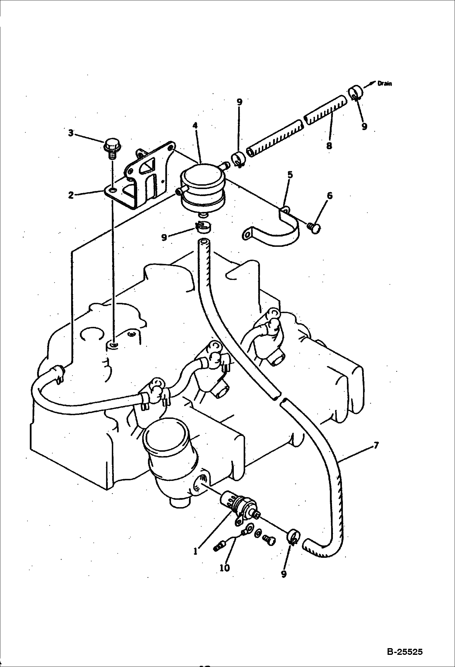
ТОПЛИВНЫЙ ЖИКЛЕР И СЛИВНОЙ ШЛАНГ

ТОПЛИВНЫЙ ЖИКЛЕР И СЛИВНОЙ ШЛАНГ

1Артикул: 6640996, NOZZLE AS
2Артикул: 6636316, BODY
3Артикул: 6636623, NOZZLE
Подробнее >
ФИЛЬТР ДЛЯ ТОПЛИВА

ФИЛЬТР ДЛЯ ТОПЛИВА

1Артикул: 6640981, FILTER ASMBLY
2Артикул: 6636557, HOUSING
3Артикул: 6636554, SPRING
Подробнее >
ТЕРМОСТАТ

ТЕРМОСТАТ

1Артикул: 6640948, PLUG
2Артикул: 6636135, CLAMP bracket
3Артикул: 6636847, BOLT
Подробнее >
НАСОС ДЛЯ ВПРЫСКА ТОПЛИВА И ТРУБОПРОВОД

НАСОС ДЛЯ ВПРЫСКА ТОПЛИВА И ТРУБОПРОВОД

1Артикул: 6641000, PUMP,INJE
2Артикул: 6640940, SHIM ASSY
3Артикул: 6636331, CONNECTOR
Подробнее >