+7 (701) 588 50 05 Телефон для связи
RU

WhatsApp

Позвонить

Продажа: ТРАНСМИССИЯ в Алматы и Астане Цены официального дилера с доставкой по всему Казахстану

Официальный дилер Все запчасти в наличии Лизинг / Рассрочка Сервис и гарантия
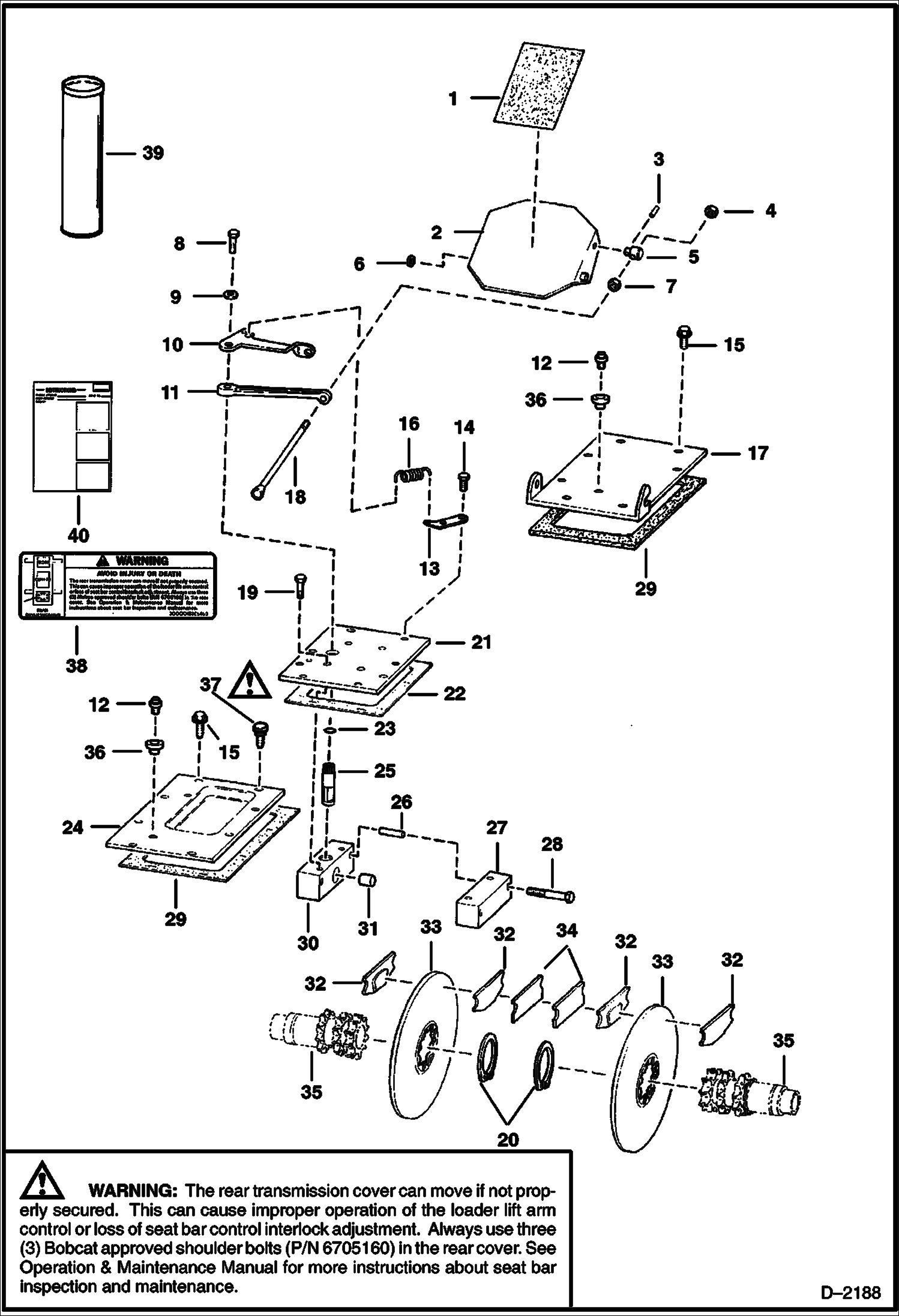
Спецтехника АВТОТРАНСПОРТЕР (УСТАНОВКА ПРИВОДНОГО ДВИГАТЕЛЯ В СБОРЕ) от Globus Machinery

АВТОТРАНСПОРТЕР (УСТАНОВКА ПРИВОДНОГО ДВИГАТЕЛЯ В СБОРЕ)

1Артикул: MOUNT, MO...
2Артикул: 6705065, ...
3Артикул: 6632218, ...
Подробнее >
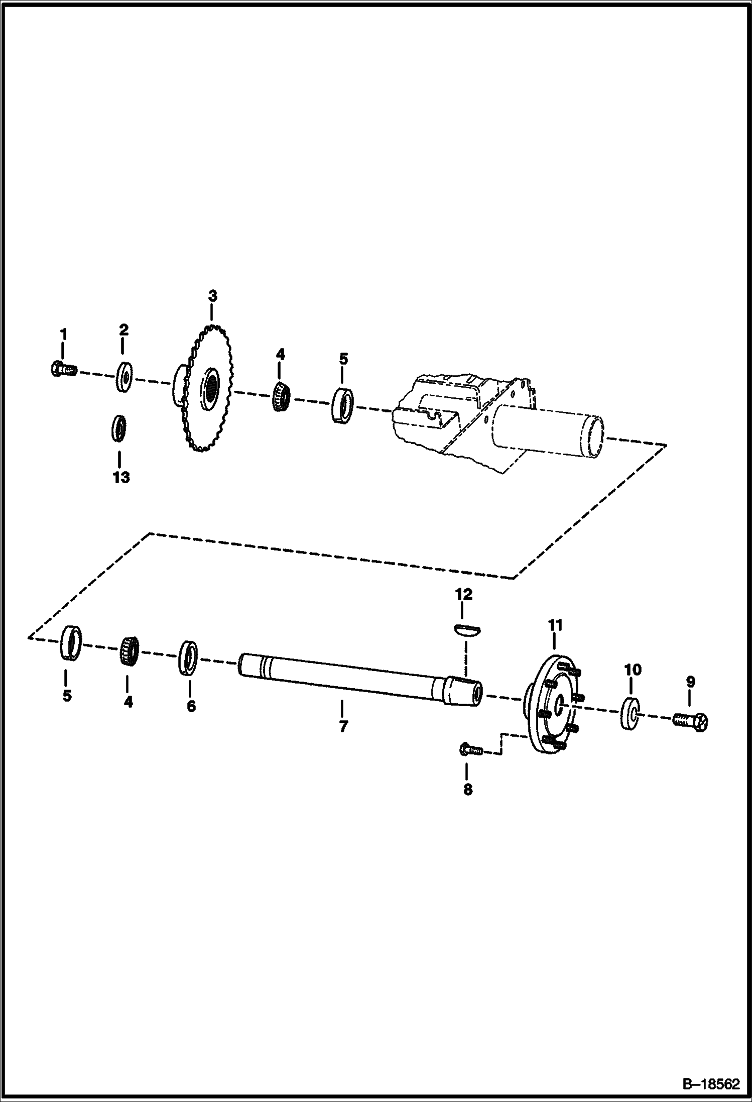
Спецтехника МОСТ от Globus Machinery

МОСТ

1Артикул: 18C1224, ...
2Артикул: 6552871, ...
3Артикул: 7134137, ...
Подробнее >
Спецтехника ТОРМОЗНОЙ ДИСК от Globus Machinery

ТОРМОЗНОЙ ДИСК

1Артикул: 6553976, ...
2Артикул: 6563187, ...
3Артикул: 14J2516, ...
Подробнее >