+7 (701) 588 50 05 Телефон для связи
RU

WhatsApp

Позвонить

ТРАНСМИССИЯ в Алматы

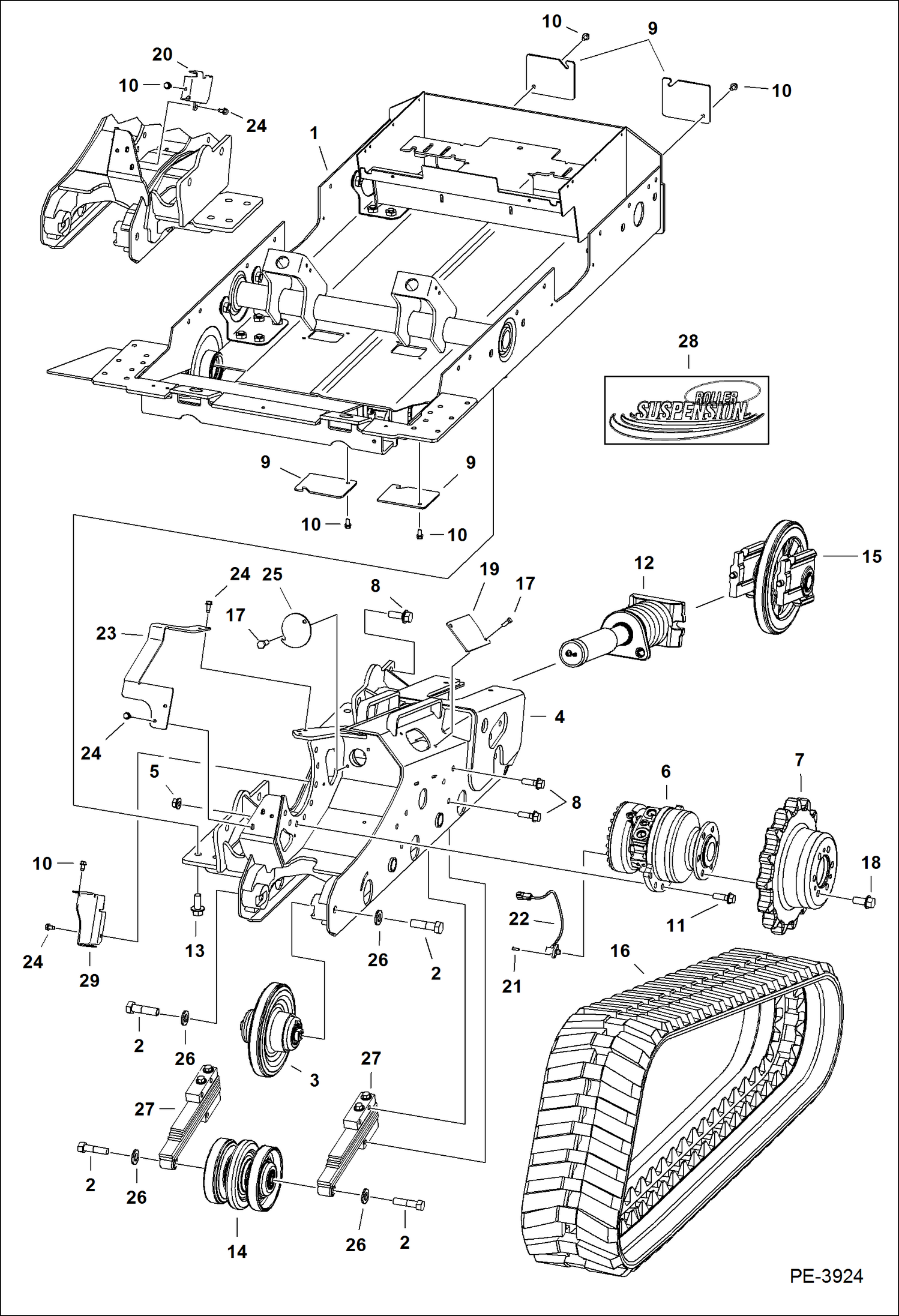
ПРИВОДНОЙ МЕХАНИЗМ (ПРОЧНО ЗАКРЕПЛЕННАЯ ХОДОВАЯ ЧАСТЬ) (СЕРИЙНЫЙ НОМЕР A3LN11001 -A3LN 35235, A3LP11001 - A3LP35010)

ПРИВОДНОЙ МЕХАНИЗМ (ПРОЧНО ЗАКРЕПЛЕННАЯ ХОДОВАЯ ЧАСТЬ) (СЕРИЙНЫЙ НОМЕР A3LN11001 -A3LN 35235, A3LP11001 - A3LP35010)

1Артикул: 7107237, DRIVECASE
2Артикул: 31C1224, BOLT services 31C1228 in this application
3Артикул: IDLER,, IDLER, REAR 2 See Illustration REAR IDLER/ PE2555 - NLA - W/threaded holes - 1.38-- (35 mm) deep threads - Was 6693238 - B
Подробнее >
ЗАДНЕЕ НАТЯЖНОЕ КОЛЕСО (ПРОЧНО ЗАКРЕПЛЕННЫЕ РОЛИКИ)

ЗАДНЕЕ НАТЯЖНОЕ КОЛЕСО (ПРОЧНО ЗАКРЕПЛЕННЫЕ РОЛИКИ)

1Артикул: 6693238, IDLER, REAR 2
Подробнее >
ЗАДНЕЕ НАТЯЖНОЕ КОЛЕСО (ПОДВЕСКА КАТКОВ)

ЗАДНЕЕ НАТЯЖНОЕ КОЛЕСО (ПОДВЕСКА КАТКОВ)

1Артикул: 6697933, IDLER REAR
Подробнее >
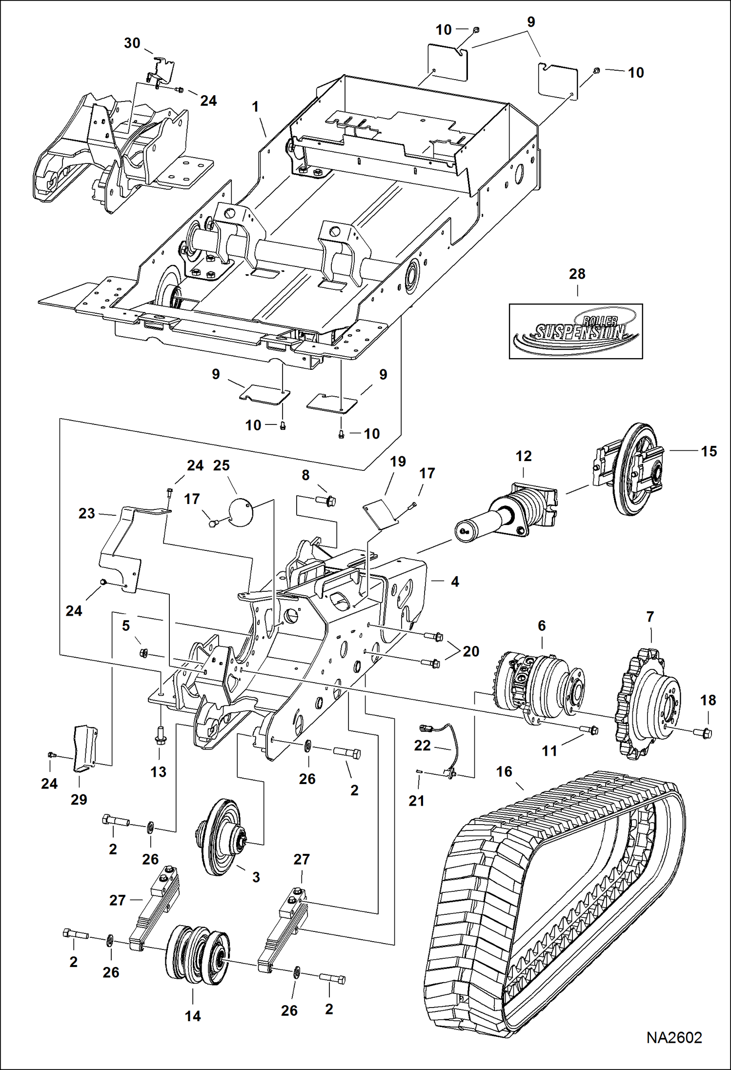
ПРИВОДНОЙ МЕХАНИЗМ (ПОДВЕСКА КАТКОВ) (СЕРИЙНЫЙ НОМЕР A3LN36500 И ВЫШЕ, A3LP36500 И ВЫШЕ)

ПРИВОДНОЙ МЕХАНИЗМ (ПОДВЕСКА КАТКОВ) (СЕРИЙНЫЙ НОМЕР A3LN36500 И ВЫШЕ, A3LP36500 И ВЫШЕ)

1Артикул: 7107237, DRIVECASE
2Артикул: 7143955, BOLT
3Артикул: 6697933, IDLER REAR
Подробнее >
ПРИВОДНОЙ МЕХАНИЗМ (ПРОЧНО ЗАКРЕПЛЕННАЯ ХОДОВАЯ ЧАСТЬ) (СЕРИЙНЫЙ НОМЕР A3LN35236 - A3LN36499, A3LP35011 - A3LP36499)

ПРИВОДНОЙ МЕХАНИЗМ (ПРОЧНО ЗАКРЕПЛЕННАЯ ХОДОВАЯ ЧАСТЬ) (СЕРИЙНЫЙ НОМЕР A3LN35236 - A3LN36499, A3LP35011 - A3LP36499)

1Артикул: 7107237, DRIVECASE
2Артикул: 31C1224, BOLT services 31C1228 in this application
3Артикул: IDLER,, IDLER, REAR 2 See Illustration REAR IDLER/ PE2555 - NLA - W/threaded holes - 1.38-- (35 mm) deep threads - Was 6693238 - B
Подробнее >
ПЕРЕДНЕЕ НАТЯЖНОЕ КОЛЕСО

ПЕРЕДНЕЕ НАТЯЖНОЕ КОЛЕСО

1Артикул: 6693237, IDLER, FRONT 2
Подробнее >
НАТЯЖИТЕЛЬ ГУСЕНИЦЫ

НАТЯЖИТЕЛЬ ГУСЕНИЦЫ

1Артикул: TENSIONER,, TENSIONER, TRACK ASSY NLA - Ref. 2 & 4-11 - Order 7180670 tensioner - Was 7144481 - A
2Артикул: 7180670, TENSIONER, TRACK ASSY Ref. 2-7 & 10-13
3Артикул: COIL, COIL SPRING ASSY NSS - Order Ref. 1
Подробнее >
РОЛИК ГУСЕНИЦЫ

РОЛИК ГУСЕНИЦЫ

1Артикул: ROLLER,, ROLLER, TRACK 2 NLA - W/threaded holes - 35 mm (1.38--) deep threads - Was 6689371 - B
2Артикул: 6689371, ROLLER, TRACK 2 W/threaded holes - 45 mm (1.77--) deep threads
Подробнее >
ПРИВОДНОЙ МЕХАНИЗМ (ПРОЧНО ЗАКРЕПЛЕННАЯ ХОДОВАЯ ЧАСТЬ) (СЕРИЙНЫЙ НОМЕР A3LN36500 И ВЫШЕ, A3LP36500 И ВЫШЕ)

ПРИВОДНОЙ МЕХАНИЗМ (ПРОЧНО ЗАКРЕПЛЕННАЯ ХОДОВАЯ ЧАСТЬ) (СЕРИЙНЫЙ НОМЕР A3LN36500 И ВЫШЕ, A3LP36500 И ВЫШЕ)

1Артикул: 7107237, DRIVECASE
2Артикул: 31C1224, BOLT services 31C1228 in this application
3Артикул: IDLER,, IDLER, REAR 2 See Illustration REAR IDLER/ PE2555 - NLA - W/threaded holes - 1.38-- (35 mm) deep threads - Was 6693238 - B
Подробнее >
ПРИВОДНОЙ МЕХАНИЗМ (ПОДВЕСКА КАТКОВ) (СЕРИЙНЫЙ НОМЕР A3LN11001 - A3LN36499, A3LP11001 - A3LP36499)

ПРИВОДНОЙ МЕХАНИЗМ (ПОДВЕСКА КАТКОВ) (СЕРИЙНЫЙ НОМЕР A3LN11001 - A3LN36499, A3LP11001 - A3LP36499)

1Артикул: 7107237, DRIVECASE
2Артикул: 7143955, BOLT
3Артикул: 6697933, IDLER REAR See Illustration REAR IDLER/ PE3460
Подробнее >