+7 (701) 588 50 05 Телефон для связи
RU

WhatsApp

Позвонить

ТРАНСМИССИЯ в Алматы

ТОРМОЗНОЙ ДИСК

ТОРМОЗНОЙ ДИСК

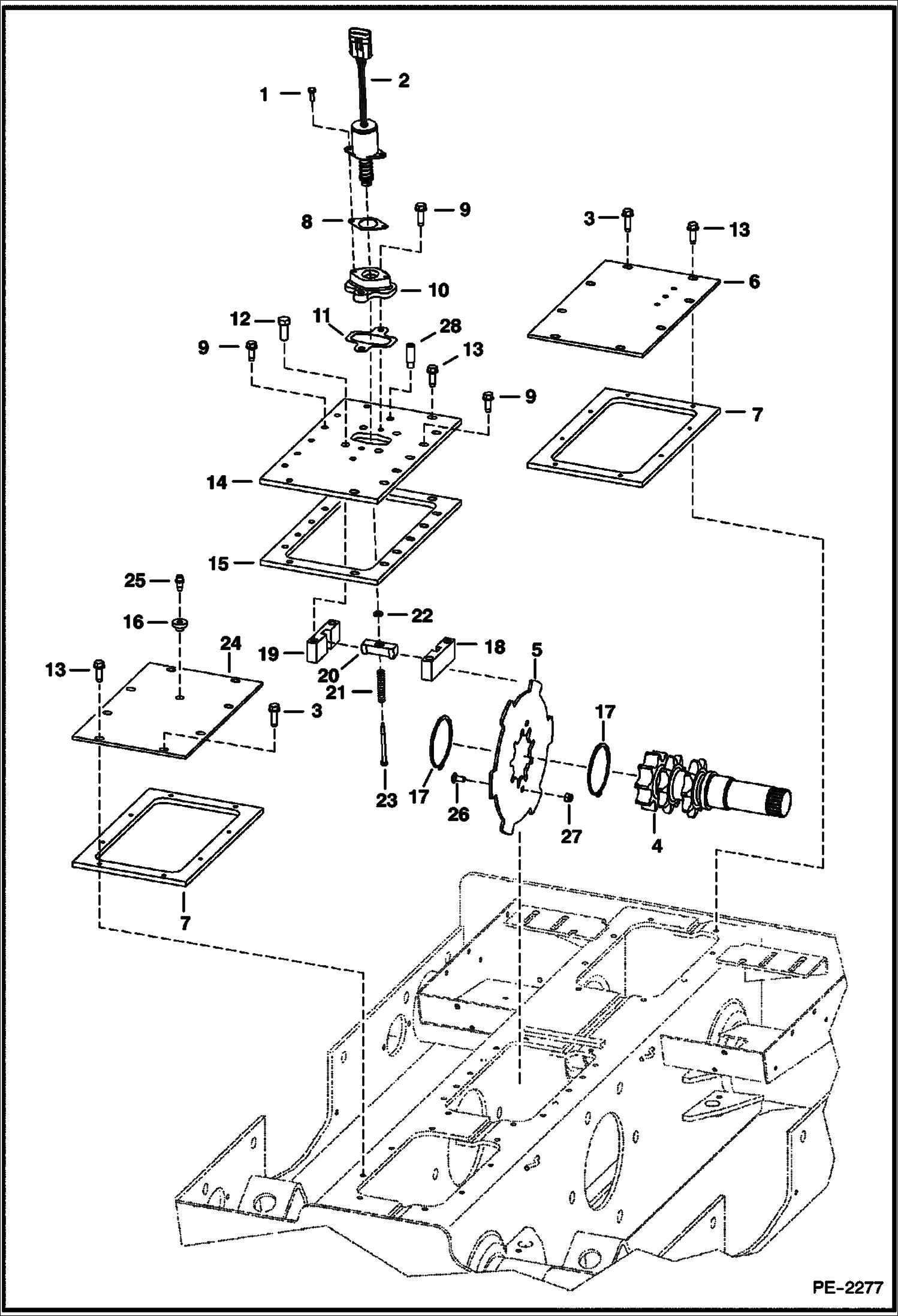
1Артикул: 17C412, BOLT 5
2Артикул: 6681512, SOLENOID Was 6667992 - A
3Артикул: 84G3712, BOLT 5
Подробнее >
АВТОТРАНСПОРТЕР (УСТАНОВКА ПРИВОДНОГО ДВИГАТЕЛЯ В СБОРЕ)

АВТОТРАНСПОРТЕР (УСТАНОВКА ПРИВОДНОГО ДВИГАТЕЛЯ В СБОРЕ)

1Артикул: 6729719, MOUNT ASSY. drive motor - Ref. 2-16
2Артикул: 6729662, SHAFT W/ snap ring groove
3Артикул: 6664845, CONE, BEARING Order W/Ref. 4
Подробнее >
МОСТ

МОСТ

1Артикул: 6679247, BOLT plated - 1.75-- (44,5 mm) long - Was 2C001626B - B
2Артикул: 6732095, WASHER Was 6558694 - B
3Артикул: 6729620, SPROCKET
Подробнее >